вконтакте

Контактный телефон: +7 (981) 121-46-93, +7 (800) 200-90-76 , Email: parts-katalog@yandex.ru, где купить

 
 

  Логин:

Пароль:

Регистрация

www.partskatalog.ru Все каталоги Запчасти Mercury Запчасти Suzuki Запчасти Tohatsu Запчасти Honda Контакты



УВАЖАЕМЫЕ КЛИЕНТЫ!
C 19 ДЕКАБРЯ 2025 ПО 02 МАРТА 2026 ГОДА ОТДЕЛ ЗАПЧАСТЕЙ И СЕРВИС РАБОТАТЬ НЕ БУДУТ
ПРОДАЖА ЛОДОЧНЫХ МОТОРОВ В ШТАТНОМ РЕЖИМЕ
ОБ ИЗМЕНЕНИЯХ В ГРАФИКЕ РАБОТЫ ЧИТАЙТЕ НА САЙТА




Все разделы каталога запчастей на этот двигатель

назад Раздел:   вперёд

вернуться к списку узлов и деталей

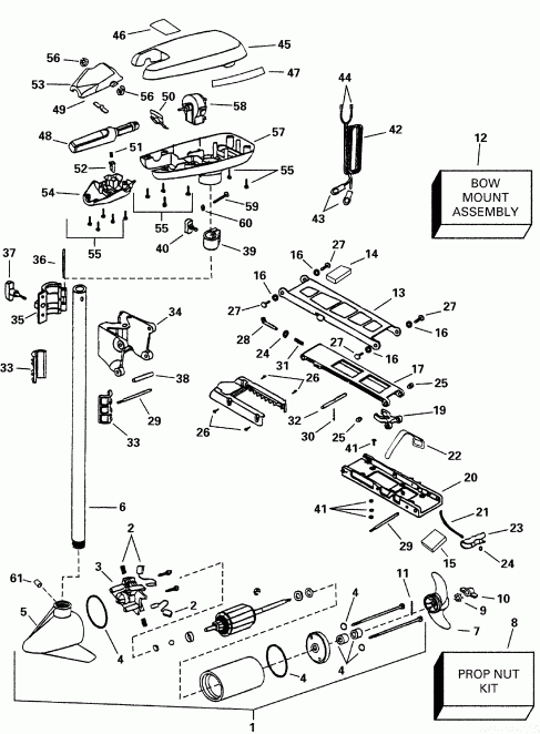
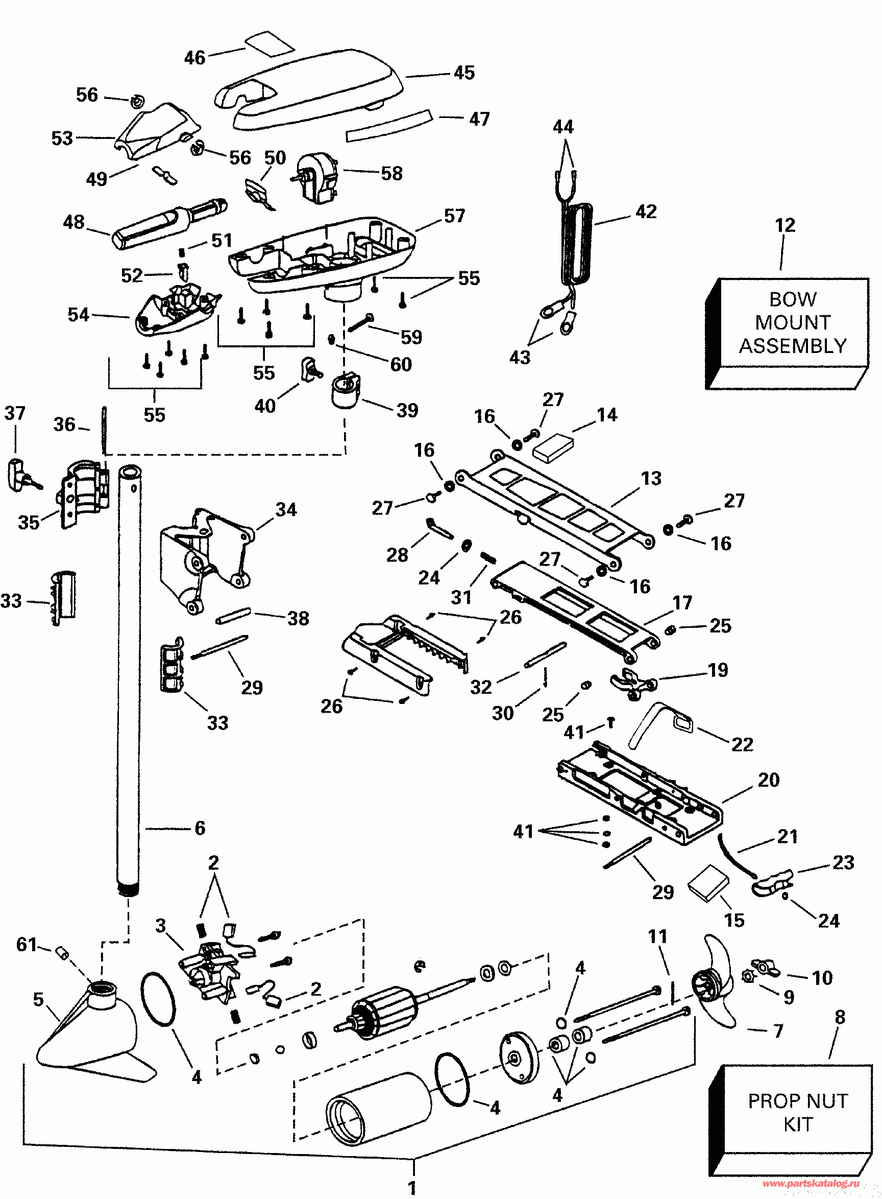
ДЕТАЛИРОВКА ДЛЯ МОДЕЛИ: EVINRUDE P/N 773177 EFC 54F 2000

INTRUDER 44 H | INTRUDER 44 H;


 EVINRUDE P/N 773177 EFC 54F 2000  - truder 44 H / truder 44 H

Номер на
рисунке
АртикулНаименованиеКол-во
на складе
Цена
1 0128172

MOTOR ASSEMBLY (MOTOR ASSEMBLY)

нет в наличии, поставок нет
2 0128026

*Щётка & Пружина KIT (BRUSH & SPRING KIT)

нет в наличии, поставок нет
3 0127913

*Проставка, Щётка Пластина (SPACER, Brush plate)

нет в наличии, поставок нет
4 0128028

*Щётка Пластина в сборе. (BRUSH PLATE ASSY.)

нет в наличии, поставок нет
5 0128345

*SPEED Управление & Корпус (SPEED CONTROL & HOUSING)

нет в наличии, поставок нет
6 0128173

Трубка, 52 дюйм (TUBE, 52 in.)

нет в наличии, поставок нет
7 0772775

Гребной винт (PROPELLER)

нет в наличии, поставок нет
7 0127917

   (последний код) KIT,PROPELLER

нет в наличии, поставок нет
8 0772777

PROP Гайка KIT (PROP NUT KIT)

нет в наличии, поставок нет
9 0127938

*LOCKШайба (LOCKWASHER)

нет в наличии, поставок нет
10 0127939

*PROP Гайка (PROP NUT)

нет в наличии, поставок нет
11 0127950

*DRIVE Штифт (DRIVE PIN)

нет в наличии, поставок нет
12 0128174

BOW Крепление в сборе., 52 дюйм (BOW MOUNT ASSY., 52 in.)

нет в наличии, поставок нет
13 0128175

*Рычаг, верхний , 52 дюйм (ARM, UPPER, 52 in.)

нет в наличии, поставок нет
14 0128095

*Бампер (BUMPER)

нет в наличии, поставок нет
15 0128176

*Бампер (BUMPER)

нет в наличии, поставок нет
16 0128096

*Втулка, Shoulder (BUSHING, Shoulder)

нет в наличии, поставок нет
17 0128098

*Рычаг, нижний (ARM, Lower)

нет в наличии, поставок нет
18 0128099

*MOTOR REST в сборе. (MOTOR REST ASSY.)

нет в наличии, поставок нет
19 0128100

*Трубка, Lock (TUBE, Lock)

нет в наличии, поставок нет
20 0128188

*BOWПластина (BOWPLATE)

нет в наличии, поставок нет
21 0128101

*Шнур (ROPE)

нет в наличии, поставок нет
22 0128177

*Хомут, Hold down (STRAP, Hold down)

нет в наличии, поставок нет
23 0127956

*PULL, Рукоятка (PULL, Grip)

нет в наличии, поставок нет
24 0127958

*Шайба (WASHER)

нет в наличии, поставок нет
25 0128084

*Подшипник (BEARING)

нет в наличии, поставок нет
26 0128102

*Винт (SCREW)

нет в наличии, поставок нет
26 0128263

   (последний код) SCREW

нет в наличии, поставок нет
27 0128103

*Болт, верхний Рычаг (BOLT, Upper arm)

нет в наличии, поставок нет
28 0128104

*EYE , Вал (EYE , Shaft)

нет в наличии, поставок нет
29 0128189

*HINGE Штифт (HINGE PIN)

нет в наличии, поставок нет
30 0128105

*Блокирующая шпилькаbar (PIN, Lockbar)

нет в наличии, поставок нет
31 0128190

*Пружина, Lockbar (SPRING, Lockbar)

нет в наличии, поставок нет
32 0128106

*LOCKBAR (LOCKBAR)

нет в наличии, поставок нет
33 0127957

HINGE Гильза (HINGE SLEEVE)

нет в наличии, поставок нет
34 0128107

HINGE Основание (HINGE BASE)

нет в наличии, поставок нет
35 0128108

HINGE DOOR (HINGE DOOR)

нет в наличии, поставок нет
36 0127967

Штифт, Hinge door (PIN, Hinge door)

нет в наличии, поставок нет
37 0128109

Ручка, Hinge door (KNOB, Hinge door)

нет в наличии, поставок нет
38 0128110

Гильза, Ролик (SLEEVE, Roller)

нет в наличии, поставок нет
39 0128086

Воротник, Depth (COLLAR, Depth)

нет в наличии, поставок нет
40 0127921

Винт (SCREW)

нет в наличии, поставок нет
41 0128111

КреплениеING HARDWARE (MOUNTING HARDWARE)

нет в наличии, поставок нет
42 0128178

Кабель аккумулятора (BATTERY CABLE)

нет в наличии, поставок нет
43 0128161

*Клемма, Кольцо (TERMINAL, RING)

нет в наличии, поставок нет
43 0128322

   (последний код) TERMINAL, RING

нет в наличии, поставок нет
44 0128279

*Клемма (TERMINAL)

нет в наличии, поставок нет
44 0128161

   (последний код) TERMINAL,RING S

нет в наличии, поставок нет
45 0128179

Крышка, Управление box (COVER, Control box)

нет в наличии, поставок нет
46 0128180

Наклейка, Крышка (DECAL, Cover)

нет в наличии, поставок нет
47 0128114

Наклейка, Side (DECAL, Side)

нет в наличии, поставок нет
48 0128181

HANDLE в сборе. (HANDLE ASSY.)

нет в наличии, поставок нет
49 0127986

Фиксатор пружины (SPRING, Detent)

нет в наличии, поставок нет
50 0128182

Пружина наклона detent (SPRING, Tilt detent)

нет в наличии, поставок нет
51 0128183

Пружина, Release (SPRING, Release)

нет в наличии, поставок нет
52 0128184

RELEASE BUTTON (RELEASE BUTTON)

нет в наличии, поставок нет
53 0128185

HANDLE, верхний (HANDLE, Upper)

нет в наличии, поставок нет
54 0128186

HANDLE, нижний (HANDLE, Lower)

нет в наличии, поставок нет
55 0127989

Винт, Крышка (SCREW, Cover)

нет в наличии, поставок нет
56 0127940

Подшипник HANDLE (BEARING HANDLE)

нет в наличии, поставок нет
57 0128200

Управление BOX, пластиковый (CONTROL BOX, Plastic)

нет в наличии, поставок нет
58 0127945

Переключатель, 5 Speed (SWITCH, 5 Speed)

нет в наличии, поставок нет
59 0128068

Винт (SCREW)

нет в наличии, поставок нет
60 0128069

Гайка (NUT)

нет в наличии, поставок нет
evinrude

Время выполнения запроса 4.3234951496124 сек.


 
 

данный сайт носит информационный характер и не является публичной офертой

склад запчастей для водомоторной техники