вконтакте

Контактный телефон: +7 (981) 121-46-93, +7 (800) 200-90-76 , Email: parts-katalog@yandex.ru, где купить

 
 

  Логин:

Пароль:

Регистрация

www.partskatalog.ru Все каталоги Запчасти Mercury Запчасти Suzuki Запчасти Tohatsu Запчасти Honda Контакты


Все разделы каталога запчастей на этот двигатель

назад Раздел:   вперёд

вернуться к списку узлов и деталей

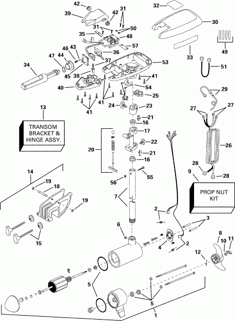
ДЕТАЛИРОВКА ДЛЯ МОДЕЛИ: EVINRUDE P/N 773163 SeaQuest 36HP 2000

SEAQUEST 70 H | SEAQUEST 70 H;


Мотор Эвинруд P/N 773163 SeaQuest 36HP 2000  - aquest 70 H - aquest 70 H

Номер на
рисунке
АртикулНаименованиеКол-во
на складе
Цена
1 0128205

MOTOR ASSEMBLY (MOTOR ASSEMBLY)

нет в наличии, поставок нет
2 0128029

*Щётка & Пружина KIT (BRUSH & SPRING KIT)

нет в наличии, поставок нет
3 0127916

*Проставка, Щётка Пластина (SPACER, Brush plate)

нет в наличии, поставок нет
4 0127911

*Щётка Пластина в сборе. (BRUSH PLATE ASSY.)

нет в наличии, поставок нет
5 0128031

*MOTOR Комплект сальников (MOTOR SEAL KIT)

нет в наличии, поставок нет
6 0128091

Винт, Set (SCREW, Set)

нет в наличии, поставок нет
6 0128240

   (последний код) SCREW, SET

нет в наличии, поставок нет
7 0128201

Трубка, 36 дюйм (TUBE, 36 in.)

нет в наличии, поставок нет
8 0772776

Гребной винт (PROPELLER)

нет в наличии, поставок нет
8 0127919

   (последний код) KIT,PROPELLER

нет в наличии, поставок нет
9 0772778

PROP Гайка KIT (PROP NUT KIT)

нет в наличии, поставок нет
10 0127949

*LOCKШайба (LOCKWASHER)

нет в наличии, поставок нет
11 0127951

*PROP Гайка (PROP NUT)

нет в наличии, поставок нет
12 0127950

*DRIVE Штифт (DRIVE PIN)

нет в наличии, поставок нет
13 0128034

Кронштейн & HINGE в сборе. (BRACKET & HINGE ASSY.)

нет в наличии, поставок нет
14 0128009

*Кронштейн & СтрубцинаВинтS (BRACKET & CLAMPSCREWS)

нет в наличии, поставок нет
15 0128019

**СтрубцинаВинт в сборе. (CLAMPSCREW ASSY.)

нет в наличии, поставок нет
16 0127936

*Втулка, Hinge (BUSHING, Hinge)

нет в наличии, поставок нет
17 0127925

*HINGE, Machined (HINGE, Machined)

нет в наличии, поставок нет
18 0128206

*Штифт, Hinge (PIN, Hinge)

нет в наличии, поставок нет
19 0128207

*Гайка, Speed (NUT, Speed)

нет в наличии, поставок нет
20 0128023

*T-BAR & Пружина KIT (T-BAR & SPRING KIT)

нет в наличии, поставок нет
21 0127932

*BLOCK, Tension (BLOCK, Tension)

нет в наличии, поставок нет
22 0127922

*Винт, Tension (SCREW, Tension)

нет в наличии, поставок нет
23 0128086

Воротник, Depth (COLLAR, Depth)

нет в наличии, поставок нет
24 0127921

Винт (SCREW)

нет в наличии, поставок нет
25 0128208

STRAIN RELIEF (STRAIN RELIEF)

нет в наличии, поставок нет
26 0128178

Кабель аккумулятора (BATTERY CABLE)

нет в наличии, поставок нет
27 0128279

*Клемма (TERMINAL)

нет в наличии, поставок нет
27 0128161

   (последний код) TERMINAL,RING S

нет в наличии, поставок нет
28 0128161

*Клемма Кольцо (TERMINAL RING)

нет в наличии, поставок нет
28 0128322

   (последний код) TERMINAL, RING

нет в наличии, поставок нет
29 0128209

Провод заземления Предохранитель (GROUND WIRE FUSE)

нет в наличии, поставок нет
30 0128179

Крышка, Управление box (COVER, Control box)

нет в наличии, поставок нет
31 0128008

Винт (SCREW)

нет в наличии, поставок нет
32 0128210

Наклейка, Крышка (DECAL, Cover)

нет в наличии, поставок нет
33 0128114

Наклейка, Side (Decal, Side)

нет в наличии, поставок нет
34 0128231

HANDLE в сборе. (HANDLE ASSY.)

нет в наличии, поставок нет
35 0127986

Фиксатор пружины (SPRING, Detent)

нет в наличии, поставок нет
36 0128182

Пружина наклона detent (SPRING, Tilt detent)

нет в наличии, поставок нет
37 0128183

Пружина, Release (SPRING, Release)

нет в наличии, поставок нет
38 0128184

RELEASE BUTTON (RELEASE BUTTON)

нет в наличии, поставок нет
39 0128232

HANDLE, верхний (HANDLE, Upper)

нет в наличии, поставок нет
40 0128186

HANDLE, нижний (HANDLE, Lower)

нет в наличии, поставок нет
41 0127989

Винт, Крышка (SCREW, Cover)

нет в наличии, поставок нет
42 0127940

BEAING, Handle (BEAING, Handle)

нет в наличии, поставок нет
43 0127983

Штифт, Пускатель (PIN, Actuator)

нет в наличии, поставок нет
44 0127987

Пускатель, Cam (ACTUATOR, Cam)

нет в наличии, поставок нет
45 0128233

Пускатель, FWD. / REV. (ACTUATOR, FWD./REV.)

нет в наличии, поставок нет
46 0127984

Пружина, Пускатель (SPRING, Actuator)

нет в наличии, поставок нет
47 0127985

Пружина, Cam (SPRING, Cam)

нет в наличии, поставок нет
48 0128002

Управление BOARD (CONTROL BOARD)

нет в наличии, поставок нет
49 0127994

SHRINK Трубка (SHRINK TUBE)

нет в наличии, поставок нет
50 0128293

Шайба, Изолятор (WASHER, Insulator)

нет в наличии, поставок нет
51 0128234

Коннектор Кабели (CONNECTOR CABLE)

нет в наличии, поставок нет
52 0128156

Винт (SCREW)

нет в наличии, поставок нет
52 0128117

   (последний код) SCREW

нет в наличии, поставок нет
53 0128303

Управление BOX, Die cast (CONTROL BOX, Die cast)

нет в наличии, поставок нет
54 0128070

Воротник, Управление box (COLLAR, Control box)

нет в наличии, поставок нет
55 0128068

Винт (SCREW)

нет в наличии, поставок нет
56 0128069

Гайка (NUT)

нет в наличии, поставок нет
57 0128004

PAD, Insulating (PAD, Insulating)

нет в наличии, поставок нет
evinrude

Время выполнения запроса 2.3561840057373 сек.


 
 

данный сайт носит информационный характер и не является публичной офертой

склад запчастей для водомоторной техники