вконтакте

Контактный телефон: +7 (981) 121-46-93, +7 (800) 200-90-76 , Email: parts-katalog@yandex.ru, где купить

 
 

  Логин:

Пароль:

Регистрация

www.partskatalog.ru Все каталоги Запчасти Mercury Запчасти Suzuki Запчасти Tohatsu Запчасти Honda Контакты


Все разделы каталога запчастей на этот двигатель

назад Раздел:   вперёд

вернуться к списку узлов и деталей

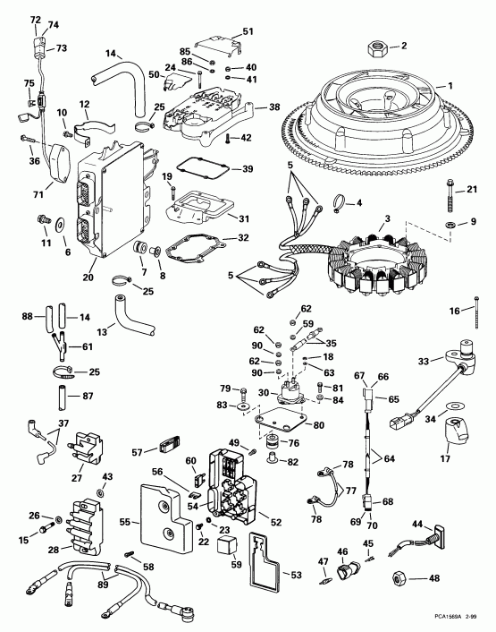
ДЕТАЛИРОВКА ДЛЯ МОДЕЛИ: EVINRUDE E200FSLEES 1999

ЭЛЕКТРИКА SYSTEM | ELECTRICAL SYSTEM;


Подвесной мотор Evinrude E200FSLEES 1999  - ectrical System

Номер на
рисунке
АртикулНаименованиеКол-во
на складе
Цена
1 0586422

Маховик в сборе. (FLYWHEEL ASSY.)

нет в наличии, поставок нет
1 0586310

   (последний код) FLYWHEEL AY,

нет в наличии, поставок нет
2 0326042

Гайка, Маховик (NUT, Flywheel)

нет в наличии, поставок нет
3 0586492

Статор в сборе. (STATOR ASSY.)

нет в наличии, поставок нет
3 0586317

   (последний код) STATOR AY,20/40A

нет в наличии, поставок нет
4 0320107

Крепёжный хомут (TIE STRAP)

нет в наличии, поставок нет
4 5035626

   (последний код) BAND,REM CON

нет в наличии, поставок нет
5 0512550

Клемма, Кольцо (TERMINAL, Ring)

нет в наличии, поставок нет
5 3852235

   (последний код) TERMINAL,RIN

нет в наличии, поставок нет
6 0328703

Шайба, ECU (WASHER, ECU)

нет в наличии, поставок нет
6 3852184

   (последний код) WASHER

нет в наличии, поставок нет
7 0333040

ISOLATOR / Крепление, ECU, rear (ISOLATOR/MOUNT, ECU, rear)

нет в наличии, поставок нет
8 0338558

ФланецD Проставка, ECU, rear (FLANGED SPACER, ECU, rear)

нет в наличии, поставок нет
9 0306311

Шайба с блокировкой, Винт, Статор (LOCK WASHER, Screw, stator)

нет в наличии, поставок нет
10 0333673

Винт зажима to ECU (SCREW, Clamp to ECU)

нет в наличии, поставок нет
10 0332226

   (последний код) SCREW

нет в наличии, поставок нет
11 0324334

Винт, ECU (SCREW, ECU)

нет в наличии, поставок нет
11 0302820

   (последний код) SCREW

нет в наличии, поставок нет
12 0514891

Струбцина, Колпачокacitor to ECU (CLAMP, Capacitor to ECU)

нет в наличии, поставок нет
13 0345236

Шланг, Пароотделитель to ECU (HOSE, Vapor separator to ECU)

нет в наличии, поставок нет
13 0347034

   (последний код) HOSE

нет в наличии, поставок нет
14 0345392

Шланг, ECU to 30o fitting (HOSE, ECU to 30o fitting)

нет в наличии, поставок нет
15 0331025

Винт, Coil Креплениеing (SCREW, Coil mounting)

нет в наличии, поставок нет
15 0308751

   (последний код) SCREW

нет в наличии, поставок нет
16 0334220

Винт, CPS Кронштейн (SCREW, CPS bracket)

нет в наличии, поставок нет
16 0337580

   (последний код) SCREW

нет в наличии, поставок нет
17 0345772

Проставка, Кривошип position Датчик (SPACER, Crank position sensor)

нет в наличии, поставок нет
18 0306556

Гайка, Small (NUT, Small)

нет в наличии, поставок нет
18 3852064

   (последний код) NUT

нет в наличии, поставок нет
19 0335687

Винт, Adapter to Картер двигателя (SCREW, Adapter to crankcase)

нет в наличии, поставок нет
19 3852213

   (последний код) SCREW

нет в наличии, поставок нет
20 0586496

ECU & PROGRAM в сборе., 200. "V" suffix models only. This part must be ordeкрасный from Warranty / Technical Сервис Department. (ECU & PROGRAM ASSY., 200. "V" suffix models only. This part must be ordered from Warranty/Technical Service Department.)

нет в наличии, поставок нет
20 0586465

ECU & PROGRAM в сборе., 200. "N" и "O" suffix models only. This part must be ordeкрасный from Warranty / Technical Сервис Department. (ECU & PROGRAM ASSY., 200. "N" and "O" suffix models only. This part must be ordered from Warranty/Technical Service Department.)

нет в наличии, поставок нет
20 0586496

ECU & PROGRAM в сборе., 225. "V" suffix models only. This part must be ordeкрасный from Warranty / Technical Сервис Department. (ECU & PROGRAM ASSY., 225. "V" suffix models only. This part must be ordered from Warranty/Technical Service Department.)

нет в наличии, поставок нет
20 0586465

ECU & PROGRAM в сборе., 225. "N" и "O" suffix models only. "N" Suffix Models Only (ECU & PROGRAM ASSY., 225. "N" and "O" suffix models only. "N" Suffix Models Only .)

нет в наличии, поставок нет
21 0343525

Винт, Статор Креплениеing (SCREW, Stator mounting)

нет в наличии, поставок нет
22 0328724

Винт, Auxiliary battery lead (SCREW, Auxiliary battery lead)

нет в наличии, поставок нет
22 3852186

   (последний код) SCREW

нет в наличии, поставок нет
23 0328701

Шайба с блокировкой (LOCK WASHER)

нет в наличии, поставок нет
23 3852182

   (последний код) WASHER,LOCK

нет в наличии, поставок нет
24 3010525

Винт, Регулятор (SCREW, Regulator)

нет в наличии, поставок нет
25 0320107

Крепёжный хомут (TIE STRAP)

нет в наличии, поставок нет
25 5035626

   (последний код) BAND,REM CON

нет в наличии, поставок нет
26 0328703

плоский Шайба, Coil Креплениеing (FLAT WASHER, Coil mounting)

нет в наличии, поставок нет
26 3852184

   (последний код) WASHER

нет в наличии, поставок нет
27 0586333

Катушка в сборе., Single (COIL ASSY., Single)

нет в наличии, поставок нет
28 0583740

Катушка в сборе., Dual (COIL ASSY., Dual)

нет в наличии, поставок нет
28 0583298

   (последний код) IGNITION COIL

нет в наличии, поставок нет
29 0303701

Шайба с блокировкой, Заземление (LOCK WASHER, Ground)

нет в наличии, поставок нет
30 0985064

SOLENOID (SOLENOID)

нет в наличии, поставок нет
30 0586842

   (последний код) SOLENOID AY

нет в наличии, поставок нет
31 0439544

ADAPTER, Регулятор (ADAPTER, Regulator)

нет в наличии, поставок нет
32 0344472

Прокладка (GASKET)

нет в наличии, поставок нет
32 0330412

   (последний код) GASKET

нет в наличии, поставок нет
33 5000729

Датчик в сборе., Кривошип position (SENSOR ASSY., Crank position)

нет в наличии, поставок нет
34 0305831

Регулировочная шайба, 0.015 дюйм, Датчик (SHIM, 0.015 in., sensor)

нет в наличии, поставок нет
35 0386721

LEAD, Solenoid to Стартер (LEAD, Solenoid to starter)

нет в наличии, поставок нет
35 0388246

   (последний код) CABLE & COVER

нет в наличии, поставок нет
36 0319358

Винт, Start assist circuit (SCREW, Start assist circuit)

нет в наличии, поставок нет
36 0329110

   (последний код) SCREW

нет в наличии, поставок нет
37 5000348

LEAD в сборе., Катушка зажигания (LEAD ASSY., Ignition coil)

нет в наличии, поставок нет
37 5001891

   (последний код) LEAD AY,H/T-SUPP

нет в наличии, поставок нет
38 0586476

Выпрямитель & Регулятор (RECTIFIER & REGULATOR)

нет в наличии, поставок нет
39 3010036

Сальник, Регулятор to adapter (SEAL, Regulator to adapter)

нет в наличии, поставок нет
40 3010522

Гайка (NUT)

нет в наличии, поставок нет
41 3010523

Втулка, Leads (BUSHING, Leads)

нет в наличии, поставок нет
42 3010521

Винт, Регулятор Клемма (SCREW, Regulator terminal)

нет в наличии, поставок нет
43 0328701

Шайба с блокировкой, Coils (LOCK WASHER, Coils)

нет в наличии, поставок нет
43 3852182

   (последний код) WASHER,LOCK

нет в наличии, поставок нет
44 0586074

Переключатель в сборе., Trim & tilt (SWITCH ASSY., Trim & tilt)

нет в наличии, поставок нет
45 0514679

Клемма, Штифт (TERMINAL, Pin)

нет в наличии, поставок нет
46 0514686

Коннектор, 3-Штифт (CONNECTOR, 3-pin)

нет в наличии, поставок нет
47 0514682

LOCK WEDGE (LOCK WEDGE)

нет в наличии, поставок нет
48 0334656

Гайка, Переключатель (NUT, Switch)

нет в наличии, поставок нет
49 0328649

Винт, Предохранитель & Реле to Кронштейн (SCREW, Fuse & relay to bracket)

нет в наличии, поставок нет
49 0337541

   (последний код) SCREW

нет в наличии, поставок нет
50 3010088

Крышка, Выпрямитель, stbd. (COVER, Rectifier, stbd.)

нет в наличии, поставок нет
51 3010089

Крышка, Выпрямитель, port (COVER, Rectifier, port)

нет в наличии, поставок нет
52 0586379

POWER DISTRIBUTION PANEL в сборе. (POWER DISTRIBUTION PANEL ASSY.)

нет в наличии, поставок нет
52 0586754

   (последний код) HSG&CVR AY,FU&RLY

нет в наличии, поставок нет
53 0345004

Сальник, Крышка (SEAL, Cover)

нет в наличии, поставок нет
54 0914634

Прокладка, Коннектор (GASKET, Connector)

нет в наличии, поставок нет
54 3853299

   (последний код) GASKET,CONNE

нет в наличии, поставок нет
55 0586300

Крышка в сборе (COVER ASSY.)

нет в наличии, поставок нет
56 0514766

Предохранитель, 10 Amp, spare (FUSE, 10 Amp, spare)

нет в наличии, поставок нет
57 0345005

Предохранитель, Съёмник (FUSE, Puller)

нет в наличии, поставок нет
58 0344233

Винт (SCREW)

нет в наличии, поставок нет
59 0586224

Реле в сборе. (RELAY ASSY.)

1 шт2730 руб.
59 3857533

   (последний код) RELAY AY

нет в наличии, поставок нет
60 0514766

Предохранитель, 10 Amp (FUSE, 10 Amp)

нет в наличии, поставок нет
61 0330474

TEE, Регулятор & ECU drain (TEE, Regulator & ECU drain)

нет в наличии, поставок нет
62 0321472

Гайка, Large (NUT, Large)

нет в наличии, поставок нет
62 0308067

   (последний код) NUT

нет в наличии, поставок нет
63 0304454

Шайба с блокировкой, Small (LOCK WASHER, Small)

нет в наличии, поставок нет
64 0586453

JUMPER Кабели (JUMPER CABLE)

нет в наличии, поставок нет
65 0514696

Коннектор (CONNECTOR)

нет в наличии, поставок нет
66 0514679

Клемма, Штифт (TERMINAL, Pin)

нет в наличии, поставок нет
67 0514697

LOCK WEDGE, 2-Штифт (LOCK WEDGE, 2-pin)

нет в наличии, поставок нет
68 3010593

Коннектор, 2-Штифт (CONNECTOR, 2-pin)

нет в наличии, поставок нет
69 0514856

Клемма (TERMINAL)

нет в наличии, поставок нет
70 3010594

LOCK WEDGE, 2-Штифт (LOCK WEDGE, 2-pin)

нет в наличии, поставок нет
71 0586414

START ASSIST CIRCUIT (START ASSIST CIRCUIT)

нет в наличии, поставок нет
72 0127468

LOCK WEDGE, 4-Штифт (LOCK WEDGE, 4-pin)

нет в наличии, поставок нет
73 0176509

Коннектор, 4-Штифт (CONNECTOR, 4-pin)

нет в наличии, поставок нет
74 0514679

Клемма, Штифт (TERMINAL, Pin)

нет в наличии, поставок нет
75 0514768

Предохранитель, 20 Amp (FUSE, 20 Amp)

нет в наличии, поставок нет
76 0333040

ISOLATOR, Solenoid Кронштейн (ISOLATOR, Solenoid bracket)

нет в наличии, поставок нет
77 0376349

LEAD, Solenoid Заземление (LEAD, Solenoid ground)

нет в наличии, поставок нет
78 0514158

Кольцо Клемма (RING TERMINAL)

нет в наличии, поставок нет
78 0511519

   (последний код) TERMINAL

нет в наличии, поставок нет
79 0324334

Винт, Solenoid to Кронштейн (SCREW, Solenoid to bracket)

нет в наличии, поставок нет
79 0302820

   (последний код) SCREW

нет в наличии, поставок нет
80 0345690

Кронштейн, Solenoid (BRACKET, Solenoid)

нет в наличии, поставок нет
81 0328724

Винт, Solenoid (SCREW, Solenoid)

нет в наличии, поставок нет
81 3852186

   (последний код) SCREW

нет в наличии, поставок нет
82 0338558

Проставка, Solenoid Кронштейн (SPACER, Solenoid bracket)

нет в наличии, поставок нет
83 0328703

Шайба, Solenoid Кронштейн (WASHER, Solenoid bracket)

нет в наличии, поставок нет
83 3852184

   (последний код) WASHER

нет в наличии, поставок нет
84 0328701

Шайба, Solenoid (WASHER, Solenoid)

нет в наличии, поставок нет
84 3852182

   (последний код) WASHER,LOCK

нет в наличии, поставок нет
85 3010523

Втулка, Регулятор Клемма (BUSHING, Regulator terminal)

нет в наличии, поставок нет
86 3010522

Гайка, Регулятор Клемма (NUT, Regulator terminal)

нет в наличии, поставок нет
87 0333632

Шланг, To adapter Ниппель (HOSE, To adapter nipple)

нет в наличии, поставок нет
87 0324370

   (последний код) HOSE-FUEL-CO

нет в наличии, поставок нет
88 0

Шланг, Регулятор to tee, 18 дюйм (457 мм) сокращёная длина from 25 фут (7, 6m) Roll, P / N 327228 (HOSE, Regulator to tee, 18 in. (457mm). Cut to Length from 25 ft. (7,6m) Roll, P/N 327228 .)

нет в наличии, поставок нет
89 0584348

Кабель аккумулятора (BATTERY CABLE)

нет в наличии, поставок нет
89 0396145

   (последний код) BATTERY-CABL

нет в наличии, поставок нет
90 0331259

Шайба с блокировкой, Large (LOCK WASHER, Large)

нет в наличии, поставок нет
evinrude

Время выполнения запроса 4.6518878936768 сек.


 
 

данный сайт носит информационный характер и не является публичной офертой

склад запчастей для водомоторной техники