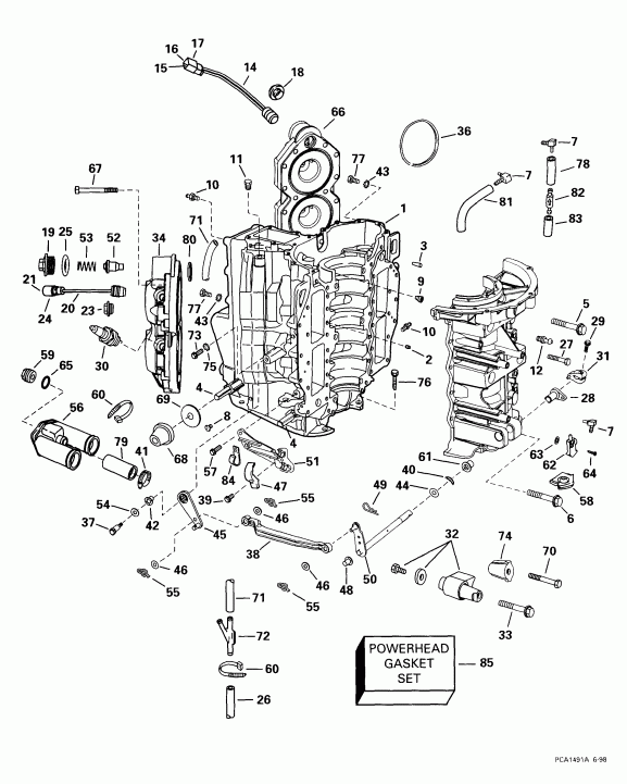
Номер на рисунке | Артикул | Наименование | Кол-во на складе | Цена |
| 1 | 0439546 | Цилиндр & Картер двигателя в сборе. (CYLINDER & CRANKCASE ASSY.) | нет в наличии, поставок нет |
| 1 | 0438933 | (последний код) CYL&CRKC AY | нет в наличии, поставок нет |
| 2 | 0304178 | Шпонка, Подшипник (DOWEL PIN, Bearing) | нет в наличии, поставок нет |
| 3 | 0305070 | Штифт, конус (PIN, Taper) | нет в наличии, поставок нет |
| 4 | 0336630 | Штифт, Roll (PIN, Roll) | нет в наличии, поставок нет |
| 5 | 0336166 | Винт, Цилиндр to ccase, short (SCREW, Cylinder to ccase, short) | нет в наличии, поставок нет |
| 6 | 0335611 | Винт, Цилиндр to ccase, long (SCREW, Cylinder to ccase, long) | нет в наличии, поставок нет |
| 6 | 0908738 | (последний код) STUD-EXH--MA | нет в наличии, поставок нет |
| 7 | 0335369 | Ниппель, Drain, верхний (NIPPLE, Drain, upper) | нет в наличии, поставок нет |
| 8 | 0343929 | Винт, Emission (SCREW, Emission) | нет в наличии, поставок нет |
| 8 | 0343928 | (последний код) WASHER | нет в наличии, поставок нет |
| 9 | 0437773 | Обратный клапан в сборе., верхний & center (CHECK VALVE ASSY., Upper & center) | нет в наличии, поставок нет |
| 9 | 0437613 | (последний код) VALVE AY,CHECK | нет в наличии, поставок нет |
| 10 | 0303492 | Ниппель, Water sвышеply & Дискharge (NIPPLE, Water supply & discharge) | нет в наличии, поставок нет |
| 11 | 0 | Водяная заглушка pressure (PLUG, Water pressure) | нет в наличии, поставок нет |
| 0343928 | 0343928 | Шайба (WASHER) | нет в наличии, поставок нет |
| 0343928 | 0343929 | (последний код) SCREW AY | нет в наличии, поставок нет |
| 12 | 0303492 | Ниппель, Pulse Шланг (NIPPLE, Pulse hose) | нет в наличии, поставок нет |
| 14 | 0586140 | температура Датчик, Port (TEMPERATURE SENSOR, Port) | нет в наличии, поставок нет |
| 15 | 0514697 | LOCK WEDGE (LOCK WEDGE) | нет в наличии, поставок нет |
| 16 | 0514679 | Клемма, Штифт (TERMINAL, Pin) | нет в наличии, поставок нет |
| 17 | 0514696 | Коннектор, 2-Штифт (CONNECTOR, 2-pin) | нет в наличии, поставок нет |
| 18 | 0329562 | Крышка (COVER) | нет в наличии, поставок нет |
| 19 | 0338632 | Крышка термостата (COVER, Thermostat) | нет в наличии, поставок нет |
| 20 | 0585184 | температура Переключатель, Stbd. (TEMPERATURE SWITCH, Stbd.) | нет в наличии, поставок нет |
| 20 | 0586094 | (последний код) SWITCH AY,TEMP | нет в наличии, поставок нет |
| 21 | 0511469 | Клемма, Штифт (TERMINAL, Pin) | нет в наличии, поставок нет |
| 21 | 3852229 | (последний код) TERMINAL,PIN | нет в наличии, поставок нет |
| 23 | 0329562 | Крышка (COVER) | нет в наличии, поставок нет |
| 24 | 0513357 | Коннектор (CONNECTOR) | нет в наличии, поставок нет |
| 24 | 3854845 | (последний код) CONNECTOR 513357 | нет в наличии, поставок нет |
| 25 | 0331188 | Уплотнительное кольцо крышки термостата. Included in Powerhead Комплект прокладок (O-RING, Thermostat cover. Included in Powerhead Gasket Set .) | 5 шт | 370 руб. |
| 26 | 0 | Шланг, Tee to block, 2 дюйм (50 мм) сокращёная длина from 25 фут (7, 6m) Roll, P / N 333341 (HOSE, Tee to block, 2 in. (50mm). Cut to Length from 25 ft. (7,6m) Roll, P/N 333341 .) | нет в наличии, поставок нет |
| 27 | 0328744 | Винт, Цилиндр to Картер двигателя, 3 / 4 дюйм long (SCREW, Cylinder to crankcase, 3/4 in. long) | нет в наличии, поставок нет |
| 27 | 0308741 | (последний код) SCREW | нет в наличии, поставок нет |
| 28 | 0330935 | Втулка, Рычаг переключения (BUSHING, Shift lever) | нет в наличии, поставок нет |
| 29 | 0328725 | Винт, Рычаг тяги переключения (SCREW, Shift rod lever) | нет в наличии, поставок нет |
| 29 | 3852187 | (последний код) SCREW | нет в наличии, поставок нет |
| 30 | 5000322 | Свеча зажигания, NGK. "C" Suffix Models (SPARK PLUG, NGK. "C" Suffix Models .) | нет в наличии, поставок нет |
| 30 | 5000547 | (последний код) SPARK PLUG | нет в наличии, поставок нет |
| 30 | 5000547 | Свеча зажигания, Champion. Use 5001111 для 1998 / 99 90 & 115 hp Use 5001866 для 1999 / 2000 200 & 225 hp Use 5001111 для 1997 и не-вышеdated 1998 / 99 150-175 Use 5001211 для all other 1998 / 99 вышеdated with Штифт heads (SPARK PLUG, Champion. Use 5001111 for 1998/99 90 & 115 hp Use 5001866 for 1999/2000 200 & 225 hp Use 5001111 for 1997 and non-updated 1998/99 150-175 Use 5001211 for all other 1998/99 updated with pin heads) | нет в наличии, поставок нет |
| 30 | 5000830 | (последний код) SP-PLUG XC10PEP | нет в наличии, поставок нет |
| 31 | 0433817 | Рычаг в сборе., Переключающая тяга (LEVER ASSY., Shift rod) | нет в наличии, поставок нет |
| 32 | 0436853 | KIT, верхний Крепление в сборе. (KIT, Upper mount assy.) | нет в наличии, поставок нет |
| 32 | 0436603 | (последний код) MOUNT AY,UPPER | нет в наличии, поставок нет |
| 33 | 0344277 | Винт, верхний Крепление (SCREW, Upper mount) | нет в наличии, поставок нет |
| 33 | 0343024 | (последний код) SCREW | нет в наличии, поставок нет |
| 34 | 0343628 | Головка блока цилиндра, Stbd. (CYLINDER HEAD, Stbd.) | нет в наличии, поставок нет |
| 34 | 0344961 | (последний код) HEAD,CYLINDER | нет в наличии, поставок нет |
| 35 | 0328724 | Винт, Battery Заземление (SCREW, Battery ground) | нет в наличии, поставок нет |
| 35 | 3852186 | (последний код) SCREW | нет в наличии, поставок нет |
| 36 | 0335523 | Уплотнительное кольцо, Головка блока цилиндра. Included in Powerhead Комплект прокладок (O-RING, Cylinder head. Included in Powerhead Gasket Set .) | 1 шт | 770 руб. |
| 37 | 0330933 | Винт, Рычаг переключения to block (SCREW, Shift arm to block) | нет в наличии, поставок нет |
| 38 | 0343118 | Переключающая тяга Рычаг to Рычаг переключения (LINK, Shift lever to shift arm) | нет в наличии, поставок нет |
| 38 | 0335382 | (последний код) LINK,SHIFT-LEVE | нет в наличии, поставок нет |
| 39 | 0328725 | Винт, Крышка, trunnion (SCREW, Cover, trunnion) | нет в наличии, поставок нет |
| 39 | 3852187 | (последний код) SCREW | нет в наличии, поставок нет |
| 40 | 0306012 | Пружина Шайба вала переключения (SPRING WASHER, Shift shaft) | нет в наличии, поставок нет |
| 41 | 0336136 | Струбцина, Пыльник, water (CLAMP, Grommet, water) | нет в наличии, поставок нет |
| 42 | 0311015 | Втулка, Рычаг переключения (BUSHING, Shift lever) | нет в наличии, поставок нет |
| 42 | 3852094 | (последний код) BUSHING | нет в наличии, поставок нет |
| 43 | 0328701 | Шайба с блокировкой, Заземление (LOCK WASHER, Ground) | нет в наличии, поставок нет |
| 43 | 3852182 | (последний код) WASHER,LOCK | нет в наличии, поставок нет |
| 44 | 0202026 | Шайба, Рычаг переключения (WASHER, Shift arm) | нет в наличии, поставок нет |
| 45 | 0436902 | Рычаг переключения (SHIFT LEVER) | нет в наличии, поставок нет |
| 46 | 0328702 | Шайба, Соединитель to Рычаг переключения (WASHER, Link to shift arm) | нет в наличии, поставок нет |
| 46 | 3852183 | (последний код) WASHER | нет в наличии, поставок нет |
| 47 | 0335528 | Крышка, Trunnion (COVER, Trunnion) | нет в наличии, поставок нет |
| 47 | 0349060 | (последний код) COVER,TRUNNION | нет в наличии, поставок нет |
| 48 | 0340734 | Втулка, Переключающий вал в сборе. (BUSHING, Shift shaft assy.) | нет в наличии, поставок нет |
| 49 | 0330941 | Штифт, Рычаг переключения (PIN, Shift arm) | нет в наличии, поставок нет |
| 50 | 5000470 | Переключающий вал & Рычаг в сборе. (SHIFT SHAFT & ARM ASSY.) | нет в наличии, поставок нет |
| 50 | 0436822 | (последний код) ARM&SHAFT AY,SHIFT | нет в наличии, поставок нет |
| 51 | 0345672 | TRUNNION BLOCK (TRUNNION BLOCK) | нет в наличии, поставок нет |
| 51 | 0349061 | (последний код) BLOCK,TRUNNION | нет в наличии, поставок нет |
| 52 | 0435491 | Термостат в сборе. (THERMOSTAT ASSY.) | нет в наличии, поставок нет |
| 53 | 0338174 | Пружина, Термостат (SPRING, Thermostat) | нет в наличии, поставок нет |
| 54 | 0328733 | Пружинная шайба, Рычаг переключения (SPRING WASHER, Shift lever) | нет в наличии, поставок нет |
| 55 | 0333774 | Зажим, Переключатель Рычаг переключателя Рычаг (CLIP, Shift lever, shift arm) | нет в наличии, поставок нет |
| 56 | 0439953 | Пыльник & INSERT, Выхлоп relief (GROMMET & INSERT, Exhaust relief) | нет в наличии, поставок нет |
| 56 | 0437827 | (последний код) GROMMET AY,EXH REL | нет в наличии, поставок нет |
| 57 | 0328744 | Винт, Trunnion to block (SCREW, Trunnion to block) | нет в наличии, поставок нет |
| 57 | 0308741 | (последний код) SCREW | нет в наличии, поставок нет |
| 58 | 0335316 | Сальник, Переключающая тяга (SEAL, Shift rod) | нет в наличии, поставок нет |
| 59 | 0436857 | Заглушка & NOZZLE, Overboard Индикатор (PLUG & NOZZLE, Overboard indicator) | нет в наличии, поставок нет |
| 59 | 0336217 | (последний код) NOZZLE,OVBD DRAIN | нет в наличии, поставок нет |
| 60 | 0320107 | Крепёжный хомут (TIE STRAP) | нет в наличии, поставок нет |
| 60 | 5035626 | (последний код) BAND,REM CON | нет в наличии, поставок нет |
| 61 | 0335521 | Втулка, Рычаг переключения to block (BUSHING, Shift lever to block) | нет в наличии, поставок нет |
| 62 | 0343881 | Ниппель, нижний drain (NIPPLE, Lower drain) | нет в наличии, поставок нет |
| 63 | 0324677 | Уплотнительное кольцо, Ниппель, нижний drain (O-RING, Nipple, lower drain) | нет в наличии, поставок нет |
| 64 | 0328649 | Винт, нижний Дренажный ниппель (SCREW, Lower drain nipple) | нет в наличии, поставок нет |
| 64 | 0337541 | (последний код) SCREW | нет в наличии, поставок нет |
| 65 | 0301967 | Уплотнительное кольцо, Overboard Индикатор (O-RING, Overboard indicator) | нет в наличии, поставок нет |
| 66 | 0343627 | Головка блока цилиндра, Port (CYLINDER HEAD, Port) | нет в наличии, поставок нет |
| 66 | 0344960 | (последний код) HEAD,CYLINDER | нет в наличии, поставок нет |
| 67 | 0306500 | Винт, Головка блока цилиндра (SCREW, Cylinder head) | нет в наличии, поставок нет |
| 68 | 0328584 | Крепление (MOUNT) | нет в наличии, поставок нет |
| 68 | 0349557 | (последний код) MOUNT | нет в наличии, поставок нет |
| 69 | 0329749 | Шайба, Крепление (WASHER, Mount) | нет в наличии, поставок нет |
| 69 | 0349556 | (последний код) WASHER | нет в наличии, поставок нет |
| 70 | 0330263 | Винт, верхний Крепление retention (SCREW, Upper mount retention) | нет в наличии, поставок нет |
| 70 | 0914534 | (последний код) SCREW | нет в наличии, поставок нет |
| 71 | 0 | Шланг, Блок цилиндра vent to tee, 16 дюйм (406m m) сокращёная длина from 25 фут (7, 6m) Roll, P / N 327228 (HOSE, Cylinder block vent to tee, 16 in. (406m m). Cut to Length from 25 ft. (7,6m) Roll, P/N 327228 .) | нет в наличии, поставок нет |
| 72 | 0330474 | 30o TEE, Water return Шлангs (30o TEE, Water return hoses) | нет в наличии, поставок нет |
| 73 | 0328724 | Винт, Battery Заземление (SCREW, Battery ground) | нет в наличии, поставок нет |
| 73 | 3852186 | (последний код) SCREW | нет в наличии, поставок нет |
| 74 | 0340418 | Фиксатор, верхний Крепление (RETAINER, Upper mount) | нет в наличии, поставок нет |
| 75 | 0328701 | Шайба с блокировкой, Battery Заземление (LOCK WASHER, Battery ground) | нет в наличии, поставок нет |
| 75 | 3852182 | (последний код) WASHER,LOCK | нет в наличии, поставок нет |
| 76 | 0319126 | Винт, Powerhead to Выхлоп hsg. (SCREW, Powerhead to exhaust hsg.) | нет в наличии, поставок нет |
| 76 | 0326696 | (последний код) SCREW | нет в наличии, поставок нет |
| 77 | 0328724 | Винт, Заземление (SCREW, Ground) | нет в наличии, поставок нет |
| 77 | 3852186 | (последний код) SCREW | нет в наличии, поставок нет |
| 78 | 0 | Шланг, верхний Подшипник vent to Обратный клапан, 6 дюйм (152 мм) сокращёная длина from 25 фут (7, 6m) Roll, P / N 340848 (HOSE, Upper bearing vent to check valve, 6 in. (152mm). Cut to Length from 25 ft. (7,6m) Roll, P/N 340848 .) | нет в наличии, поставок нет |
| 79 | 0343398 | Шланг, Выхлоп Пыльник to block (HOSE, Exhaust grommet to block) | нет в наличии, поставок нет |
| 80 | 0335981 | Сальник термостата (SEAL, Thermostat) | нет в наличии, поставок нет |
| 81 | 0 | Шланг, верхний stbd. brg. vent to stbd. Система впуска mf ld., 9 дюйм (229 мм) сокращёная длина from 25 фут (7, 6m) Roll, P / N 340848 (HOSE, Upper stbd. brg. vent to stbd. intake mf ld., 9 in. (229mm). Cut to Length from 25 ft. (7,6m) Roll, P/N 340848 .) | нет в наличии, поставок нет |
| 82 | 0434927 | Обратный клапан (CHECK VALVE) | нет в наличии, поставок нет |
| 83 | 0 | Шланг, нижний Подшипник vent to Обратный клапан, 4 1 / 2 дюйм (114 мм) сокращёная длина from 25 фут (7, 6m) Roll, P / N 327228 (HOSE, Lower bearing vent to check valve, 4 1/2 in. (114mm). Cut to Length from 25 ft. (7,6m) Roll, P/N 327228 .) | нет в наличии, поставок нет |
| 84 | 0435537 | Струбцина топливной трубки в сборе. (CLAMP, Fuel tube assy.) | нет в наличии, поставок нет |
| 84 | 0436193 | (последний код) HSG AY,EXH-LONG | нет в наличии, поставок нет |
| 85 | 5000400 | POWERHEAD Комплект прокладок (POWERHEAD GASKET SET) | нет в наличии, поставок нет |