Номер на рисунке | Артикул | Наименование | Кол-во на складе | Цена |
| 0439006 | 0439006 | Редуктор в сборе.. Not Shown (GEARCASE ASSY.. Not Shown .) | нет в наличии, поставок нет |
| 0439006 | 0437750 | (последний код) GEARCASE AY,20" | нет в наличии, поставок нет |
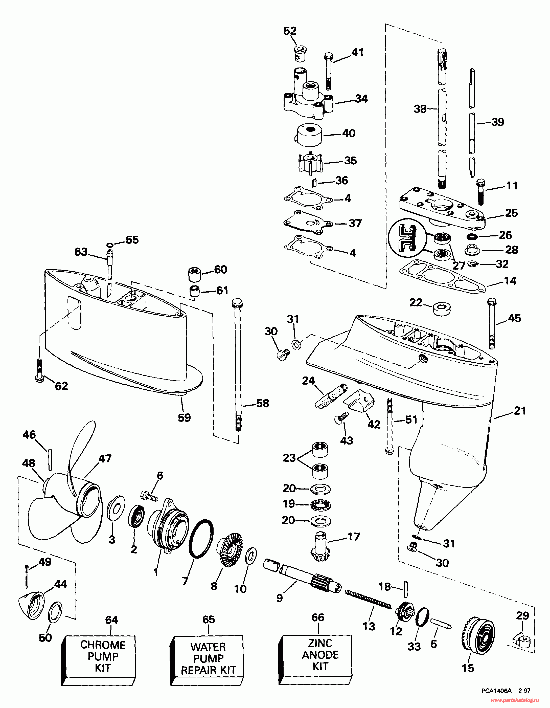
| 1 | 0434294 | Корпус в сборе., Вал гребного винта (HOUSING ASSY., Propeller shaft) | нет в наличии, поставок нет |
| 1 | 0393747 | (последний код) G-CASE-HEAD | нет в наличии, поставок нет |
| 2 | 0336493 | Сальник, Вал гребного винта (SEAL, Propeller shaft) | нет в наличии, поставок нет |
| 3 | 0336414 | Втулка (BUSHING) | нет в наличии, поставок нет |
| 4 | 0325040 | Прокладка крыльчатки Корпус. RL, RBL Models (GASKET, Impeller housing. RL, RBL Models .) | нет в наличии, поставок нет |
| 5 | 0324623 | Плунжер, Сцепление dog (PLUNGER, Clutch dog) | нет в наличии, поставок нет |
| 6 | 0333706 | Винт, Brg. hsg. to Редуктор (SCREW, Brg. hsg. to gearcase) | нет в наличии, поставок нет |
| 7 | 0322494 | Уплотнительное кольцо, Brg. hsg. to Редуктор (O-RING, Brg. hsg. to gearcase) | нет в наличии, поставок нет |
| 8 | 0396992 | Шестерня обратного хода (GEAR, Reverse) | нет в наличии, поставок нет |
| 8 | 0393939 | (последний код) GEAR,REVERSE | нет в наличии, поставок нет |
| 9 | 0344200 | Вал гребного винта в сборе. (PROPELLER SHAFT ASSY.) | нет в наличии, поставок нет |
| 9 | 0324628 | (последний код) PROP-SHAFT | нет в наличии, поставок нет |
| 10 | 0303361 | Упорная шайба (WASHER, Thrust) | нет в наличии, поставок нет |
| 11 | 0333676 | Винт, Крышка to Редуктор (SCREW, Cover to gearcase) | нет в наличии, поставок нет |
| 11 | 3854923 | (последний код) SCREW | нет в наличии, поставок нет |
| 12 | 0326340 | Переключатель собачки сцепления (SHIFTER, Clutch dog) | нет в наличии, поставок нет |
| 12 | 0324625 | (последний код) CLUTCH-DOG | нет в наличии, поставок нет |
| 13 | 0324624 | Пружина переключателяer (SPRING, Shifter) | нет в наличии, поставок нет |
| 14 | 0324637 | Прокладка, Редуктор Крышка. RL, RBL Models (GASKET, Gearcase cover. RL, RBL Models .) | нет в наличии, поставок нет |
| 15 | 0438966 | Шестерня & Подшипник в сборе., дляward (GEAR & BEARING ASSY., Forward) | нет в наличии, поставок нет |
| 15 | 0396312 | (последний код) GEAR & BUSHING AY | нет в наличии, поставок нет |
| 17 | 0336297 | Шестерня, Шестерня (PINION, Gear) | нет в наличии, поставок нет |
| 18 | 0324626 | Штифт, Переключатель собачки сцепления (PIN, Shifter, clutch dog) | нет в наличии, поставок нет |
| 19 | 0388000 | THRUST Подшипник, Шестерня (THRUST BEARING, Pinion) | нет в наличии, поставок нет |
| 20 | 0336296 | Упорная шайба шестерни Шестерня Подшипник (THRUST WASHER, Pinion bearing) | нет в наличии, поставок нет |
| 21 | 0434281 | Редуктор, Корпус в сборе. (GEARCASE, Housing assy.) | нет в наличии, поставок нет |
| 22 | 0391048 | Подшипник & Гильза в сборе., DriveВал (BEARING & SLEEVE ASSY., Driveshaft) | 1 шт | 4890 руб. |
| 22 | 0389574 | (последний код) BRG AY-DRIVESHAFT | нет в наличии, поставок нет |
| 23 | 0386473 | Подшипник в сборе., Шестерня to Редуктор (BEARING ASSY., Pinion to gearcase) | нет в наличии, поставок нет |
| 24 | 0396200 | SCREEN & Водяная заглушка Система впуска (SCREEN & PLUG, Water intake) | нет в наличии, поставок нет |
| 24 | 0324633 | (последний код) SCREEN | нет в наличии, поставок нет |
| 25 | 0434152 | Крышка в сборе, Редуктор (COVER ASSY., Gearcase) | нет в наличии, поставок нет |
| 25 | 0389837 | (последний код) G-CASE-CVR&S | нет в наличии, поставок нет |
| 26 | 0305242 | Уплотнительное кольцо, Переключающая тяга (O-RING, Shift rod) | нет в наличии, поставок нет |
| 27 | 0324639 | Сальник, DriveВал (SEAL, Driveshaft) | 1 шт | 880 руб. |
| 28 | 0324642 | Втулка, Переключающая тяга (BUSHING, Shift rod) | нет в наличии, поставок нет |
| 29 | 0324615 | Кулачок переключателя (CAM, Shift) | нет в наличии, поставок нет |
| 30 | 0307551 | Заглушка & Шайба, верхний (PLUG & WASHER, Upper) | нет в наличии, поставок нет |
| 30 | 0982851 | (последний код) SCREW-PLUG | нет в наличии, поставок нет |
| 30 | 0318544 | FILL Заглушка (FILL PLUG) | нет в наличии, поставок нет |
| 30 | 0912624 | (последний код) SCREW | нет в наличии, поставок нет |
| 31 | 0311598 | Шайба (WASHER) | нет в наличии, поставок нет |
| 31 | 3852105 | (последний код) WASHER | нет в наличии, поставок нет |
| 32 | 0324616 | Стопорное кольцо, Переключающая тяга (RETAINING RING, Shift rod) | нет в наличии, поставок нет |
| 33 | 0324627 | Фиксатор, Переключательer (RETAINER, Shifter) | нет в наличии, поставок нет |
| 34 | 0389577 | Крыльчатка HSG. в сборе. (IMPELLER HSG. ASSY.) | нет в наличии, поставок нет |
| 35 | 0389576 | Крыльчатка в сборе.. Contents of Ремкомплект водяного насоса (IMPELLER ASSY.. Contents of Water Pump Repair Kit .) | нет в наличии, поставок нет |
| 36 | 0331130 | Ключ, Крыльчатка to driveВал. Contents of Ремкомплект водяного насоса (KEY, Impeller to driveshaft. Contents of Water Pump Repair Kit .) | 1 шт | 550 руб. |
| 37 | 0324640 | Пластина корпуса крыльчатки. Contents of Ремкомплект водяного насоса (PLATE, Impeller housing. Contents of Water Pump Repair Kit .) | нет в наличии, поставок нет |
| 38 | 0441115 | DRIVEВал, Std., 15 дюйм (DRIVESHAFT, Std., 15 in.) | нет в наличии, поставок нет |
| 38 | 0441195 | DRIVEВал, Long, 20 дюйм. RL, RBL Models (DRIVESHAFT, Long, 20 in.. RL, RBL Models .) | нет в наличии, поставок нет |
| 39 | 0441181 | Переключающая тяга, нижний , Std. (SHIFT ROD, Lower, Std.) | нет в наличии, поставок нет |
| 39 | 0441194 | Переключающая тяга, нижний , Long. RL, RBL Models (SHIFT ROD, Lower, Long. RL, RBL Models .) | нет в наличии, поставок нет |
| 40 | 0324641 | Cвыше, Крыльчатка Корпус. Contents of Ремкомплект водяного насоса (CUP, Impeller housing. Contents of Water Pump Repair Kit .) | нет в наличии, поставок нет |
| 41 | 0331980 | Винт, Imp. hsg. to Редуктор. Contents of Ремкомплект водяного насоса (SCREW, Imp. hsg. to gearcase. Contents of Water Pump Repair Kit .) | нет в наличии, поставок нет |
| 42 | 0334451 | Анод, Редуктор (ANODE, Gearcase) | нет в наличии, поставок нет |
| 42 | 0432397 | (последний код) ANODE KIT | нет в наличии, поставок нет |
| 43 | 0328725 | Винт, Анод (SCREW, Anode) | нет в наличии, поставок нет |
| 43 | 3852187 | (последний код) SCREW | нет в наличии, поставок нет |
| 44 | 0324694 | Колпачок гребного винта Вал (CAP, Propeller shaft) | нет в наличии, поставок нет |
| 45 | 0342540 | Винт, Редуктор to hsg., front, 15 дюйм (SCREW, Gearcase to hsg., front, 15 in.) | нет в наличии, поставок нет |
| 45 | 0316440 | (последний код) SCREW | нет в наличии, поставок нет |
| 46 | 0324690 | DRIVE Штифт, Гребной винт (DRIVE PIN, Propeller) | нет в наличии, поставок нет |
| 47 | 0391096 | Гребной винт, 8 X 7, Std. (PROPELLER, 8 X 7, Std.) | нет в наличии, поставок нет |
| 47 | 0778796 | (последний код) PROP,AL 8X7/PIN | нет в наличии, поставок нет |
| 47 | 0390237 | Гребной винт, 8 1 / 2 X 9 (PROPELLER, 8 1/2 X 9) | нет в наличии, поставок нет |
| 47 | 0778797 | (последний код) PROP,AL 8.5 X 9 | нет в наличии, поставок нет |
| 47 | 0392183 | Гребной винт, 9 1 / 4 X 6 1 / 2 (PROPELLER, 9 1/4 X 6 1/2) | нет в наличии, поставок нет |
| 48 | 0389583 | Втулка, Гребной винт (BUSHING, Propeller) | нет в наличии, поставок нет |
| 49 | 0306394 | Шплинт, Гайка гребного винта to Вал (COTTER PIN, Propeller nut to shaft) | нет в наличии, поставок нет |
| 49 | 3852056 | (последний код) PIN,COTTER | нет в наличии, поставок нет |
| 50 | 0324689 | Упорная шайба, Prop Вал, rear (THRUST WASHER, Prop shaft, rear) | нет в наличии, поставок нет |
| 51 | 0324643 | Винт, Редуктор to exh. hsg. (SCREW, Gearcase to exh. hsg.) | нет в наличии, поставок нет |
| 52 | 0302497 | Нижний пыльник трубки водяного насоса. Contents of Ремкомплект водяного насоса (GROMMET, Water tube, lower. Contents of Water Pump Repair Kit .) | 2 шт | 250 руб. |
| | 0 | 5-INCH LONGER PARTS (5-INCH LONGER PARTS) | нет в наличии, поставок нет |
| 0444500 | 0444500 | Удлинитель KIT в сборе., 5-inch. Not Shown RL, RBL Models (EXTENSION KIT ASSY., 5-inch. Not Shown . RL, RBL Models .) | нет в наличии, поставок нет |
| 4 | 0325040 | Прокладка крыльчатки Корпус. RL, RBL Models (GASKET, Impeller housing. RL, RBL Models .) | нет в наличии, поставок нет |
| 14 | 0324637 | Прокладка, Редуктор Крышка. RL, RBL Models (GASKET, Gearcase cover. RL, RBL Models .) | нет в наличии, поставок нет |
| 38 | 0441195 | DRIVEВал, Long. RL, RBL Models (DRIVESHAFT, Long. RL, RBL Models .) | нет в наличии, поставок нет |
| 39 | 0441194 | Переключающая тяга, Long. RL, RBL Models (SHIFT ROD, Long. RL, RBL Models .) | нет в наличии, поставок нет |
| 55 | 0202893 | Уплотнительное кольцо, Водяная трубка. RL, RBL Models (O-RING, Water tube. RL, RBL Models .) | нет в наличии, поставок нет |
| 55 | 3852033 | (последний код) O-RING | нет в наличии, поставок нет |
| 57 | 0302497 | Нижний пыльник трубки водяного насоса. RL, RBL Models (GROMMET, Water tube, lower. RL, RBL Models .) | 2 шт | 250 руб. |
| 58 | 0330247 | Винт, Редуктор & Удлинитель to Выхлоп housin g. RL, RBL Models (SCREW, Gearcase & extension to exhaust housin g. RL, RBL Models .) | нет в наличии, поставок нет |
| 58 | 0324645 | (последний код) SCREW | нет в наличии, поставок нет |
| 59 | 0396308 | Редуктор Удлинитель. RL, RBL Models (GEARCASE EXTENSION. RL, RBL Models .) | нет в наличии, поставок нет |
| 59 | 0393744 | (последний код) G-CASE-EXT | нет в наличии, поставок нет |
| 60 | 0310674 | Втулка. RL, RBL Models (BUSHING. RL, RBL Models .) | нет в наличии, поставок нет |
| 61 | 0326742 | Гильза. RL, RBL Models (SLEEVE. RL, RBL Models .) | нет в наличии, поставок нет |
| 61 | 0326988 | (последний код) SLEEVE | нет в наличии, поставок нет |
| 62 | 0333676 | Винт, Удлинитель to Корпус. RL, RBL Models (SCREW, Extension to housing. RL, RBL Models .) | нет в наличии, поставок нет |
| 62 | 3854923 | (последний код) SCREW | нет в наличии, поставок нет |
| 63 | 0320025 | Удлинитель, Водяная трубка. RL, RBL Models (EXTENSION, Water tube. RL, RBL Models .) | нет в наличии, поставок нет |
| 64 | 0390772 | Хромированный ремкомплект водяного насоса (CHROME PUMP KIT) | нет в наличии, поставок нет |
| 65 | 0396644 | Ремкомплект водяного насоса (WATER PUMP REPAIR KIT) | нет в наличии, поставок нет |
| 65 | 0389844 | (последний код) WATERPUMP KIT | нет в наличии, поставок нет |
| 66 | 0432397 | ZINC Анод KIT (Includes 42 & 43) (ZINC ANODE KIT (Includes 42 & 43)) | нет в наличии, поставок нет |
| 66 | 0334451 | (последний код) ANODE | нет в наличии, поставок нет |