| |
Все разделы каталога запчастей на этот двигатель
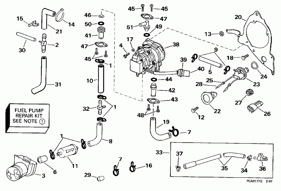
вернуться к списку узлов и деталей ДЕТАЛИРОВКА ДЛЯ МОДЕЛИ: EVINRUDE E225TZECS 1998
ТОПЛИВНЫЙ НАСОС | FUEL PUMP;
Номер на рисунке | Артикул | Наименование | Кол-во на складе | Цена |
| 1 | 0339279 | Струбцина, Шланг Топливный фильтр, 625 (CLAMP, Hose fuel filter, .625) | нет в наличии, поставок нет |
| 2 | 0338896 | TEE, Primer solenoid (TEE, Primer solenoid) | нет в наличии, поставок нет |
| 3 | 0340721 | Пыльник, Std. (GROMMET, Std.) | нет в наличии, поставок нет |
| 4 | 0344278 | Винт, Помпа to Кронштейн (SCREW, Pump to bracket) | нет в наличии, поставок нет |
| 5 | 0333390 | Шланг, Vacuum Переключатель to tee (HOSE, Vacuum switch to tee) | нет в наличии, поставок нет |
| 5 | 0329710 | (последний код) HOSE | нет в наличии, поставок нет |
| 6 | 0331649 | Колпачок, Fuel вход (CAP, Fuel inlet) | нет в наличии, поставок нет |
| 7 | 0339278 | Струбцина, 562 (CLAMP, .562) | нет в наличии, поставок нет |
| 8 | 0332281 | Топливный шланг Фильтр to tee (HOSE, Fuel filter to tee) | нет в наличии, поставок нет |
| 8 | 0331755 | (последний код) HOSE | нет в наличии, поставок нет |
| 9 | 0339276 | Струбцина, 360 (CLAMP, .360) | нет в наличии, поставок нет |
| 10 | 0 | Шланг, Tee to Топливный насос, 3 дюйм (76 мм) сокращёная длина from P / N 125115 -- 3 / 8 дюйм I.D., 50 фут (15, 2m) Roll (HOSE, Tee to fuel pump, 3 in. (76mm). Cut to Length from P/N 125115 -- 3/8 in. I.D., 50 ft. (15,2m) Roll) | нет в наличии, поставок нет |
| 11 | 0398319 | Топливный фильтр в сборе. (FUEL FILTER ASSY.) | нет в наличии, поставок нет |
| 11 | 0175227 | (последний код) FUEL-FILTER | нет в наличии, поставок нет |
| 12 | 0331036 | Винт, Фиксатор (SCREW, Retainer) | нет в наличии, поставок нет |
| 12 | 0320468 | (последний код) SCREW | нет в наличии, поставок нет |
| 13 | 0303701 | Шайба с блокировкой, Solenoid Заземление (LOCK WASHER, Solenoid ground) | нет в наличии, поставок нет |
| 14 | 0320107 | Крепёжный хомут (TIE STRAP) | нет в наличии, поставок нет |
| 14 | 5035626 | (последний код) BAND,REM CON | нет в наличии, поставок нет |
| 15 | 0329661 | Заглушка Держатель (PLUG HOLDER) | нет в наличии, поставок нет |
| 16 | 0339277 | Струбцина, 500, oil Шланг (CLAMP, .500, oil hose) | нет в наличии, поставок нет |
| 17 | 0328735 | Шайба, Помпа to Кронштейн (WASHER, Pump to bracket) | нет в наличии, поставок нет |
| 17 | 3852188 | (последний код) WASHER | нет в наличии, поставок нет |
| 18 | 0122147 | Винт, Кронштейн to Картер двигателя (SCREW, Bracket to crankcase) | нет в наличии, поставок нет |
| 18 | 3852006 | (последний код) SCREW | нет в наличии, поставок нет |
| 19 | 0 | Шланг, Pulse, 6 1 / 4 дюйм (159 мм) сокращёная длина from P / N 333341 -- 5 / 16 дюйм I.D., 25 фут (7, 6m) Roll (HOSE, Pulse, 6 1/4 in. (159mm). Cut to Length from P/N 333341 -- 5/16 in. I.D., 25 ft. (7,6m) Roll) | нет в наличии, поставок нет |
| 20 | 0338894 | Кронштейн, Fuel components (BRACKET, Fuel components) | нет в наличии, поставок нет |
| 21 | 0332845 | Шланг, Помпа to tee (HOSE, Pump to tee) | нет в наличии, поставок нет |
| 21 | 0319739 | (последний код) HOSE | нет в наличии, поставок нет |
| 22 | 0338950 | Фиксатор, Vacuum Переключатель (RETAINER, Vacuum switch) | нет в наличии, поставок нет |
| 23 | 0586034 | VACUUM Переключатель (VACUUM SWITCH) | нет в наличии, поставок нет |
| 23 | 0586544 | (последний код) KIT AY,VAC SWITCH | нет в наличии, поставок нет |
| 24 | 0909678 | Уплотнительное кольцо, Vacuum Переключатель (O-RING, Vacuum switch) | нет в наличии, поставок нет |
| 25 | 0514485 | Сальник, Подводящий провод (SEAL, Lead wire) | нет в наличии, поставок нет |
| 26 | 0514665 | Коннектор (CONNECTOR) | нет в наличии, поставок нет |
| 27 | 0514675 | LOCK (LOCK) | нет в наличии, поставок нет |
| 28 | 0514716 | Клемма, Штифт (TERMINAL, Pin) | нет в наличии, поставок нет |
| 29 | 0315391 | Крышка заливной горловины масла Ниппель (CAP, Oil nipple) | нет в наличии, поставок нет |
| 30 | 0331674 | Шланг, Tee to solenoid (HOSE, Tee to solenoid) | нет в наличии, поставок нет |
| 30 | 0332117 | (последний код) HOSE-PRIMER | нет в наличии, поставок нет |
| 31 | 0339335 | Шланг, Tee to Коллектор (HOSE, Tee to manifold) | нет в наличии, поставок нет |
| 32 | 0331995 | TEE, Топливный шланг to vacuum Переключатель (TEE, Fuel hose to vacuum switch) | нет в наличии, поставок нет |
| 33 | 0398339 | Топливный коннектор & Шланг. See Аксессуары Parts Catalog для Ремонтный комплект Part Numbers (FUEL CONNECTOR & HOSE. See Accessories Parts Catalog for Repair Kit Part Numbers) | нет в наличии, поставок нет |
| 33 | 0396305 | (последний код) FUEL-CONN&-H | нет в наличии, поставок нет |
| 34 | 0322652 | Струбцина (CLAMP) | нет в наличии, поставок нет |
| 34 | 3852170 | (последний код) CLAMP,SNAP | нет в наличии, поставок нет |
| 35 | 0332732 | Шланг (HOSE) | нет в наличии, поставок нет |
| 35 | 0330156 | (последний код) HOSE | нет в наличии, поставок нет |
| 36 | 0393334 | Топливный коннектор (FUEL CONNECTOR) | нет в наличии, поставок нет |
| 36 | 0376154 | (последний код) BODY | нет в наличии, поставок нет |
| 37 | 0329653 | Струбцина топливного шланга (CLAMP, Fuel hose) | нет в наличии, поставок нет |
| 38 | 0438400 | Топливный насос в сборе.. See Аксессуары Parts Catalog для Ремонтный комплект Part Numbers (FUEL PUMP ASSY.. See Accessories Parts Catalog for Repair Kit Part Numbers) | нет в наличии, поставок нет |
| 38 | 5007420 | (последний код) KIT AY,F PUMP&LMTR | нет в наличии, поставок нет |
| 39 | 0512749 | Коннектор (CONNECTOR) | нет в наличии, поставок нет |
| 39 | 3852241 | (последний код) CONN,4-SKT-P | нет в наличии, поставок нет |
| 40 | 0581656 | SOCKET (SOCKET) | нет в наличии, поставок нет |
| 40 | 3852257 | (последний код) TERMINAL AY,SCKT | нет в наличии, поставок нет |
| 41 | 0343852 | FITTING, Fuel вход (FITTING, Fuel inlet) | нет в наличии, поставок нет |
| 42 | 0340186 | FITTING, Pulse (FITTING, Pulse) | нет в наличии, поставок нет |
| 43 | 0340201 | Фиксатор, Pulse fitting (RETAINER, Pulse fitting) | нет в наличии, поставок нет |
| 44 | 0125203 | Уплотнительное кольцо, Pulse fitting (O-RING, Pulse fitting) | нет в наличии, поставок нет |
| 45 | 0124549 | Винт, Фиксатор (SCREW, Retainer) | нет в наличии, поставок нет |
| 46 | 0124943 | Обратный клапан, Fuel вход (CHECK VALVE, Fuel inlet) | нет в наличии, поставок нет |
| 47 | 0343172 | Фиксатор, Fuel fitting (RETAINER, Fuel fitting) | нет в наличии, поставок нет |
| 48 | 0125212 | Винт, Pulse fitting Фиксатор (SCREW, Pulse fitting retainer) | нет в наличии, поставок нет |
| 49 | 0335230 | Уплотнительное кольцо, Fuel выход (O-RING, Fuel outlet) | нет в наличии, поставок нет |
| 50 | 0124378 | Уплотнительное кольцо, Fuel вход (O-RING, Fuel inlet) | нет в наличии, поставок нет |
| 50 | 3852011 | (последний код) O-RING | нет в наличии, поставок нет |
| 51 | 0343162 | FITTING, Fuel выход (FITTING, Fuel outlet) | нет в наличии, поставок нет |
| 51 | 0345237 | (последний код) ELBOW | нет в наличии, поставок нет |

Время выполнения запроса 3.7132279872894 сек.
|
|