вконтакте

Контактный телефон: +7 (981) 121-46-93, +7 (800) 200-90-76 , Email: parts-katalog@yandex.ru, где купить

 
 

  Логин:

Пароль:

Регистрация

www.partskatalog.ru Все каталоги Запчасти Mercury Запчасти Suzuki Запчасти Tohatsu Запчасти Honda Контакты


Все разделы каталога запчастей на этот двигатель

назад Раздел:   вперёд

вернуться к списку узлов и деталей

ДЕТАЛИРОВКА ДЛЯ МОДЕЛИ: EVINRUDE E200TXECM 1998

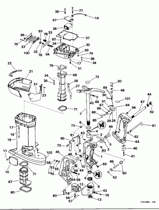
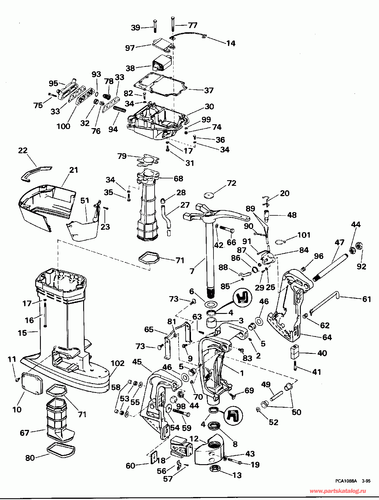
ЦИЛИНДР & КАРТЕР ДВИГАТЕЛЯ | CYLINDER & CRANKCASE;


 Эвинруд E200TXECM 1998  - linder & Crankcase / linder & Картер двигателя

Номер на
рисунке
АртикулНаименованиеКол-во
на складе
Цена
1 0439148

Цилиндр & Картер двигателя в сборе.. All Except 225GL, QX, NX (CYLINDER & CRANKCASE ASSY.. All Except 225GL, QX, NX)

нет в наличии, поставок нет
1 5000552

   (последний код) CYLINDER&CRANKCASE

нет в наличии, поставок нет
1 0439622

Цилиндр & Картер двигателя в сборе.. 225GL, QX, NX, 250 (CYLINDER & CRANKCASE ASSY.. 225GL, QX, NX, 250)

нет в наличии, поставок нет
1 5000553

   (последний код) CYL C-CS 250HP

нет в наличии, поставок нет
2 0304178

Шпонка Подшипник (PIN, Dowel bearing)

нет в наличии, поставок нет
3 0314616

Шпилька, Картер двигателя to adapter (STUD, Crankcase to adapter)

нет в наличии, поставок нет
3 0324811

   (последний код) STUD-CYL

нет в наличии, поставок нет
4 0331095

Штифт, конус (PIN, Taper)

нет в наличии, поставок нет
5 0338653

Шпилька, Рычаг переключения (STUD, Shift lever)

нет в наличии, поставок нет
5 0320808

   (последний код) STUD

нет в наличии, поставок нет
6 0326891

Винт, Цилиндр to Картер двигателя (SCREW, Cylinder to crankcase)

нет в наличии, поставок нет
7 0326890

Винт, Цилиндр to Картер двигателя (SCREW, Cylinder to crankcase)

нет в наличии, поставок нет
8 0320744

Шайба, Шпилька (WASHER, Stud)

нет в наличии, поставок нет
8 0306124

   (последний код) WASHER

нет в наличии, поставок нет
9 0322232

Шайба (WASHER)

нет в наличии, поставок нет
10 0321598

FITTING, Drain (FITTING, Drain)

нет в наличии, поставок нет
11 0436194

Обратный клапан, Recirculating (CHECK VALVE, Recirculating)

нет в наличии, поставок нет
11 0337595

   (последний код) NIPPLE

нет в наличии, поставок нет
12 0436385

Обратный клапан в сборе. (CHECK VALVE ASSY.)

нет в наличии, поставок нет
13 0435009

PULSE LIMITER (PULSE LIMITER)

нет в наличии, поставок нет
13 3852225

   (последний код) LIMITER-AY,P

нет в наличии, поставок нет
14 0339538

Штифт, Water, Рестриктор (PIN, Water, restrictor)

нет в наличии, поставок нет
15 0340521

Штифт, Water, Рестриктор, port (PIN, Water, restrictor, port)

нет в наличии, поставок нет
16 0330145

Шплинт, Рычаг переключения (COTTER PIN, Shift lever)

нет в наличии, поставок нет
17 0337249

Крышка, Blowoff Клапан (COVER, Blowoff valve)

нет в наличии, поставок нет
18 0344202

Клапан, Blowoff (VALVE, Blowoff)

нет в наличии, поставок нет
18 0337069

   (последний код) VALVE,BLOWOF

нет в наличии, поставок нет
19 0202893

Уплотнительное кольцо, Ниппель, Крышка (O-RING, Nipple, cover)

нет в наличии, поставок нет
19 3852033

   (последний код) O-RING

нет в наличии, поставок нет
20 0335191

Рычаг штока переключения (LEVER, Shift rod)

нет в наличии, поставок нет
20 0334117

   (последний код) LEVER

нет в наличии, поставок нет
21 0340919

Прокладка головки блока цилиндра. Included in Powerhead Комплект прокладок (GASKET, Cylinder head. Included in Powerhead Gasket Set)

нет в наличии, поставок нет
21 0345257

   (последний код) GASKET,CYL HEAD V6

нет в наличии, поставок нет
22 0

Шланг, Клапан, нижний , 2 1 / 4 дюйм (57 мм) сокращёная длина from 25 фут (7, 6m) Roll, P / N 332219 (HOSE, Valve, lower, 2 1/4 in. (57mm). Cut to Length from 25 ft. (7,6m) Roll, P/N 332219)

нет в наличии, поставок нет
23 0

Шланг, верхний Подшипник hsg., 20 дюйм (508 мм) сокращёная длина from 25 фут (7, 6m) Roll, P / N 332219 (HOSE, Upper bearing hsg., 20 in. (508mm). Cut to Length from 25 ft. (7,6m) Roll, P/N 332219)

нет в наличии, поставок нет
24 0512741

Фиксатор, Temp. Переключатель Коннектор (RETAINER, Temp. switch connector)

нет в наличии, поставок нет
25 0328744

Винт, Термостат Крышка (SCREW, Thermostat cover)

нет в наличии, поставок нет
25 0308741

   (последний код) SCREW

нет в наличии, поставок нет
26 0339066

Винт, Головка блока цилиндра (SCREW, Cylinder head)

нет в наличии, поставок нет
27 0437929

Свеча зажигания, Champion, QL78YC (SPARK PLUG, Champion, QL78YC)

нет в наличии, поставок нет
27 0387633

Свеча зажигания, Champion, QL77JC4. Опции (SPARK PLUG, Champion, QL77JC4. Optional)

нет в наличии, поставок нет
27 0502180

   (последний код) Champion SPARK PLUG QL77JC4 MAR4

нет в наличии, поставок нет
27 0432424

Свеча зажигания, Champion QL16V. Опции (SPARK PLUG, Champion QL16V. Optional)

нет в наличии, поставок нет
27 0502178

   (последний код) Champion SPARK PLUG QL16V MAR4

нет в наличии, поставок нет
28 0585038

температура Переключатель, Stbd. (TEMPERATURE SWITCH, Stbd.)

нет в наличии, поставок нет
28 0584650

   (последний код) SWITCH AY,TEMP

нет в наличии, поставок нет
28 0585039

температура Переключатель, Port (TEMPERATURE SWITCH, Port)

нет в наличии, поставок нет
28 0584665

   (последний код) SWITCH AY,TEMP

нет в наличии, поставок нет
29 0511469

Штифт (PIN)

нет в наличии, поставок нет
29 3852229

   (последний код) TERMINAL,PIN

нет в наличии, поставок нет
30 0513357

Коннектор (CONNECTOR)

нет в наличии, поставок нет
30 3854845

   (последний код) CONNECTOR 513357

нет в наличии, поставок нет
31 0329562

Крышка, температура Переключатель (COVER, Temperature switch)

нет в наличии, поставок нет
32 0512947

Клемма, Port only (TERMINAL, Port only)

нет в наличии, поставок нет
32 0910462

   (последний код) TERM.-60766-

нет в наличии, поставок нет
33 0513185

Гильза, Port only (SLEEVE, Port only)

нет в наличии, поставок нет
33 0512948

   (последний код) SLEEVE

нет в наличии, поставок нет
34 0327590

Штифт, Рычаг тяги переключения (PIN, Shift rod lever)

нет в наличии, поставок нет
34 0323267

   (последний код) PIN

нет в наличии, поставок нет
35 0337487

FITTING, Термостат Крышка (FITTING, Thermostat cover)

нет в наличии, поставок нет
36 0396374

Рычаг дросселя, нижний (THROTTLE LEVER, Lower)

нет в наличии, поставок нет
36 0331498

   (последний код) THROTTLE

нет в наличии, поставок нет
37 0

Шланг, Термостат Крышка to blowoff. сокращёная длина from 25 фут (7, 6m) Roll, P / N 310828 (HOSE, Thermostat cover to blowoff. Cut to Length from 25 ft. (7,6m) Roll, P/N 310828)

нет в наличии, поставок нет
38 0337486

Крышка термостата (COVER, Thermostat)

нет в наличии, поставок нет
39 0336826

Пружина, Blowoff Клапан (SPRING, Blowoff valve)

нет в наличии, поставок нет
40 0314416

Бампер, Винт дросселя stop (BUMPER, Screw, throttle stop)

нет в наличии, поставок нет
41 0328737

Шайба, Переключатель & Рычаг дросселя (WASHER, Shift & throttle lever)

нет в наличии, поставок нет
41 0306561

   (последний код) WASHER

нет в наличии, поставок нет
42 0434927

Обратный клапан в сборе. (CHECK VALVE ASSY.)

нет в наличии, поставок нет
43 0328064

Гайка, Рычаг дросселя & Рычаг переключения (NUT, Throttle arm & shift lever)

нет в наличии, поставок нет
43 0554477

   (последний код) NUT

нет в наличии, поставок нет
44 0337067

Пружина, Термостат (SPRING, Thermostat)

нет в наличии, поставок нет
45 0337068

Диафрагма, Термостат Крышка. Included in Powerhead Комплект прокладок (DIAPHRAGM, Thermostat cover. Included in Powerhead Gasket Set)

нет в наличии, поставок нет
46 0328703

Шайба, Винт, blowoff (WASHER, Screw, blowoff)

нет в наличии, поставок нет
46 3852184

   (последний код) WASHER

нет в наличии, поставок нет
47 0436892

Головка блока цилиндра (CYLINDER HEAD)

нет в наличии, поставок нет
47 0435044

   (последний код) HEAD&SLEEVE AY,CYL

нет в наличии, поставок нет
48 0337533

Гильза (SLEEVE)

нет в наличии, поставок нет
49 0328703

Шайба, Винт, Термостат (WASHER, Screw, thermostat)

нет в наличии, поставок нет
49 3852184

   (последний код) WASHER

нет в наличии, поставок нет
50 0324334

Винт, Цилиндр to Картер двигателя (SCREW, Cylinder to crankcase)

нет в наличии, поставок нет
50 0302820

   (последний код) SCREW

нет в наличии, поставок нет
51 0328695

Винт, Рычаг Переключающая тяга (SCREW, Lever shift rod)

нет в наличии, поставок нет
51 0323480

   (последний код) SCREW

нет в наличии, поставок нет
52 0312708

Втулка, Рычаг переключения (BUSHING, Shift lever)

нет в наличии, поставок нет
53 0302290

Шайба, Штифт рычага (WASHER, Pin, lever)

нет в наличии, поставок нет
53 0338307

   (последний код) WASHER,LOCK

нет в наличии, поставок нет
55 0339044

Прокладка, Термостат to Цилиндр (GASKET, Thermostat to cylinder)

нет в наличии, поставок нет
56 0202026

Шайба, Рычаг переключения (WASHER, Shift lever)

нет в наличии, поставок нет
57 0

Дренажный шланг system. сокращёная длина from 25 фут (7, 6m) Roll, P / N 335802 (HOSE, Drain system. Cut to Length from 25 ft. (7,6m) Roll, P/N 335802)

нет в наличии, поставок нет
58 0320107

Крепёжный хомут (TIE STRAP)

нет в наличии, поставок нет
58 5035626

   (последний код) BAND,REM CON

нет в наличии, поставок нет
59 0305650

Шплинт (COTTER PIN)

нет в наличии, поставок нет
59 3852052

   (последний код) PIN,COTTER

нет в наличии, поставок нет
60 0319253

Смазочный фиттинг (GREASE FITTING)

нет в наличии, поставок нет
60 0909517

   (последний код) LUBE-FITTING

нет в наличии, поставок нет
61 0308532

Втулка рычага дросселя (BUSHING, Throttle lever)

нет в наличии, поставок нет
61 0122475

   (последний код) BUSHING

нет в наличии, поставок нет
62 0308532

Втулка, Рычаг переключения (BUSHING, Shift arm)

нет в наличии, поставок нет
62 0122475

   (последний код) BUSHING

нет в наличии, поставок нет
63 0315077

LOCKГайка, Рычаг дросселя (LOCKNUT, Throttle lever)

нет в наличии, поставок нет
63 3852132

   (последний код) NUT,LOCK

нет в наличии, поставок нет
64 0331224

Тяга дросселя stop (LINK, Throttle stop)

нет в наличии, поставок нет
65 0330995

Шайба, Соединитель (WASHER, Link)

нет в наличии, поставок нет
65 0308371

   (последний код) WASHER

нет в наличии, поставок нет
66 0315077

LOCKГайка, Рычаг переключения (LOCKNUT, Shift arm)

нет в наличии, поставок нет
66 3852132

   (последний код) NUT,LOCK

нет в наличии, поставок нет
67 0334218

Винт дросселя stop (SCREW, Throttle stop)

нет в наличии, поставок нет
67 0316286

   (последний код) SCREW

нет в наличии, поставок нет
68 0331737

Переключающая тяга Рычаг (LINK, Shift lever)

нет в наличии, поставок нет
69 0396714

Рычаг дросселя, верхний (THROTTLE LEVER, Upper)

нет в наличии, поставок нет
69 0394592

   (последний код) LEVER,THROTTLE

нет в наличии, поставок нет
70 0512741

Фиксатор, Connection (RETAINER, Connection)

нет в наличии, поставок нет
71 0333976

Винт, Idle adjustment (SCREW, Idle adjustment)

нет в наличии, поставок нет
72 0328701

Шайба, Переключатель assist Заземление (WASHER, Shift assist ground)

нет в наличии, поставок нет
72 3852182

   (последний код) WASHER,LOCK

нет в наличии, поставок нет
73 0318660

Колпачок (CAP)

нет в наличии, поставок нет
74 0328741

Гайка (NUT)

нет в наличии, поставок нет
74 0304753

   (последний код) NUT

нет в наличии, поставок нет
75 0328702

Шайба, Рычаг переключения to Соединитель (WASHER, Shift lever to link)

нет в наличии, поставок нет
75 3852183

   (последний код) WASHER

нет в наличии, поставок нет
76 0330266

Шайба, Рычаг переключения (WASHER, Shift arm)

нет в наличии, поставок нет
76 3852200

   (последний код) WASHER

нет в наличии, поставок нет
77 0328702

Шайба, Соединитель to Рычаг переключения (WASHER, Link to shift arm)

нет в наличии, поставок нет
77 3852183

   (последний код) WASHER

нет в наличии, поставок нет
78 0330266

Шайба, Рычаг дросселя (WASHER, Throttle lever)

нет в наличии, поставок нет
78 3852200

   (последний код) WASHER

нет в наличии, поставок нет
79 0433481

Рычаг переключения (SHIFT ARM)

нет в наличии, поставок нет
79 0393873

   (последний код) SHIFT-ARM-AY

нет в наличии, поставок нет
80 0344472

Прокладка, Регулятор (GASKET, Regulator)

нет в наличии, поставок нет
80 0330412

   (последний код) GASKET

нет в наличии, поставок нет
81 0396667

Соединитель в сборе., Spark advance (LINK ASSY., Spark advance)

нет в наличии, поставок нет
81 0393569

   (последний код) LINK-AY

нет в наличии, поставок нет
82 0326738

Пружина, Соединитель (SPRING, Link)

нет в наличии, поставок нет
83 0331863

Тяга, Spark advance Соединитель (ROD, Spark advance link)

нет в наличии, поставок нет
83 0328632

   (последний код) ROD

нет в наличии, поставок нет
84 0331864

Колпачок, Пружина Корпус (CAP, Spring housing)

нет в наличии, поставок нет
84 0328634

   (последний код) CAP

нет в наличии, поставок нет
85 0328635

Втулка, Пружина (BUSHING, Spring)

нет в наличии, поставок нет
86 0331879

Винт, Adjustment (SCREW, Adjustment)

нет в наличии, поставок нет
87 0329770

Штифт, Тяга (PIN, Rod)

нет в наличии, поставок нет
89 0328712

LOCKГайка, Корпус (LOCKNUT, Housing)

нет в наличии, поставок нет
89 3852185

   (последний код) NUT

нет в наличии, поставок нет
92 0330145

Шплинт, Рычаг to Соединитель (COTTER PIN, Lever to link)

нет в наличии, поставок нет
93 0328636

Штифт, Advance Соединитель (PIN, Advance link)

нет в наличии, поставок нет
94 0513811

Кронштейн, Slider (BRACKET, Slider)

нет в наличии, поставок нет
94 0513132

   (последний код) BRACKET

нет в наличии, поставок нет
95 0320107

Крепёжный хомут (TIE STRAP)

нет в наличии, поставок нет
95 5035626

   (последний код) BAND,REM CON

нет в наличии, поставок нет
96 0331404

Штифт (PIN)

нет в наличии, поставок нет
97 0431908

Рычаг переключения & Вал (SHIFT LEVER & SHAFT)

нет в наличии, поставок нет
98 0586294

Переключатель & Кабели (SWITCH & CABLE)

нет в наличии, поставок нет
98 0584754

   (последний код) SWITCH&CABLE AY

нет в наличии, поставок нет
99 0333749

Пружина (SPRING)

нет в наличии, поставок нет
100 0513134

Кронштейн, Переключатель assist (BRACKET, Shift assist)

нет в наличии, поставок нет
101 0328744

Винт, Blowoff Клапан (SCREW, Blowoff valve)

нет в наличии, поставок нет
101 0308741

   (последний код) SCREW

нет в наличии, поставок нет
102 0310928

Струбцина, Timer leads (CLAMP, Timer leads)

нет в наличии, поставок нет
102 3852092

   (последний код) CLAMP,"J"

нет в наличии, поставок нет
103 0330157

Струбцина, Переключатель assist Коннектор (CLAMP, Shift assist connector)

нет в наличии, поставок нет
103 0323373

   (последний код) CLAMP-RETAIN

нет в наличии, поставок нет
104 0437090

Термостат в сборе. (THERMOSTAT ASSY.)

нет в наличии, поставок нет
104 0436174

   (последний код) THERMOSTAT-A

нет в наличии, поставок нет
105 0319590

Винт зажима (SCREW, Clamp)

нет в наличии, поставок нет
105 3855227

   (последний код) SCREW

нет в наличии, поставок нет
106 0334169

Фиксатор (RETAINER)

нет в наличии, поставок нет
107 0335981

Сальник, Blowoff Клапан. Included in Powerhead Комплект прокладок (SEAL, Blowoff valve. Included in Powerhead Gasket Set)

нет в наличии, поставок нет
108 0437725

POWERHEAD Комплект прокладок (POWERHEAD GASKET SET)

нет в наличии, поставок нет
108 0436947

   (последний код) GASKET AY,SET-PWHD

нет в наличии, поставок нет
evinrude

Время выполнения запроса 4.4898450374603 сек.


 
 

данный сайт носит информационный характер и не является публичной офертой

склад запчастей для водомоторной техники