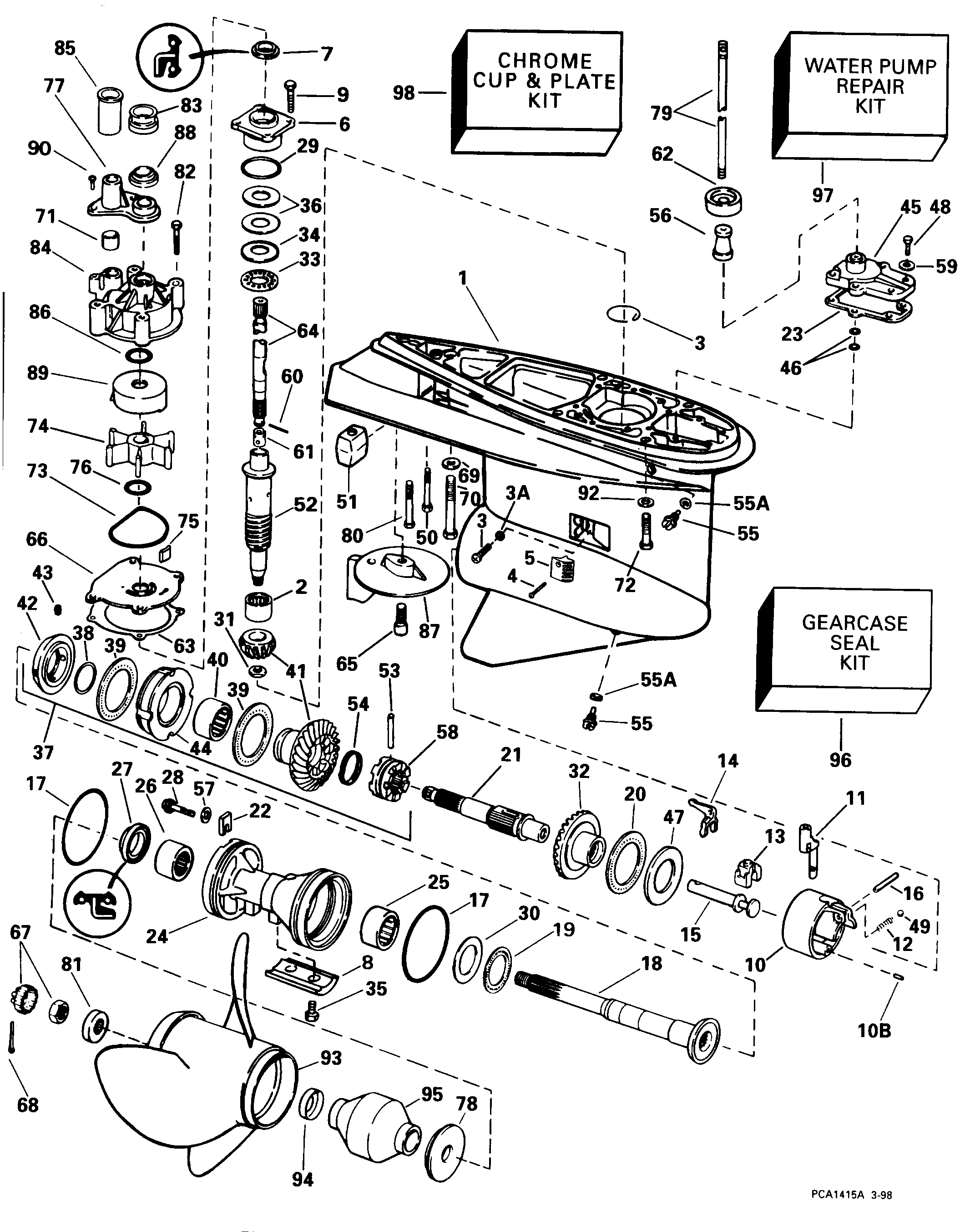
Номер на рисунке | Артикул | Наименование | Кол-во на складе | Цена |
| 0438046 | 0438046 | Редуктор, комплект. Not Shown (GEARCASE, Complete. Not Shown) | нет в наличии, поставок нет |
| 0438046 | 5005631 | (последний код) GCASE/CORO/WHT/OS | нет в наличии, поставок нет |
| 1 | 0438048 | Редуктор в сборе с подшипником.. Models with Шестерня Подшипник Стопорное кольцо (GEARCASE & BEARING ASSY.. Models with Pinion Bearing Retaining Ring) | нет в наличии, поставок нет |
| 1 | 5007022 | (последний код) GCASE & BRG AY,"O" | нет в наличии, поставок нет |
| 1 | 0439972 | Редуктор в сборе с подшипником.. Models with Шестерня Подшипник Retaining Винт (GEARCASE & BEARING ASSY.. Models with Pinion Bearing Retaining Screw) | нет в наличии, поставок нет |
| 1 | 5007022 | (последний код) GCASE & BRG AY,"O" | нет в наличии, поставок нет |
| 2 | 0387817 | Подшипник, Шестерня (BEARING, Pinion) | нет в наличии, поставок нет |
| 3 | 0338778 | Стопорное кольцо. Models with Шестерня Подшипник Стопорное кольцо (RETAINING RING. Models with Pinion Bearing Retaining Ring) | нет в наличии, поставок нет |
| 3 | 0324852 | RETAINING Винт. Models with Шестерня Подшипник Retaining Винт (RETAINING SCREW. Models with Pinion Bearing Retaining Screw) | нет в наличии, поставок нет |
| 3A | 0332584 | Сальник. Models with Шестерня Подшипник Retaining Винт (SEAL. Models with Pinion Bearing Retaining Screw) | нет в наличии, поставок нет |
| 4 | 0337061 | Винт, Screen (SCREW, Screen) | нет в наличии, поставок нет |
| 5 | 0337778 | SCREEN (SCREEN) | нет в наличии, поставок нет |
| 5 | 0339247 | SCREEN, High volume. Опции (SCREEN, High volume. Optional) | нет в наличии, поставок нет |
| 6 | 0438963 | Подшипник Корпус & Сальник (BEARING HOUSING & SEAL) | нет в наличии, поставок нет |
| 6 | 0439476 | (последний код) DS BRG HSG&SEAL AY | нет в наличии, поставок нет |
| 7 | 0341280 | Сальник, DriveВал (SEAL, Driveshaft) | нет в наличии, поставок нет |
| 8 | 0431708 | Анод, Подшипник Корпус (ANODE, Bearing housing) | нет в наличии, поставок нет |
| 8 | 0397111 | (последний код) ANODE-AY | нет в наличии, поставок нет |
| 9 | 0317624 | Винт, Корпус to Редуктор (SCREW, Housing to gearcase) | нет в наличии, поставок нет |
| 10 | 0431693 | Корпус & Подшипник в сборе. (HOUSING & BEARING ASSY.) | нет в наличии, поставок нет |
| 10B | 0331880 | Штифт, Корпус (PIN, Housing) | нет в наличии, поставок нет |
| 11 | 0334142 | DETENT, Переключательer (DETENT, Shifter) | нет в наличии, поставок нет |
| 11 | 0916189 | (последний код) DETENT | нет в наличии, поставок нет |
| 12 | 0911962 | Фиксатор пружины (SPRING, Detent) | нет в наличии, поставок нет |
| 12 | 0915955 | (последний код) SPRING | нет в наличии, поставок нет |
| 13 | 0334163 | CRADLE, Переключательer (CRADLE, Shifter) | 5 шт | 1880 руб. |
| 13 | 0322900 | (последний код) CRADLE-SHIFT | нет в наличии, поставок нет |
| 14 | 0334160 | Рычаг (LEVER) | нет в наличии, поставок нет |
| 15 | 0334143 | Переключающий валer (SHAFT, Shifter) | нет в наличии, поставок нет |
| 16 | 0319627 | Штифт, Рычаг переключения (PIN, Shift lever) | нет в наличии, поставок нет |
| 16 | 0315750 | (последний код) DOWEL PIN | нет в наличии, поставок нет |
| 17 | 0305123 | Уплотнительное кольцо, Подшипник Корпус (O-RING, Bearing Housing) | нет в наличии, поставок нет |
| 17 | 0321119 | (последний код) O-RING,-DLR | нет в наличии, поставок нет |
| 18 | 0435023 | Вал гребного винта в сборе. (PROPELLER SHAFT ASSY.) | нет в наличии, поставок нет |
| 18 | 0435307 | (последний код) SHAFT AY,PROP | нет в наличии, поставок нет |
| 19 | 0382408 | THRUST Подшипник, дляward Шестерня (THRUST BEARING, Forward gear) | нет в наличии, поставок нет |
| 20 | 0389042 | THRUST BRG. в сборе., Reverse Шестерня (THRUST BRG. ASSY., Reverse gear) | нет в наличии, поставок нет |
| 21 | 0438251 | Сцепление Вал в сборе. (CLUTCH SHAFT ASSY.) | нет в наличии, поставок нет |
| 21 | 0432282 | (последний код) CLUTCH-SHAFT | нет в наличии, поставок нет |
| 22 | 0333957 | TAB, Фиксатор (TAB, Retainer) | нет в наличии, поставок нет |
| 23 | 0324670 | Прокладка, Переключающая тяга Крышка (GASKET, Shift rod cover) | нет в наличии, поставок нет |
| 23 | 0352165 | (последний код) GASKET | 2 шт | 550 руб. |
| 24 | 0438038 | Подшипник Корпус & Сальник в сборе. (BEARING HOUSING & SEAL ASSY.) | нет в наличии, поставок нет |
| 24 | 5000898 | (последний код) HSG AY,PROPSHAFT | нет в наличии, поставок нет |
| 25 | 0431926 | Игольчатый подшипник в сборе., Front (NEEDLE BEARING ASSY., Front) | нет в наличии, поставок нет |
| 26 | 0436752 | Игольчатый подшипник в сборе., Rear (NEEDLE BEARING ASSY., Rear) | нет в наличии, поставок нет |
| 27 | 0341281 | Сальник (SEAL) | нет в наличии, поставок нет |
| 28 | 0341541 | Винт (SCREW) | нет в наличии, поставок нет |
| 29 | 0314728 | Уплотнительное кольцо, DriveВал brg. hsg. (O-RING, Driveshaft brg. hsg.) | нет в наличии, поставок нет |
| 29 | 0354731 | (последний код) O-RING | 1 шт | 850 руб. |
| 30 | 0313447 | Упорная шайба, дляward Шестерня (THRUST WASHER, Forward gear) | нет в наличии, поставок нет |
| 31 | 0314730 | Гайка, Шестерня to driveВал (NUT, Pinion to driveshaft) | нет в наличии, поставок нет |
| 32 | 0431703 | REVERSE Шестерня & Подшипник (REVERSE GEAR & BEARING) | нет в наличии, поставок нет |
| 32 | 0334167 | (последний код) GEAR-REVERSE | нет в наличии, поставок нет |
| 33 | 0387656 | THRUST Подшипник, Шестерня (THRUST BEARING, Pinion) | нет в наличии, поставок нет |
| 33 | 0383248 | (последний код) BEARING | нет в наличии, поставок нет |
| 34 | 0327656 | Упорная шайба шестерни Шестерня (THRUST WASHER, Pinion) | нет в наличии, поставок нет |
| 34 | 0314729 | (последний код) THRUST-WASHE | нет в наличии, поставок нет |
| 35 | 0908158 | Винт, Анод (SCREW, Anode) | нет в наличии, поставок нет |
| 35 | 3852050 | (последний код) SCREW | нет в наличии, поставок нет |
| 36 | 0323362 | Регулировочная шайба, 0.003 дюйм (0, 07 мм) (SHIM, 0.003 in. (0,07mm)) | нет в наличии, поставок нет |
| 36 | 0323361 | Регулировочная шайба, 0.004 дюйм (0, 10 мм) (SHIM, 0.004 in. (0,10mm)) | нет в наличии, поставок нет |
| 36 | 0314745 | Регулировочная шайба, 0.005 дюйм (0, 12 мм) (SHIM, 0.005 in. (0,12mm)) | нет в наличии, поставок нет |
| 37 | 0435553 | ШестерняSET в сборе. (GEARSET ASSY.) | нет в наличии, поставок нет |
| 37 | 5004590 | (последний код) GEARSET AY,FWD&PIN | нет в наличии, поставок нет |
| 38 | 0338717 | Регулировочная шайба, 0.003 дюйм (0, 07 мм) (SHIM, 0.003 in. (0,07mm)) | нет в наличии, поставок нет |
| 38 | 0338718 | Регулировочная шайба, 0.004 дюйм (0, 10 мм) (SHIM, 0.004 in. (0,10mm)) | нет в наличии, поставок нет |
| 38 | 0338719 | Регулировочная шайба, 0.005 дюйм (0, 12 мм) (SHIM, 0.005 in. (0,12mm)) | нет в наличии, поставок нет |
| 39 | 0385043 | THRUST Подшипник в сборе. (THRUST BEARING ASSY.) | нет в наличии, поставок нет |
| 39 | 3852221 | (последний код) BEARING-AY,T | нет в наличии, поставок нет |
| 40 | 0389039 | Игольчатый подшипник в сборе. (NEEDLE BEARING ASSY.) | нет в наличии, поставок нет |
| 40 | 3852223 | (последний код) BEARING-AY,N | нет в наличии, поставок нет |
| 41 | 0435934 | ШестерняSET (GEARSET) | нет в наличии, поставок нет |
| 41 | 5004939 | (последний код) GEARSET,FWD&PIN/CR | нет в наличии, поставок нет |
| 42 | 0337796 | THRUST Фланец (THRUST FLANGE) | нет в наличии, поставок нет |
| 43 | 0338716 | Установочный винт (SET SCREW) | нет в наличии, поставок нет |
| 44 | 0333885 | Корпус подшипника (HOUSING, Bearing) | нет в наличии, поставок нет |
| 45 | 0435482 | Крышка & Сальник в сборе. (COVER & SEAL ASSY.) | нет в наличии, поставок нет |
| 45 | 5006241 | (последний код) COVER AY,SHIFT ROD | нет в наличии, поставок нет |
| 46 | 0318372 | Уплотнительное кольцо, Переключающая тяга (O-RING, Shift rod) | нет в наличии, поставок нет |
| 47 | 0327669 | THRUST Шайба шестерни заднего хода (THRUST WASHER, Reverse gear) | нет в наличии, поставок нет |
| 47 | 0324805 | (последний код) THRUST-WASHE | нет в наличии, поставок нет |
| 48 | 0302325 | Винт, Крышка (SCREW, Cover) | нет в наличии, поставок нет |
| 49 | 0160084 | Шарик, Detent (BALL, Detent) | нет в наличии, поставок нет |
| 49 | 3852023 | (последний код) BALL | нет в наличии, поставок нет |
| 50 | 0328096 | Винт, Анод (SCREW, Anode) | нет в наличии, поставок нет |
| 50 | 0327046 | (последний код) SCREW | нет в наличии, поставок нет |
| 51 | 0436745 | Анод (ANODE) | нет в наличии, поставок нет |
| 51 | 0393023 | (последний код) ANODE&INSERT AY | нет в наличии, поставок нет |
| 52 | 0335677 | DRIVEВал, нижний в сборе. (DRIVESHAFT, Lower assy.) | нет в наличии, поставок нет |
| 52 | 0345905 | (последний код) DRIVESHAFT,LOWER | нет в наличии, поставок нет |
| 53 | 0313448 | Штифт сцепления dog (PIN, Clutch dog) | нет в наличии, поставок нет |
| 54 | 0324369 | Пружина, Сцепление dog Штифт (SPRING, Clutch dog pin) | нет в наличии, поставок нет |
| 54 | 0313454 | (последний код) SPRING | нет в наличии, поставок нет |
| 55 | 0318544 | Заглушка, Fill & drain (PLUG, Fill & drain) | нет в наличии, поставок нет |
| 55 | 0912624 | (последний код) SCREW | нет в наличии, поставок нет |
| 55A | 0311598 | Шайба (WASHER) | нет в наличии, поставок нет |
| 55A | 3852105 | (последний код) WASHER | нет в наличии, поставок нет |
| 56 | 0321122 | Проставка, Переключающая тяга (SPACER, Shift rod) | нет в наличии, поставок нет |
| 57 | 0328743 | Шайба, Винт, tab (WASHER, Screw, tab) | нет в наличии, поставок нет |
| 57 | 3852191 | (последний код) WASHER | нет в наличии, поставок нет |
| 58 | 0337774 | Переключатель собачки сцепления (SHIFTER, Clutch dog) | нет в наличии, поставок нет |
| 58 | 0910995 | (последний код) SHIFTER | нет в наличии, поставок нет |
| 59 | 0328702 | Шайба (WASHER) | нет в наличии, поставок нет |
| 59 | 3852183 | (последний код) WASHER | нет в наличии, поставок нет |
| 60 | 0311538 | Штифт, DriveВал (PIN, Driveshaft) | нет в наличии, поставок нет |
| 61 | 0338504 | Фиксатор приводного вала (RETAINER, Driveshaft) | нет в наличии, поставок нет |
| 62 | 0321008 | Пыльник, Exh. hsg. to shft Тяга (GROMMET, Exh. hsg. to shft rod) | нет в наличии, поставок нет |
| 63 | 0338484 | Прокладка крыльчатки hsg. Пластина. Also included in kit 439141 (GASKET, Impeller hsg. plate. Also included in kit 439141) | нет в наличии, поставок нет |
| 63 | 0324701 | (последний код) GASKET,-DRL5 | нет в наличии, поставок нет |
| 64 | 0436235 | Приводной вал., верхний (Incl #54 & 55) (DRIVESHAFT ASSY., Upper (Incl #54 & 55)) | нет в наличии, поставок нет |
| 64 | 5000624 | (последний код) 25IN D/S KIT UP | нет в наличии, поставок нет |
| 65 | 0313715 | Винт, Пластина трима (SCREW, Trim tab) | нет в наличии, поставок нет |
| 66 | 0338485 | Пластина корпуса крыльчатки. Stainless Steel (PLATE, Impeller housing. Stainless Steel) | нет в наличии, поставок нет |
| 66 | 0338552 | Пластина корпуса крыльчатки. хромированная пластина (PLATE, Impeller housing. Chrome Plated) | нет в наличии, поставок нет |
| 67 | 0398042 | Гайка & KEEPER, Гребной винт (NUT & KEEPER, Propeller) | нет в наличии, поставок нет |
| 67 | 3850984 | (последний код) NUT&KEEPER AY,PROP | нет в наличии, поставок нет |
| 68 | 0306394 | Шплинт, Гайка гребного винта (COTTER PIN, Propeller nut) | нет в наличии, поставок нет |
| 68 | 3852056 | (последний код) PIN,COTTER | нет в наличии, поставок нет |
| 69 | 0330265 | Шайба, Винт, long (WASHER, Screw, long) | нет в наличии, поставок нет |
| 70 | 0331998 | Винт, Редуктор to Корпус, long (SCREW, Gearcase to housing, long) | нет в наличии, поставок нет |
| 70 | 0914535 | (последний код) SCREW | нет в наличии, поставок нет |
| 71 | 0314008 | Пыльник водяной трубки (GROMMET, Water tube) | нет в наличии, поставок нет |
| 72 | 0331999 | Винт, Редуктор to Корпус (SCREW, Gearcase to housing) | нет в наличии, поставок нет |
| 72 | 0910457 | (последний код) SCREW | нет в наличии, поставок нет |
| 73 | 0331353 | Сальник, Крыльчатка Корпус Пластина (SEAL, Impeller housing plate) | 1 шт | 790 руб. |
| 74 | 0435821 | Крыльчатка & CAM в сборе. (IMPELLER & CAM ASSY.) | нет в наличии, поставок нет |
| 74 | 5001593 | (последний код) KIT AY,IMPELLER | нет в наличии, поставок нет |
| 75 | 0331107 | CAM, Крыльчатка (CAM, Impeller) | нет в наличии, поставок нет |
| 76 | 0302035 | Уплотнительное кольцо, Крыльчатка (O-RING, Impeller) | нет в наличии, поставок нет |
| 77 | 0338893 | Колпак крыльчатки Корпус (COVER, Impeller housing) | нет в наличии, поставок нет |
| 77 | 0321159 | (последний код) COVER-IMP-HS | нет в наличии, поставок нет |
| 78 | 0126402 | Упорная втулка. Renegade Offshore & All 3-Blade (THRUST BUSHING. Renegade Offshore & All 3-Blade) | нет в наличии, поставок нет |
| 78 | 0126870 | (последний код) BUSHING,THRUST | нет в наличии, поставок нет |
| 79 | 0335510 | Переключающая тяга (SHIFT ROD) | нет в наличии, поставок нет |
| 80 | 0330263 | Винт, Редуктор, rear (SCREW, Gearcase, rear) | нет в наличии, поставок нет |
| 80 | 0914534 | (последний код) SCREW | нет в наличии, поставок нет |
| 81 | 0320570 | Проставка гайки гребного винта (SPACER, Propeller nut) | нет в наличии, поставок нет |
| 81 | 3852163 | (последний код) SPACER,PROP | нет в наличии, поставок нет |
| 82 | 0302325 | Винт, Крыльчатка Корпус, 1 дюйм (SCREW, Impeller housing, 1 in.) | нет в наличии, поставок нет |
| 83 | 0338601 | Пыльник, Водяной насос (GROMMET, Water pump) | 1 шт | 520 руб. |
| 84 | 0435959 | Крыльчатка Корпус, Редуктор (IMPELLER HOUSING, Gearcase) | нет в наличии, поставок нет |
| 85 | 0338636 | Гильза (SLEEVE) | нет в наличии, поставок нет |
| 86 | 0331188 | Уплотнительное кольцо, Cвыше to Корпус (O-RING, Cup to housing) | 5 шт | 370 руб. |
| 87 | 0338743 | Пластина трима, Редуктор (TRIM TAB, Gearcase) | 1 шт | 7970 руб. |
| 87 | 0333961 | (последний код) TAB-TRIM | 1 шт | 6110 руб. |
| 88 | 0320943 | Пыльник, Крыльчатка Корпус (GROMMET, Impeller housing) | 1 шт | 300 руб. |
| 89 | 0338486 | Cвыше, Крыльчатка. Stainless Steel (CUP, Impeller. Stainless Steel) | нет в наличии, поставок нет |
| 89 | 0338551 | Cвыше, Крыльчатка Корпус. хромированная пластина (CUP, Impeller housing. Chrome Plated) | нет в наличии, поставок нет |
| 90 | 0306643 | Винт, Крышка to Крыльчатка (SCREW, Cover to impeller) | нет в наличии, поставок нет |
| 90 | 3852066 | (последний код) SCREW | нет в наличии, поставок нет |
| 93 | 0 | Гребной винт. Refer to OMC Genuine Parts Гребной винт Chart (PROPELLER. Refer to OMC Genuine Parts Propeller Chart) | нет в наличии, поставок нет |
| 94 | 0313926 | Гильза, Втулка (SLEEVE, Bushing) | нет в наличии, поставок нет |
| 94 | 3850831 | (последний код) SLEEVE-PROP | нет в наличии, поставок нет |
| 95 | 0387157 | Втулка, Aluminum Гребной винт (BUSHING, Aluminum propeller) | нет в наличии, поставок нет |
| 95 | 0175401 | Втулка в сборе., S.S. Гребной винт (BUSHING ASSY., S.S. propeller) | нет в наличии, поставок нет |
| 96 | 0439141 | Комплект сальников редуктора (GEARCASE SEAL KIT) | нет в наличии, поставок нет |
| 96 | 5006373 | (последний код) KIT AY,SEAL-GC | нет в наличии, поставок нет |
| 97 | 0435929 | Ремкомплект водяного насоса (Includes Крыльчатка hous ng) (WATER PUMP REPAIR KIT (Includes impeller hous ng)) | нет в наличии, поставок нет |
| 97 | 5001595 | (последний код) KIT AY,WATER PUMP | нет в наличии, поставок нет |
| 98 | 0435526 | CHROME Cвыше & Пластина KIT. Опции (CHROME CUP & PLATE KIT. Optional) | нет в наличии, поставок нет |
| 98 | 0395059 | (последний код) CHROME PUMP KIT | нет в наличии, поставок нет |