вконтакте

Контактный телефон: +7 (981) 121-46-93, +7 (800) 200-90-76 , Email: parts-katalog@yandex.ru, где купить

 
 

  Логин:

Пароль:

Регистрация

www.partskatalog.ru Все каталоги Запчасти Mercury Запчасти Suzuki Запчасти Tohatsu Запчасти Honda Контакты


Все разделы каталога запчастей на этот двигатель

назад Раздел:   вперёд

вернуться к списку узлов и деталей

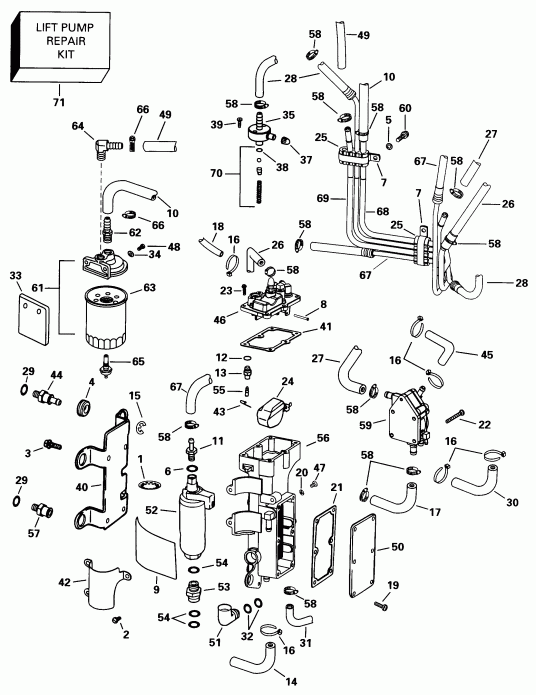
ДЕТАЛИРОВКА ДЛЯ МОДЕЛИ: EVINRUDE E150FSXECR 1998

FUEL COMPONENTS | FUEL COMPONENTS;


Подвесной двигатель Эвинруд E150FSXECR 1998  - el Components / el Components

Номер на
рисунке
АртикулНаименованиеКол-во
на складе
Цена
1 0330523

Стопорное кольцо, Топливный насос (RETAINING RING, Fuel pump)

нет в наличии, поставок нет
2 0333673

Винт зажима, Топливный насос (SCREW, Clamp, fuel pump)

нет в наличии, поставок нет
2 0332226

   (последний код) SCREW

нет в наличии, поставок нет
3 0328744

Винт, Кронштейн to Резервуар (SCREW, Bracket to reservoir)

нет в наличии, поставок нет
3 0308741

   (последний код) SCREW

нет в наличии, поставок нет
4 0329518

Пыльник, Кронштейн to Картер двигателя (GROMMET, Bracket to crankcase)

нет в наличии, поставок нет
4 3852195

   (последний код) GROMMET

нет в наличии, поставок нет
5 0328702

Шайба, Винт, Трубка & Шланг (WASHER, Screw, tube & hose)

нет в наличии, поставок нет
5 3852183

   (последний код) WASHER

нет в наличии, поставок нет
6 0324660

Уплотнительное кольцо, Fuel выход Ниппель to Помпа (O-RING, Fuel outlet nipple to pump)

нет в наличии, поставок нет
7 0344212

Струбцина, Пыльник, Топливопровод (CLAMP, Grommet, fuel lines)

нет в наличии, поставок нет
8 0344208

Крепление поплавка Штифт (FLOAT HINGE PIN)

нет в наличии, поставок нет
9 0343938

Гильза, Топливный насос (SLEEVE, Fuel pump)

нет в наличии, поставок нет
10 0

Шланг, Трубка to Фильтр вход, 12 1 / 2 дюйм (318 мм) сокращёная длина from P / N 125115 (HOSE, Tube to filter inlet, 12 1/2 in. (318 mm). Cut to Length from P/N 125115)

нет в наличии, поставок нет
11 0343934

Ниппель, Fuel выход (NIPPLE, Fuel outlet)

нет в наличии, поставок нет
12 0915882

Прокладка, Седло (GASKET, Seat)

нет в наличии, поставок нет
13 0344209

Седло, Поплавок иголка (SEAT, Float needle)

нет в наличии, поставок нет
14 0

Водяной шланг, Резервуар to tee, 40 дюйм (1016 мм) сокращёная длина from P / N 333341 (HOSE, Water, reservoir to tee,40 in. (1016mm). Cut to Length from P/N 333341)

нет в наличии, поставок нет
15 0510487

Стопорное кольцо, Fuel Кронштейн (RETAINING RING, Fuel bracket)

нет в наличии, поставок нет
16 0320107

Крепёжный хомут (TIE STRAP)

нет в наличии, поставок нет
16 5035626

   (последний код) BAND,REM CON

нет в наличии, поставок нет
17 0

Шланг, вход Трубка to lift Помпа, 10 дюйм (254 мм) сокращёная длина from P / N 125115 (HOSE, Inlet tube to lift pump, 10 in. (254mm). Cut to Length from P/N 125115)

нет в наличии, поставок нет
18 0

Шланг, Vapor sep. to port Впускной коллектор nipp e, 12 дюйм (305 мм) сокращёная длина from P / N 340848 (HOSE, Vapor sep. to port intake manifold nipp e, 12 in. (305mm). Cut to Length from P/N 340848)

нет в наличии, поставок нет
19 0915957

Винт, Water Крышка (SCREW, Water cover)

нет в наличии, поставок нет
20 0305739

Уплотнительное кольцо, Сливной винт (O-RING, Screw plug)

нет в наличии, поставок нет
20 0900224

   (последний код) O RING

нет в наличии, поставок нет
21 0343915

Прокладка, Water Крышка (GASKET, Water cover)

нет в наличии, поставок нет
22 0314417

Винт, Lift Помпа (SCREW, Lift pump)

нет в наличии, поставок нет
22 3852126

   (последний код) SCREW

нет в наличии, поставок нет
23 0915957

Винт, Крышка (SCREW, Cover)

нет в наличии, поставок нет
24 0915880

Поплавок (FLOAT)

нет в наличии, поставок нет
25 0344235

Пыльник, Топливные трубкиs (GROMMET, Fuel tubes)

нет в наличии, поставок нет
26 0344578

Шланг, Трубка to Пароотделитель (HOSE, Tube to vapor separator)

нет в наличии, поставок нет
26 0344232

   (последний код) HOSE

нет в наличии, поставок нет
27 0343942

Шланг, Lift Помпа выход to Трубка (HOSE, Lift pump outlet to tube)

нет в наличии, поставок нет
28 0439172

Трубка & Шланг в сборе., инжектор return to pressur Регулятор (TUBE & HOSE ASSY., Injector return to pressur regulator)

нет в наличии, поставок нет
29 0324660

Уплотнительное кольцо, Ниппель (O-RING, Nipple)

нет в наличии, поставок нет
30 0345613

Шланг, Pulse Ниппель to lift Помпа, нижний (HOSE, Pulse nipple to lift pump, lower)

нет в наличии, поставок нет
31 0333635

Водяной шланг, Блок цилиндра to Резервуар, вход (HOSE, Water, cylinder block to reservoir, inlet)

нет в наличии, поставок нет
32 0916017

Уплотнительное кольцо, Elbow (O-RING, Elbow)

нет в наличии, поставок нет
33 0343898

SHIELD, Топливный фильтр (SHIELD, Fuel filter)

нет в наличии, поставок нет
34 0328701

Шайба, Винт, Топливный фильтр (WASHER, Screw, fuel filter)

нет в наличии, поставок нет
34 3852182

   (последний код) WASHER,LOCK

нет в наличии, поставок нет
35 0439893

Ниппель в сборе. (NIPPLE ASSY.)

нет в наличии, поставок нет
35 0439579

   (последний код) NIPPLE AY,PRESSURE

нет в наличии, поставок нет
37 0126341

Колпачок, Клапан (CAP, Valve)

нет в наличии, поставок нет
38 0335230

Уплотнительное кольцо (O-RING)

нет в наличии, поставок нет
39 0915982

Винт, Регулятор Ниппель to Крышка (SCREW, Regulator nipple to cover)

нет в наличии, поставок нет
39 3853620

   (последний код) SCREW

нет в наличии, поставок нет
40 0343926

Кронштейн отделителя паров топлива (BRACKET, Vapor separator)

нет в наличии, поставок нет
41 0343918

Прокладка, Пароотделитель Крышка (GASKET, Vapor separator cover)

нет в наличии, поставок нет
42 0343935

Струбцина, Топливный насос (CLAMP, Fuel pump)

нет в наличии, поставок нет
43 0915884

Зажим, иголка to Поплавок (CLIP, Needle to float)

нет в наличии, поставок нет
44 0343903

Ниппель, Крепление, pulse Шланг & fuel Кронштейн, port (NIPPLE,Mount, pulse hose & fuel bracket, port)

нет в наличии, поставок нет
45 0334131

Шланг, Port, pulse Ниппель to lift Помпа, верхний (HOSE, Port, pulse nipple to lift pump, upper)

нет в наличии, поставок нет
46 0439572

Крышка в сборе, Пароотделитель (COVER ASSY., Vapor separator)

нет в наличии, поставок нет
46 0439136

   (последний код) COVER AY,VAPOR SEP

нет в наличии, поставок нет
47 0327116

Винт заглушки, fuel Резервуар (SCREW, Plug, fuel reservoir)

нет в наличии, поставок нет
48 0328744

Винт, Топливный фильтр to Кронштейн (SCREW, Fuel filter to bracket)

нет в наличии, поставок нет
48 0308741

   (последний код) SCREW

нет в наличии, поставок нет
49 0343946

Шланг, Фильтр выход to Трубка (HOSE, Filter outlet to tube)

нет в наличии, поставок нет
50 0343914

Крышка, Water chamber (COVER, Water chamber)

нет в наличии, поставок нет
51 0343909

ELBOW, Fuel Резервуар (ELBOW, Fuel reservoir)

нет в наличии, поставок нет
52 5000334

Топливный насос, High pressure (FUEL PUMP, High pressure)

нет в наличии, поставок нет
52 0439195

   (последний код) FUEL PUMP&SEAL AY

нет в наличии, поставок нет
53 5000336

Ниппель & Уплотнительное кольцо KIT, Топливный насос (NIPPLE & O-RING KIT, Fuel pump)

нет в наличии, поставок нет
53 0343908

   (последний код) FITTING

нет в наличии, поставок нет
54 0916017

Уплотнительное кольцо, Ниппель (O-RING, Nipple)

нет в наличии, поставок нет
55 0915883

иголка, Поплавок (NEEDLE, Float)

нет в наличии, поставок нет
55 3853578

   (последний код) NEEDLE

нет в наличии, поставок нет
56 0438934

FUEL Резервуар (FUEL RESERVOIR)

нет в наличии, поставок нет
57 0343904

Ниппель, Крепление, starboard (NIPPLE, Mount, starboard)

нет в наличии, поставок нет
58 0343765

Струбцина (CLAMP)

нет в наличии, поставок нет
59 0439849

LIFT Помпа в сборе. (LIFT PUMP ASSY.)

нет в наличии, поставок нет
59 0439589

   (последний код) PUMP AY,LIFT-FUEL

нет в наличии, поставок нет
60 0335200

Винт, Трубка & Шланг (SCREW, Tube & hose)

нет в наличии, поставок нет
60 3852212

   (последний код) SCREW

нет в наличии, поставок нет
61 0438622

Топливный фильтр в сборе. (FUEL FILTER ASSY.)

нет в наличии, поставок нет
62 0123200

Ниппель (NIPPLE)

нет в наличии, поставок нет
63 0438645

Фильтр (FILTER)

нет в наличии, поставок нет
64 0915946

ELBOW (ELBOW)

нет в наличии, поставок нет
64 3853598

   (последний код) ELBOW

нет в наличии, поставок нет
65 0438644

Датчик в сборе. (SENSOR ASSY.)

нет в наличии, поставок нет
66 0343765

Струбцина фильтра вход & выход (CLAMP, Filter inlet & outlet)

нет в наличии, поставок нет
67 0439171

Трубка & Шланг в сборе., Топливный насос to инжекторs (TUBE & HOSE ASSY., Fuel pump to injectors)

нет в наличии, поставок нет
68 0344238

Трубка, Lift Помпа to Фильтр, вход (TUBE, Lift pump to filter, inlet)

нет в наличии, поставок нет
69 0344239

Трубка, Фильтр выход to vapor sep. (TUBE, Filter outlet to vapor sep.)

нет в наличии, поставок нет
70 0438816

Ремонтный комплект, Fuel pressure Регулятор (Includes #38) (REPAIR KIT, Fuel pressure regulator (Includes #38))

нет в наличии, поставок нет
71 0438815

LIFT Помпа Ремонтный комплект (Use with Помпа, P / N 4395 9) (LIFT PUMP REPAIR KIT (Use with pump, P/N 4395 9))

нет в наличии, поставок нет
71 0439849

   (последний код) PUMP AY,LIFT FUEL

нет в наличии, поставок нет
71 0439881

LIFT Помпа Ремонтный комплект (Use with Помпа, P / N 4398 9) (LIFT PUMP REPAIR KIT (Use with pump, P/N 4398 9))

нет в наличии, поставок нет
evinrude

Время выполнения запроса 3.1955819129944 сек.


 
 

данный сайт носит информационный характер и не является публичной офертой

склад запчастей для водомоторной техники