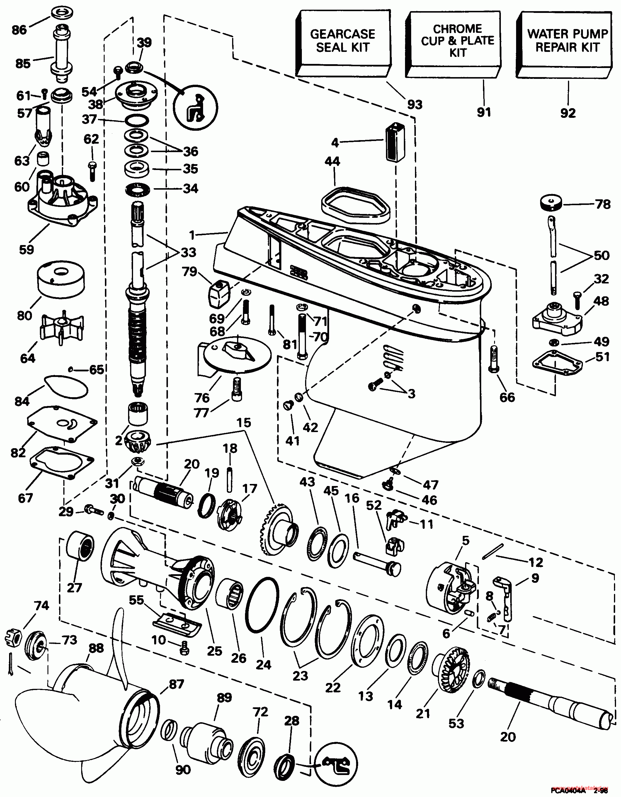
Номер на рисунке | Артикул | Наименование | Кол-во на складе | Цена |
| 0432624 | 0432624 | Редуктор в сборе.. Not Shown (GEARCASE ASSY.. Not Shown) | нет в наличии, поставок нет |
| 0432623 | 0432623 | Редуктор в сборе.. Not Shown WMY Model Only (GEARCASE ASSY.. Not Shown WMY Model Only) | нет в наличии, поставок нет |
| 1 | 0437031 | Редуктор в сборе с подшипником. (GEARCASE & BEARING ASSY.) | нет в наличии, поставок нет |
| 1 | 5005458 | (последний код) GEARCASE&BRG AY | нет в наличии, поставок нет |
| 2 | 0382343 | Подшипник, Шестерня (BEARING, Pinion) | нет в наличии, поставок нет |
| 3 | 0324852 | Установочный винт, Подшипник (SET SCREW, Bearing) | нет в наличии, поставок нет |
| 0332584 | 0332584 | Сальник. Not Shown (SEAL. Not Shown) | нет в наличии, поставок нет |
| 4 | 0314175 | Водяной экран Система впуска (SCREEN, Water intake) | нет в наличии, поставок нет |
| 5 | 0391365 | Подшипник Корпус в сборе. (BEARING HOUSING ASSY.) | нет в наличии, поставок нет |
| 5 | 0984096 | (последний код) BEARING HOUSING | нет в наличии, поставок нет |
| 6 | 0331880 | Штифт, Корпус to Редуктор (PIN, Housing to gearcase) | нет в наличии, поставок нет |
| 7 | 0911961 | Фиксатор пружины (SPRING, Detent) | нет в наличии, поставок нет |
| 8 | 0327345 | Шарик, Detent (BALL, Detent) | нет в наличии, поставок нет |
| 9 | 0326670 | DETENT, Переключательer (DETENT, Shifter) | нет в наличии, поставок нет |
| 10 | 0908158 | Винт, Анод (SCREW, Anode) | нет в наличии, поставок нет |
| 10 | 3852050 | (последний код) SCREW | нет в наличии, поставок нет |
| 11 | 0324037 | Рычаг переключателя (LEVER, Shift) | 8 шт | 3700 руб. |
| 12 | 0320145 | Штифт рычага to Корпус (PIN, Lever to housing) | нет в наличии, поставок нет |
| 12 | 0323945 | (последний код) PIN-SHIFTER | нет в наличии, поставок нет |
| 13 | 0313447 | Упорная шайба, Reverse (THRUST WASHER, Reverse) | нет в наличии, поставок нет |
| 14 | 0382408 | THRUST Подшипник, Reverse (THRUST BEARING, Reverse) | нет в наличии, поставок нет |
| 15 | 0397338 | Шестерня и Комплект шестерёнок. (GEAR AND PINION ASSY.) | нет в наличии, поставок нет |
| 15 | 0389964 | (последний код) GEAR-PINION | нет в наличии, поставок нет |
| 16 | 0326668 | Переключающий валer (SHAFT, Shifter) | нет в наличии, поставок нет |
| 17 | 0318303 | Переключатель собачки сцепления (SHIFTER, Clutch dog) | нет в наличии, поставок нет |
| 18 | 0313448 | Штифт сцепления dog (PIN, Clutch dog) | нет в наличии, поставок нет |
| 19 | 0324369 | Пружина, Сцепление dog Штифт (SPRING, Clutch dog pin) | нет в наличии, поставок нет |
| 19 | 0313454 | (последний код) SPRING | нет в наличии, поставок нет |
| 20 | 0439131 | Вал гребного винта в сборе. (PROPELLER SHAFT ASSY.) | нет в наличии, поставок нет |
| 21 | 0318304 | Шестерня обратного хода (GEAR, Reverse) | нет в наличии, поставок нет |
| 22 | 0313453 | Фиксатор Пластина, Подшипник Корпус (RETAINER PLATE, Bearing housing) | нет в наличии, поставок нет |
| 23 | 0313445 | Стопорное кольцо (RETAINING RING) | нет в наличии, поставок нет |
| 24 | 0313446 | Уплотнительное кольцо, Подшипник Корпус (O-RING, Bearing housing) | нет в наличии, поставок нет |
| 25 | 0434391 | Подшипник Корпус в сборе. (BEARING HOUSING ASSY.) | нет в наличии, поставок нет |
| 25 | 0397188 | (последний код) BRG-HSG ASSY | нет в наличии, поставок нет |
| 26 | 0382407 | Игольчатый подшипник в сборе. (NEEDLE BEARING ASSY.) | 1 шт | 5500 руб. |
| 27 | 0379504 | Игольчатый подшипник в сборе. (NEEDLE BEARING ASSY.) | нет в наличии, поставок нет |
| 28 | 0342787 | Сальник (SEAL) | нет в наличии, поставок нет |
| 29 | 0320041 | Винт, Корпус to Редуктор (SCREW, Housing to gearcase) | нет в наличии, поставок нет |
| 29 | 0316564 | (последний код) SCREW BRG HSG | нет в наличии, поставок нет |
| 30 | 0332584 | Сальник (SEAL) | нет в наличии, поставок нет |
| 31 | 0313339 | Гайка, Шестерня to driveВал (NUT, Pinion to driveshaft) | нет в наличии, поставок нет |
| 32 | 0302325 | Винт, Крышка to Редуктор (SCREW, Cover to gearcase) | нет в наличии, поставок нет |
| 33 | 0437376 | Приводной вал. (DRIVESHAFT ASSY.) | нет в наличии, поставок нет |
| 33 | 0436763 | (последний код) DRIVESHAFT-A | нет в наличии, поставок нет |
| 33 | 0437377 | Приводной вал.. WMY Model Only (DRIVESHAFT ASSY.. WMY Model Only) | нет в наличии, поставок нет |
| 33 | 0436764 | (последний код) DRIVESHAFT-A | нет в наличии, поставок нет |
| 34 | 0385068 | THRUST Подшипник в сборе. (THRUST BEARING ASSY.) | 1 шт | 7500 руб. |
| 35 | 0317230 | Упорная шайба (THRUST WASHER) | нет в наличии, поставок нет |
| 36 | 0323889 | Регулировочная шайба, 0.003 дюйм (0, 07 мм) (SHIM, 0.003 in. (0,07mm)) | нет в наличии, поставок нет |
| 36 | 0323890 | Регулировочная шайба, 0.004 дюйм (0, 10 мм) (SHIM, 0.004 in. (0,10mm)) | нет в наличии, поставок нет |
| 36 | 0317232 | Регулировочная шайба, 0.005 дюйм (0, 12 мм) (SHIM, 0.005 in. (0,12mm)) | нет в наличии, поставок нет |
| 37 | 0313754 | Уплотнительное кольцо, Подшипник Корпус (O-RING, Bearing housing) | нет в наличии, поставок нет |
| 38 | 0385087 | Подшипник Корпус в сборе. (BEARING HOUSING ASSY.) | нет в наличии, поставок нет |
| 39 | 0342786 | Сальник (SEAL) | нет в наличии, поставок нет |
| 41 | 0307551 | Заглушка, Fill & drain, верхний (PLUG, Fill & drain, upper) | нет в наличии, поставок нет |
| 41 | 0982851 | (последний код) SCREW-PLUG | нет в наличии, поставок нет |
| 42 | 0311598 | Шайба (WASHER) | нет в наличии, поставок нет |
| 42 | 3852105 | (последний код) WASHER | нет в наличии, поставок нет |
| 43 | 0385043 | THRUST Подшипник, дляward (THRUST BEARING, Forward) | нет в наличии, поставок нет |
| 43 | 3852221 | (последний код) BEARING-AY,T | нет в наличии, поставок нет |
| 44 | 0324937 | Сальник, Gcase to inner exh. hsg. (SEAL, Gcase to inner exh. hsg.) | нет в наличии, поставок нет |
| 44 | 0313656 | (последний код) SEAL | нет в наличии, поставок нет |
| 45 | 0324766 | Упорная шайба, дляward (THRUST WASHER, Forward) | нет в наличии, поставок нет |
| 46 | 0318544 | Заглушка, Fill & drain, нижний (PLUG, Fill & drain, lower) | нет в наличии, поставок нет |
| 46 | 0912624 | (последний код) SCREW | нет в наличии, поставок нет |
| 47 | 0311598 | Шайба (WASHER) | нет в наличии, поставок нет |
| 47 | 3852105 | (последний код) WASHER | нет в наличии, поставок нет |
| 48 | 0388651 | Крышка в сборе (COVER ASSY.) | нет в наличии, поставок нет |
| 49 | 0318372 | Уплотнительное кольцо, Переключающая тяга (O-RING, Shift rod) | нет в наличии, поставок нет |
| 50 | 0327337 | Переключающая тяга (SHIFT ROD) | нет в наличии, поставок нет |
| 50 | 0330206 | Переключающая тяга. WMY Model Only (SHIFT ROD. WMY Model Only) | нет в наличии, поставок нет |
| 51 | 0314082 | Прокладка крышки to Редуктор (GASKET, Cover to gearcase) | 12 шт | 650 руб. |
| 51 | 0320312 | (последний код) GASKET | нет в наличии, поставок нет |
| 52 | 0334163 | CRADLE, Переключательer (CRADLE, Shifter) | 5 шт | 1880 руб. |
| 52 | 0322900 | (последний код) CRADLE-SHIFT | нет в наличии, поставок нет |
| 53 | 0316484 | Упорная шайба, Переключательer dog rev. (THRUST WASHER, Shifter dog rev.) | нет в наличии, поставок нет |
| 54 | 0909386 | Винт, Корпус to Редуктор (SCREW, Housing to gearcase) | нет в наличии, поставок нет |
| 55 | 0431708 | Анод, Подшипник Корпус (ANODE, Bearing housing) | нет в наличии, поставок нет |
| 55 | 0397111 | (последний код) ANODE-AY | нет в наличии, поставок нет |
| 57 | 0341732 | Пыльник, Корпус (GROMMET, Housing) | 1 шт | 160 руб. |
| 57 | 0315748 | (последний код) GROMMET | нет в наличии, поставок нет |
| 59 | 0438543 | Крыльчатка Корпус (IMPELLER HOUSING) | нет в наличии, поставок нет |
| 59 | 0436813 | (последний код) HSG AY,IMPELLER | нет в наличии, поставок нет |
| 60 | 0314008 | Пыльник водяной трубки (GROMMET, Water tube) | нет в наличии, поставок нет |
| 61 | 0908158 | Винт направляющей to Корпус (SCREW, Guide to housing) | нет в наличии, поставок нет |
| 61 | 3852050 | (последний код) SCREW | нет в наличии, поставок нет |
| 62 | 0302325 | Винт, Крыльчатка Корпус (SCREW, Impeller housing) | нет в наличии, поставок нет |
| 63 | 0319276 | Направляющая трубки водяного насоса (GUIDE, Water tube) | нет в наличии, поставок нет |
| 64 | 0396725 | Крыльчатка & Ключ в сборе. (IMPELLER & KEY ASSY.) | нет в наличии, поставок нет |
| 64 | 0437080 | (последний код) IMPELLER&KEY | нет в наличии, поставок нет |
| 65 | 0334897 | CAM, Крыльчатка to driveВал (CAM, Impeller to driveshaft) | нет в наличии, поставок нет |
| 66 | 0308843 | Винт, Редуктор to hsg., 20 дюйм models (SCREW, Gearcase to hsg., 20 in. models) | нет в наличии, поставок нет |
| 67 | 0336530 | Прокладка крыльчатки Пластина (GASKET, Impeller plate) | нет в наличии, поставок нет |
| 68 | 0306503 | Винт, Short, 20 дюйм transom models (SCREW, Short, 20 in. transom models) | нет в наличии, поставок нет |
| 68 | 0316533 | (последний код) SCREW | нет в наличии, поставок нет |
| 68 | 0328561 | Винт, Short, 22.5 дюйм transom models (SCREW, Short, 22.5 in. transom models) | нет в наличии, поставок нет |
| 69 | 0306470 | Шайба с блокировкой, Short Винт (LOCK WASHER, Short screw) | нет в наличии, поставок нет |
| 69 | 3852061 | (последний код) LOCKWASHER | нет в наличии, поставок нет |
| 70 | 0313697 | Винт, Long, 20 дюйм models (SCREW, Long, 20 in. models) | нет в наличии, поставок нет |
| 70 | 0312697 | (последний код) SCREW | нет в наличии, поставок нет |
| 70 | 0329022 | Винт, Long. WMY Model Only (SCREW, Long. WMY Model Only) | нет в наличии, поставок нет |
| 71 | 0306314 | Шайба с блокировкой, Long Винт (LOCK WASHER, Long screw) | нет в наличии, поставок нет |
| 72 | 0127084 | Упорная втулка в сборе. (THRUST BUSHING ASSY.) | нет в наличии, поставок нет |
| 72 | 0384574 | (последний код) BUSHING | нет в наличии, поставок нет |
| 73 | 0315810 | Проставка гайки гребного винта (SPACER, Propeller nut) | нет в наличии, поставок нет |
| 74 | 0314503 | Гайка гребного винта (NUT, Propeller) | нет в наличии, поставок нет |
| 75 | 0314502 | Шплинт, Гайка гребного винта (COTTER PIN, Propeller nut) | нет в наличии, поставок нет |
| 76 | 0127466 | Пластина трима, Редуктор (TRIM TAB, Gearcase) | нет в наличии, поставок нет |
| 76 | 0337348 | (последний код) TAB,TRIM | нет в наличии, поставок нет |
| 77 | 0313715 | Винт, Пластина трима (SCREW, Trim tab) | нет в наличии, поставок нет |
| 78 | 0321452 | Пыльник (GROMMET) | нет в наличии, поставок нет |
| 78 | 0318249 | (последний код) GROMMET | нет в наличии, поставок нет |
| 79 | 0436745 | Анод (ANODE) | нет в наличии, поставок нет |
| 79 | 0393023 | (последний код) ANODE&INSERT AY | нет в наличии, поставок нет |
| 80 | 0340619 | Cвыше, Крыльчатка Корпус (CUP, Impeller housing) | нет в наличии, поставок нет |
| 80 | 0341186 | Cвыше, Chrome. Contents of Хромированный ремкомплект водяного насоса (CUP, Chrome. Contents of Chrome Pump Kit) | нет в наличии, поставок нет |
| 81 | 0328096 | Винт, Анод (SCREW, Anode) | нет в наличии, поставок нет |
| 81 | 0327046 | (последний код) SCREW | нет в наличии, поставок нет |
| 82 | 0341038 | Пластина корпуса крыльчатки (PLATE, Impeller housing) | нет в наличии, поставок нет |
| 82 | 0336251 | (последний код) PLATE | нет в наличии, поставок нет |
| 82 | 0341187 | Пластина, Chrome. Contents of Хромированный ремкомплект водяного насоса (PLATE, Chrome. Contents of Chrome Pump Kit) | нет в наличии, поставок нет |
| 82 | 0336723 | (последний код) PLATE,IMPELLER | нет в наличии, поставок нет |
| 84 | 0324981 | Сальник, Крыльчатка Корпус. Also included in kit 396349 (SEAL, Impeller housing. Also included in kit 396349) | нет в наличии, поставок нет |
| 85 | 0330205 | Проставка, Крыльчатка Корпус. WMY Model Only (SPACER, Impeller housing. WMY Model Only) | нет в наличии, поставок нет |
| 86 | 0329171 | Сальник, Проставка to Удлинитель корпуса. WMY Model Only (SEAL, Spacer to exhaust housing. WMY Model Only) | нет в наличии, поставок нет |
| 86 | 0330204 | (последний код) SEAL | нет в наличии, поставок нет |
| 87 | 0383160 | Гребной винт, 14 x 9 (PROPELLER, 14 x 9) | нет в наличии, поставок нет |
| 87 | 0763300 | (последний код) PROP AL,14 X 9 | нет в наличии, поставок нет |
| 87 | 0382761 | Гребной винт, 14 x 11 (PROPELLER, 14 x 11) | нет в наличии, поставок нет |
| 87 | 0391668 | Гребной винт, 14 x 13 (PROPELLER, 14 x 13) | нет в наличии, поставок нет |
| 87 | 0765181 | (последний код) PROP,AL 13.75X13 | нет в наличии, поставок нет |
| 87 | 0391198 | Гребной винт, 13 3 / 4 x 15 (PROPELLER, 13 3/4 x 15) | нет в наличии, поставок нет |
| 87 | 0765182 | (последний код) PROP AY,AL 13.5X15 | нет в наличии, поставок нет |
| 87 | 0391199 | Гребной винт, 13 1 / 4 x 17 (PROPELLER, 13 1/4 x 17) | нет в наличии, поставок нет |
| 87 | 0765183 | (последний код) PROP,AL 13.25X17 | нет в наличии, поставок нет |
| 87 | 0390896 | Гребной винт, 13 x 19 (PROPELLER, 13 x 19) | нет в наличии, поставок нет |
| 87 | 0765184 | (последний код) PROP AY,AL 13.2X19 | нет в наличии, поставок нет |
| 87 | 0389788 | Гребной винт, 12 3 / 4 x 21 (PROPELLER, 12 3/4 x 21) | нет в наличии, поставок нет |
| 87 | 0765185 | (последний код) PROP AY,AL 13.2X21 | нет в наличии, поставок нет |
| 87 | 0392261 | Гребной винт, 13 3 / 4 x 13 - SST (PROPELLER, 13 3/4 x 13 - SST) | нет в наличии, поставок нет |
| 87 | 0389948 | Гребной винт, 13 3 / 4 x 17 - SST (PROPELLER, 13 3/4 x 17 - SST) | нет в наличии, поставок нет |
| 87 | 0176572 | (последний код) SST V4 13.88X17 | нет в наличии, поставок нет |
| 87 | 0389510 | Гребной винт, 13 x 19 - SST (PROPELLER, 13 x 19 - SST) | нет в наличии, поставок нет |
| 87 | 0763931 | (последний код) VIPERV4 13.875X19 | нет в наличии, поставок нет |
| 87 | 0389512 | Гребной винт, 12 3 / 4 x 21 - SST (PROPELLER, 12 3/4 x 21 - SST) | нет в наличии, поставок нет |
| 87 | 0384702 | (последний код) SST-V4-21" | нет в наличии, поставок нет |
| 87 | 0389792 | Гребной винт, 13 3 / 4 x 11 - SST (PROPELLER, 13 3/4 x 11 - SST) | нет в наличии, поставок нет |
| 87 | 0390115 | (последний код) SST-50HP-RED | нет в наличии, поставок нет |
| 87 | 0389949 | Гребной винт, 13 3 / 4 x 15 - SST (PROPELLER, 13 3/4 x 15 - SST) | нет в наличии, поставок нет |
| 87 | 0763929 | (последний код) VIPER V413.875X15 | нет в наличии, поставок нет |
| 88 | 0332393 | CONVERGING Кольцо (CONVERGING RING) | нет в наличии, поставок нет |
| 88 | 0325996 | (последний код) CONVERGING RING | нет в наличии, поставок нет |
| 89 | 0384977 | PROP. Втулка в сборе. (PROP. BUSHING ASSY.) | нет в наличии, поставок нет |
| 90 | 0313926 | Гильза, Втулка (SLEEVE, Bushing) | нет в наличии, поставок нет |
| 90 | 3850831 | (последний код) SLEEVE-PROP | нет в наличии, поставок нет |
| 91 | 0389145 | CHROME Cвыше & Пластина KIT (CHROME CUP & PLATE KIT) | нет в наличии, поставок нет |
| 92 | 0432955 | Ремкомплект водяного насоса, (Includes Крыльчатка hou ing) (WATER PUMP REPAIR KIT, (Includes impeller hou ing)) | нет в наличии, поставок нет |
| 92 | 0438591 | (последний код) KIT ASSY, WATER PUMP | нет в наличии, поставок нет |
| 93 | 0396349 | Комплект сальников редуктора (GEARCASE SEAL KIT) | нет в наличии, поставок нет |
| 93 | 5000309 | (последний код) KIT AY,SEAL-GRC | нет в наличии, поставок нет |