вконтакте

Контактный телефон: +7 (981) 121-46-93, +7 (800) 200-90-76 , Email: parts-katalog@yandex.ru, где купить

 
 

  Логин:

Пароль:

Регистрация

www.partskatalog.ru Все каталоги Запчасти Mercury Запчасти Suzuki Запчасти Tohatsu Запчасти Honda Контакты



УВАЖАЕМЫЕ КЛИЕНТЫ!
C 19 ДЕКАБРЯ 2025 ПО 02 МАРТА 2026 ГОДА ОТДЕЛ ЗАПЧАСТЕЙ И СЕРВИС РАБОТАТЬ НЕ БУДУТ
ПРОДАЖА ЛОДОЧНЫХ МОТОРОВ В ШТАТНОМ РЕЖИМЕ
ОБ ИЗМЕНЕНИЯХ В ГРАФИКЕ РАБОТЫ ЧИТАЙТЕ НА САЙТА




Все разделы каталога запчастей на этот двигатель

назад Раздел:   вперёд

вернуться к списку узлов и деталей

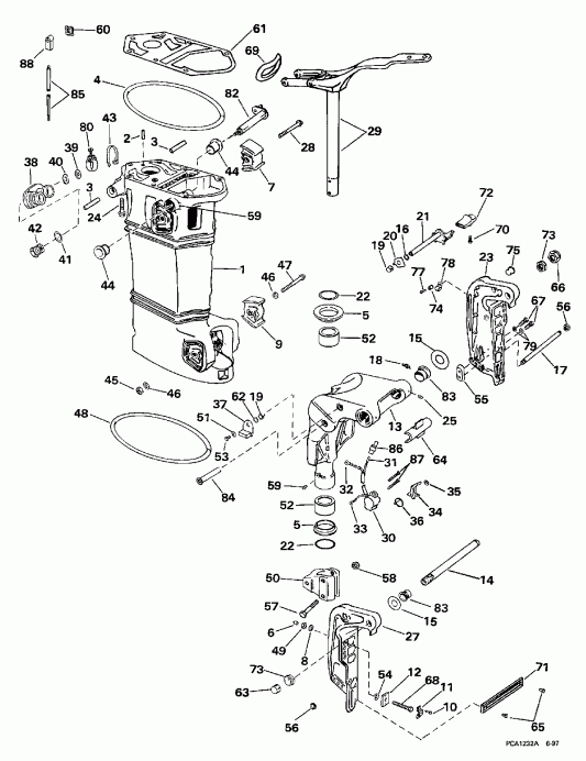
ДЕТАЛИРОВКА ДЛЯ МОДЕЛИ: EVINRUDE E25QLECA 1998

MIDSECTION -- МЕХАНИЗИРОВАННЫЙ ДИФФЕРЕНТ НАКЛОНА | MIDSECTION -- POWER TRIM & TILT;


Лодочный мотор Эвинруд E25QLECA 1998  - Механизированный дифферент наклона -  Power Trim & Tilt

Номер на
рисунке
АртикулНаименованиеКол-во
на складе
Цена
1 0436133

Удлинитель корпуса (EXHAUST HOUSING)

нет в наличии, поставок нет
2 0325762

ROLL Штифт, Прокладка locating (ROLL PIN, Gasket locating)

нет в наличии, поставок нет
3 0332406

Штифт, нижний pan Крепление (PIN, Lower pan mount)

нет в наличии, поставок нет
4 0339390

Сальник, Удлинитель корпуса, верхний (SEAL, Exhaust housing, upper)

нет в наличии, поставок нет
5 0330137

Сальник, верх и низ (SEAL, Upper & lower)

17 шт3700 руб.
5 0321668

   (последний код) SEAL-CRNKSHF

нет в наличии, поставок нет
5 T-0330137

   (не оригинальный аналог) Сальник редуктора OMC/Johnson/Evinrude 0330137

под заказ штпо запросу
6 0318572

Колпачок, Кронштейн Винт (CAP, Bracket screw)

нет в наличии, поставок нет
7 0438299

Верхнее крепление (MOUNT, Upper)

нет в наличии, поставок нет
8 0320248

Шайба, Кронштейн Винт (WASHER, Bracket screw)

нет в наличии, поставок нет
8 0312910

   (последний код) WASHER

нет в наличии, поставок нет
9 0436039

Крепление нижнее (MOUNT, Lower)

нет в наличии, поставок нет
10 0319886

Винт фиксатора пластины (SCREW, Retainer plate)

нет в наличии, поставок нет
11 0318273

Фиксатор, Кронштейн Винт (RETAINER, Bracket screw)

нет в наличии, поставок нет
12 0318272

Пластина, Кронштейн транца to transom (PLATE, Stern bracket to transom)

нет в наличии, поставок нет
13 0340011

Поворотный кронштейн (SWIVEL BRACKET)

нет в наличии, поставок нет
14 0321511

Трубка, Tilt (TUBE, Tilt)

нет в наличии, поставок нет
14 0351896

   (последний код) TUBE, TILT SST

нет в наличии, поставок нет
15 0317782

Упорная шайба, Кронштейн транца (THRUST WASHER, Stern bracket)

нет в наличии, поставок нет
15 0320608

   (последний код) WASHER

нет в наличии, поставок нет
16 0321863

Шайба, Рычаг наклона (WASHER, Tilt lever)

нет в наличии, поставок нет
17 0332447

TILT Штифт (TILT PIN)

нет в наличии, поставок нет
18 0334259

Зажим (CLIP)

нет в наличии, поставок нет
19 0315081

Втулка, Рычаг to Кронштейн (BUSHING, Lever to bracket)

нет в наличии, поставок нет
20 0333765

Пружина рычага наклона (SPRING, Tilt lever)

нет в наличии, поставок нет
21 0398875

Рычаг & Вал (LEVER & SHAFT)

нет в наличии, поставок нет
22 0318295

THRUST Опорная шайба, верх и низ (THRUST WASHER, Pivot, upper & lower)

нет в наличии, поставок нет
23 0344104

Кронштейн транца, Port (STERN BRACKET, Port)

нет в наличии, поставок нет
23 0333622

   (последний код) STERN-BRKT

нет в наличии, поставок нет
24 0337378

Винт, Удлинитель корпуса to Цилиндр & Картер двигателя , M8 (SCREW,Exhaust housing to cylinder & crankcase , M8)

нет в наличии, поставок нет
25 0313607

LUBE FITTING (LUBE FITTING)

нет в наличии, поставок нет
25 3852121

   (последний код) FITTING,LUB

нет в наличии, поставок нет
27 0333624

Кронштейн транца, Stbd. (STERN BRACKET, Stbd.)

нет в наличии, поставок нет
28 0343168

Винт, верхний Крепление to Рулевая система Рычаг, M10 (SCREW, Upper mount to steering arm, M10)

нет в наличии, поставок нет
29 0438298

Рычаг & Вал в сборе. (ARM & SHAFT ASSY.)

нет в наличии, поставок нет
30 0586083

SENDING UNIT (SENDING UNIT)

нет в наличии, поставок нет
31 0581656

Клемма, Socket (TERMINAL, Socket)

нет в наличии, поставок нет
31 3852257

   (последний код) TERMINAL AY,SCKT

нет в наличии, поставок нет
32 0510818

Клемма, Кольцо, 250 (TERMINAL, Ring, .250)

нет в наличии, поставок нет
32 3854243

   (последний код) TERMINAL,RIN

нет в наличии, поставок нет
33 0513323

Клемма, Кольцо, #10 (TERMINAL, Ring, #10)

нет в наличии, поставок нет
34 0342967

Рычаг (ARM)

нет в наличии, поставок нет
35 0511527

Фиксатор (RETAINER)

нет в наличии, поставок нет
35 3852232

   (последний код) RETAINER

нет в наличии, поставок нет
36 0334885

Пружина (SPRING)

нет в наличии, поставок нет
37 0432293

Рычаг в сборе., Trail lock (LEVER ASSY., Trail lock)

нет в наличии, поставок нет
37 0333944

   (последний код) LEVER

нет в наличии, поставок нет
38 0436223

Пыльник, Выхлоп relief (GROMMET, Exhaust relief)

нет в наличии, поставок нет
39 0335530

Язычковый клапан (REED VALVE)

нет в наличии, поставок нет
40 0304376

Шайба (WASHER)

нет в наличии, поставок нет
41 0301967

Уплотнительное кольцо, Overboard Индикатор (O-RING, Overboard indicator)

нет в наличии, поставок нет
42 0436857

Заглушка & NOZZLE в сборе. (PLUG & NOZZLE ASSY.)

нет в наличии, поставок нет
42 0336217

   (последний код) NOZZLE,OVBD DRAIN

нет в наличии, поставок нет
43 0320107

Крепёжный хомут (TIE STRAP)

нет в наличии, поставок нет
43 5035626

   (последний код) BAND,REM CON

нет в наличии, поставок нет
44 0340923

Втулка, Переключающий вал (BUSHING, Shift shaft)

нет в наличии, поставок нет
45 0338935

Гайка, нижний Крепление Винт, M8 (NUT, Lower mount screw, M8)

нет в наличии, поставок нет
46 0341053

Шайба, нижний Крепление Винт, M8 (WASHER, Lower mount screw, M8)

нет в наличии, поставок нет
47 0339741

Винт, нижний Крепление, M8 (SCREW, Lower mount, M8)

нет в наличии, поставок нет
48 0340800

Удлинитель корпуса Сальник, нижний (EXHAUST HOUSING SEAL, Lower)

нет в наличии, поставок нет
49 0313623

Гайка, Креплениеing Винт (NUT, Mounting screw)

нет в наличии, поставок нет
49 0321861

   (последний код) NUT

нет в наличии, поставок нет
50 0339657

Нижний кронштейн Крепление (BRACKET, Lower mount)

нет в наличии, поставок нет
51 0304051

Шайба, Trail lock (WASHER, Trail lock)

нет в наличии, поставок нет
51 0328703

   (последний код) WASHER

нет в наличии, поставок нет
52 0339489

Втулка (BUSHING)

нет в наличии, поставок нет
52 0342914

   (последний код) BUSHING

нет в наличии, поставок нет
53 0339824

Винт, Trail lock (SCREW, Trail lock)

нет в наличии, поставок нет
54 0307238

Монтажная шайба Винт (WASHER, Mounting screw)

нет в наличии, поставок нет
55 0173029

Анод (ANODE)

нет в наличии, поставок нет
55 0123009

   (последний код) ANODE

нет в наличии, поставок нет
56 0122890

Гайка, Tilt Штифт (NUT, Tilt pin)

нет в наличии, поставок нет
57 0339388

Винт, Кронштейн to Стержень Вал, M8 (SCREW, Bracket to pivot shaft, M8)

нет в наличии, поставок нет
58 0338935

LOCKГайка, Монтажный кронштейн Винт, M8 (LOCKNUT, Mount bracket screw, M8)

нет в наличии, поставок нет
59 0313607

LUBRICATION FITTING (LUBRICATION FITTING)

нет в наличии, поставок нет
59 3852121

   (последний код) FITTING,LUB

нет в наличии, поставок нет
60 0338630

Зажим, Переключающая тяга Коннектор (CLIP, Shift rod connector)

нет в наличии, поставок нет
61 0339331

Прокладка, Powerhead Основание (GASKET, Powerhead base)

нет в наличии, поставок нет
62 0314390

Шайба, Trail lock, nylon (WASHER, Trail lock, nylon)

нет в наличии, поставок нет
63 0317894

Колпачок (CAP)

нет в наличии, поставок нет
63 3852150

   (последний код) CAP

нет в наличии, поставок нет
64 0341549

SHIELD, Tilt Трубка (SHIELD, Tilt tube)

нет в наличии, поставок нет
65 0339824

Винт, Tie bar (SCREW, Tie bar)

нет в наличии, поставок нет
66 0337586

WIPER Гайка (WIPER NUT)

нет в наличии, поставок нет
66 0983678

   (последний код) NUT & WIPER

нет в наличии, поставок нет
67 0333674

Винт, Анод (SCREW, Anode)

нет в наличии, поставок нет
68 0336676

Винт, Кронштейн to transom, 4 3 / 4 дюйм (121 мм) (SCREW, Bracket to transom, 4 3/4 in. (121mm))

нет в наличии, поставок нет
68 0336675

   (последний код) BOLT

нет в наличии, поставок нет
68 0318573

Винт, Кронштейн to transom, 3 1 / 2 дюйм (89 мм) Опции (SCREW, Bracket to transom, 3 1/2 in. (89mm) Optional)

нет в наличии, поставок нет
68 3852153

   (последний код) BOLT

нет в наличии, поставок нет
68 0313327

Винт, Кронштейн to transom, 4 дюйм (102 мм) Опции (SCREW, Bracket to transom, 4 in. (102mm) Optional)

нет в наличии, поставок нет
68 0336676

   (последний код) 4 3/4" TRNSM BOLT

нет в наличии, поставок нет
68 0321577

Винт, Кронштейн to transom, 6 дюйм (152 мм) Опции (SCREW, Bracket to transom, 6 in. (152mm) Optional)

нет в наличии, поставок нет
69 0340819

Сальник, Рулевая система Рычаг to Нижняя часть корпуса (SEAL, Steering arm to lower cover)

нет в наличии, поставок нет
70 0318238

Винт, Ручка (SCREW, Knob)

нет в наличии, поставок нет
71 0334247

TIE BAR (TIE BAR)

нет в наличии, поставок нет
71 0351247

   (последний код) BAR,TIE

нет в наличии, поставок нет
72 0334438

Ручка наклона и Блокировка задней передачи (KNOB, Tilt and reverse lock)

нет в наличии, поставок нет
73 0335554

Гайка, Tilting Трубка (NUT, Tilting tube)

нет в наличии, поставок нет
75 0321243

Втулка (BUSHING)

нет в наличии, поставок нет
76 0334341

Ролик, Струбцина (ROLLER, Clamp)

нет в наличии, поставок нет
77 0308825

Винт зажима (SCREW, Clamp)

нет в наличии, поставок нет
77 3852081

   (последний код) SCREW

нет в наличии, поставок нет
78 0310442

Струбцина, "J" (CLAMP, "J")

нет в наличии, поставок нет
79 0327283

Шайба, Винт, Анод (WASHER, Screw, anode)

нет в наличии, поставок нет
80 0336136

Струбцина (CLAMP)

нет в наличии, поставок нет
82 0439560

Рычаг & Вал в сборе. (LEVER & SHAFT ASSY.)

нет в наличии, поставок нет
83 0319787

Втулка, Поворотный кронштейн to tilt Трубка (BUSHING, Swivel bracket to tilt tube)

нет в наличии, поставок нет
83 0317789

   (последний код) BUSHING

нет в наличии, поставок нет
84 0332435

Штифт, Цилиндр наклона (PIN, Tilt cylinder)

нет в наличии, поставок нет
85 0339568

Переключающая тяга, верхний , std. (SHIFT ROD, Upper, std.)

нет в наличии, поставок нет
85 0339569

Переключающая тяга, верхний , long (SHIFT ROD, Upper, long)

нет в наличии, поставок нет
86 0513356

Коннектор, 1-socket (CONNECTOR, 1-socket)

нет в наличии, поставок нет
87 0334884

Винт, Sending unit (SCREW, Sending unit)

нет в наличии, поставок нет
87 0321471

   (последний код) SCREW

нет в наличии, поставок нет
88 0334119

Коннектор переключающей тяги (CONNECTOR, Shift rod)

нет в наличии, поставок нет
evinrude

Время выполнения запроса 3.9534058570862 сек.


 
 

данный сайт носит информационный характер и не является публичной офертой

склад запчастей для водомоторной техники