вконтакте

Контактный телефон: +7 (981) 121-46-93, +7 (800) 200-90-76 , Email: parts-katalog@yandex.ru, где купить

 
 

  Логин:

Пароль:

Регистрация

www.partskatalog.ru Все каталоги Запчасти Mercury Запчасти Suzuki Запчасти Tohatsu Запчасти Honda Контакты


Все разделы каталога запчастей на этот двигатель

назад Раздел:   вперёд

вернуться к списку узлов и деталей

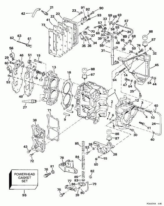
ДЕТАЛИРОВКА ДЛЯ МОДЕЛИ: EVINRUDE BE20SRECB 1998

ЦИЛИНДР & КАРТЕР ДВИГАТЕЛЯ | CYLINDER & CRANKCASE;


Двигатель Эвинруд BE20SRECB 1998  - linder & Картер двигателя - linder & Crankcase

Номер на
рисунке
АртикулНаименованиеКол-во
на складе
Цена
1 0435942

Цилиндр & Картер двигателя в сборе. (CYLINDER & CRANKCASE ASSY.)

нет в наличии, поставок нет
1 0433533

   (последний код) CYL&CRKC AY

нет в наличии, поставок нет
1 0435943

Цилиндр & Картер двигателя в сборе., 25BA only (CYLINDER & CRANKCASE ASSY., 25BA only)

нет в наличии, поставок нет
1 0484784

   (последний код) RPH INLINE -30HP

нет в наличии, поставок нет
2 0331450

DOWEL, Подшипник (DOWEL, Bearing)

нет в наличии, поставок нет
3 0308354

Шпилька, Стартер Кронштейн (STUD, Starter bracket)

нет в наличии, поставок нет
4 0305070

конус Штифт (TAPER PIN)

нет в наличии, поставок нет
5 0308353

Шпилька (STUD)

нет в наличии, поставок нет
6 0385111

Обратный клапан (CHECK VALVE)

нет в наличии, поставок нет
7 0305344

SCREEN (SCREEN)

нет в наличии, поставок нет
8 0335603

DEFLECTOR, Water passage (DEFLECTOR, Water passage)

нет в наличии, поставок нет
8 0331851

   (последний код) PIN

нет в наличии, поставок нет
9 0335602

DEFLECTOR, Water passage (DEFLECTOR, Water passage)

нет в наличии, поставок нет
9 0326645

   (последний код) DEFLECTOR

нет в наличии, поставок нет
10 0318622

Винт, Цилиндр to Картер двигателя (SCREW, Cylinder to crankcase)

нет в наличии, поставок нет
11 0303459

Винт (SCREW)

нет в наличии, поставок нет
11 3852048

   (последний код) SCREW

нет в наличии, поставок нет
12 0328932

Ниппель, Recirc. Шланг (NIPPLE, Recirc. hose)

нет в наличии, поставок нет
13 0335635

Головка блока цилиндра в сборе. (CYLINDER HEAD ASSY.)

нет в наличии, поставок нет
13 0327672

   (последний код) CYL HEAD

нет в наличии, поставок нет
14 0335762

Винт, Spark adjustment (SCREW, Spark adjustment)

нет в наличии, поставок нет
15 0329241

Шайба, Кронштейн (WASHER, Bracket)

нет в наличии, поставок нет
15 3852193

   (последний код) WASHER

нет в наличии, поставок нет
16 0434841

Термостат (THERMOSTAT)

нет в наличии, поставок нет
16 5005440

   (последний код) THERMOSTAT AY

нет в наличии, поставок нет
17 0329319

Прокладка, Термостат (GASKET, Thermostat)

нет в наличии, поставок нет
18 0329419

Прокладка головки блока цилиндра. Included in Powerhead Комплект прокладок (GASKET, Cylinder head. Included in Powerhead Gasket Set)

нет в наличии, поставок нет
18 0765012

   (последний код) GASKET, HEAD

нет в наличии, поставок нет
19 0305027

Винт, Головка блока цилиндра (SCREW, Cylinder head)

нет в наличии, поставок нет
20 0391465

Кожух выхлопной трубы, Outer (EXHAUST COVER, Outer)

нет в наличии, поставок нет
20 0324326

   (последний код) EXH-COVER

нет в наличии, поставок нет
21 0326712

Ниппель, Overboard Индикатор (NIPPLE, Overboard indicator)

нет в наличии, поставок нет
21 0326912

   (последний код) NIPPLE

нет в наличии, поставок нет
22 0324323

Прокладка, Outer Кожух выхлопной трубы. Included in Powerhead Комплект прокладок (GASKET, Outer exhaust cover. Included in Powerhead Gasket Set)

нет в наличии, поставок нет
23 0306418

Винт, Кожух выхлопной трубы (SCREW, Exhaust cover)

нет в наличии, поставок нет
24 0

Шланг, верхний to нижний Картер двигателя, 12 дюйм (305 мм) сокращёная длина from P / N 327229 -- 0575 дюйм I.D., 25 фут (7, 6m) Roll (HOSE, Upper to lower crankcase,12 in. (305mm). Cut to Length from P/N 327229 -- .0575 in. I.D., 25 ft. (7,6m) Roll)

нет в наличии, поставок нет
25 0584472

Заземление LEAD в сборе. (GROUND LEAD ASSY.)

нет в наличии, поставок нет
26 0302290

Шайба с блокировкой, Стартер Кронштейнs (LOCK WASHER, Starter brackets)

нет в наличии, поставок нет
26 0338307

   (последний код) WASHER,LOCK

нет в наличии, поставок нет
27 0387633

Свеча зажигания, Champion QL77JC4. Radio Noise Sвышеpressor Заглушка (SPARK PLUG, Champion QL77JC4. Radio Noise Suppressor Plug)

нет в наличии, поставок нет
27 0502180

   (последний код) Champion SPARK PLUG QL77JC4 MAR4

нет в наличии, поставок нет
27 0432424

Свеча зажигания, Champion QL16V. Radio Noise Sвышеpressor Заглушка Опции (SPARK PLUG, Champion QL16V. Radio Noise Suppressor Plug Optional)

нет в наличии, поставок нет
27 0502178

   (последний код) Champion SPARK PLUG QL16V MAR4

нет в наличии, поставок нет
27 0433627

Свеча зажигания, Champion L16V. Опции (SPARK PLUG, Champion L16V. Optional)

нет в наличии, поставок нет
27 0502894

   (последний код) Champion SPARK PLUG L16V MAR4 (CS12209)

нет в наличии, поставок нет
27 0386941

Свеча зажигания, Champion L77JC4. Опции (SPARK PLUG, Champion L77JC4. Optional)

нет в наличии, поставок нет
27 4002080

   (последний код) SP-PLUG L77J

нет в наличии, поставок нет
28 0325340

Кронштейн, Starboard (BRACKET, Starboard)

нет в наличии, поставок нет
29 0308742

Винт, Крышка термостата boss (SCREW, Cover, thermostat boss)

нет в наличии, поставок нет
29 3852080

   (последний код) SCREW

нет в наличии, поставок нет
30 0314979

Винт, Цилиндр to Картер двигателя (SCREW, Cylinder to crankcase)

нет в наличии, поставок нет
31 0438076

Рычаг & Штифт в сборе., Дроссель (LEVER & PIN ASSY., Throttle)

нет в наличии, поставок нет
32 0328741

Гайка, Spark adjustment (NUT, Spark adjustment)

нет в наличии, поставок нет
32 0304753

   (последний код) NUT

нет в наличии, поставок нет
33 0305831

Регулировочная шайба (SHIM)

нет в наличии, поставок нет
34 0331036

Винт, Подшипник Струбцина (SCREW, Bearing clamp)

нет в наличии, поставок нет
34 0320468

   (последний код) SCREW

нет в наличии, поставок нет
35 0331448

Кронштейн рычага дросселя (BRACKET, Throttle lever)

нет в наличии, поставок нет
36 0331919

Подшипник Струбцина, Рычаг, нижний (BEARING CLAMP, Lever, lower)

нет в наличии, поставок нет
37 0331918

Подшипник, Рычаг, нижний (BEARING, Lever, lower)

нет в наличии, поставок нет
38 0433567

BYPASS Крышка в сборе, 20, 25, 18JET (BYPASS COVER ASSY., 20,25,18JET)

нет в наличии, поставок нет
38 0439912

   (последний код) COVER AY, BYPASS

нет в наличии, поставок нет
38 0436025

BYPASS Крышка в сборе, 30 (BYPASS COVER ASSY., 30)

нет в наличии, поставок нет
38 0439912

   (последний код) COVER AY, BYPASS

нет в наличии, поставок нет
39 0303049

Шплинт (COTTER PIN)

нет в наличии, поставок нет
40 0320107

Крепёжный хомут, Шланг (TIE STRAP, Hose)

нет в наличии, поставок нет
40 5035626

   (последний код) BAND,REM CON

нет в наличии, поставок нет
41 0326263

Кожух выхлопной трубы, Inner (EXHAUST COVER, Inner)

нет в наличии, поставок нет
42 0

Шланг, Ovbd. Помпа Индикатор, 16 дюйм (406 мм) сокращёная длина from P / N 203909 -- 1 / 8 дюйм (3, 2 мм) I.D., 20 дюйм (508 мм) Long Шланг (HOSE, Ovbd. pump indicator, 16 in. (406mm). Cut to Length from P/N 203909 -- 1/8 in. (3,2mm) I.D., 20 in. (508mm) Long Hose)

нет в наличии, поставок нет
43 0332203

Винт, Bypass Крышка (SCREW, Bypass cover)

нет в наличии, поставок нет
44 0121731

Гайка, Стартер Кронштейн, port (NUT, Starter bracket, port)

нет в наличии, поставок нет
44 3852005

   (последний код) NUT,LOCK

нет в наличии, поставок нет
45 0320374

Кронштейн, Port (BRACKET, Port)

нет в наличии, поставок нет
46 0327673

Крышка головки цилиндра (COVER, Cylinder head)

нет в наличии, поставок нет
46 0324320

   (последний код) COVER

нет в наличии, поставок нет
47 0303398

Винт, Стартер Кронштейн, port (SCREW, Starter bracket, port)

нет в наличии, поставок нет
47 0330119

   (последний код) SCREW

нет в наличии, поставок нет
48 0320524

Подшипник, Контрольный рычаг (BEARING, Control lever)

нет в наличии, поставок нет
49 0327674

Прокладка крышки головки блока цилиндра. Included in Powerhead Комплект прокладок (GASKET, Cylinder head cover. Included in Powerhead Gasket Set)

нет в наличии, поставок нет
49 0324325

   (последний код) GASKET

нет в наличии, поставок нет
50 0121731

Гайка, Стартер Кронштейн, stbd. (NUT, Starter bracket, stbd.)

нет в наличии, поставок нет
50 3852005

   (последний код) NUT,LOCK

нет в наличии, поставок нет
51 0328051

Пружина давления relief (SPRING, Pressure relief)

нет в наличии, поставок нет
51 0323586

   (последний код) SPRING

нет в наличии, поставок нет
52 0300646

Винт, Крышка головки цилиндра (SCREW, Cylinder head cover)

нет в наличии, поставок нет
53 0303398

Винт, Кронштейн (SCREW, Bracket)

нет в наличии, поставок нет
53 0330119

   (последний код) SCREW

нет в наличии, поставок нет
54 0328701

Шайба с блокировкой, Заземление lead (LOCK WASHER, Ground lead)

нет в наличии, поставок нет
54 3852182

   (последний код) WASHER,LOCK

нет в наличии, поставок нет
55 0320523

Подшипник Струбцина (BEARING CLAMP)

нет в наличии, поставок нет
56 0330151

Струбцина, Lockout Кабели to Крышка (CLAMP, Lockout cable to cover)

нет в наличии, поставок нет
56 3852199

   (последний код) CLAMP,"J"

нет в наличии, поставок нет
57 0307841

Гильза, Контрольный рычаг (SLEEVE, Control lever)

нет в наличии, поставок нет
58 0304222

Воротник, 25, 30 (COLLAR, 25,30)

нет в наличии, поставок нет
59 0307565

Штифт, Тяга, Стержень Штифт, 25, 30 (PIN, Rod, pivot pin, 25,30)

нет в наличии, поставок нет
60 0330151

Струбцина, Ovbd. ind. Шланг & leads (CLAMP, Ovbd. ind. hose & leads)

нет в наличии, поставок нет
60 3852199

   (последний код) CLAMP,"J"

нет в наличии, поставок нет
61 0584590

температура Переключатель (TEMPERATURE SWITCH)

нет в наличии, поставок нет
61 0583815

   (последний код) TEMP-SWITCH

нет в наличии, поставок нет
62 0512947

Клемма, Bullet (TERMINAL, Bullet)

нет в наличии, поставок нет
62 0910462

   (последний код) TERM.-60766-

нет в наличии, поставок нет
63 0513185

Гильза, Bullet Клемма (SLEEVE, Bullet terminal)

нет в наличии, поставок нет
63 0512948

   (последний код) SLEEVE

нет в наличии, поставок нет
64 0329241

Шайба, Стартер Креплениеing Кронштейн (WASHER, Starter mounting bracket)

нет в наличии, поставок нет
64 3852193

   (последний код) WASHER

нет в наличии, поставок нет
65 0551953

Опорная шайба Штифт, 25, 30 (WASHER, Pivot pin, 25,30)

нет в наличии, поставок нет
66 0316368

Пружина (SPRING)

нет в наличии, поставок нет
67 0320156

Тяга управления дросселем, 25, 30 (ROD, Throttle control, 25,30)

нет в наличии, поставок нет
68 0320786

Стержень Штифт, 25, 30 (PIVOT PIN, 25,30)

нет в наличии, поставок нет
69 0304221

Винт, Воротник to Управление дросселем Тяга, 25, 30 (SCREW, Collar to throttle control rod, 25,30)

нет в наличии, поставок нет
70 0303398

Винт дросселя Контрольный рычаг Кронштейн (SCREW, Throttle control lever bracket)

нет в наличии, поставок нет
70 0330119

   (последний код) SCREW

нет в наличии, поставок нет
71 0319661

Прокладка, Bypass Крышка. Included in Powerhead Комплект прокладок (GASKET, Bypass cover. Included in Powerhead Gasket Set)

нет в наличии, поставок нет
72 0300646

Винт, Bypass Крышка (SCREW, Bypass cover)

нет в наличии, поставок нет
73 0326264

Прокладка, Inner Кожух выхлопной трубы. Included in Powerhead Комплект прокладок (GASKET, Inner exhaust cover. Included in Powerhead Gasket Set)

нет в наличии, поставок нет
74 0303398

Винт, Стартер Кронштейн, port (SCREW, Starter bracket, port)

нет в наличии, поставок нет
74 0330119

   (последний код) SCREW

нет в наличии, поставок нет
75 0327443

Винт, Блокировка стартераout Рычаг & neutral start Рычаг (SCREW, Starter lockout lever & neutral start lever)

нет в наличии, поставок нет
75 0325588

   (последний код) SCREW

нет в наличии, поставок нет
76 0122147

Винт, Кронштейн Креплениеing (SCREW, Bracket mounting)

нет в наличии, поставок нет
76 3852006

   (последний код) SCREW

нет в наличии, поставок нет
77 0325589

Рычаг, Блокировка стартераout (LEVER, Starter lockout)

нет в наличии, поставок нет
78 0325326

Кронштейн, Стартер interlock Кабели (BRACKET, Starter interlock cable)

нет в наличии, поставок нет
79 0335326

Соединитель, Пускатель cam (LINK, Actuator cam)

нет в наличии, поставок нет
79 0325336

   (последний код) LINK

нет в наличии, поставок нет
80 0303715

Шайба, Соединитель to Переключатель Пускатель cam (WASHER, Link to shift actuator cam)

нет в наличии, поставок нет
81 0328703

Шайба, Кронштейн Креплениеing (WASHER, Bracket mounting)

нет в наличии, поставок нет
81 3852184

   (последний код) WASHER

нет в наличии, поставок нет
82 0120590

Шайба, Винт, Блокировка стартераout (WASHER, Screw, starter lockout)

нет в наличии, поставок нет
83 0325586

Фиксатор пружины, neutral detent (RETAINER, Spring, neutral detent)

нет в наличии, поставок нет
84 0325332

Плунжер, Neutral start (PLUNGER, Neutral start)

нет в наличии, поставок нет
85 0325584

Пружина, Neutral start Плунжер (SPRING, Neutral start plunger)

нет в наличии, поставок нет
86 0396163

Рычаг & Ролик в сборе., Neutral start (LEVER & ROLLER ASSY., Neutral start)

нет в наличии, поставок нет
87 0332610

Монтажная резинка, Стартер hsg. (RUBBER MOUNT, Starter hsg.)

нет в наличии, поставок нет
88 0333071

Cвыше, Корпус стартера to Креплениеs (CUP, Starter housing to mounts)

нет в наличии, поставок нет
89 0304454

Шайба, Кронштейн (WASHER, Bracket)

нет в наличии, поставок нет
90 0308038

Винт, Idle stop (SCREW, Idle stop)

нет в наличии, поставок нет
91 0331446

Кронштейн, Idle stop (BRACKET, Idle stop)

нет в наличии, поставок нет
92 0203688

Гайка, Idle stop (NUT, Idle stop)

нет в наличии, поставок нет
92 0328710

   (последний код) NUT-SCREW-ID

нет в наличии, поставок нет
93 0303398

Винт, Кронштейн (SCREW, Bracket)

нет в наличии, поставок нет
93 0330119

   (последний код) SCREW

нет в наличии, поставок нет
94 0314416

Бампер, Spark adjustment Винт (BUMPER, Spark adjustment screw)

нет в наличии, поставок нет
95 0433941

POWERHEAD Комплект прокладок (POWERHEAD GASKET SET)

нет в наличии, поставок нет
95 0392615

   (последний код) PHEAD-GASKET

нет в наличии, поставок нет
evinrude

Время выполнения запроса 1.5901310443878 сек.


 
 

данный сайт носит информационный характер и не является публичной офертой

склад запчастей для водомоторной техники