вконтакте

Контактный телефон: +7 (981) 121-46-93, +7 (800) 200-90-76 , Email: parts-katalog@yandex.ru, где купить

 
 

  Логин:

Пароль:

Регистрация

www.partskatalog.ru Все каталоги Запчасти Mercury Запчасти Suzuki Запчасти Tohatsu Запчасти Honda Контакты


Все разделы каталога запчастей на этот двигатель

назад Раздел:   вперёд

вернуться к списку узлов и деталей

ДЕТАЛИРОВКА ДЛЯ МОДЕЛИ: EVINRUDE E225CZEUD 1997

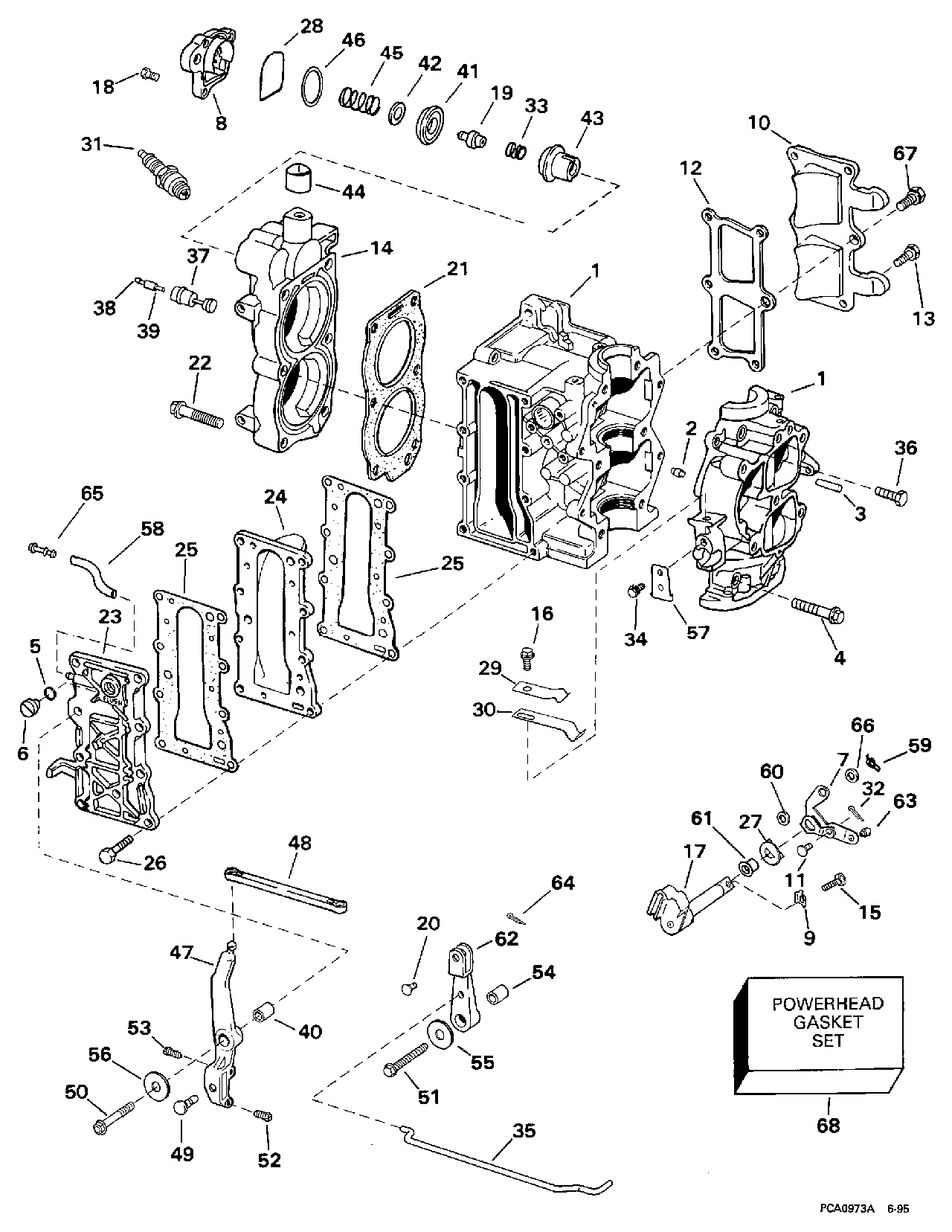
КАРБЮРАТОР & ПОДЪЕМНЫЙ МЕХАНИЗМ - 225 | CARBURETOR & LINKAGE - 225;


Лодочный мотор Evinrude E225CZEUD 1997  - 225

Номер на
рисунке
АртикулНаименованиеКол-во
на складе
Цена
0439509 0439509

Карбюратор в сборе., верхний Not Shown (CARBURETOR ASSY., Upper. Not Shown)

нет в наличии, поставок нет
0439509 0439149

   (последний код) CARBURETOR AY

нет в наличии, поставок нет
0439510 0439510

Карбюратор в сборе., нижний Not Shown (CARBURETOR ASSY., Lower. Not Shown)

нет в наличии, поставок нет
0439510 0439150

   (последний код) CARBURETOR AY

нет в наличии, поставок нет
1 0438515

Дроссель Верхний корпус (THROTTLE BODY, Upper)

нет в наличии, поставок нет
1 0437324

   (последний код) BODY AY,THROTTLE

нет в наличии, поставок нет
2 0438567

Дроссель Нижний корпуса (THROTTLE BODY, Lower)

нет в наличии, поставок нет
2 0437325

   (последний код) BODY AY,THROTTLE

нет в наличии, поставок нет
3 0341283

Крышка (COVER)

нет в наличии, поставок нет
4 0303261

ROLL Штифт, Возвратная пружина, нижний (ROLL PIN, Return spring, lower)

нет в наличии, поставок нет
5 0332254

Пружина, Дроссель return, нижний (SPRING, Throttle return, lower)

нет в наличии, поставок нет
5 0328643

   (последний код) SPRING

нет в наличии, поставок нет
6 0328765

Зажим (CLIP)

нет в наличии, поставок нет
7 0341285

Винт, Крышка (SCREW, Cover)

нет в наличии, поставок нет
8 0341284

Прокладка (GASKET)

нет в наличии, поставок нет
9 0328714

Винт, Вал (SCREW, Shaft)

нет в наличии, поставок нет
9 0204027

   (последний код) SCREW

нет в наличии, поставок нет
10 0396522

Клапан поплавка в сборе. (FLOAT VALVE ASSY.)

нет в наличии, поставок нет
10 0382889

   (последний код) FLOAT-VALVE

нет в наличии, поставок нет
11 0336842

Пружина Зажим (SPRING CLIP)

нет в наличии, поставок нет
11 0603145

   (последний код) CLIP

нет в наличии, поставок нет
12 0341922

иголка, Клапан (NEEDLE, Valve)

нет в наличии, поставок нет
12 0342776

   (последний код) VALVE,NEEDLE

нет в наличии, поставок нет
13 0326164

Винт, Hinge Штифт (SCREW, Hinge pin)

нет в наличии, поставок нет
14 0317473

ORIFICE, Idle air bleed., #30 (ORIFICE, Idle air bleed., #30)

нет в наличии, поставок нет
15 0328546

ORIFICE, High speed, #72D (ORIFICE, High speed, #72D)

нет в наличии, поставок нет
15 0309517

   (последний код) PLUG

нет в наличии, поставок нет
16 0338813

Прокладка, Поплавок bowl (GASKET, Float bowl)

нет в наличии, поставок нет
16 0326830

   (последний код) GASKET

нет в наличии, поставок нет
17 0326865

Стопор поплавка (PIN, Float)

нет в наличии, поставок нет
18 0391508

Поплавок в сборе. (FLOAT ASSY.)

нет в наличии, поставок нет
20 0344267

Винт заглушки (SCREW, Plug)

нет в наличии, поставок нет
21 0341258

Сальник, Карбюратор Корпус (SEAL, Carburetor body)

нет в наличии, поставок нет
22 0437326

Карбюратор Корпус (CARBURETOR BODY)

нет в наличии, поставок нет
23 0341287

Прокладка крышки Пластина (GASKET, Cover plate)

нет в наличии, поставок нет
24 0315656

Винт, Крышка Пластина (SCREW, Cover plate)

нет в наличии, поставок нет
25 0341286

Крышка Пластина (COVER PLATE)

нет в наличии, поставок нет
26 0335223

Винт, Карбюратор Корпус, long (SCREW, Carburetor body, long)

нет в наличии, поставок нет
27 0305739

Уплотнительное кольцо, Сливной винт (O-RING, Screw plug)

нет в наличии, поставок нет
27 0900224

   (последний код) O RING

нет в наличии, поставок нет
28 0335687

Винт, Карбюратор Корпус, short (SCREW, Carburetor body, short)

нет в наличии, поставок нет
28 3852213

   (последний код) SCREW

нет в наличии, поставок нет
29 0439180

Поплавковая камера в сборе. (FLOAT CHAMBER ASSY.)

нет в наличии, поставок нет
30 0332576

Пружина клапана (SPRING, Valve)

нет в наличии, поставок нет
30 0329388

   (последний код) SPRING

нет в наличии, поставок нет
31 0339842

Гильза, Air Глушитель (SLEEVE, Air silencer)

нет в наличии, поставок нет
32 0328649

Винт, Bowl to Корпус (SCREW, Bowl to body)

нет в наличии, поставок нет
32 0337541

   (последний код) SCREW

нет в наличии, поставок нет
34 0317624

Винт, Карбюратор to Коллектор (SCREW, Carburetor to manifold)

нет в наличии, поставок нет
35 0315204

Гайка, Карбюратор Креплениеing (NUT, Carburetor mounting)

нет в наличии, поставок нет
35 0316355

   (последний код) NUT

нет в наличии, поставок нет
37 0327071

Коннектор, Вал дросселя (CONNECTOR, Throttle shaft)

нет в наличии, поставок нет
37 5000533

   (последний код) CONNECTOR AY

нет в наличии, поставок нет
39 0324678

Уплотнительное кольцо, Ролик (O-RING, Roller)

нет в наличии, поставок нет
40 0332319

Прокладка карбюратора Креплениеing. Included in Powerhead Комплект прокладок (GASKET, Carburetor mounting. Included in Powerhead Gasket Set)

нет в наличии, поставок нет
40 0326838

   (последний код) GASKET

нет в наличии, поставок нет
41 0341622

Соединитель, Shell (LINK, Shell)

нет в наличии, поставок нет
42 0437687

Рычаг в сборе., Port (LEVER ASSY., Port)

нет в наличии, поставок нет
42 0437604

Рычаг & Штифт в сборе., Stbd. (LEVER & PIN ASSY., Stbd.)

нет в наличии, поставок нет
43 0314717

Винт (SCREW)

нет в наличии, поставок нет
44 0332609

Шайба (WASHER)

нет в наличии, поставок нет
44 0340806

   (последний код) WASHER

нет в наличии, поставок нет
45 0339083

Шаровое соединение (BALL JOINT)

нет в наличии, поставок нет
46 0317162

Гильза, Вал дросселя (SLEEVE, Throttle shaft)

нет в наличии, поставок нет
47 0337041

Винт дросселя Вал Коннектор (SCREW, Throttle shaft connector)

нет в наличии, поставок нет
47 5000533

   (последний код) CONNECTOR AY

нет в наличии, поставок нет
48 0432639

Ролик колпачка folнижний (ROLLER, Cam follower)

нет в наличии, поставок нет
49 0332609

Шайба, Коннектор (WASHER, Connector)

нет в наличии, поставок нет
49 0340806

   (последний код) WASHER

нет в наличии, поставок нет
50 0309485

Гайка, Коннектор Винт (NUT, Connector screw)

нет в наличии, поставок нет
50 0132520

   (последний код) NUT

нет в наличии, поставок нет
51 0437327

Ремкомплект карбюратора (CARBURETOR REPAIR KIT)

нет в наличии, поставок нет
evinrude

Время выполнения запроса 1.6098449230194 сек.


 
 

данный сайт носит информационный характер и не является публичной офертой

склад запчастей для водомоторной техники