вконтакте

Контактный телефон: +7 (981) 121-46-93, +7 (800) 200-90-76 , Email: parts-katalog@yandex.ru, где купить

 
 

  Логин:

Пароль:

Регистрация

www.partskatalog.ru Все каталоги Запчасти Mercury Запчасти Suzuki Запчасти Tohatsu Запчасти Honda Контакты


Все разделы каталога запчастей на этот двигатель

назад Раздел:   вперёд

вернуться к списку узлов и деталей

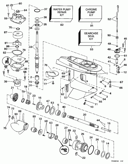
ДЕТАЛИРОВКА ДЛЯ МОДЕЛИ: EVINRUDE BE175GLEUE 1997

РУЛЕВАЯ СИСТЕМА СОЕДИНИТЕЛЬ KIT | STEERING LINK KIT;


Лодочный подвесной мотор EVINRUDE BE175GLEUE 1997  - eeКольцо Соединитель Kit - eering Link Kit

Номер на
рисунке
АртикулНаименованиеКол-во
на складе
Цена
0175125 0175125

Рулевая система Соединитель KIT. Not Shown (STEERING LINK KIT. Not Shown)

нет в наличии, поставок нет
0175125 0175110

   (последний код) ROD AY, CONNECTOR

нет в наличии, поставок нет
1 0315077

LOCKГайка (LOCKNUT)

нет в наличии, поставок нет
1 3852132

   (последний код) NUT,LOCK

нет в наличии, поставок нет
2 0175110

Тяга в сборе. (ROD ASSY.)

нет в наличии, поставок нет
3 0319453

Шайба (WASHER)

нет в наличии, поставок нет
3 3852155

   (последний код) WASHER

нет в наличии, поставок нет
evinrude

Время выполнения запроса 0.25932002067566 сек.


 
 

данный сайт носит информационный характер и не является публичной офертой

склад запчастей для водомоторной техники