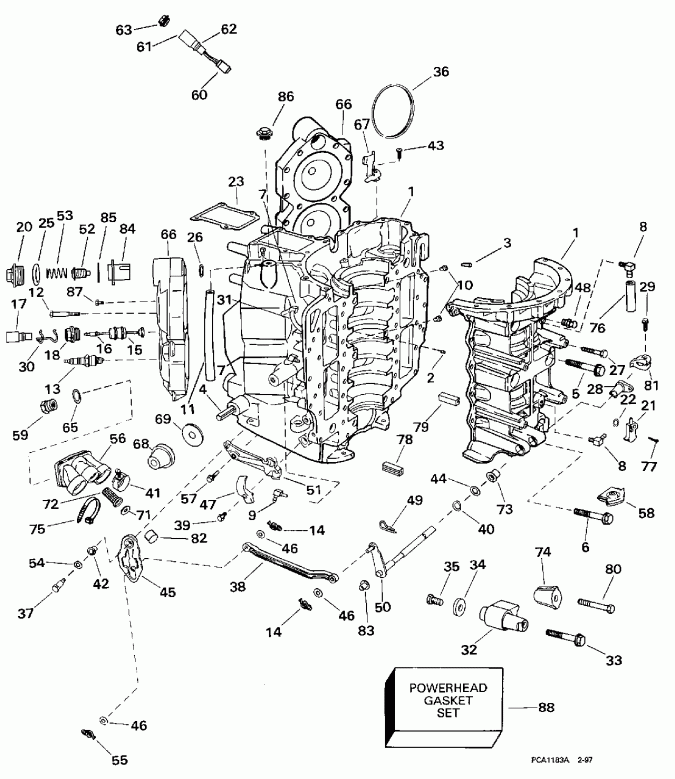
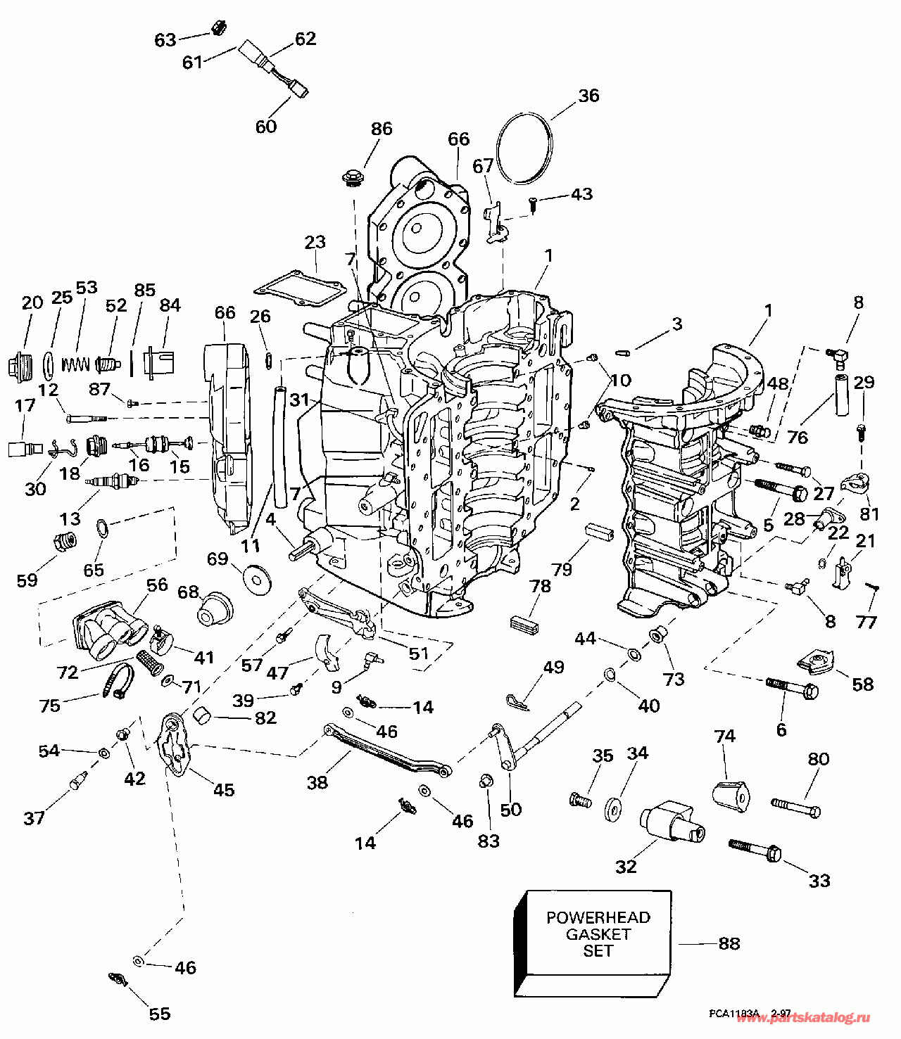
Номер на рисунке | Артикул | Наименование | Кол-во на складе | Цена |
| 1 | 0438922 | Цилиндр & CCASE в сборе., 90 (CYLINDER & CCASE ASSY., 90) | нет в наличии, поставок нет |
| 1 | 0438115 | (последний код) C/CRK 90HP V/4EAGL | нет в наличии, поставок нет |
| 1 | 0438921 | Цилиндр & CCASE в сборе., 115 (CYLINDER & CCASE ASSY., 115) | нет в наличии, поставок нет |
| 1 | 0438114 | (последний код) C-CS90/115EAGLE | нет в наличии, поставок нет |
| 2 | 0304178 | Шпонка Подшипник (PIN, Dowel bearing) | нет в наличии, поставок нет |
| 3 | 0305070 | Штифт кривошипаcase to block (PIN, Crankcase to block) | нет в наличии, поставок нет |
| 4 | 0336630 | Штифт, Roll (PIN, Roll) | нет в наличии, поставок нет |
| 5 | 0336166 | Винт, Цилиндр to Картер двигателя (SCREW, Cylinder to crankcase) | нет в наличии, поставок нет |
| 6 | 0335611 | Винт, Цилиндр to Картер двигателя (SCREW, Cylinder to crankcase) | нет в наличии, поставок нет |
| 6 | 0908738 | (последний код) STUD-EXH--MA | нет в наличии, поставок нет |
| 7 | 0335369 | Ниппель, Drain (NIPPLE, Drain) | нет в наличии, поставок нет |
| 8 | 0335369 | Ниппель, Drain, Главный подшипник, верх и низ (NIPPLE, Drain, main bearing, upper & lower) | нет в наличии, поставок нет |
| 9 | 0437784 | Обратный клапан в сборе. (CHECK VALVE ASSY.) | нет в наличии, поставок нет |
| 10 | 0437773 | Обратный клапан, Main Верхний подшипник & center (CHECK VALVE, Main bearing, upper & center) | нет в наличии, поставок нет |
| 10 | 0437613 | (последний код) VALVE AY,CHECK | нет в наличии, поставок нет |
| 11 | 0 | Шланг, Cyl. block vent, 13 дюйм long. сокращёная длина from 25 фут (7, 6m) Roll, 327228 (HOSE, Cyl. block vent, 13 in. long. Cut to Length from 25 Ft. (7,6m) Roll, 327228) | нет в наличии, поставок нет |
| 12 | 0306500 | Винт, Головка блока цилиндра (SCREW, Cylinder head) | нет в наличии, поставок нет |
| 13 | 0437929 | Свеча зажигания, Champion, QL78YC (SPARK PLUG, Champion, QL78YC) | нет в наличии, поставок нет |
| 14 | 0333774 | Зажим, Соединитель (CLIP, Link) | нет в наличии, поставок нет |
| 15 | 0585184 | температура Переключатель, Stbd. (TEMPERATURE SWITCH, Stbd.) | нет в наличии, поставок нет |
| 15 | 0586094 | (последний код) SWITCH AY,TEMP | нет в наличии, поставок нет |
| 16 | 0511469 | Клемма, Штифт (TERMINAL, Pin) | нет в наличии, поставок нет |
| 16 | 3852229 | (последний код) TERMINAL,PIN | нет в наличии, поставок нет |
| 17 | 0513357 | Коннектор (CONNECTOR) | нет в наличии, поставок нет |
| 17 | 3854845 | (последний код) CONNECTOR 513357 | нет в наличии, поставок нет |
| 18 | 0329562 | Крышка, температура Переключатель (COVER, Temperature switch) | нет в наличии, поставок нет |
| 20 | 0332944 | Крышка термостата. "A" Suffix Models Only (COVER, Thermostat. "A" Suffix Models Only) | нет в наличии, поставок нет |
| 20 | 0338632 | Крышка термостата. "C" Suffix Models Only (COVER, Thermostat. "C" Suffix Models Only) | нет в наличии, поставок нет |
| 21 | 0340767 | Ниппель, нижний drain (NIPPLE, Lower drain) | нет в наличии, поставок нет |
| 22 | 0324677 | Уплотнительное кольцо, Ниппель, нижний drain (O-RING, Nipple, lower drain) | нет в наличии, поставок нет |
| 23 | 0342291 | Сальник, Регулятор (SEAL, Regulator) | нет в наличии, поставок нет |
| 23 | 0350357 | (последний код) GASKET | нет в наличии, поставок нет |
| 25 | 0331188 | Уплотнительное кольцо крышки термостата (O-RING, Thermostat cover) | 5 шт | 370 руб. |
| 26 | 0335981 | Сальник термостата (SEAL, Thermostat) | нет в наличии, поставок нет |
| 27 | 0328744 | Винт, Цилиндр to Картер двигателя (SCREW, Cylinder to crankcase) | нет в наличии, поставок нет |
| 27 | 0308741 | (последний код) SCREW | нет в наличии, поставок нет |
| 28 | 0330935 | Втулка, Рычаг переключения (BUSHING, Shift lever) | нет в наличии, поставок нет |
| 29 | 0328725 | Винт, Рычаг тяги переключения (SCREW, Shift rod lever) | нет в наличии, поставок нет |
| 29 | 3852187 | (последний код) SCREW | нет в наличии, поставок нет |
| 30 | 0512741 | Фиксатор, температура Переключатель (RETAINER, Temperature switch) | нет в наличии, поставок нет |
| 31 | 0 | Дренажный шланг system. сокращёная длина from 25 фут (7, 6m) Roll, 340848 (HOSE, Drain system. Cut to Length from 25 Ft. (7,6m) Roll, 340848) | нет в наличии, поставок нет |
| 32 | 0436853 | Монтажная резинка в сборе., верхний (RUBBER MOUNT ASSY., Upper) | нет в наличии, поставок нет |
| 32 | 0436603 | (последний код) MOUNT AY,UPPER | нет в наличии, поставок нет |
| 33 | 0343024 | Винт, верхний Крепление (SCREW, Upper mount) | нет в наличии, поставок нет |
| 33 | 0344277 | (последний код) SCREW | нет в наличии, поставок нет |
| 34 | 0340696 | Шайба верхнего крепежа (WASHER, Upper mount) | нет в наличии, поставок нет |
| 35 | 0312455 | Винт с шайбой, Крепление (SCREW, Washer, mount) | нет в наличии, поставок нет |
| 36 | 0335523 | Уплотнительное кольцо, Головка блока цилиндра (O-RING, Cylinder head) | 1 шт | 770 руб. |
| 37 | 0330933 | Винт, Рычаг переключения to block (SCREW, Shift arm to block) | нет в наличии, поставок нет |
| 38 | 0343118 | Переключающая тяга Рычаг to Рычаг переключения (LINK, Shift lever to shift arm) | нет в наличии, поставок нет |
| 38 | 0335382 | (последний код) LINK,SHIFT-LEVE | нет в наличии, поставок нет |
| 39 | 0328725 | Винт, Крышка, trunnion (SCREW, Cover, trunnion) | нет в наличии, поставок нет |
| 39 | 3852187 | (последний код) SCREW | нет в наличии, поставок нет |
| 40 | 0306012 | Шайба вала переключения (WASHER, Shift shaft) | нет в наличии, поставок нет |
| 41 | 0336136 | Струбцина, Пыльник, Выхлоп (CLAMP, Grommet, exhaust) | нет в наличии, поставок нет |
| 42 | 0311015 | Втулка, Рычаг переключения (BUSHING, Shift lever) | нет в наличии, поставок нет |
| 42 | 3852094 | (последний код) BUSHING | нет в наличии, поставок нет |
| 43 | 0316195 | Винт направляющей to block (SCREW, Guide to block) | нет в наличии, поставок нет |
| 44 | 0202026 | Шайба, Рычаг переключения (WASHER, Shift arm) | нет в наличии, поставок нет |
| 45 | 0436902 | Рычаг переключения (SHIFT LEVER) | нет в наличии, поставок нет |
| 46 | 0328702 | Шайба, Соединитель to Рычаг переключения (WASHER, Link to shift arm) | нет в наличии, поставок нет |
| 46 | 3852183 | (последний код) WASHER | нет в наличии, поставок нет |
| 47 | 0335528 | Крышка, Trunnion (COVER, Trunnion) | нет в наличии, поставок нет |
| 47 | 0349060 | (последний код) COVER,TRUNNION | нет в наличии, поставок нет |
| 48 | 0303492 | Ниппель, Pulse (NIPPLE, Pulse) | нет в наличии, поставок нет |
| 49 | 0330941 | Штифт, Рычаг переключения (PIN, Shift arm) | нет в наличии, поставок нет |
| 50 | 0436822 | Переключающий вал & Рычаг в сборе. (SHIFT SHAFT & ARM ASSY.) | нет в наличии, поставок нет |
| 50 | 5000470 | (последний код) ARM&SHAFT AY,SHIFT | нет в наличии, поставок нет |
| 51 | 0340761 | TRUNNION BLOCK (TRUNNION BLOCK) | нет в наличии, поставок нет |
| 51 | 0349061 | (последний код) BLOCK,TRUNNION | нет в наличии, поставок нет |
| 52 | 0437090 | Термостат в сборе.. "A" Suffix Models Only (THERMOSTAT ASSY.. "A" Suffix Models Only) | нет в наличии, поставок нет |
| 52 | 0436174 | (последний код) THERMOSTAT-A | нет в наличии, поставок нет |
| 52 | 0435491 | Термостат в сборе.. "C" Suffix Models Only (THERMOSTAT ASSY.. "C" Suffix Models Only) | нет в наличии, поставок нет |
| 53 | 0337067 | Пружина, Термостат. "A" Suffix Models Only (SPRING, Thermostat. "A" Suffix Models Only) | нет в наличии, поставок нет |
| 53 | 0338174 | Пружина, Термостат. "C" Suffix Models Only (SPRING, Thermostat. "C" Suffix Models Only) | нет в наличии, поставок нет |
| 54 | 0328733 | Шайба, Рычаг переключения (WASHER, Shift lever) | нет в наличии, поставок нет |
| 55 | 0333774 | Зажим, Переключатель Рычаг переключателя Рычаг (CLIP, Shift lever, shift arm) | нет в наличии, поставок нет |
| 56 | 0437223 | Пыльник & INSERT, Выхлоп relief (GROMMET & INSERT, Exhaust relief) | нет в наличии, поставок нет |
| 57 | 0328744 | Винт, Trunnion to block (SCREW, Trunnion to block) | нет в наличии, поставок нет |
| 57 | 0308741 | (последний код) SCREW | нет в наличии, поставок нет |
| 58 | 0335316 | Сальник, Переключающая тяга (SEAL, Shift rod) | нет в наличии, поставок нет |
| 59 | 0436857 | Заглушка & NOZZLE, Overboard Индикатор (PLUG & NOZZLE, Overboard indicator) | нет в наличии, поставок нет |
| 59 | 0336217 | (последний код) NOZZLE,OVBD DRAIN | нет в наличии, поставок нет |
| 60 | 0585023 | температура Переключатель, Port (TEMPERATURE SWITCH, Port) | нет в наличии, поставок нет |
| 60 | 0514388 | (последний код) SWITCH,TEMPERATURE | нет в наличии, поставок нет |
| 61 | 0511469 | Клемма, Штифт (TERMINAL, Pin) | нет в наличии, поставок нет |
| 61 | 3852229 | (последний код) TERMINAL,PIN | нет в наличии, поставок нет |
| 62 | 0512746 | Коннектор (CONNECTOR) | нет в наличии, поставок нет |
| 63 | 0329562 | Крышка переключателя (COVER, Switch) | нет в наличии, поставок нет |
| 65 | 0301967 | Уплотнительное кольцо, Overboard Индикатор (O-RING, Overboard indicator) | нет в наличии, поставок нет |
| 66 | 0340950 | Головка блока цилиндра, 90 (CYLINDER HEAD, 90) | нет в наличии, поставок нет |
| 66 | 0335810 | Головка блока цилиндра, 115 (CYLINDER HEAD, 115) | нет в наличии, поставок нет |
| 67 | 0337478 | Направляющая, Статор Проводs (GUIDE, Stator wires) | нет в наличии, поставок нет |
| 68 | 0328584 | Крепление (MOUNT) | нет в наличии, поставок нет |
| 68 | 0349557 | (последний код) MOUNT | нет в наличии, поставок нет |
| 69 | 0329749 | Шайба, Крепление (WASHER, Mount) | нет в наличии, поставок нет |
| 69 | 0349556 | (последний код) WASHER | нет в наличии, поставок нет |
| 71 | 0315189 | Шайба, Фильтр (WASHER, Filter) | нет в наличии, поставок нет |
| 72 | 0341689 | Фильтр, Overboard (FILTER, Overboard) | нет в наличии, поставок нет |
| 73 | 0335521 | Втулка, Рычаг переключения to block (BUSHING, Shift lever to block) | нет в наличии, поставок нет |
| 74 | 0340418 | Фиксатор, верхний Крепление (RETAINER, Upper mount) | нет в наличии, поставок нет |
| 75 | 0320107 | Крепёжный хомут (TIE STRAP) | нет в наличии, поставок нет |
| 75 | 5035626 | (последний код) BAND,REM CON | нет в наличии, поставок нет |
| 76 | 0 | Шланг, Tee to верхний Подшипник vent, 6 дюйм (152 мм) сокращёная длина from 25 фут (7, 6m) Roll, 340848 (HOSE, Tee to upper bearing vent,6 in. (152mm). Cut to Length from 25 Ft. (7,6m) Roll, 340848) | нет в наличии, поставок нет |
| 77 | 0328649 | Винт, нижний Дренажный ниппель (SCREW, Lower drain nipple) | нет в наличии, поставок нет |
| 77 | 0337541 | (последний код) SCREW | нет в наличии, поставок нет |
| 78 | 0335500 | Сальник, Block to Нижняя часть корпуса, stbd. (SEAL, Block to lower cover, stbd.) | нет в наличии, поставок нет |
| 79 | 0335499 | Сальник, Block to Нижняя часть корпуса, port (SEAL, Block to lower cover, port) | нет в наличии, поставок нет |
| 80 | 0330263 | Винт, верхний Крепление retention (SCREW, Upper mount retention) | нет в наличии, поставок нет |
| 80 | 0914534 | (последний код) SCREW | нет в наличии, поставок нет |
| 81 | 0433817 | Рычаг в сборе., Переключающая тяга (LEVER ASSY., Shift rod) | нет в наличии, поставок нет |
| 82 | 0342916 | LINER, Пыльник (LINER, Grommet) | нет в наличии, поставок нет |
| 83 | 0340734 | Втулка, Переключающий вал (BUSHING, Shift shaft) | нет в наличии, поставок нет |
| 84 | 0343105 | Гильза, Термостат. "A" Suffix Models Only (SLEEVE, Thermostat. "A" Suffix Models Only) | нет в наличии, поставок нет |
| 85 | 0339044 | Прокладка, Термостат. "A" Suffix Models Only (GASKET, Thermostat. "A" Suffix Models Only) | нет в наличии, поставок нет |
| 86 | 0342923 | Крышка, Блок цилиндра (COVER, Cylinder block) | нет в наличии, поставок нет |
| 87 | 0332135 | Заглушка, Головка блока цилиндра pressure tap (PLUG, Cylinder head pressure tap) | нет в наличии, поставок нет |
| 87 | 0340808 | (последний код) PLUG | нет в наличии, поставок нет |
| 88 | 0437779 | POWERHEAD Комплект прокладок (POWERHEAD GASKET SET) | нет в наличии, поставок нет |
| 88 | 0439559 | (последний код) GASKET SET, PWHD | нет в наличии, поставок нет |