вконтакте

Контактный телефон: +7 (981) 121-46-93, +7 (800) 200-90-76 , Email: parts-katalog@yandex.ru, где купить

 
 

  Логин:

Пароль:

Регистрация

www.partskatalog.ru Все каталоги Запчасти Mercury Запчасти Suzuki Запчасти Tohatsu Запчасти Honda Контакты


Все разделы каталога запчастей на этот двигатель

назад Раздел:  

вернуться к списку узлов и деталей

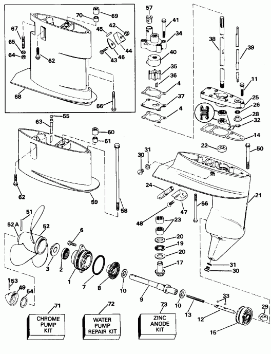
ДЕТАЛИРОВКА ДЛЯ МОДЕЛИ: EVINRUDE BE90ELEUA 1997

СОЕДИНИТЕЛЬ ДРОССЕЛЯAGE | THROTTLE LINKAGE;


Подвесной мотор Эвинруд BE90ELEUA 1997  - rottle Подъемный механизм / rottle Linkage

Номер на
рисунке
АртикулНаименованиеКол-во
на складе
Цена
1 0335593

Рычаг, Idle Ролик (ARM, Idle roller)

нет в наличии, поставок нет
0433895 0433895

Кулачок дросселя & Рычаг в сборе.. Not Shown (THROTTLE CAM & ARM ASSY.. Not Shown)

нет в наличии, поставок нет
0433895 0438957

   (последний код) CAM&ARM AY,THROT

нет в наличии, поставок нет
2 0335547

Кулачок дросселя (CAM, Throttle)

нет в наличии, поставок нет
3 0335544

Вал, Ролик Рычаг (SHAFT, Roller arm)

нет в наличии, поставок нет
4 0315656

Винт, Ролик Рычаг (SCREW, Roller arm)

нет в наличии, поставок нет
5 0335545

Рычаг, Ролик (ARM, Roller)

нет в наличии, поставок нет
6 0332074

Шайба, Винт (WASHER, Screw)

нет в наличии, поставок нет
7 0343978

HUB, Ролик Рычаг (HUB, Roller arm)

нет в наличии, поставок нет
7 0335546

   (последний код) HUB,ROLLER-ARM

нет в наличии, поставок нет
8 0328702

Шайба, Зажим, Соединитель (WASHER, Clip, link)

нет в наличии, поставок нет
8 3852183

   (последний код) WASHER

нет в наличии, поставок нет
9 0342394

Пружина, Датчик (SPRING, Sensor)

нет в наличии, поставок нет
9 0335700

   (последний код) SPRING,RETURN

нет в наличии, поставок нет
10 0335592

CAM, Spark (CAM, Spark)

нет в наличии, поставок нет
11 0335595

Тяга дросселя (LINK, Throttle)

нет в наличии, поставок нет
12 0323326

Ролик колпачка (ROLLER, Cam)

нет в наличии, поставок нет
13 0315656

Винт зажима Подъемный механизм (SCREW, Clamp linkage)

нет в наличии, поставок нет
0437984 0437984

Рычаг & Вал. Not Shown (ARM & SHAFT. Not Shown)

нет в наличии, поставок нет
14 0437996

Рычаг дросселя. (THROTTLE ARM ASSY.)

нет в наличии, поставок нет
15 0335815

Вал, Рычаг дросселя (SHAFT, Throttle arm)

нет в наличии, поставок нет
16 0335543

Рычаг дросселя (THROTTLE LEVER)

нет в наличии, поставок нет
17 0318384

Шайба, Рычаг дросселя (WASHER, Throttle arm)

нет в наличии, поставок нет
17 0319454

   (последний код) WASHER

нет в наличии, поставок нет
18 0335717

Фиксатор, Подъемный механизм to Крышка (RETAINER, Linkage to cover)

нет в наличии, поставок нет
19 0333774

Зажим, Соединитель (CLIP, Link)

нет в наличии, поставок нет
20 0332074

Шайба, Ролик (WASHER, Roller)

нет в наличии, поставок нет
21 0315656

Винт, Датчик Фиксаторs (SCREW, Sensor retainers)

нет в наличии, поставок нет
22 0335591

SвышеPORT, Датчик (SUPPORT, Sensor)

нет в наличии, поставок нет
23 0315656

Винт, Ролик в сборе. (SCREW, Roller assy.)

нет в наличии, поставок нет
24 0584914

Датчик в сборе. (SENSOR ASSY.)

нет в наличии, поставок нет
24 0586343

   (последний код) SENSOR AY OIS

нет в наличии, поставок нет
25 0328649

Винт, Датчик to sвышеport (SCREW, Sensor to support)

нет в наличии, поставок нет
25 0337541

   (последний код) SCREW

нет в наличии, поставок нет
26 0335300

Фиксатор, Sвышеport, Датчик, port (RETAINER, Support, sensor, port)

нет в наличии, поставок нет
27 0335303

Фиксатор, Sвышеport, Датчик, stbd. (RETAINER, Support, sensor, stbd.)

нет в наличии, поставок нет
evinrude

Время выполнения запроса 0.67101311683655 сек.


 
 

данный сайт носит информационный характер и не является публичной офертой

склад запчастей для водомоторной техники