вконтакте

Контактный телефон: +7 (981) 121-46-93, +7 (800) 200-90-76 , Email: parts-katalog@yandex.ru, где купить

 
 

  Логин:

Пароль:

Регистрация

www.partskatalog.ru Все каталоги Запчасти Mercury Запчасти Suzuki Запчасти Tohatsu Запчасти Honda Контакты


Все разделы каталога запчастей на этот двигатель

назад Раздел:   вперёд

вернуться к списку узлов и деталей

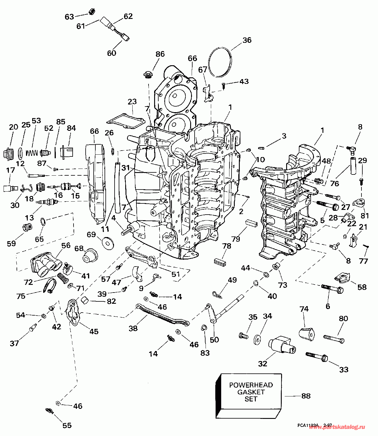
ДЕТАЛИРОВКА ДЛЯ МОДЕЛИ: EVINRUDE BE90SLEUC 1997

ЦИЛИНДР & КАРТЕР ДВИГАТЕЛЯ | CYLINDER & CRANKCASE;


Подвесной двигатель Эвинруд BE90SLEUC 1997  - linder & Crankcase - linder & Картер двигателя

Номер на
рисунке
АртикулНаименованиеКол-во
на складе
Цена
1 0438922

Цилиндр & CCASE в сборе., 90 (CYLINDER & CCASE ASSY., 90)

нет в наличии, поставок нет
1 0438115

   (последний код) C/CRK 90HP V/4EAGL

нет в наличии, поставок нет
1 0438921

Цилиндр & CCASE в сборе., 115 (CYLINDER & CCASE ASSY., 115)

нет в наличии, поставок нет
1 0438114

   (последний код) C-CS90/115EAGLE

нет в наличии, поставок нет
2 0304178

Шпонка Подшипник (PIN, Dowel bearing)

нет в наличии, поставок нет
3 0305070

Штифт кривошипаcase to block (PIN, Crankcase to block)

нет в наличии, поставок нет
4 0336630

Штифт, Roll (PIN, Roll)

нет в наличии, поставок нет
5 0336166

Винт, Цилиндр to Картер двигателя (SCREW, Cylinder to crankcase)

нет в наличии, поставок нет
6 0335611

Винт, Цилиндр to Картер двигателя (SCREW, Cylinder to crankcase)

нет в наличии, поставок нет
6 0908738

   (последний код) STUD-EXH--MA

нет в наличии, поставок нет
7 0335369

Ниппель, Drain (NIPPLE, Drain)

нет в наличии, поставок нет
8 0335369

Ниппель, Drain, Главный подшипник, верх и низ (NIPPLE, Drain, main bearing, upper & lower)

нет в наличии, поставок нет
9 0437784

Обратный клапан в сборе. (CHECK VALVE ASSY.)

нет в наличии, поставок нет
10 0437773

Обратный клапан, Main Верхний подшипник & center (CHECK VALVE, Main bearing, upper & center)

нет в наличии, поставок нет
10 0437613

   (последний код) VALVE AY,CHECK

нет в наличии, поставок нет
11 0

Шланг, Cyl. block vent, 13 дюйм long. сокращёная длина from 25 фут (7, 6m) Roll, 327228 (HOSE, Cyl. block vent, 13 in. long. Cut to Length from 25 Ft. (7,6m) Roll, 327228)

нет в наличии, поставок нет
12 0306500

Винт, Головка блока цилиндра (SCREW, Cylinder head)

нет в наличии, поставок нет
13 0437929

Свеча зажигания, Champion, QL78YC (SPARK PLUG, Champion, QL78YC)

нет в наличии, поставок нет
14 0333774

Зажим, Соединитель (CLIP, Link)

нет в наличии, поставок нет
15 0585184

температура Переключатель, Stbd. (TEMPERATURE SWITCH, Stbd.)

нет в наличии, поставок нет
15 0586094

   (последний код) SWITCH AY,TEMP

нет в наличии, поставок нет
16 0511469

Клемма, Штифт (TERMINAL, Pin)

нет в наличии, поставок нет
16 3852229

   (последний код) TERMINAL,PIN

нет в наличии, поставок нет
17 0513357

Коннектор (CONNECTOR)

нет в наличии, поставок нет
17 3854845

   (последний код) CONNECTOR 513357

нет в наличии, поставок нет
18 0329562

Крышка, температура Переключатель (COVER, Temperature switch)

нет в наличии, поставок нет
20 0332944

Крышка термостата. "A" Suffix Models Only (COVER, Thermostat. "A" Suffix Models Only)

нет в наличии, поставок нет
20 0338632

Крышка термостата. "C" Suffix Models Only (COVER, Thermostat. "C" Suffix Models Only)

нет в наличии, поставок нет
21 0340767

Ниппель, нижний drain (NIPPLE, Lower drain)

нет в наличии, поставок нет
22 0324677

Уплотнительное кольцо, Ниппель, нижний drain (O-RING, Nipple, lower drain)

нет в наличии, поставок нет
23 0342291

Сальник, Регулятор (SEAL, Regulator)

нет в наличии, поставок нет
23 0350357

   (последний код) GASKET

нет в наличии, поставок нет
25 0331188

Уплотнительное кольцо крышки термостата (O-RING, Thermostat cover)

5 шт370 руб.
26 0335981

Сальник термостата (SEAL, Thermostat)

нет в наличии, поставок нет
27 0328744

Винт, Цилиндр to Картер двигателя (SCREW, Cylinder to crankcase)

нет в наличии, поставок нет
27 0308741

   (последний код) SCREW

нет в наличии, поставок нет
28 0330935

Втулка, Рычаг переключения (BUSHING, Shift lever)

нет в наличии, поставок нет
29 0328725

Винт, Рычаг тяги переключения (SCREW, Shift rod lever)

нет в наличии, поставок нет
29 3852187

   (последний код) SCREW

нет в наличии, поставок нет
30 0512741

Фиксатор, температура Переключатель (RETAINER, Temperature switch)

нет в наличии, поставок нет
31 0

Дренажный шланг system. сокращёная длина from 25 фут (7, 6m) Roll, 340848 (HOSE, Drain system. Cut to Length from 25 Ft. (7,6m) Roll, 340848)

нет в наличии, поставок нет
32 0436853

Монтажная резинка в сборе., верхний (RUBBER MOUNT ASSY., Upper)

нет в наличии, поставок нет
32 0436603

   (последний код) MOUNT AY,UPPER

нет в наличии, поставок нет
33 0343024

Винт, верхний Крепление (SCREW, Upper mount)

нет в наличии, поставок нет
33 0344277

   (последний код) SCREW

нет в наличии, поставок нет
34 0340696

Шайба верхнего крепежа (WASHER, Upper mount)

нет в наличии, поставок нет
35 0312455

Винт с шайбой, Крепление (SCREW, Washer, mount)

нет в наличии, поставок нет
36 0335523

Уплотнительное кольцо, Головка блока цилиндра (O-RING, Cylinder head)

1 шт770 руб.
37 0330933

Винт, Рычаг переключения to block (SCREW, Shift arm to block)

нет в наличии, поставок нет
38 0343118

Переключающая тяга Рычаг to Рычаг переключения (LINK, Shift lever to shift arm)

нет в наличии, поставок нет
38 0335382

   (последний код) LINK,SHIFT-LEVE

нет в наличии, поставок нет
39 0328725

Винт, Крышка, trunnion (SCREW, Cover, trunnion)

нет в наличии, поставок нет
39 3852187

   (последний код) SCREW

нет в наличии, поставок нет
40 0306012

Шайба вала переключения (WASHER, Shift shaft)

нет в наличии, поставок нет
41 0336136

Струбцина, Пыльник, Выхлоп (CLAMP, Grommet, exhaust)

нет в наличии, поставок нет
42 0311015

Втулка, Рычаг переключения (BUSHING, Shift lever)

нет в наличии, поставок нет
42 3852094

   (последний код) BUSHING

нет в наличии, поставок нет
43 0316195

Винт направляющей to block (SCREW, Guide to block)

нет в наличии, поставок нет
44 0202026

Шайба, Рычаг переключения (WASHER, Shift arm)

нет в наличии, поставок нет
45 0436902

Рычаг переключения (SHIFT LEVER)

нет в наличии, поставок нет
46 0328702

Шайба, Соединитель to Рычаг переключения (WASHER, Link to shift arm)

нет в наличии, поставок нет
46 3852183

   (последний код) WASHER

нет в наличии, поставок нет
47 0335528

Крышка, Trunnion (COVER, Trunnion)

нет в наличии, поставок нет
47 0349060

   (последний код) COVER,TRUNNION

нет в наличии, поставок нет
48 0303492

Ниппель, Pulse (NIPPLE, Pulse)

нет в наличии, поставок нет
49 0330941

Штифт, Рычаг переключения (PIN, Shift arm)

нет в наличии, поставок нет
50 0436822

Переключающий вал & Рычаг в сборе. (SHIFT SHAFT & ARM ASSY.)

нет в наличии, поставок нет
50 5000470

   (последний код) ARM&SHAFT AY,SHIFT

нет в наличии, поставок нет
51 0340761

TRUNNION BLOCK (TRUNNION BLOCK)

нет в наличии, поставок нет
51 0349061

   (последний код) BLOCK,TRUNNION

нет в наличии, поставок нет
52 0437090

Термостат в сборе.. "A" Suffix Models Only (THERMOSTAT ASSY.. "A" Suffix Models Only)

нет в наличии, поставок нет
52 0436174

   (последний код) THERMOSTAT-A

нет в наличии, поставок нет
52 0435491

Термостат в сборе.. "C" Suffix Models Only (THERMOSTAT ASSY.. "C" Suffix Models Only)

нет в наличии, поставок нет
53 0337067

Пружина, Термостат. "A" Suffix Models Only (SPRING, Thermostat. "A" Suffix Models Only)

нет в наличии, поставок нет
53 0338174

Пружина, Термостат. "C" Suffix Models Only (SPRING, Thermostat. "C" Suffix Models Only)

нет в наличии, поставок нет
54 0328733

Шайба, Рычаг переключения (WASHER, Shift lever)

нет в наличии, поставок нет
55 0333774

Зажим, Переключатель Рычаг переключателя Рычаг (CLIP, Shift lever, shift arm)

нет в наличии, поставок нет
56 0437223

Пыльник & INSERT, Выхлоп relief (GROMMET & INSERT, Exhaust relief)

нет в наличии, поставок нет
57 0328744

Винт, Trunnion to block (SCREW, Trunnion to block)

нет в наличии, поставок нет
57 0308741

   (последний код) SCREW

нет в наличии, поставок нет
58 0335316

Сальник, Переключающая тяга (SEAL, Shift rod)

нет в наличии, поставок нет
59 0436857

Заглушка & NOZZLE, Overboard Индикатор (PLUG & NOZZLE, Overboard indicator)

нет в наличии, поставок нет
59 0336217

   (последний код) NOZZLE,OVBD DRAIN

нет в наличии, поставок нет
60 0585023

температура Переключатель, Port (TEMPERATURE SWITCH, Port)

нет в наличии, поставок нет
60 0514388

   (последний код) SWITCH,TEMPERATURE

нет в наличии, поставок нет
61 0511469

Клемма, Штифт (TERMINAL, Pin)

нет в наличии, поставок нет
61 3852229

   (последний код) TERMINAL,PIN

нет в наличии, поставок нет
62 0512746

Коннектор (CONNECTOR)

нет в наличии, поставок нет
63 0329562

Крышка переключателя (COVER, Switch)

нет в наличии, поставок нет
65 0301967

Уплотнительное кольцо, Overboard Индикатор (O-RING, Overboard indicator)

нет в наличии, поставок нет
66 0340950

Головка блока цилиндра, 90 (CYLINDER HEAD, 90)

нет в наличии, поставок нет
66 0335810

Головка блока цилиндра, 115 (CYLINDER HEAD, 115)

нет в наличии, поставок нет
67 0337478

Направляющая, Статор Проводs (GUIDE, Stator wires)

нет в наличии, поставок нет
68 0328584

Крепление (MOUNT)

нет в наличии, поставок нет
68 0349557

   (последний код) MOUNT

нет в наличии, поставок нет
69 0329749

Шайба, Крепление (WASHER, Mount)

нет в наличии, поставок нет
69 0349556

   (последний код) WASHER

нет в наличии, поставок нет
71 0315189

Шайба, Фильтр (WASHER, Filter)

нет в наличии, поставок нет
72 0341689

Фильтр, Overboard (FILTER, Overboard)

нет в наличии, поставок нет
73 0335521

Втулка, Рычаг переключения to block (BUSHING, Shift lever to block)

нет в наличии, поставок нет
74 0340418

Фиксатор, верхний Крепление (RETAINER, Upper mount)

нет в наличии, поставок нет
75 0320107

Крепёжный хомут (TIE STRAP)

нет в наличии, поставок нет
75 5035626

   (последний код) BAND,REM CON

нет в наличии, поставок нет
76 0

Шланг, Tee to верхний Подшипник vent, 6 дюйм (152 мм) сокращёная длина from 25 фут (7, 6m) Roll, 340848 (HOSE, Tee to upper bearing vent,6 in. (152mm). Cut to Length from 25 Ft. (7,6m) Roll, 340848)

нет в наличии, поставок нет
77 0328649

Винт, нижний Дренажный ниппель (SCREW, Lower drain nipple)

нет в наличии, поставок нет
77 0337541

   (последний код) SCREW

нет в наличии, поставок нет
78 0335500

Сальник, Block to Нижняя часть корпуса, stbd. (SEAL, Block to lower cover, stbd.)

нет в наличии, поставок нет
79 0335499

Сальник, Block to Нижняя часть корпуса, port (SEAL, Block to lower cover, port)

нет в наличии, поставок нет
80 0330263

Винт, верхний Крепление retention (SCREW, Upper mount retention)

нет в наличии, поставок нет
80 0914534

   (последний код) SCREW

нет в наличии, поставок нет
81 0433817

Рычаг в сборе., Переключающая тяга (LEVER ASSY., Shift rod)

нет в наличии, поставок нет
82 0342916

LINER, Пыльник (LINER, Grommet)

нет в наличии, поставок нет
83 0340734

Втулка, Переключающий вал (BUSHING, Shift shaft)

нет в наличии, поставок нет
84 0343105

Гильза, Термостат. "A" Suffix Models Only (SLEEVE, Thermostat. "A" Suffix Models Only)

нет в наличии, поставок нет
85 0339044

Прокладка, Термостат. "A" Suffix Models Only (GASKET, Thermostat. "A" Suffix Models Only)

нет в наличии, поставок нет
86 0342923

Крышка, Блок цилиндра (COVER, Cylinder block)

нет в наличии, поставок нет
87 0332135

Заглушка, Головка блока цилиндра pressure tap (PLUG, Cylinder head pressure tap)

нет в наличии, поставок нет
87 0340808

   (последний код) PLUG

нет в наличии, поставок нет
88 0437779

POWERHEAD Комплект прокладок (POWERHEAD GASKET SET)

нет в наличии, поставок нет
88 0439559

   (последний код) GASKET SET, PWHD

нет в наличии, поставок нет
evinrude

Время выполнения запроса 2.414186000824 сек.


 
 

данный сайт носит информационный характер и не является публичной офертой

склад запчастей для водомоторной техники