вконтакте

Контактный телефон: +7 (981) 121-46-93, +7 (800) 200-90-76 , Email: parts-katalog@yandex.ru, где купить

 
 

  Логин:

Пароль:

Регистрация

www.partskatalog.ru Все каталоги Запчасти Mercury Запчасти Suzuki Запчасти Tohatsu Запчасти Honda Контакты


Все разделы каталога запчастей на этот двигатель

назад Раздел:   вперёд

вернуться к списку узлов и деталей

ДЕТАЛИРОВКА ДЛЯ МОДЕЛИ: EVINRUDE E30RLEUD 1997

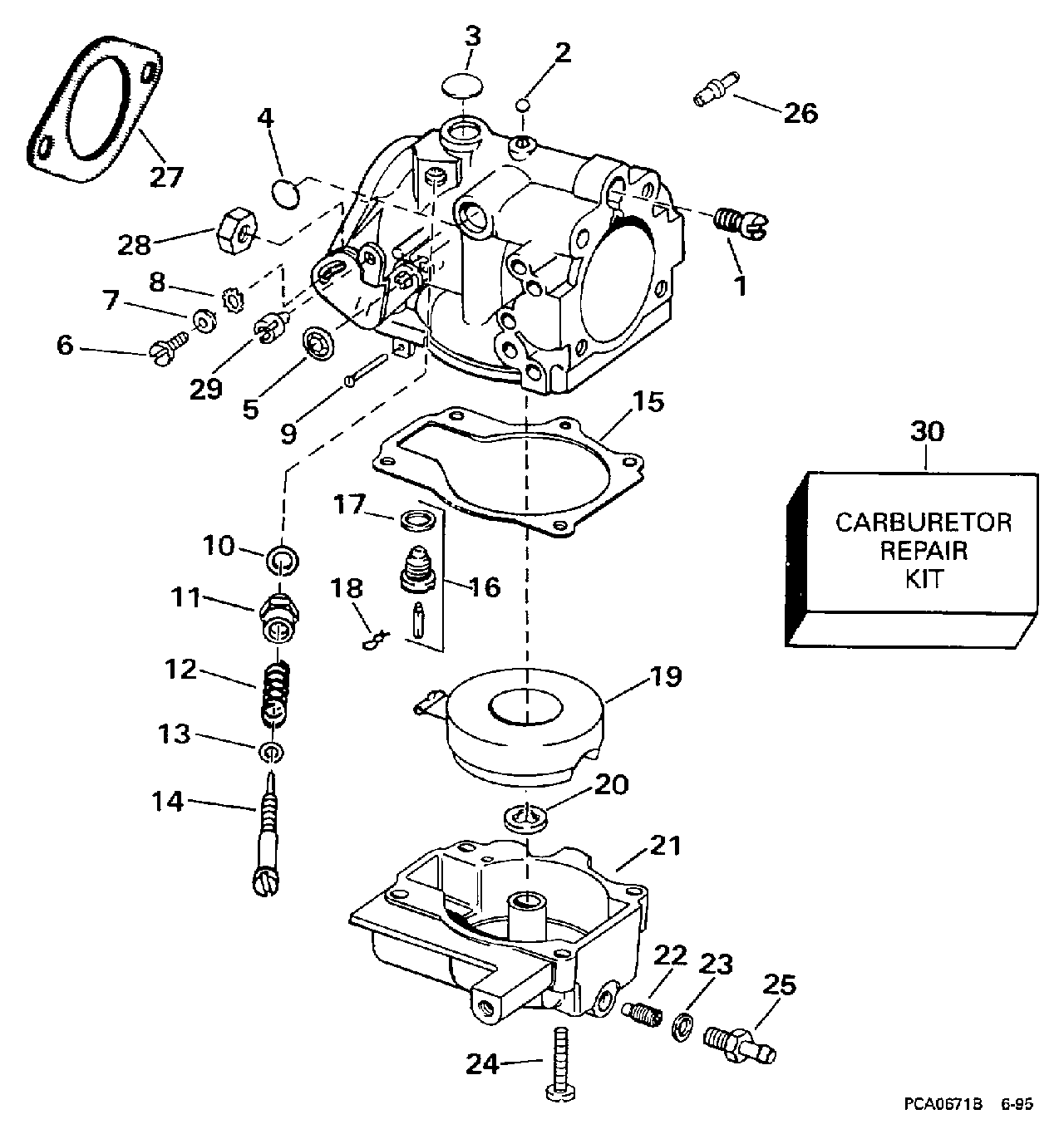
КАРБЮРАТОР - 20SR, 25R | CARBURETOR - 20SR, 25R;


Подвесной двигатель EVINRUDE E30RLEUD 1997  - 20sr, 25r / 20sr, 25r

Номер на
рисунке
АртикулНаименованиеКол-во
на складе
Цена
0432698 0432698

Карбюратор в сборе. Not Shown (CARBURETOR ASSEMBLY. Not Shown)

нет в наличии, поставок нет
0432698 0439374

   (последний код) CARBURETOR AY

нет в наличии, поставок нет
1 0317473

ORIFICE Заглушка, № 30 (ORIFICE PLUG, No. 30)

нет в наличии, поставок нет
2 0304201

LEAD SHOT (LEAD SHOT)

нет в наличии, поставок нет
3 0202310

CORE Заглушка (CORE PLUG)

нет в наличии, поставок нет
4 0307542

CORE Заглушка (CORE PLUG)

нет в наличии, поставок нет
5 0313973

Гайка, Push (NUT, Push)

нет в наличии, поставок нет
6 0324064

Винт дросселя Рычаг (SCREW, Throttle lever)

нет в наличии, поставок нет
7 0328735

Шайба, Винт дросселя Рычаг (WASHER, Screw, throttle lever)

нет в наличии, поставок нет
7 3852188

   (последний код) WASHER

нет в наличии, поставок нет
8 0303701

Шайба с блокировкой, Винт дросселя Рычаг (LOCK WASHER, Screw, throttle lever)

нет в наличии, поставок нет
9 0302661

HINGE Стопор поплавка (HINGE PIN, Float)

нет в наличии, поставок нет
10 0334746

Уплотнительное кольцо, Adapter to carb. Корпус (O-RING, Adapter to carb. body)

нет в наличии, поставок нет
11 0335564

ADAPTER, Игольчатый клапан (ADAPTER, Needle valve)

нет в наличии, поставок нет
11 0335013

   (последний код) ADAPTOR

нет в наличии, поставок нет
12 0332576

Пружина, Игольчатый клапан (SPRING, Needle valve)

нет в наличии, поставок нет
12 0329388

   (последний код) SPRING

нет в наличии, поставок нет
13 0334746

Уплотнительное кольцо, Игольчатый клапан (O-RING, Needle valve)

нет в наличии, поставок нет
14 0335015

Игольчатый клапан, Slow speed adj. (NEEDLE VALVE, Slow speed adj.)

нет в наличии, поставок нет
15 0338880

Прокладка, Поплавок bowl (GASKET, Float bowl)

нет в наличии, поставок нет
15 0332696

   (последний код) GASKET,-DLR

нет в наличии, поставок нет
16 0396521

Клапан поплавка & Седло в сборе. (FLOAT VALVE & SEAT ASSY.)

нет в наличии, поставок нет
16 0678882

   (последний код) VALVE-&-SEAT

нет в наличии, поставок нет
17 0301996

Шайба (WASHER)

1 шт140 руб.
18 0336842

Пружина Зажим (SPRING CLIP)

нет в наличии, поставок нет
18 0603145

   (последний код) CLIP

нет в наличии, поставок нет
19 0382363

Поплавок & Рычаг ASSEMBLY (FLOAT & ARM ASSEMBLY)

нет в наличии, поставок нет
20 0343512

Прокладка, Nozzle (GASKET, Nozzle)

нет в наличии, поставок нет
20 0338881

   (последний код) GASKET

нет в наличии, поставок нет
21 0393130

Поплавковая камера (FLOAT CHAMBER)

нет в наличии, поставок нет
21 0439368

   (последний код) CHAMBER&NIPPLE AY

нет в наличии, поставок нет
22 0331567

ORIFICE Заглушка, № 51D (ORIFICE PLUG, No. 51D)

нет в наличии, поставок нет
23 0303630

Шайба, Сливной винт (WASHER, Screw plug)

нет в наличии, поставок нет
24 0333430

Винт, Поплавок bowl to Карбюратор (SCREW, Float bowl to carburetor)

нет в наличии, поставок нет
25 0326467

Ниппель, Поплавок bowl (NIPPLE, Float bowl)

нет в наличии, поставок нет
25 0335235

   (последний код) NIPPLE

нет в наличии, поставок нет
26 0327706

Ниппель, Primer (NIPPLE, Primer)

нет в наличии, поставок нет
27 0325092

Прокладка карбюратора to Коллектор (GASKET, Carburetor to manifold)

нет в наличии, поставок нет
27 0314477

   (последний код) GASKET

нет в наличии, поставок нет
28 0315204

Гайка, Карбюратор Креплениеing (NUT, Carburetor mounting)

нет в наличии, поставок нет
28 0316355

   (последний код) NUT

нет в наличии, поставок нет
29 0313329

Фиксатор, Соединитель to Карбюратор (RETAINER, Link to carburetor)

нет в наличии, поставок нет
30 0396701

Ремкомплект карбюратора (CARBURETOR REPAIR KIT)

нет в наличии, поставок нет
30 0398729

   (последний код) KIT AY,CARB REPAIR

нет в наличии, поставок нет
evinrude

Время выполнения запроса 1.0601649284363 сек.


 
 

данный сайт носит информационный характер и не является публичной офертой

склад запчастей для водомоторной техники