вконтакте

Контактный телефон: +7 (981) 121-46-93, +7 (800) 200-90-76 , Email: parts-katalog@yandex.ru, где купить

 
 

  Логин:

Пароль:

Регистрация

www.partskatalog.ru Все каталоги Запчасти Mercury Запчасти Suzuki Запчасти Tohatsu Запчасти Honda Контакты


Все разделы каталога запчастей на этот двигатель

назад Раздел:   вперёд

вернуться к списку узлов и деталей

ДЕТАЛИРОВКА ДЛЯ МОДЕЛИ: EVINRUDE E25KLEUR 1997

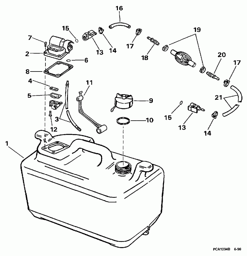
ТОПЛИВНЫЙ БАК - 6 ГАЛЛОН | FUEL TANK - 6 GALLON;


Лодочный подвесной мотор Эвинруд E25KLEUR 1997  - 6 Gallon

Номер на
рисунке
АртикулНаименованиеКол-во
на складе
Цена
1 0175981

Топливный бак, 6 галлон (FUEL TANK, 6 gallon)

нет в наличии, поставок нет
1 0763900

   (последний код) TANK AY, 6 GALLON

нет в наличии, поставок нет
2 0175977

Коллектор в сборе. (MANIFOLD ASSY.)

нет в наличии, поставок нет
2 5006463

   (последний код) MANIFOLD & PLUG AY

нет в наличии, поставок нет
3 0175989

FUEL CONDUIT (FUEL CONDUIT)

нет в наличии, поставок нет
4 0127145

LENS (LENS)

нет в наличии, поставок нет
5 0127146

Сальник, Lens (SEAL, Lens)

нет в наличии, поставок нет
6 0124369

Уплотнительное кольцо, Заглушка to Коллектор (O-RING, Plug to manifold)

нет в наличии, поставок нет
7 0127103

Винт, Коллектор to tank (SCREW, Manifold to tank)

нет в наличии, поставок нет
8 0127093

Сальник, Коллектор to tank (SEAL, Manifold to tank)

нет в наличии, поставок нет
9 0175978

Колпачок, Gas (CAP, Gas)

нет в наличии, поставок нет
9 0174793

   (последний код) CAP AY,GASOLINE

нет в наличии, поставок нет
10 0127090

Прокладка (GASKET)

нет в наличии, поставок нет
11 0176235

Индикатор, 6 галлон (INDICATOR, 6 gallon)

нет в наличии, поставок нет
12 0124549

Винт (SCREW)

нет в наличии, поставок нет
0398549 0398549

FUEL CONN., Шланг, & Топливный шланг с грушей и коннекторами.. Not Shown (FUEL CONN., HOSE, & PRIMER BULB ASSY.. Not Shown)

нет в наличии, поставок нет
0398549 0775635

   (последний код) KIT-HOSE & BULB AY

нет в наличии, поставок нет
13 0174508

Топливный шланг Коннектор KIT (FUEL HOSE CONNECTOR KIT)

нет в наличии, поставок нет
13 0775640

   (последний код) FUEL CONN KIT 5/16

нет в наличии, поставок нет
14 0322652

Струбцина, Защелка (CLAMP, Snap)

нет в наличии, поставок нет
14 3852170

   (последний код) CLAMP,SNAP

нет в наличии, поставок нет
15 0334913

Уплотнительное кольцо (O-RING)

нет в наличии, поставок нет
15 0331380

   (последний код) O-RING-10PK

нет в наличии, поставок нет
16 0

Шланг, Short, 19 1 / 2 дюйм (495 мм) сокращёная длина from 333341 -- 5 / 16 дюйм I.D., 25 фут (7, 6m) Roll (HOSE, Short, 19 1/2 in. (495mm). Cut to Length from 333341 -- 5/16 in. I.D., 25 ft. (7,6m) Roll)

нет в наличии, поставок нет
0174511 0174511

Топливная груша KIT. Not Shown (PRIMER BULB KIT. Not Shown)

нет в наличии, поставок нет
0174511 0775638

   (последний код) PRIM BULB KIT 5/16

нет в наличии, поставок нет
17 0322652

Струбцина, Защелка (CLAMP, Snap)

нет в наличии, поставок нет
17 3852170

   (последний код) CLAMP,SNAP

нет в наличии, поставок нет
18 0397525

Ниппель & Клапан в сборе., вход (NIPPLE & VALVE ASSY., Inlet)

нет в наличии, поставок нет
18 0393511

   (последний код) NIPPLE&VALVE AY

нет в наличии, поставок нет
19 0553166

Струбцина, Ремешок, large (CLAMP, Band, large)

нет в наличии, поставок нет
20 0396462

Ниппель & Клапан в сборе., выход (NIPPLE & VALVE ASSY., Outlet)

нет в наличии, поставок нет
20 0383720

   (последний код) NIPPLE & VLVE

нет в наличии, поставок нет
21 0

Шланг, Long, 99 дюйм (2515 мм) сокращёная длина from 333341 -- 5 / 16 дюйм I.D., 25 фут (7, 6m) Roll (HOSE, Long, 99 in. (2515mm). Cut to Length from 333341 -- 5/16 in. I.D., 25 ft. (7,6m) Roll)

нет в наличии, поставок нет
evinrude

Время выполнения запроса 0.83406686782837 сек.


 
 

данный сайт носит информационный характер и не является публичной офертой

склад запчастей для водомоторной техники