| |
Все разделы каталога запчастей на этот двигатель
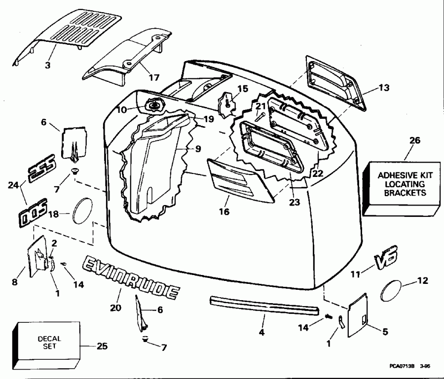
вернуться к списку узлов и деталей ДЕТАЛИРОВКА ДЛЯ МОДЕЛИ: EVINRUDE E225CXEDE 1996
КРЫШКА ДВИГАТЕЛЯ (КАПОТ) - EVINRUDE - 200STL, 225STL | ENGINE COVER - EVINRUDE - 200STL, 225STL;
Номер на рисунке | Артикул | Наименование | Кол-во на складе | Цена |
| 0284760 | 0284760 | Крышка двигателя (капот) в сборе., 200. Not Shown (ENGINE COVER ASSY., 200. Not Shown) | нет в наличии, поставок нет |
| 0284761 | 0284761 | Крышка двигателя (капот) в сборе., 225. Not Shown (ENGINE COVER ASSY., 225. Not Shown) | нет в наличии, поставок нет |
| 1 | 0435716 | Крючок (HOOK) | нет в наличии, поставок нет |
| 2 | 0323228 | Винт, Система впуска to Кронштейн (SCREW, Intake to bracket) | нет в наличии, поставок нет |
| 3 | 0337791 | Крышка, Air Система впуска (COVER, Air intake) | нет в наличии, поставок нет |
| 4 | 0337790 | Резинка капота двигателя (SEAL, Engine cover) | нет в наличии, поставок нет |
| 5 | 0437394 | Кронштейн, Front (BRACKET, Front) | нет в наличии, поставок нет |
| 5 | 0337788 | (последний код) BRACKET,LATCH | нет в наличии, поставок нет |
| 6 | 0337789 | LOCATING Кронштейн, Rear (LOCATING BRACKET, Rear) | нет в наличии, поставок нет |
| 7 | 0324898 | Бампер, Locating Кронштейнs (BUMPER, Locating brackets) | нет в наличии, поставок нет |
| 8 | 0437393 | Кронштейн, Rear (BRACKET, Rear) | нет в наличии, поставок нет |
| 8 | 0337529 | (последний код) BRACKET,LATC | нет в наличии, поставок нет |
| 9 | 0337793 | BAFFLE, Air Система впуска (BAFFLE, Air intake) | нет в наличии, поставок нет |
| 10 | 0317223 | Защелка, Applique (FASTENER, Applique) | нет в наличии, поставок нет |
| 11 | 0212470 | LENS, Front, V6 (LENS, Front, V6) | нет в наличии, поставок нет |
| 12 | 0212478 | LENS, Ev., front (LENS, Ev., front) | нет в наличии, поставок нет |
| 12 | 0212477 | (последний код) APPLIQUE,EV | нет в наличии, поставок нет |
| 13 | 0341390 | LOUVER, Port (LOUVER, Port) | нет в наличии, поставок нет |
| 14 | 0328744 | Винт, Крючок (SCREW, Hook) | нет в наличии, поставок нет |
| 14 | 0308741 | (последний код) SCREW | нет в наличии, поставок нет |
| 15 | 0332191 | Воздушный винт Система впуска (SCREW, Air intake) | нет в наличии, поставок нет |
| 16 | 0341391 | LOUVER, Stbd (LOUVER, Stbd) | нет в наличии, поставок нет |
| 17 | 0337528 | BAFFLE (BAFFLE) | нет в наличии, поставок нет |
| 18 | 0212478 | LENS, Ev., rear (LENS, Ev., rear) | нет в наличии, поставок нет |
| 18 | 0212477 | (последний код) APPLIQUE,EV | нет в наличии, поставок нет |
| 19 | 0338482 | Сальник, Baffle (SEAL, Baffle) | нет в наличии, поставок нет |
| 20 | 0212479 | LENS, Ev., port & stbd. (LENS, Ev., port & stbd.) | нет в наличии, поставок нет |
| 20 | 0212247 | (последний код) APPLIQUE,EVI | нет в наличии, поставок нет |
| 21 | 0330823 | Винт, Louver to Кронштейн (SCREW, Louver to bracket) | нет в наличии, поставок нет |
| 21 | 0325838 | (последний код) SCREW | нет в наличии, поставок нет |
| 22 | 0341392 | Кронштейн, Port, louver (BRACKET, Port, louver) | нет в наличии, поставок нет |
| 23 | 0341393 | Кронштейн, Stbd., louver (BRACKET, Stbd., louver) | нет в наличии, поставок нет |
| 24 | 0212468 | LENS, Rear, 200 (LENS, Rear, 200) | нет в наличии, поставок нет |
| 24 | 0212469 | LENS, Rear, 225 (LENS, Rear, 225) | нет в наличии, поставок нет |
| 25 | 0284889 | Комплект наклеек, 200 (DECAL SET, 200) | нет в наличии, поставок нет |
| 25 | 0284891 | Комплект наклеек, 225 (DECAL SET, 225) | нет в наличии, поставок нет |
| 26 | 0431929 | ADHESIVE KIT, Locating Кронштейнs (ADHESIVE KIT, Locating brackets) | нет в наличии, поставок нет |

Время выполнения запроса 1.3870410919189 сек.
|
|