Номер на рисунке | Артикул | Наименование | Кол-во на складе | Цена |
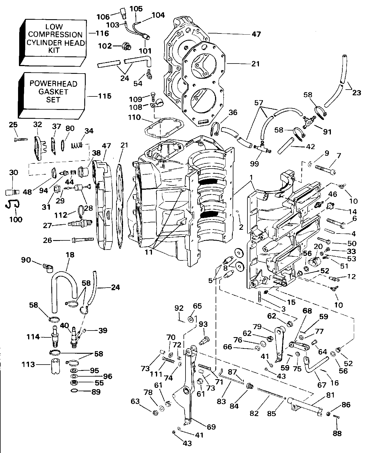
| 1 | 0437405 | Цилиндр Картер двигателя в сборе. (CYLINDER CRANKCASE ASSY.) | нет в наличии, поставок нет |
| 1 | 0438796 | (последний код) CYL&CRKC AY, V4 | нет в наличии, поставок нет |
| 2 | 0304178 | Шпонка Подшипник (PIN, Dowel bearing) | нет в наличии, поставок нет |
| 3 | 0314616 | Шпилька, Картер двигателя to adapter (STUD, Crankcase to adapter) | нет в наличии, поставок нет |
| 3 | 0324811 | (последний код) STUD-CYL | нет в наличии, поставок нет |
| 4 | 0331095 | Штифт, конус (PIN, Taper) | нет в наличии, поставок нет |
| 5 | 0338653 | Шпилька, Рычаг переключения (STUD, Shift lever) | нет в наличии, поставок нет |
| 5 | 0320808 | (последний код) STUD | нет в наличии, поставок нет |
| 6 | 0326891 | Винт, Цилиндр to Картер двигателя (SCREW, Cylinder to crankcase) | нет в наличии, поставок нет |
| 7 | 0326890 | Винт, Цилиндр to Картер двигателя (SCREW, Cylinder to crankcase) | нет в наличии, поставок нет |
| 8 | 0320744 | Шайба, Шпилька (WASHER, Stud) | нет в наличии, поставок нет |
| 8 | 0306124 | (последний код) WASHER | нет в наличии, поставок нет |
| 9 | 0322232 | Шайба (WASHER) | нет в наличии, поставок нет |
| 10 | 0321598 | Картер двигателя FITTING (CRANKCASE FITTING) | нет в наличии, поставок нет |
| 11 | 0327706 | FITTING, Boost port (FITTING, Boost port) | нет в наличии, поставок нет |
| 12 | 0338073 | FITTING, Vent (FITTING, Vent) | нет в наличии, поставок нет |
| 12 | 0334887 | (последний код) NIPPLE | нет в наличии, поставок нет |
| 14 | 0435009 | PULSE LIMITER (PULSE LIMITER) | нет в наличии, поставок нет |
| 14 | 3852225 | (последний код) LIMITER-AY,P | нет в наличии, поставок нет |
| 15 | 0908768 | Смазочный фиттинг (GREASE FITTING) | нет в наличии, поставок нет |
| 16 | 0330145 | Шплинт, Рычаг переключения (COTTER PIN, Shift lever) | нет в наличии, поставок нет |
| 18 | 0913438 | Шланг, Tee to Обратный клапан (HOSE, Tee to check valve) | нет в наличии, поставок нет |
| 20 | 0326644 | Рычаг штока переключения (LEVER, Shift rod) | нет в наличии, поставок нет |
| 20 | 0318556 | (последний код) SHIFT-ROD | нет в наличии, поставок нет |
| 21 | 0340115 | Прокладка головки блока цилиндра (GASKET, Cylinder head) | нет в наличии, поставок нет |
| 21 | 0333549 | (последний код) HD-GASKET | нет в наличии, поставок нет |
| 23 | 0 | Шланг, Подшипник Корпус, 15 1 / 2 дюйм (394 мм) сокращёная длина from 25 фут (7, 6m) Roll, 332219 - 1 / 8 дюйм I.D. (HOSE, Bearing housing, 15 1/2 in. (394mm). Cut to Length from 25 ft. (7,6m) Roll, 332219 - 1/8 in. I.D.) | нет в наличии, поставок нет |
| 24 | 0331215 | Шланг, Elbow to aspirator (HOSE, Elbow to aspirator) | нет в наличии, поставок нет |
| 24 | 0321890 | (последний код) HOSE | нет в наличии, поставок нет |
| 25 | 0306049 | Винт, Термостат Крышка (SCREW, Thermostat cover) | нет в наличии, поставок нет |
| 26 | 0322323 | Винт, Головка блока цилиндра (SCREW, Cylinder head) | нет в наличии, поставок нет |
| 27 | 0437680 | Свеча зажигания, Champion QL82YC (SPARK PLUG, Champion QL82YC) | нет в наличии, поставок нет |
| 27 | 0392038 | (последний код) SP-PLUG QL82YC | нет в наличии, поставок нет |
| 28 | 0585183 | температура Переключатель, Stbd. (TEMPERATURE SWITCH, Stbd.) | нет в наличии, поставок нет |
| 29 | 0511469 | Клемма, Штифт (TERMINAL, Pin) | нет в наличии, поставок нет |
| 29 | 3852229 | (последний код) TERMINAL,PIN | нет в наличии, поставок нет |
| 30 | 0513357 | Коннектор (CONNECTOR) | нет в наличии, поставок нет |
| 30 | 3854845 | (последний код) CONNECTOR 513357 | нет в наличии, поставок нет |
| 31 | 0329562 | Крышка, температура Переключатель (COVER, Temperature switch) | нет в наличии, поставок нет |
| 32 | 0339207 | Крышка термостата (COVER, Thermostat) | нет в наличии, поставок нет |
| 33 | 0327590 | Штифт, Рычаг тяги переключения (PIN, Shift rod lever) | нет в наличии, поставок нет |
| 33 | 0323267 | (последний код) PIN | нет в наличии, поставок нет |
| 34 | 0342421 | Пружина давления relief (SPRING, Pressure relief) | нет в наличии, поставок нет |
| 36 | 0317893 | Крепёжный хомут, Drain system (TIE STRAP, Drain system) | нет в наличии, поставок нет |
| 36 | 3852149 | (последний код) TIE-STRAP | нет в наличии, поставок нет |
| 37 | 0329830 | Прокладка крышки термостата (GASKET, Thermostat cover) | нет в наличии, поставок нет |
| 38 | 0336178 | Корпус, Термостат (HOUSING, Thermostat) | нет в наличии, поставок нет |
| 39 | 0315391 | Заглушка, Aspirator (PLUG, Aspirator) | нет в наличии, поставок нет |
| 40 | 0914902 | ASPIRATOR (ASPIRATOR) | нет в наличии, поставок нет |
| 41 | 0328737 | Шайба, Переключатель & Рычаг дросселя (WASHER, Shift & throttle lever) | нет в наличии, поставок нет |
| 41 | 0306561 | (последний код) WASHER | нет в наличии, поставок нет |
| 42 | 0 | Шланг, Клапан нижний , 2 1 / 4 дюйм (57 мм) сокращёная длина from 25 фут (7, 6m) Roll, 332219 - 1 / 8 дюйм I.D. (HOSE, Valve lower, 2 1/4 in. (57mm). Cut to Length from 25 ft. (7,6m) Roll, 332219 - 1/8 in. I.D.) | нет в наличии, поставок нет |
| 43 | 0328064 | Гайка, Casing Направляющая to Рычаг дросселя & Переключатель lev r (NUT, Casing guide to throttle arm & shift lev r) | нет в наличии, поставок нет |
| 43 | 0554477 | (последний код) NUT | нет в наличии, поставок нет |
| 44 | 0336179 | Пружина, Термостат (SPRING, Thermostat) | нет в наличии, поставок нет |
| 46 | 0392988 | Обратный клапан в сборе. (CHECK VALVE ASSY.) | нет в наличии, поставок нет |
| 46 | 0390436 | (последний код) NIPPLE | нет в наличии, поставок нет |
| 47 | 0339154 | Головка блока цилиндра (CYLINDER HEAD) | нет в наличии, поставок нет |
| 48 | 0435957 | Диафрагма & Cвыше (DIAPHRAGM & CUP) | нет в наличии, поставок нет |
| 50 | 0554306 | Винт, Цилиндр to Картер двигателя (SCREW, Cylinder to crankcase) | нет в наличии, поставок нет |
| 51 | 0328695 | Винт, Рычаг Переключающая тяга (SCREW, Lever shift rod) | нет в наличии, поставок нет |
| 51 | 0323480 | (последний код) SCREW | нет в наличии, поставок нет |
| 52 | 0312708 | Втулка, Рычаг переключения (BUSHING, Shift lever) | нет в наличии, поставок нет |
| 53 | 0302290 | Шайба, Штифт рычага (WASHER, Pin, lever) | нет в наличии, поставок нет |
| 53 | 0338307 | (последний код) WASHER,LOCK | нет в наличии, поставок нет |
| 54 | 0321886 | ELBOW, Индикатор (ELBOW, Indicator) | нет в наличии, поставок нет |
| 54 | 0321686 | (последний код) ELBOW | нет в наличии, поставок нет |
| 55 | 0327805 | Гайка, Aspirator (NUT, Aspirator) | нет в наличии, поставок нет |
| 55 | 0327971 | (последний код) NUT | нет в наличии, поставок нет |
| 56 | 0202026 | Шайба, Рычаг переключения (WASHER, Shift lever) | нет в наличии, поставок нет |
| 57 | 0 | Дренажный шланг system. сокращёная длина from 25 фут (7, 6m) Roll, 327229 (HOSE, Drain system. Cut to Length from 25 ft. (7,6m) Roll, 327229) | нет в наличии, поставок нет |
| 58 | 0320107 | Крепёжный хомут (TIE STRAP) | нет в наличии, поставок нет |
| 58 | 5035626 | (последний код) BAND,REM CON | нет в наличии, поставок нет |
| 59 | 0305650 | Шплинт (COTTER PIN) | нет в наличии, поставок нет |
| 59 | 3852052 | (последний код) PIN,COTTER | нет в наличии, поставок нет |
| 61 | 0308532 | Втулка рычага дросселя (BUSHING, Throttle lever) | нет в наличии, поставок нет |
| 61 | 0122475 | (последний код) BUSHING | нет в наличии, поставок нет |
| 62 | 0308532 | Втулка, Рычаг переключения (BUSHING, Shift arm) | нет в наличии, поставок нет |
| 62 | 0122475 | (последний код) BUSHING | нет в наличии, поставок нет |
| 63 | 0315077 | LOCKГайка, Рычаг дросселя (LOCKNUT, Throttle lever) | нет в наличии, поставок нет |
| 63 | 3852132 | (последний код) NUT,LOCK | нет в наличии, поставок нет |
| 64 | 0340134 | Штифт, Рычаг переключения (PIN, Shift lever) | нет в наличии, поставок нет |
| 64 | 0324364 | (последний код) PIN-SHIFT ARM LINK | нет в наличии, поставок нет |
| 65 | 0330995 | Шайба, Соединитель (WASHER, Link) | нет в наличии, поставок нет |
| 65 | 0308371 | (последний код) WASHER | нет в наличии, поставок нет |
| 66 | 0315077 | LOCKГайка, Переключатель art (LOCKNUT, Shift art) | нет в наличии, поставок нет |
| 66 | 3852132 | (последний код) NUT,LOCK | нет в наличии, поставок нет |
| 67 | 0329083 | Рычаг переключения (SHIFT LEVER) | нет в наличии, поставок нет |
| 68 | 0340133 | Переключающая тяга Рычаг (LINK, Shift lever) | нет в наличии, поставок нет |
| 68 | 0329085 | (последний код) LINK | нет в наличии, поставок нет |
| 69 | 0432649 | Рычаг дросселя (THROTTLE LEVER) | нет в наличии, поставок нет |
| 69 | 0393563 | (последний код) LEVER,THROTTLE | нет в наличии, поставок нет |
| 70 | 0203688 | Гайка (NUT) | нет в наличии, поставок нет |
| 70 | 0328710 | (последний код) NUT-SCREW-ID | нет в наличии, поставок нет |
| 71 | 0334219 | Винт, Idle adjustment (SCREW, Idle adjustment) | нет в наличии, поставок нет |
| 72 | 0308993 | Пружина (SPRING) | нет в наличии, поставок нет |
| 73 | 0318660 | Колпачок (CAP) | нет в наличии, поставок нет |
| 74 | 0328741 | Гайка (NUT) | нет в наличии, поставок нет |
| 74 | 0304753 | (последний код) NUT | нет в наличии, поставок нет |
| 75 | 0328702 | Шайба, Рычаг переключения to Соединитель (WASHER, Shift lever to link) | нет в наличии, поставок нет |
| 75 | 3852183 | (последний код) WASHER | нет в наличии, поставок нет |
| 76 | 0330266 | Шайба, Рычаг переключения (WASHER, Shift arm) | нет в наличии, поставок нет |
| 76 | 3852200 | (последний код) WASHER | нет в наличии, поставок нет |
| 77 | 0328702 | Шайба, Соединитель to Рычаг переключения (WASHER, Link to shift arm) | нет в наличии, поставок нет |
| 77 | 3852183 | (последний код) WASHER | нет в наличии, поставок нет |
| 78 | 0330266 | Шайба, Рычаг дросселя (WASHER, Throttle lever) | нет в наличии, поставок нет |
| 78 | 3852200 | (последний код) WASHER | нет в наличии, поставок нет |
| 79 | 0433481 | Рычаг переключения (SHIFT ARM) | нет в наличии, поставок нет |
| 79 | 0393873 | (последний код) SHIFT-ARM-AY | нет в наличии, поставок нет |
| 80 | 0336185 | Шайба (WASHER) | нет в наличии, поставок нет |
| 81 | 0396667 | Соединитель в сборе., Spark advance (LINK ASSY., Spark advance) | нет в наличии, поставок нет |
| 81 | 0393569 | (последний код) LINK-AY | нет в наличии, поставок нет |
| 82 | 0326738 | Пружина, Соединитель (SPRING, Link) | нет в наличии, поставок нет |
| 83 | 0331863 | Тяга, Spark advance Соединитель (ROD, Spark advance link) | нет в наличии, поставок нет |
| 83 | 0328632 | (последний код) ROD | нет в наличии, поставок нет |
| 84 | 0331864 | Колпачок, Пружина Корпус (CAP, Spring housing) | нет в наличии, поставок нет |
| 84 | 0328634 | (последний код) CAP | нет в наличии, поставок нет |
| 85 | 0328635 | Втулка, Пружина (BUSHING, Spring) | нет в наличии, поставок нет |
| 86 | 0328712 | Гайка, Корпус (NUT, Housing) | нет в наличии, поставок нет |
| 86 | 3852185 | (последний код) NUT | нет в наличии, поставок нет |
| 87 | 0329770 | Штифт, Тяга (PIN, Rod) | нет в наличии, поставок нет |
| 88 | 0331879 | Винт (SCREW) | нет в наличии, поставок нет |
| 89 | 0915209 | Уплотнительное кольцо, Aspirator (O-RING, Aspirator) | нет в наличии, поставок нет |
| 90 | 0316487 | Струбцина, Шланг to coil (CLAMP, Hose to coil) | нет в наличии, поставок нет |
| 91 | 0394892 | Обратный клапан в сборе. (CHECK VALVE ASSY.) | нет в наличии, поставок нет |
| 92 | 0330145 | Шплинт, Рычаг to Соединитель (COTTER PIN, Lever to link) | нет в наличии, поставок нет |
| 93 | 0328636 | Штифт, Advance Соединитель (PIN, Advance link) | нет в наличии, поставок нет |
| 94 | 0436195 | Термостат в сборе. (THERMOSTAT ASSY.) | нет в наличии, поставок нет |
| 95 | 0122220 | Сальник, Aspirator (SEAL, Aspirator) | нет в наличии, поставок нет |
| 96 | 0317936 | Шайба, Aspirator (WASHER, Aspirator) | нет в наличии, поставок нет |
| 99 | 0325569 | TEE, Картер двигателя drain (TEE, Crankcase drain) | нет в наличии, поставок нет |
| 100 | 0512741 | Фиксатор, температура Переключатель (RETAINER, Temperature switch) | нет в наличии, поставок нет |
| 101 | 0585203 | температура Переключатель, Port (TEMPERATURE SWITCH, Port) | нет в наличии, поставок нет |
| 102 | 0329562 | Крышка (COVER) | нет в наличии, поставок нет |
| 103 | 0511469 | Клемма, Штифт (TERMINAL, Pin) | нет в наличии, поставок нет |
| 103 | 3852229 | (последний код) TERMINAL,PIN | нет в наличии, поставок нет |
| 104 | 0512947 | Клемма, Bullet (TERMINAL, Bullet) | нет в наличии, поставок нет |
| 104 | 0910462 | (последний код) TERM.-60766- | нет в наличии, поставок нет |
| 105 | 0513185 | Гильза (SLEEVE) | нет в наличии, поставок нет |
| 105 | 0512948 | (последний код) SLEEVE | нет в наличии, поставок нет |
| 106 | 0513357 | Коннектор (CONNECTOR) | нет в наличии, поставок нет |
| 106 | 3854845 | (последний код) CONNECTOR 513357 | нет в наличии, поставок нет |
| 108 | 0310928 | Струбцина, Timer leads (CLAMP, Timer leads) | нет в наличии, поставок нет |
| 108 | 3852092 | (последний код) CLAMP,"J" | нет в наличии, поставок нет |
| 109 | 0319590 | Винт зажима (SCREW, Clamp) | нет в наличии, поставок нет |
| 109 | 3855227 | (последний код) SCREW | нет в наличии, поставок нет |
| 110 | 0330412 | Прокладка, Выпрямитель (GASKET, Rectifier) | нет в наличии, поставок нет |
| 110 | 0344472 | (последний код) GASKET | нет в наличии, поставок нет |
| 111 | 0334220 | Винт, Full Дроссель adjustment (SCREW, Full throttle adjustment) | нет в наличии, поставок нет |
| 111 | 0337580 | (последний код) SCREW | нет в наличии, поставок нет |
| 112 | 0317893 | Крепёжный хомут, Переключатель (TIE STRAP, Switch) | нет в наличии, поставок нет |
| 112 | 3852149 | (последний код) TIE-STRAP | нет в наличии, поставок нет |
| 113 | 0913439 | Водяной шланг Система впуска (HOSE, Water intake) | нет в наличии, поставок нет |
| 114 | 0986534 | Клапан, Aspirator (VALVE, Aspirator) | нет в наличии, поставок нет |
| 115 | 0432570 | POWERHEAD Комплект прокладок (POWERHEAD GASKET SET) | нет в наличии, поставок нет |
| 116 | 0433095 | LOW COMPRESSION CYL. HEAD KIT. Contains Головка блока цилиндра, P / N 432592 (LOW COMPRESSION CYL. HEAD KIT. Contains Cylinder Head, P/N 432592) | нет в наличии, поставок нет |