Номер на рисунке | Артикул | Наименование | Кол-во на складе | Цена |
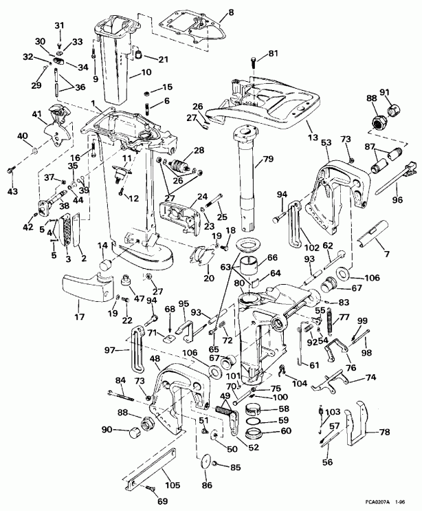
| 1 | 0436192 | Удлинитель корпуса в сборе. (Std.) (EXHAUST HOUSING ASSY. (Std.)) | нет в наличии, поставок нет |
| 1 | 0435536 | (последний код) HSG-AY,EXH-S | нет в наличии, поставок нет |
| 1 | 0436193 | Удлинитель корпуса в сборе. (Long) (EXHAUST HOUSING ASSY. (Long)) | нет в наличии, поставок нет |
| 1 | 0435537 | (последний код) HSG-AY,EXH-L | нет в наличии, поставок нет |
| 2 | 0341427 | Прокладка крышки to Выхлоп hsg. (GASKET, Cover to exhaust hsg.) | нет в наличии, поставок нет |
| 3 | 0341426 | Выхлопная крышка relief (COVER, Exhaust relief) | нет в наличии, поставок нет |
| 4 | 0305863 | Шайба, Винт, Крышка (WASHER, Screw, cover) | нет в наличии, поставок нет |
| 5 | 0334522 | Винт, Крышка, верхний (SCREW, Cover, upper) | нет в наличии, поставок нет |
| 6 | 0324815 | Шпилька (STUD) | нет в наличии, поставок нет |
| 6 | 3852176 | (последний код) STUD | нет в наличии, поставок нет |
| 7 | 0342908 | SHIELD, Tilt Трубка (SHIELD, Tilt tube) | нет в наличии, поставок нет |
| 8 | 0330621 | Прокладка, Powerhead to Нижний модуль (GASKET, Powerhead to lower unit) | нет в наличии, поставок нет |
| 8 | 0324332 | (последний код) GASKET | нет в наличии, поставок нет |
| 9 | 0342422 | Винт, Inner Выхлоп Трубка (SCREW, Inner exhaust tube) | нет в наличии, поставок нет |
| 9 | 0308743 | (последний код) SCREW | нет в наличии, поставок нет |
| 10 | 0336258 | Выхлоп Трубка внутри (EXHAUST TUBE, Inner) | нет в наличии, поставок нет |
| 10 | 0335634 | (последний код) TUBE,EXHAUST-INNER | нет в наличии, поставок нет |
| 11 | 0303879 | Крепление, Rubber, верхний side, std. (MOUNT, Rubber, upper side, std.) | нет в наличии, поставок нет |
| 11 | 0332809 | (последний код) RUBBER MOUNT | нет в наличии, поставок нет |
| 11 | 0325974 | Крепление, Rubber, верхний side, long (MOUNT, Rubber, upper side, long) | нет в наличии, поставок нет |
| 11 | 0332810 | (последний код) RUBBER MOUNT | нет в наличии, поставок нет |
| 12 | 0329217 | Винт, верхний монтаж сбоку (SCREW, Upper side mount) | нет в наличии, поставок нет |
| 12 | 0333707 | (последний код) SCREW | нет в наличии, поставок нет |
| 13 | 0335430 | Кронштейн рулевого управления (BRACKET, Steering) | нет в наличии, поставок нет |
| 13 | 0331475 | (последний код) STEERING BRACKET | нет в наличии, поставок нет |
| 14 | 0321470 | Крепление, Rubber, нижняя сторона, std. (MOUNT, Rubber, lower side, std.) | нет в наличии, поставок нет |
| 14 | 0332811 | (последний код) RUBBER MOUNT | нет в наличии, поставок нет |
| 14 | 0325975 | Крепление, Rubber, нижняя сторона, long (MOUNT, Rubber, lower side, long) | нет в наличии, поставок нет |
| 15 | 0315204 | Гайка, Шпилька (NUT, Stud) | нет в наличии, поставок нет |
| 15 | 0316355 | (последний код) NUT | нет в наличии, поставок нет |
| 16 | 0324816 | Винт, Корпус to cyl. & ccase (SCREW, Housing to cyl. & ccase) | нет в наличии, поставок нет |
| 17 | 0323109 | Корпус, нижний Крепление, stbd. (HOUSING, Lower mount, stbd.) | нет в наличии, поставок нет |
| 17 | 0321403 | (последний код) HOUSING | нет в наличии, поставок нет |
| 18 | 0309942 | Винт, нижний front Крепление (SCREW, Lower front mount) | нет в наличии, поставок нет |
| 18 | 3852086 | (последний код) SCREW | нет в наличии, поставок нет |
| 19 | 0303886 | Шайба (WASHER) | нет в наличии, поставок нет |
| 20 | 0321469 | Крепление, Rubber, нижний front (MOUNT, Rubber, lower front) | нет в наличии, поставок нет |
| 20 | 0332808 | (последний код) RUBBER MOUNT | нет в наличии, поставок нет |
| 21 | 0302497 | Пыльник водяной трубки (GROMMET, Water tube) | 2 шт | 250 руб. |
| 22 | 0309942 | Винт, Крепление to Корпус (SCREW, Mount to housing) | нет в наличии, поставок нет |
| 22 | 3852086 | (последний код) SCREW | нет в наличии, поставок нет |
| 23 | 0304144 | Шайба с блокировкой (LOCK WASHER) | нет в наличии, поставок нет |
| 24 | 0323108 | Корпус, нижний Крепление, port (HOUSING, Lower mount, port) | нет в наличии, поставок нет |
| 24 | 0321402 | (последний код) HOUSING | нет в наличии, поставок нет |
| 25 | 0342540 | Винт, Крепление Корпус (SCREW, Mount housing) | нет в наличии, поставок нет |
| 25 | 0316440 | (последний код) SCREW | нет в наличии, поставок нет |
| 26 | 0303884 | Шайба (WASHER) | нет в наличии, поставок нет |
| 27 | 0303889 | Гайка, Креплениеs to exh. hsg. & Кронштейн рулевого управления (NUT, Mounts to exh. hsg. & steering bracket) | нет в наличии, поставок нет |
| 27 | 3852065 | (последний код) NUT | нет в наличии, поставок нет |
| 28 | 0331812 | Крепление, Rubber, верхний front (MOUNT, Rubber, upper front) | нет в наличии, поставок нет |
| 28 | 0332807 | (последний код) RUBBER MOUNT | нет в наличии, поставок нет |
| 29 | 0302504 | Штифт, Переключающая тяга to Рычаг (PIN, Shift rod to lever) | нет в наличии, поставок нет |
| 30 | 0305650 | Шплинт, Рычаг переключения to Штифт (COTTER PIN, Shift lever to pin) | нет в наличии, поставок нет |
| 30 | 3852052 | (последний код) PIN,COTTER | нет в наличии, поставок нет |
| 31 | 0308017 | Винт, Переключающая тяга (SCREW, Shift rod) | нет в наличии, поставок нет |
| 32 | 0304380 | Пружинная шайба (SPRING WASHER) | нет в наличии, поставок нет |
| 33 | 0319537 | Зажим, Рычаг тяги переключения (CLIP, Shift rod lever) | нет в наличии, поставок нет |
| 34 | 0322092 | Рычаг штока переключения (LEVER, Shift rod) | нет в наличии, поставок нет |
| 34 | 0320117 | (последний код) LEVER | нет в наличии, поставок нет |
| 35 | 0303775 | Шайба, Рычаг to Корпус (WASHER, Lever to housing) | нет в наличии, поставок нет |
| 36 | 0325540 | Переключающая тяга, верхний (Std.) (SHIFT ROD, Upper (Std.)) | нет в наличии, поставок нет |
| 36 | 0325541 | Переключающая тяга, верхний (Long) (SHIFT ROD, Upper (Long)) | нет в наличии, поставок нет |
| 37 | 0203688 | Гайка, Adjustment Винт (NUT, Adjustment screw) | нет в наличии, поставок нет |
| 37 | 0328710 | (последний код) NUT-SCREW-ID | нет в наличии, поставок нет |
| 38 | 0394574 | ADJUSTMENT Рычаг & Вал в сборе. (ADJUSTMENT LEVER & SHAFT ASSY.) | нет в наличии, поставок нет |
| 38 | 0390252 | (последний код) ADJT-LVR&SHF | нет в наличии, поставок нет |
| 39 | 0324660 | Уплотнительное кольцо, Рычаг Вал (O-RING, Lever shaft) | нет в наличии, поставок нет |
| 40 | 0328703 | Шайба, Винт, cam to Рычаг (WASHER, Screw, cam to lever) | нет в наличии, поставок нет |
| 40 | 3852184 | (последний код) WASHER | нет в наличии, поставок нет |
| 41 | 0335342 | Пускатель Кулачок переключателя (ACTUATOR CAM, Shift) | нет в наличии, поставок нет |
| 41 | 0331470 | (последний код) ACTUATOR-CAM | нет в наличии, поставок нет |
| 42 | 0313607 | FITTING, Lube, Переключающий вал (FITTING, Lube, shift shaft) | нет в наличии, поставок нет |
| 42 | 3852121 | (последний код) FITTING,LUB | нет в наличии, поставок нет |
| 43 | 0317581 | Винт, Пускатель cam to adjustment Рычаг (SCREW, Actuator cam to adjustment lever) | нет в наличии, поставок нет |
| 44 | 0315786 | Фиксатор, Переключающий вал (RETAINER, Shift shaft) | нет в наличии, поставок нет |
| 47 | 0326071 | Бампер, Крепление Корпус (BUMPER, Mount housing) | нет в наличии, поставок нет |
| 47 | 0323107 | (последний код) BUMPER-MT-HS | нет в наличии, поставок нет |
| 48 | 0342536 | Кронштейн транца, Stbd. (STERN BRACKET, Stbd.) | нет в наличии, поставок нет |
| 48 | 0339487 | (последний код) BRACKET,STERN | нет в наличии, поставок нет |
| 0433675 | 0433675 | Винт струбцины в сборе., Aluminum. Not Shown (CLAMP SCREW ASSY., Aluminum. Not Shown) | нет в наличии, поставок нет |
| 0433675 | 0433674 | (последний код) KIT AY,CLAMPSCREW | нет в наличии, поставок нет |
| 0391421 | 0391421 | Винт струбцины в сборе., Stainless st.. Not Shown Опции (CLAMP SCREW ASSY., Stainless st.. Not Shown Optional) | нет в наличии, поставок нет |
| 0391421 | 0389959 | (последний код) CLAMPSCREW | нет в наличии, поставок нет |
| 49 | 0433672 | HANDLE & Винт в сборе., Alum. (HANDLE & SCREW ASSY., Alum.) | нет в наличии, поставок нет |
| 49 | 0433675 | (последний код) KIT-AY,CLAMP | нет в наличии, поставок нет |
| 50 | 0337017 | Пластина, Swivel (PLATE, Swivel) | нет в наличии, поставок нет |
| 50 | 0307561 | (последний код) SWIVEL PLATE | нет в наличии, поставок нет |
| 51 | 0321922 | Винт, Shoulder (SCREW, Shoulder) | нет в наличии, поставок нет |
| 52 | 0398001 | REPLACEMENT HANDLE в сборе. (REPLACEMENT HANDLE ASSY.) | нет в наличии, поставок нет |
| 53 | 0342535 | Кронштейн транца, Port (STERN BRACKET, Port) | нет в наличии, поставок нет |
| 53 | 0339486 | (последний код) BRACKET,STERN | нет в наличии, поставок нет |
| 54 | 0319108 | Винт, BellКривошип, Блокировка задней передачи (SCREW, Bellcrank, reverse lock) | нет в наличии, поставок нет |
| 54 | 0311512 | (последний код) SCREW | нет в наличии, поставок нет |
| 55 | 0319695 | BELLКривошип (BELLCRANK) | нет в наличии, поставок нет |
| 56 | 0322945 | Штифт, Shallow water drive (PIN, Shallow water drive) | нет в наличии, поставок нет |
| 56 | 0319053 | (последний код) PIN | нет в наличии, поставок нет |
| 57 | 0333774 | Зажим, Shallow water drive (CLIP, Shallow water drive) | нет в наличии, поставок нет |
| 58 | 0309967 | Втулка, Pilot Вал, нижний (BUSHING, Pilot shaft, lower) | нет в наличии, поставок нет |
| 59 | 0301917 | Уплотнительное кольцо, Pilot Вал, нижний (O-RING, Pilot shaft, lower) | нет в наличии, поставок нет |
| 60 | 0309966 | Упорная шайба (WASHER, Thrust) | нет в наличии, поставок нет |
| 61 | 0319696 | Тяга, Блокировка задней передачи release (ROD, Reverse lock release) | нет в наличии, поставок нет |
| 62 | 0388661 | CAM & Вал в сборе., Tilt lock (CAM & SHAFT ASSY., Tilt lock) | нет в наличии, поставок нет |
| 62 | 0386501 | (последний код) FF-CAM&SHAFT | нет в наличии, поставок нет |
| 63 | 0397736 | FRICTION BLOCK в сборе. (FRICTION BLOCK ASSY.) | нет в наличии, поставок нет |
| 63 | 0388748 | (последний код) WASHER,SEAL& | нет в наличии, поставок нет |
| 64 | 0332662 | FRICTION BLOCK (FRICTION BLOCK) | нет в наличии, поставок нет |
| 65 | 0321531 | Фрикционный винт adjustment (SCREW, Friction adjustment) | нет в наличии, поставок нет |
| 66 | 0332663 | верхний LINER (UPPER LINER) | нет в наличии, поставок нет |
| 67 | 0319787 | Втулка, Tilt Трубка (BUSHING, Tilt tube) | нет в наличии, поставок нет |
| 67 | 0317789 | (последний код) BUSHING | нет в наличии, поставок нет |
| 68 | 0319227 | Винт, Ручка to tilt lock Рычаг (SCREW, Knob to tilt lock lever) | нет в наличии, поставок нет |
| 69 | 0324579 | Винт, Tie bar (SCREW, Tie bar) | нет в наличии, поставок нет |
| 69 | 0341352 | (последний код) SCREW | нет в наличии, поставок нет |
| 70 | 0322947 | Штифт, Соединитель блокировки задней передачи to Кронштейн (PIN, Reverse lock link to bracket) | нет в наличии, поставок нет |
| 71 | 0328048 | Ручка наклона lock (KNOB, Tilt lock) | нет в наличии, поставок нет |
| 71 | 0319051 | (последний код) KNOB | нет в наличии, поставок нет |
| 72 | 0551113 | Пружина, Рулевая система friction adjustment (SPRING, Steering friction adjustment) | нет в наличии, поставок нет |
| 73 | 0313838 | Гайка, Штифт Кронштейн (NUT, Pin bracket) | нет в наличии, поставок нет |
| 74 | 0322949 | Соединитель, Блокировка задней передачи (LINK, Reverse lock) | нет в наличии, поставок нет |
| 74 | 0319054 | (последний код) LINK | нет в наличии, поставок нет |
| 75 | 0303887 | Шайба, Соединитель Штифтs (WASHER, Link pins) | нет в наличии, поставок нет |
| 76 | 0322950 | Рычаг, Блокировка задней передачи (LEVER, Reverse lock) | нет в наличии, поставок нет |
| 77 | 0315078 | Пружина блокировки задней передачи (SPRING, Reverse lock) | нет в наличии, поставок нет |
| 78 | 0338657 | Соединитель, Shallow water drive (LINK, Shallow water drive) | нет в наличии, поставок нет |
| 78 | 0320426 | (последний код) LINK | нет в наличии, поставок нет |
| 79 | 0329648 | PILOT Вал, Кронштейн рулевого управления (PILOT SHAFT, Steering bracket) | нет в наличии, поставок нет |
| 80 | 0323158 | Поворотный кронштейн (BRACKET, Swivel) | нет в наличии, поставок нет |
| 81 | 0317624 | Винт, Кронштейн, to pilot Вал (SCREW, Bracket, to pilot shaft) | нет в наличии, поставок нет |
| 83 | 0313607 | FITTING, Lube, tilt Трубка & lock (FITTING, Lube, tilt tube & lock) | нет в наличии, поставок нет |
| 83 | 3852121 | (последний код) FITTING,LUB | нет в наличии, поставок нет |
| 0432294 | 0432294 | Винт & Гайка в сборе.. Not Shown (SCREW & NUT ASSY.. Not Shown) | нет в наличии, поставок нет |
| 0432294 | 0313966 | (последний код) SCREW | нет в наличии, поставок нет |
| 84 | 0334427 | Винт, Кронштейн транца to transom (SCREW, Stern bracket to transom) | нет в наличии, поставок нет |
| 84 | 0318512 | (последний код) SCREW | нет в наличии, поставок нет |
| 85 | 0310702 | Гайка (NUT) | нет в наличии, поставок нет |
| 86 | 0315776 | Шайба (WASHER) | нет в наличии, поставок нет |
| 87 | 0321511 | TILT Трубка, Кронштейн транца (TILT TUBE, Stern bracket) | нет в наличии, поставок нет |
| 87 | 0351896 | (последний код) TUBE, TILT SST | нет в наличии, поставок нет |
| 88 | 0335554 | LOCKГайка, Tilt Трубка, port & stbd. (LOCKNUT, Tilt tube, port & stbd.) | нет в наличии, поставок нет |
| 90 | 0317894 | Колпачок, Tilt Трубка (CAP, Tilt tube) | нет в наличии, поставок нет |
| 90 | 3852150 | (последний код) CAP | нет в наличии, поставок нет |
| 91 | 0337586 | WIPER Гайка (WIPER NUT) | нет в наличии, поставок нет |
| 91 | 0983678 | (последний код) NUT & WIPER | нет в наличии, поставок нет |
| 92 | 0319694 | Пружина фиксатора наклона (SPRING, Tilt lock) | нет в наличии, поставок нет |
| 93 | 0319693 | Втулка, Tilt lock (BUSHING, Tilt lock) | 1 шт | 2850 руб. |
| 94 | 0319692 | Штифт блокировки наклона (PIN, Tilt lock) | нет в наличии, поставок нет |
| 95 | 0388662 | Рычаг & Вал в сборе., Tilt lock (LEVER & SHAFT ASSY., Tilt lock) | нет в наличии, поставок нет |
| 96 | 0436387 | TILT Штифт (TILT PIN) | нет в наличии, поставок нет |
| 96 | 0391271 | (последний код) TILT-PIN | нет в наличии, поставок нет |
| 97 | 0387668 | LOCK в сборе., Tilt, stbd. (LOCK ASSY., Tilt, stbd.) | нет в наличии, поставок нет |
| 97 | 0437875 | (последний код) LOCK AY,TILT-STBD | нет в наличии, поставок нет |
| 98 | 0326943 | Штифт тяги to locking Рычаг (PIN, Link to locking lever) | нет в наличии, поставок нет |
| 99 | 0333774 | Зажим, Штифт, Соединитель блокировки задней передачи to locking Рычаг (CLIP, Pin, reverse lock link to locking lever) | нет в наличии, поставок нет |
| 100 | 0333774 | Зажим, Штифт, Соединитель блокировки задней передачи to Кронштейн (CLIP, Pin, reverse lock link to bracket) | нет в наличии, поставок нет |
| 101 | 0313607 | FITTING, Lube, Поворотный кронштейн (FITTING, Lube, swivel bracket) | нет в наличии, поставок нет |
| 101 | 3852121 | (последний код) FITTING,LUB | нет в наличии, поставок нет |
| 102 | 0387667 | LOCK в сборе., Tilt, port (LOCK ASSY., Tilt, port) | нет в наличии, поставок нет |
| 102 | 0437876 | (последний код) LOCK AY,TILT-PORT | нет в наличии, поставок нет |
| 103 | 0319697 | Пружина блокировки задней передачи (SPRING, Reverse lock) | нет в наличии, поставок нет |
| 104 | 0322946 | Пружина системы движения по мелководью (SPRING, Shallow water drive) | нет в наличии, поставок нет |
| 105 | 0319709 | TIE BAR, Кронштейн транцаs (TIE BAR, Stern brackets) | нет в наличии, поставок нет |
| 105 | 0351247 | (последний код) BAR,TIE | нет в наличии, поставок нет |
| 106 | 0319699 | Шайба (WASHER) | нет в наличии, поставок нет |