вконтакте

Контактный телефон: +7 (981) 121-46-93, +7 (800) 200-90-76 , Email: parts-katalog@yandex.ru, где купить

 
 

  Логин:

Пароль:

Регистрация

www.partskatalog.ru Все каталоги Запчасти Mercury Запчасти Suzuki Запчасти Tohatsu Запчасти Honda Контакты


Все разделы каталога запчастей на этот двигатель

назад Раздел:   вперёд

вернуться к списку узлов и деталей

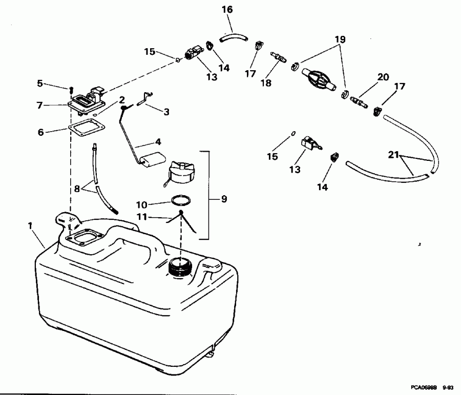
ДЕТАЛИРОВКА ДЛЯ МОДЕЛИ: EVINRUDE BE20SEEDA 1996

ТОПЛИВНЫЙ БАК - 6 ГАЛЛОН | FUEL TANK - 6 GALLON;


Подвесной лодочный мотор Evinrude BE20SEEDA 1996  - 6 галлон / 6 Gallon

Номер на
рисунке
АртикулНаименованиеКол-во
на складе
Цена
1 0175981

Топливный бак (FUEL TANK)

нет в наличии, поставок нет
1 0763900

   (последний код) TANK AY, 6 GALLON

нет в наличии, поставок нет
2 0176469

Коллектор в сборе. (MANIFOLD ASSY.)

нет в наличии, поставок нет
3 0175989

FUEL CONDUIT (FUEL CONDUIT)

нет в наличии, поставок нет
4 0127145

LENS (LENS)

нет в наличии, поставок нет
5 0127146

Сальник, Lens (SEAL, Lens)

нет в наличии, поставок нет
6 0125515

Уплотнительное кольцо (O-RING)

нет в наличии, поставок нет
7 0124549

Винт, Фиксатор (SCREW, Retainer)

нет в наличии, поставок нет
8 0127091

Фиксатор, Lens (RETAINER, Lens)

нет в наличии, поставок нет
9 0176235

Индикатор (INDICATOR)

нет в наличии, поставок нет
10 0175978

Колпачок, Gas (CAP, Gas)

нет в наличии, поставок нет
10 0174793

   (последний код) CAP AY,GASOLINE

нет в наличии, поставок нет
11 0127090

Прокладка (GASKET)

нет в наличии, поставок нет
12 0127103

Винт, Коллектор to tank (SCREW, Manifold to tank)

нет в наличии, поставок нет
13 0127093

Сальник, Коллектор to tank (SEAL, Manifold to tank)

нет в наличии, поставок нет
evinrude

Время выполнения запроса 1.2359709739685 сек.


 
 

данный сайт носит информационный характер и не является публичной офертой

склад запчастей для водомоторной техники