вконтакте

Контактный телефон: +7 (981) 121-46-93, +7 (800) 200-90-76 , Email: parts-katalog@yandex.ru, где купить

 
 

  Логин:

Пароль:

Регистрация

www.partskatalog.ru Все каталоги Запчасти Mercury Запчасти Suzuki Запчасти Tohatsu Запчасти Honda Контакты


Все разделы каталога запчастей на этот двигатель

назад Раздел:   вперёд

вернуться к списку узлов и деталей

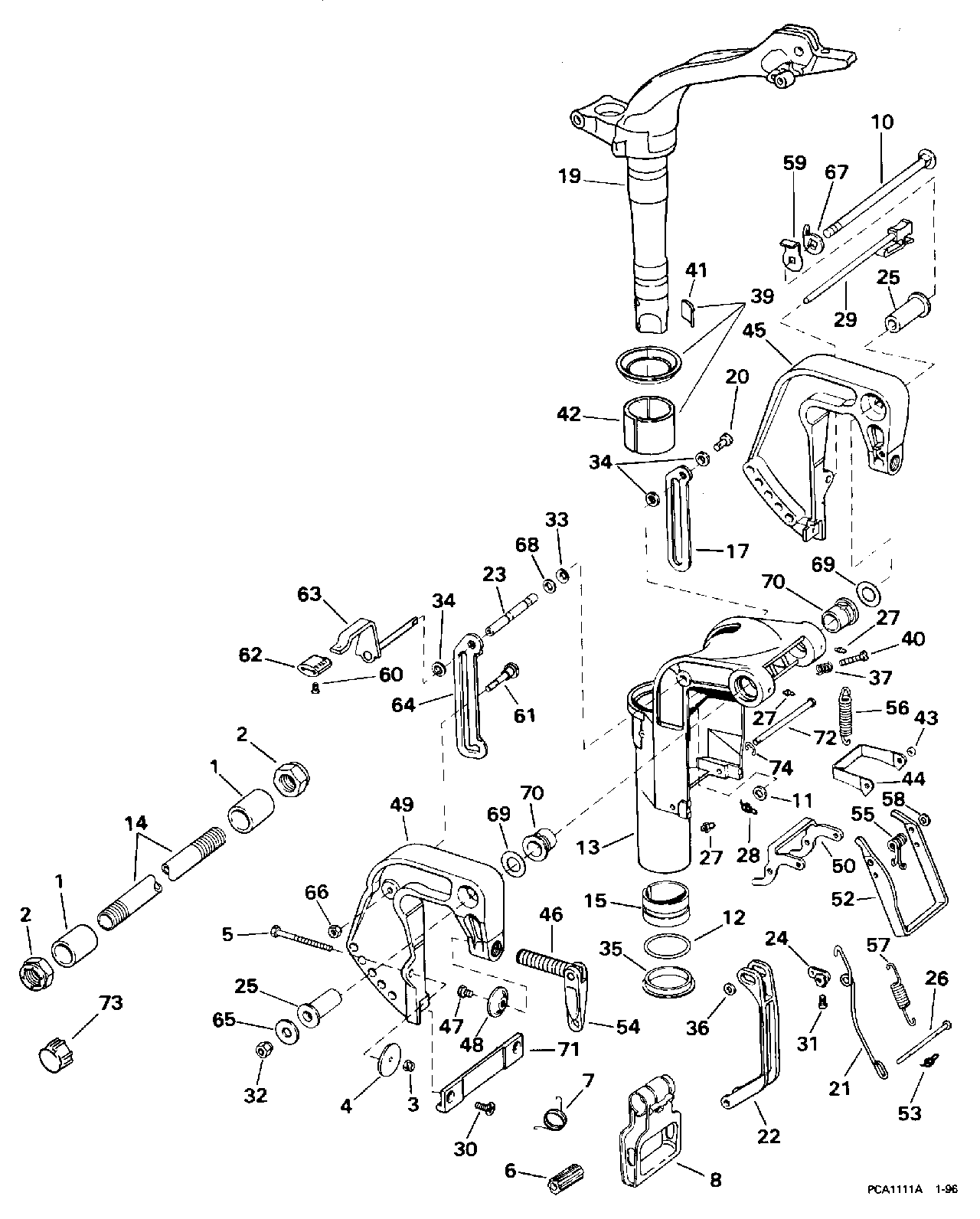
ДЕТАЛИРОВКА ДЛЯ МОДЕЛИ: EVINRUDE BE15FAEDR 1996

MIDSECTION | MIDSECTION;


Подвесной мотор Evinrude BE15FAEDR 1996  - dsection - dsection

Номер на
рисунке
АртикулНаименованиеКол-во
на складе
Цена
1 0124346

Проставка, Трубка. 9.9 REL High Thrust 15 RE (SPACER, Tube. 9.9 REL High Thrust 15 RE)

нет в наличии, поставок нет
2 0335554

Блокирующая гайка, tilt Трубка. 9.9 REL High Thrust 15 RE (NUT, Lock, tilt tube. 9.9 REL High Thrust 15 RE)

нет в наличии, поставок нет
3 0310702

Гайка, Винт. 9.9 TE High Thrust 9.9 REL High Thrust 15 RE (NUT, Screw. 9.9 TE High Thrust 9.9 REL High Thrust 15 RE)

нет в наличии, поставок нет
4 0315776

Шайба, Винт. 9.9 TE High Thrust 9.9 REL High Thrust 15 RE (WASHER, Screw. 9.9 TE High Thrust 9.9 REL High Thrust 15 RE)

нет в наличии, поставок нет
5 0334427

Винт, Stern brkt. to transom. 9.9 TE High Thrust 9.9 REL High Thrust 15 RE (SCREW, Stern brkt. to transom. 9.9 TE High Thrust 9.9 REL High Thrust 15 RE)

нет в наличии, поставок нет
5 0318512

   (последний код) SCREW

нет в наличии, поставок нет
6 0339024

Проставка, Lift handle. 9.9 Шнур 9.9 TE High Thrust 15 Шнур & TE (SPACER, Lift handle. 9.9 Rope 9.9 TE High Thrust 15 Rope & TE)

нет в наличии, поставок нет
7 0338297

Пружина, Lift handle (SPRING, Lift handle)

нет в наличии, поставок нет
8 0338298

LIFT HANDLE (LIFT HANDLE)

1 шт3920 руб.
10 0332960

TILT Болт, Stern brkt. to sw. brkt.. 9.9 Шнур 9.9 TE High Thrust 15 Шнур & TE (TILT BOLT, Stern brkt. to sw. brkt.. 9.9 Rope 9.9 TE High Thrust 15 Rope & TE)

нет в наличии, поставок нет
11 0303884

Шайба, Штифт to sвышеport Кронштейн (WASHER, Pin to support bracket)

нет в наличии, поставок нет
12 0301917

Уплотнительное кольцо, нижний , Стержень Трубка (O-RING, Lower, pivot tube)

нет в наличии, поставок нет
13 0341567

Поворотный кронштейн (SWIVEL BRACKET)

нет в наличии, поставок нет
13 0338887

   (последний код) BRACKET,SWIVEL

нет в наличии, поставок нет
14 0321511

Трубка, Stern brkt. to swivel brkt.. 9.9 REL High Thrust 15 RE (TUBE, Stern brkt. to swivel brkt.. 9.9 REL High Thrust 15 RE)

нет в наличии, поставок нет
14 0351896

   (последний код) TUBE, TILT SST

нет в наличии, поставок нет
15 0309967

Втулка, нижний , Стержень Трубка (BUSHING, Lower, pivot tube)

нет в наличии, поставок нет
17 0328289

SвышеPORT Кронштейн, Tilt lock, port (SUPPORT BRACKET, Tilt lock, port)

нет в наличии, поставок нет
19 0436011

Кронштейн рулевого управления & Стержень Вал (STEERING BRACKET & PIVOT SHAFT)

нет в наличии, поставок нет
19 0438612

   (последний код) BRACKET AY,STRG

нет в наличии, поставок нет
20 0328290

Штифт, Sвышеport Кронштейн to Поворотный кронштейн (PIN, Support bracket to swivel bracket)

нет в наличии, поставок нет
21 0320416

Провод, Блокировка задней передачи release (WIRE, Reverse lock release)

нет в наличии, поставок нет
21 0319052

   (последний код) ROD

нет в наличии, поставок нет
22 0338874

Ручка для переноски (CARRYING HANDLE)

нет в наличии, поставок нет
22 0331096

   (последний код) CARRYING HANDLE

нет в наличии, поставок нет
23 0328285

Втулка, Tilt lock Вал to sw. brkt. (BUSHING, Tilt lock shaft to sw. brkt.)

нет в наличии, поставок нет
24 0319049

BELLКривошип, Блокировка задней передачи (BELLCRANK, Reverse lock)

нет в наличии, поставок нет
25 0325914

Втулка, Кронштейн транца. 9.9 Шнур 9.9 TE High Thrust 15 Шнур & TE (BUSHING, Stern bracket. 9.9 Rope 9.9 TE High Thrust 15 Rope & TE)

нет в наличии, поставок нет
25 0325016

   (последний код) BUSHING

нет в наличии, поставок нет
26 0326943

Штифт тяги to locking Рычаг (PIN, Link to locking lever)

нет в наличии, поставок нет
27 0313607

FITTING, Lube (FITTING, Lube)

нет в наличии, поставок нет
27 3852121

   (последний код) FITTING,LUB

нет в наличии, поставок нет
28 0333774

Зажим, Штифт to sвышеport Кронштейн (CLIP, Pin to support bracket)

нет в наличии, поставок нет
29 0432453

TILT Штифт & Ручка в сборе. (TILT PIN & KNOB ASSY.)

нет в наличии, поставок нет
29 0390441

   (последний код) KNOB&TILT-PI

нет в наличии, поставок нет
30 0308684

Винт, Пластина to Кронштейн транца (SCREW, Plate to stern bracket)

нет в наличии, поставок нет
31 0319108

Винт, BellКривошип (SCREW, Bellcrank)

нет в наличии, поставок нет
31 0311512

   (последний код) SCREW

нет в наличии, поставок нет
32 0325451

Гайка, Tilt Болт to swivel brkt.. 9.9 Шнур 9.9 TE High Thrust 15 Шнур & TE (NUT, Tilt bolt to swivel brkt.. 9.9 Rope 9.9 TE High Thrust 15 Rope & TE)

нет в наличии, поставок нет
32 3852177

   (последний код) NUT,LOCK

нет в наличии, поставок нет
33 0312977

Пружинная шайба, Tilt lock Втулка (SPRING WASHER, Tilt lock bushing)

нет в наличии, поставок нет
34 0308052

Шайба, Tilt lock, Вал Втулка (WASHER, Tilt lock, shaft bushing)

нет в наличии, поставок нет
35 0309966

Нижняя упорная шайба swivel brkt. (THRUST WASHER, Lower swivel brkt.)

нет в наличии, поставок нет
36 0310540

Шайба, Tilt lock Вал, outer (WASHER, Tilt lock shaft, outer)

нет в наличии, поставок нет
37 0551113

Фрикционная пружина adjust. (SPRING, Friction adjust.)

нет в наличии, поставок нет
39 0397736

FRICTION BLOCK в сборе. (FRICTION BLOCK ASSY.)

нет в наличии, поставок нет
39 0388748

   (последний код) WASHER,SEAL&

нет в наличии, поставок нет
40 0321531

Фрикционный винт adjust. swivel brkt. (SCREW, Friction adjust. swivel brkt.)

нет в наличии, поставок нет
41 0332662

Фрикционный блок, Поворотный кронштейн (BLOCK, Friction, swivel bracket)

нет в наличии, поставок нет
42 0332663

LINER (LINER)

нет в наличии, поставок нет
43 0310540

Шайба, Блокировка задней передачи Штифт (WASHER, Reverse lock pin)

нет в наличии, поставок нет
44 0319050

LOCKING Рычаг, Reverse Рычаг. 9.9 Шнур 15 Шнур & TE 15 RE (LOCKING LEVER, Reverse lever. 9.9 Rope 15 Rope & TE 15 RE)

нет в наличии, поставок нет
45 0341565

Кронштейн транца, Port (STERN BRACKET, Port)

нет в наличии, поставок нет
45 0328268

   (последний код) STERN BRKT-PORT

нет в наличии, поставок нет
46 0433674

Винт струбцины в сборе., Aluminum (CLAMP SCREW ASSY., Aluminum)

нет в наличии, поставок нет
46 0433675

   (последний код) KIT-AY,CLAMP

нет в наличии, поставок нет
46 0391421

Винт струбцины в сборе., St. steel. Опции (CLAMP SCREW ASSY., St. steel. Optional)

нет в наличии, поставок нет
46 0389959

   (последний код) CLAMPSCREW

нет в наличии, поставок нет
47 0321922

Винт, Пластина (SCREW, Plate)

нет в наличии, поставок нет
48 0337017

Пластина, Swivel (PLATE, Swivel)

нет в наличии, поставок нет
48 0307561

   (последний код) SWIVEL PLATE

нет в наличии, поставок нет
49 0341566

STERN BRKT., Starboard (STERN BRKT., Starboard)

нет в наличии, поставок нет
49 0328269

   (последний код) STERN BRKT-STBD

нет в наличии, поставок нет
50 0322949

Соединитель, Блокировка задней передачи. 9.9 Шнур 15 Шнур & TE (LINK, Reverse lock. 9.9 Rope 15 Rope & TE)

нет в наличии, поставок нет
50 0319054

   (последний код) LINK

нет в наличии, поставок нет
50 0393204

Рычаг & Соединитель в сборе.. 9.9 TE High Thrust 9.9 REL High Thrust (LEVER & LINK ASSY.. 9.9 TE High Thrust 9.9 REL High Thrust)

нет в наличии, поставок нет
50 0173208

   (последний код) LOCKING-LVR&

нет в наличии, поставок нет
52 0338657

Соединитель, Shallow water drive (LINK, Shallow water drive)

нет в наличии, поставок нет
52 0320426

   (последний код) LINK

нет в наличии, поставок нет
53 0333774

Штифт, Соединитель блокировки задней передачи (PIN, Reverse lock link)

нет в наличии, поставок нет
54 0398001

REPLACEMENT HANDLE в сборе. (REPLACEMENT HANDLE ASSY.)

нет в наличии, поставок нет
55 0320427

Пружина системы движения по мелководью (SPRING, Shallow water drive)

нет в наличии, поставок нет
56 0338489

Пружина блокировки задней передачи. 9.9 Шнур 15 Шнур & TE 15 RE (SPRING, Reverse lock. 9.9 Rope 15 Rope & TE 15 RE)

нет в наличии, поставок нет
56 0340219

Пружина блокировки задней передачи. 9.9 TE High Thrust 9.9 REL High Thrust (SPRING, Reverse lock. 9.9 TE High Thrust 9.9 REL High Thrust)

нет в наличии, поставок нет
57 0320428

Пружина блокировки задней передачи Тяга (SPRING, Reverse lock rod)

нет в наличии, поставок нет
58 0204293

Шайба, Штифт Соединитель to Рычаг. 9.9 Шнур 15 Шнур & TE 15 RE (WASHER, Pin link to lever. 9.9 Rope 15 Rope & TE 15 RE)

нет в наличии, поставок нет
59 0325017

Шайба, Tilt Болт to swivel brkt.. 9.9 Шнур 9.9 TE High Thrust 15 Шнур & TE (WASHER, Tilt bolt to swivel brkt.. 9.9 Rope 9.9 TE High Thrust 15 Rope & TE)

нет в наличии, поставок нет
60 0319227

Винт, Tilt Ручка (SCREW, Tilt knob)

нет в наличии, поставок нет
61 0319047

Штифт блокировки наклона to Кронштейн транца (PIN, Tilt lock to stern bracket)

нет в наличии, поставок нет
62 0328048

Ручка наклона & Рычаг блокировки задней передачи (KNOB, Tilt & reverse lock lever)

нет в наличии, поставок нет
62 0319051

   (последний код) KNOB

нет в наличии, поставок нет
63 0437797

Рычаг & Вал в сборе., Lock (LEVER & SHAFT ASSY., Lock)

нет в наличии, поставок нет
64 0338563

TILT LOCK, Starboard (TILT LOCK, Starboard)

нет в наличии, поставок нет
64 0319134

   (последний код) TILTLOCK-STB

нет в наличии, поставок нет
65 0314099

Шайба, Tilt Болт to swivel brkt.. 9.9 Шнур 9.9 TE High Thrust 15 Шнур & TE (WASHER, Tilt bolt to swivel brkt.. 9.9 Rope 9.9 TE High Thrust 15 Rope & TE)

нет в наличии, поставок нет
66 0313022

LOCKГайка, Штифт (LOCKNUT, Pin)

нет в наличии, поставок нет
66 3852118

   (последний код) NUT,LOCK

нет в наличии, поставок нет
67 0300364

Соединитель, Safety Цепь. 9.9 Шнур 9.9 TE High Thrust 15 Шнур & TE (LINK, Safety chain. 9.9 Rope 9.9 TE High Thrust 15 Rope & TE)

нет в наличии, поставок нет
68 0303884

Шайба, Tilt Втулка (WASHER, Tilt bushing)

нет в наличии, поставок нет
69 0319699

Шайба, Кронштейн транца (WASHER, Stern bracket)

нет в наличии, поставок нет
70 0319787

Втулка, Поворотный кронштейн (BUSHING, Swivel bracket)

нет в наличии, поставок нет
70 0317789

   (последний код) BUSHING

нет в наличии, поставок нет
71 0309738

Пластина, Кронштейн транца (PLATE, Stern bracket)

нет в наличии, поставок нет
72 0319055

Штифт тяги to Поворотный кронштейн (PIN, Link to swivel bracket)

нет в наличии, поставок нет
73 0317894

Колпачок, Tilt Трубка. 9.9 REL High Thrust 15 RE (CAP, Tilt tube. 9.9 REL High Thrust 15 RE)

нет в наличии, поставок нет
73 3852150

   (последний код) CAP

нет в наличии, поставок нет
74 0203949

Фиксатор, Соединитель (RETAINER, Link)

нет в наличии, поставок нет
74 0202755

   (последний код) IDENTICAL 203949

нет в наличии, поставок нет
evinrude

Время выполнения запроса 1.8049330711365 сек.


 
 

данный сайт носит информационный характер и не является публичной офертой

склад запчастей для водомоторной техники