вконтакте

Контактный телефон: +7 (981) 121-46-93, +7 (800) 200-90-76 , Email: parts-katalog@yandex.ru, где купить

 
 

  Логин:

Пароль:

Регистрация

www.partskatalog.ru Все каталоги Запчасти Mercury Запчасти Suzuki Запчасти Tohatsu Запчасти Honda Контакты



УВАЖАЕМЫЕ КЛИЕНТЫ!
C 19 ДЕКАБРЯ 2025 ПО 02 МАРТА 2026 ГОДА ОТДЕЛ ЗАПЧАСТЕЙ И СЕРВИС РАБОТАТЬ НЕ БУДУТ
ПРОДАЖА ЛОДОЧНЫХ МОТОРОВ В ШТАТНОМ РЕЖИМЕ
ОБ ИЗМЕНЕНИЯХ В ГРАФИКЕ РАБОТЫ ЧИТАЙТЕ НА САЙТА




Все разделы каталога запчастей на этот двигатель

назад Раздел:   вперёд

вернуться к списку узлов и деталей

ДЕТАЛИРОВКА ДЛЯ МОДЕЛИ: EVINRUDE BE3ROEDE 1996

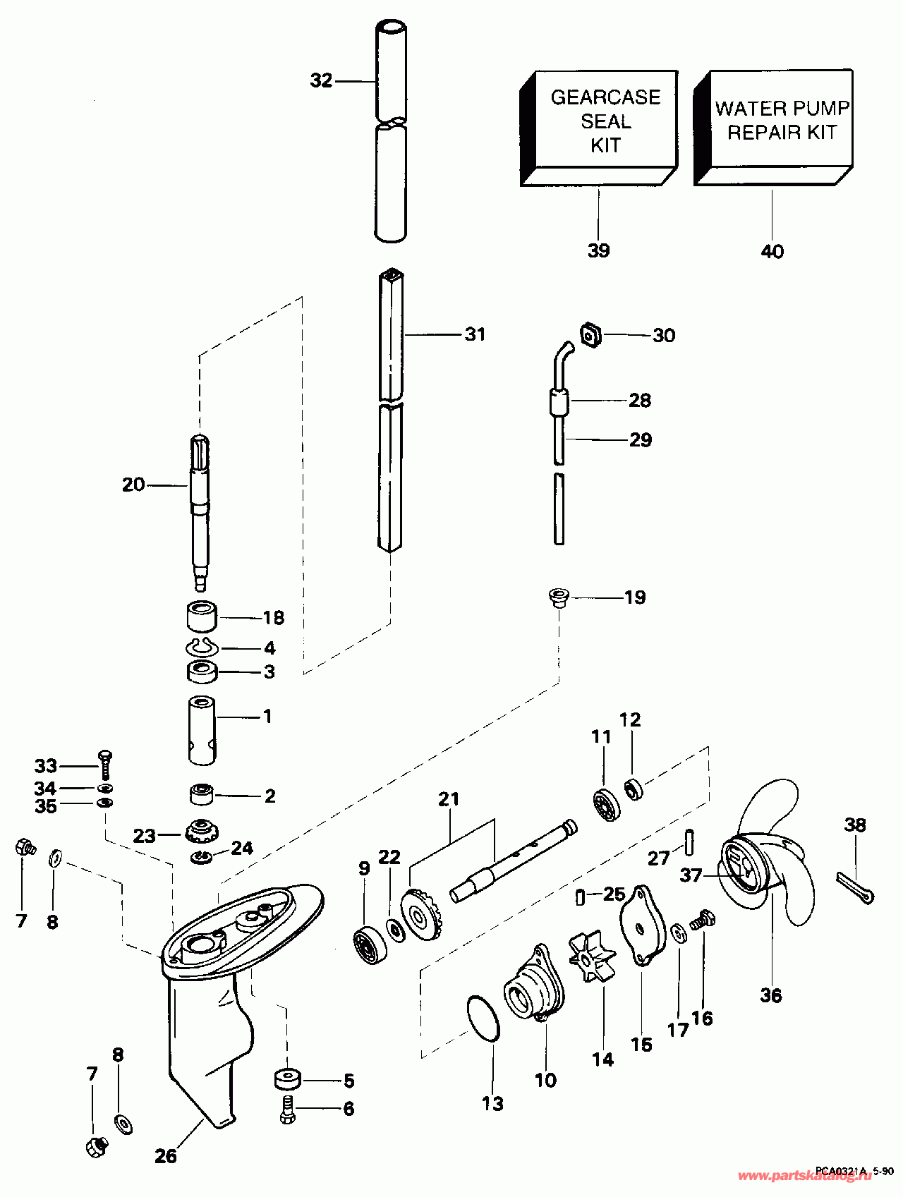
РЕДУКТОР | GEARCASE;


Подвесной двигатель EVINRUDE BE3ROEDE 1996  - arcase / arcase

Номер на
рисунке
АртикулНаименованиеКол-во
на складе
Цена
0114805 0114805

Редуктор в сборе., комплект. Not Shown (GEARCASE ASSY., Complete. Not Shown)

нет в наличии, поставок нет
1 0115010

Проставка, DriveВал Подшипник (SPACER, Driveshaft bearing)

нет в наличии, поставок нет
2 0115005

Подшипник, Шестерня (BEARING, Pinion)

нет в наличии, поставок нет
3 0115004

Подшипник, DriveВал (BEARING, Driveshaft)

нет в наличии, поставок нет
4 0115002

Фиксатор приводного вала Подшипник (RETAINER, Driveshaft bearing)

нет в наличии, поставок нет
5 0114988

Анод, Редуктор (ANODE, Gearcase)

нет в наличии, поставок нет
6 0114990

Винт, Анод (SCREW, Anode)

нет в наличии, поставок нет
7 0114991

FILL & DRAIN Заглушка (FILL & DRAIN PLUG)

нет в наличии, поставок нет
8 0114992

Шайба, Fill & drain (WASHER, Fill & drain)

нет в наличии, поставок нет
9 0115006

Подшипник, дляward Шестерня (BEARING, Forward gear)

нет в наличии, поставок нет
10 0114826

Редуктор HEAD & Подшипник (GEARCASE HEAD & BEARING)

нет в наличии, поставок нет
10 0114998

   (последний код) G-CASE-HEAD

нет в наличии, поставок нет
11 0115004

Подшипник, Вал гребного винта (BEARING, Propeller shaft)

нет в наличии, поставок нет
12 0114999

Сальник, Вал гребного винта (OIL SEAL, Propeller shaft)

6 шт0 руб.
13 0114996

Уплотнительное кольцо, Редуктор head (O-RING, Gearcase head)

нет в наличии, поставок нет
14 0114812

Крыльчатка в сборе. (IMPELLER ASSY.)

нет в наличии, поставок нет
15 0114997

Крышка, Водяной насос (COVER, Water pump)

нет в наличии, поставок нет
16 0114994

Винт, Водяной насос Крышка (SCREW, Water pump cover)

нет в наличии, поставок нет
17 0115284

Шайба, Водяной насос Крышка (WASHER, Water pump cover)

нет в наличии, поставок нет
18 0115003

Сальник, DriveВал (SEAL, Driveshaft)

нет в наличии, поставок нет
19 0114993

Нижний пыльник трубки водяного насоса (GROMMET, Water tube, lower)

нет в наличии, поставок нет
20 0115000

DRIVEВал, Редуктор (DRIVESHAFT, Gearcase)

нет в наличии, поставок нет
21 0114813

дляWARD Шестерня & PROP Вал AY. (FORWARD GEAR & PROP SHAFT AY.)

нет в наличии, поставок нет
21 0115008

   (последний код) PROP-SHAFT

нет в наличии, поставок нет
22 0115009

Упорная шайба (THRUST WASHER)

нет в наличии, поставок нет
23 0115001

Шестерня (PINION)

нет в наличии, поставок нет
24 0115011

Уплотнительное кольцо, Шестерня (E-RING, Pinion)

нет в наличии, поставок нет
25 0114995

DRIVE Шпонка крыльчатки (DRIVE PIN, Impeller)

нет в наличии, поставок нет
26 0115012

Редуктор Корпус (GEARCASE HOUSING)

нет в наличии, поставок нет
27 0115193

DRIVE Штифт, Гребной винт (DRIVE PIN, Propeller)

нет в наличии, поставок нет
27 0451609

   (последний код) PIN, DRIVE

нет в наличии, поставок нет
28 0115219

Трубопровод, Водяная трубка (TUBING, Water tube)

нет в наличии, поставок нет
29 0115217

Водяная трубка (WATER TUBE)

нет в наличии, поставок нет
30 0115218

Верхний пыльник трубки водяного насоса (GROMMET, Water tube, upper)

нет в наличии, поставок нет
31 0115207

Трансмиссия Вал (TRANSMISSION SHAFT)

нет в наличии, поставок нет
32 0115216

Трубка, DriveВал (TUBE, Driveshaft)

нет в наличии, поставок нет
33 0115214

Винт крепления редуктора к удлиняющему кожуху (SCREW, Gearcase to exhaust housing)

нет в наличии, поставок нет
34 0115215

Пружина Шайба шестерниcase Винт (SPRING WASHER, Gearcase screw)

нет в наличии, поставок нет
35 0115284

Шайба шестерниcase Винт (WASHER, Gearcase screw)

нет в наличии, поставок нет
36 0115208

Гребной винт, 7 1 / 2 дюйм x 4 1 / 2 дюйм. 2RO, 2RE Models (PROPELLER, 7 1/2 in. x 4 1/2 in.. 2RO, 2RE Models)

нет в наличии, поставок нет
36 0115299

Гребной винт, 7 1 / 4 дюйм x 5 дюйм AL. 2RS Models 3RS Models (PROPELLER, 7 1/4 in. x 5 in. AL. 2RS Models 3RS Models)

нет в наличии, поставок нет
36 0114848

Гребной винт, 7 1 / 2 дюйм x 6 дюйм. All 3.3 Models (PROPELLER, 7 1/2 in. x 6 in.. All 3.3 Models)

нет в наличии, поставок нет
37 0115301

INSERT, Гребной винт, 3.3 model (INSERT, Propeller, 3.3 model)

нет в наличии, поставок нет
37 0115408

   (последний код) INSERT,PROPELLER

1 шт400 руб.
38 0115192

Шплинт, 2.3 model (COTTER PIN, 2.3 model)

нет в наличии, поставок нет
38 0115305

Шплинт, 3.3 model (COTTER PIN, 3.3 model)

нет в наличии, поставок нет
39 0114831

Комплект сальников редуктора (GEARCASE SEAL KIT)

нет в наличии, поставок нет
40 0114832

Ремкомплект водяного насоса (WATER PUMP REPAIR KIT)

нет в наличии, поставок нет
evinrude

Время выполнения запроса 2.3369009494781 сек.


 
 

данный сайт носит информационный характер и не является публичной офертой

склад запчастей для водомоторной техники