вконтакте

Контактный телефон: +7 (981) 121-46-93, +7 (800) 200-90-76 , Email: parts-katalog@yandex.ru, где купить

 
 

  Логин:

Пароль:

Регистрация

www.partskatalog.ru Все каталоги Запчасти Mercury Запчасти Suzuki Запчасти Tohatsu Запчасти Honda Контакты



УВАЖАЕМЫЕ КЛИЕНТЫ!
C 19 ДЕКАБРЯ 2025 ПО 02 МАРТА 2026 ГОДА ОТДЕЛ ЗАПЧАСТЕЙ И СЕРВИС РАБОТАТЬ НЕ БУДУТ
ПРОДАЖА ЛОДОЧНЫХ МОТОРОВ В ШТАТНОМ РЕЖИМЕ
ОБ ИЗМЕНЕНИЯХ В ГРАФИКЕ РАБОТЫ ЧИТАЙТЕ НА САЙТА




Все разделы каталога запчастей на этот двигатель

назад Раздел:   вперёд

вернуться к списку узлов и деталей

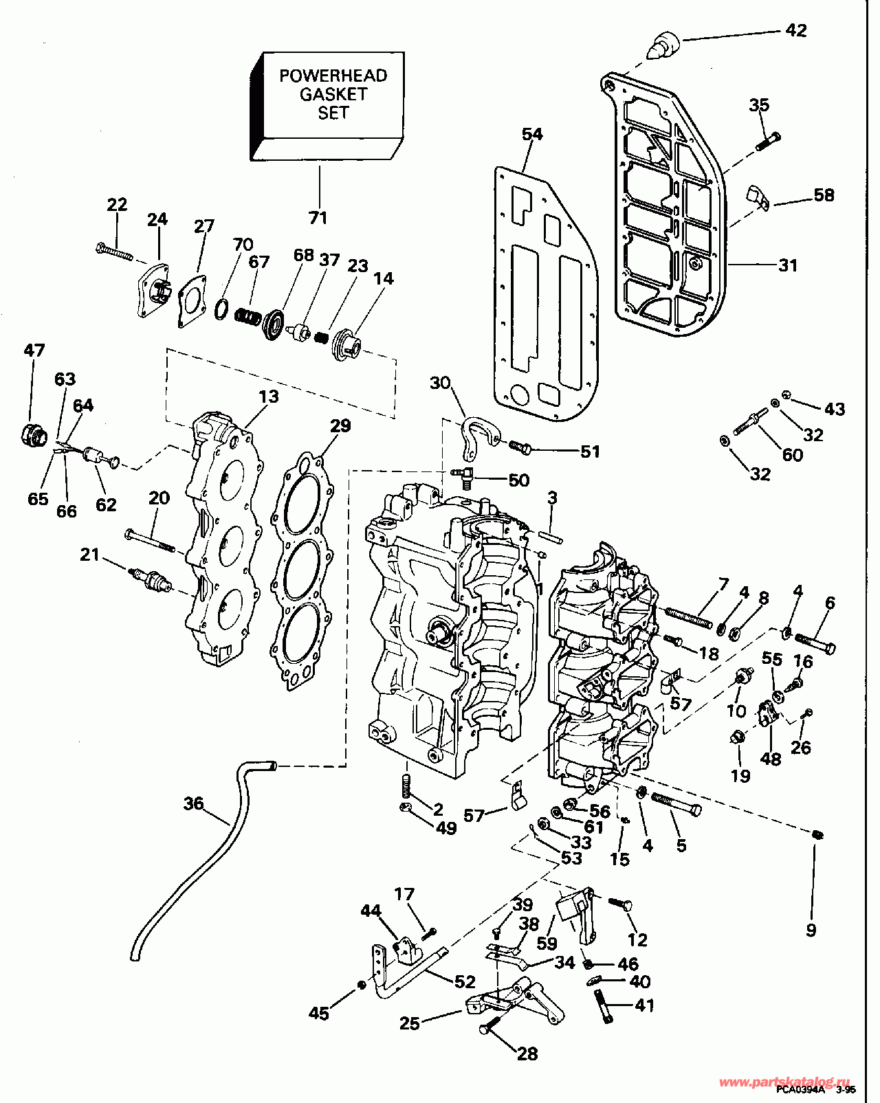
ДЕТАЛИРОВКА ДЛЯ МОДЕЛИ: EVINRUDE E70TTLEOR 1995

ЦИЛИНДР & КАРТЕР ДВИГАТЕЛЯ | CYLINDER & CRANKCASE;


Двигатель EVINRUDE E70TTLEOR 1995  - linder & Картер двигателя

Номер на
рисунке
АртикулНаименованиеКол-во
на складе
Цена
0436908 0436908

Цилиндр & Картер двигателя в сборе.. Not Shown (CYLINDER & CRANKCASE ASSY.. Not Shown)

нет в наличии, поставок нет
0436908 0438918

   (последний код) CYL&CRKC AY

нет в наличии, поставок нет
1 0304178

Шпонка (DOWEL PIN)

нет в наличии, поставок нет
2 0314616

Шпилька, Цилиндр (STUD, Cylinder)

нет в наличии, поставок нет
2 0324811

   (последний код) STUD-CYL

нет в наличии, поставок нет
3 0305070

конус Штифт (TAPER PIN)

нет в наличии, поставок нет
4 0300343

Шайба, Картер двигателя to Цилиндр (WASHER, Crankcase to cylinder)

нет в наличии, поставок нет
4 3852041

   (последний код) WASHER

нет в наличии, поставок нет
5 0307776

Винт, нижний Главный подшипник (SCREW, Lower main bearing)

нет в наличии, поставок нет
6 0131794

Винт, Картер двигателя to Цилиндр (SCREW, Crankcase to cylinder)

нет в наличии, поставок нет
6 0308963

   (последний код) SCREW

нет в наличии, поставок нет
7 0313538

Шпилька, Картер двигателя to Цилиндр (STUD, Crankcase to cylinder)

нет в наличии, поставок нет
8 0320372

LOCKГайка, Картер двигателя to Цилиндр (LOCKNUT, Crankcase to cylinder)

нет в наличии, поставок нет
9 0321164

Заглушка (PLUG)

нет в наличии, поставок нет
9 0307544

   (последний код) PLUG

нет в наличии, поставок нет
10 0435009

PULSE LIMITER (PULSE LIMITER)

нет в наличии, поставок нет
10 3852225

   (последний код) LIMITER-AY,P

нет в наличии, поставок нет
12 0308751

Винт, Кронштейн (SCREW, Bracket)

нет в наличии, поставок нет
12 0331025

   (последний код) SCREW

нет в наличии, поставок нет
13 0339288

Головка блока цилиндра, 50TTL only (CYLINDER HEAD, 50TTL only)

нет в наличии, поставок нет
13 0435977

   (последний код) KIT AY,CYL HEAD

нет в наличии, поставок нет
13 0339221

Головка блока цилиндра, 25-60-70 (CYLINDER HEAD, 25-60-70)

нет в наличии, поставок нет
14 0336178

Корпус, Термостат (HOUSING, Thermostat)

нет в наличии, поставок нет
15 0313607

LUBRICATION FITTING (LUBRICATION FITTING)

нет в наличии, поставок нет
15 3852121

   (последний код) FITTING,LUB

нет в наличии, поставок нет
16 0327590

Штифт, Рычаг переключения to Переключающая тяга (PIN, Shift lever to shift rod)

нет в наличии, поставок нет
16 0323267

   (последний код) PIN

нет в наличии, поставок нет
17 0328693

Винт, Сдвижной переключатель (SCREW, Shift detent)

нет в наличии, поставок нет
18 0306049

Винт (SCREW)

нет в наличии, поставок нет
19 0330967

Втулка, Рычаг переключения to Картер двигателя (BUSHING, Shift lever to crankcase)

нет в наличии, поставок нет
20 0322323

Винт, Головка блока цилиндра (SCREW, Cylinder head)

нет в наличии, поставок нет
21 0437929

Свеча зажигания, Champion QL78YC. Radio Noise Sвышеpressor Заглушка (SPARK PLUG, Champion QL78YC. Radio Noise Suppressor Plug)

нет в наличии, поставок нет
21 0387633

Свеча зажигания, Champion QL77JC4. Radio Noise Sвышеpressor Заглушка Опции (SPARK PLUG, Champion QL77JC4. Radio Noise Suppressor Plug Optional)

нет в наличии, поставок нет
21 0502180

   (последний код) Champion SPARK PLUG QL77JC4 MAR4

нет в наличии, поставок нет
21 0432424

Свеча зажигания, Champion QL16V. Radio Noise Sвышеpressor Заглушка Опции (SPARK PLUG, Champion QL16V. Radio Noise Suppressor Plug Optional)

нет в наличии, поставок нет
21 0502178

   (последний код) Champion SPARK PLUG QL16V MAR4

нет в наличии, поставок нет
21 0386941

Свеча зажигания, Champion L77JC4. Опции (SPARK PLUG, Champion L77JC4. Optional)

нет в наличии, поставок нет
21 4002080

   (последний код) SP-PLUG L77J

нет в наличии, поставок нет
22 0306049

Винт, Термостат Крышка (SCREW, Thermostat cover)

нет в наличии, поставок нет
23 0336179

Пружина (SPRING)

нет в наличии, поставок нет
24 0339207

Крышка термостата и Клапана (COVER, Thermostat and valves)

нет в наличии, поставок нет
25 0329223

Кронштейн, Фиксатор пружины (BRACKET, Detent spring)

нет в наличии, поставок нет
26 0317581

Винт, Рычаг тяги переключения (SCREW, Shift rod lever)

нет в наличии, поставок нет
27 0329830

Прокладка крышки термостата (GASKET, Thermostat cover)

нет в наличии, поставок нет
28 0308728

Винт, Detent Кронштейн Креплениеing (SCREW, Detent bracket mounting)

нет в наличии, поставок нет
28 0322098

   (последний код) SCREW,CYL HEAD

нет в наличии, поставок нет
29 0329836

Прокладка головки блока цилиндра (GASKET, Cylinder head)

нет в наличии, поставок нет
30 0333962

LIFT Кронштейн (LIFT BRACKET)

нет в наличии, поставок нет
30 0331569

   (последний код) LIFT-BRACKET

нет в наличии, поставок нет
31 0329834

Выхлопная крышка Коллектор (COVER, Exhaust manifold)

нет в наличии, поставок нет
31 0343864

   (последний код) COVER

нет в наличии, поставок нет
32 0328701

Шайба, Заземление Болт (WASHER, Ground bolt)

нет в наличии, поставок нет
32 3852182

   (последний код) WASHER,LOCK

нет в наличии, поставок нет
33 0202026

Шайба, Переключательer Рычаг (WASHER, Shifter lever)

нет в наличии, поставок нет
34 0330913

Пружина переключателя detent Кронштейн (SPRING, Shift detent bracket)

нет в наличии, поставок нет
34 0329246

   (последний код) SPRING

нет в наличии, поставок нет
35 0308743

Винт, Кожух выхлопной трубы (SCREW, Exhaust cover)

нет в наличии, поставок нет
35 0342422

   (последний код) SCREW

нет в наличии, поставок нет
36 0911237

Шланг, Индикатор (HOSE, Indicator)

нет в наличии, поставок нет
37 0436195

Термостат в сборе. (THERMOSTAT ASSY.)

нет в наличии, поставок нет
38 0330212

Пружина переключателя detent Кронштейн (SPRING, Shift detent bracket)

нет в наличии, поставок нет
39 0312241

Винт, Пружинаs to Кронштейн (SCREW, Springs to bracket)

нет в наличии, поставок нет
39 0328697

   (последний код) SCREW

нет в наличии, поставок нет
40 0203688

Гайка, Idle adjustment (NUT, Idle adjustment)

нет в наличии, поставок нет
40 0328710

   (последний код) NUT-SCREW-ID

нет в наличии, поставок нет
41 0553142

Винт, Idle adjustment (SCREW, Idle adjustment)

нет в наличии, поставок нет
41 0306337

   (последний код) SCREW

нет в наличии, поставок нет
42 0314021

Бампер, Выхлопной патрубок (BUMPER, Exhaust manifold)

нет в наличии, поставок нет
43 0328740

Гайка, Double end Болт (NUT, Double end bolt)

нет в наличии, поставок нет
43 0306375

   (последний код) NUT

нет в наличии, поставок нет
44 0329230

Сдвижной переключатель (SHIFT DETENT)

нет в наличии, поставок нет
45 0121470

Гайка, Сдвижной переключатель to Рычаг (NUT, Shift detent to lever)

нет в наличии, поставок нет
46 0308993

Пружина, Idle adjustment (SPRING, Idle adjustment)

нет в наличии, поставок нет
47 0329562

Крышка, температура Переключатель (COVER, Temperature switch)

нет в наличии, поставок нет
48 0326642

Рычаг штока переключения (LEVER, Shift rod)

нет в наличии, поставок нет
48 0318539

   (последний код) LEVER

нет в наличии, поставок нет
49 0315204

Гайка, Powerhead Шпилька (NUT, Powerhead stud)

нет в наличии, поставок нет
49 0316355

   (последний код) NUT

нет в наличии, поставок нет
50 0321886

ELBOW (ELBOW)

нет в наличии, поставок нет
50 0321686

   (последний код) ELBOW

нет в наличии, поставок нет
51 0306322

Винт (SCREW)

нет в наличии, поставок нет
52 0329229

Рычаг переключения (SHIFT LEVER)

нет в наличии, поставок нет
52 0327336

   (последний код) SHIFT LEVER

нет в наличии, поставок нет
53 0552906

Шплинт, Рычаг переключения (COTTER PIN, Shift lever)

нет в наличии, поставок нет
53 3852255

   (последний код) PIN,COTTER

нет в наличии, поставок нет
54 0329833

Прокладка выхлопного патрубка (GASKET, Exhaust manifold)

нет в наличии, поставок нет
54 0343863

   (последний код) GASKET, EXHST CVR

нет в наличии, поставок нет
55 0302290

Шайба с блокировкой, Штифт to Рычаг переключения (LOCK WASHER, Pin to shift lever)

нет в наличии, поставок нет
55 0338307

   (последний код) WASHER,LOCK

нет в наличии, поставок нет
56 0318951

Втулка, Рычаг переключения to Картер двигателя (BUSHING, Shift lever to crankcase)

нет в наличии, поставок нет
57 0330151

Струбцина, Leads (CLAMP, Leads)

нет в наличии, поставок нет
57 3852199

   (последний код) CLAMP,"J"

нет в наличии, поставок нет
58 0310439

Струбцина топливного фильтра (CLAMP, Fuel filter)

нет в наличии, поставок нет
58 3852088

   (последний код) CLAMP,"J"

нет в наличии, поставок нет
59 0330814

Кронштейн, Idle adjustment (BRACKET, Idle adjustment)

нет в наличии, поставок нет
60 0334109

Болт, Double end (BOLT, Double end)

нет в наличии, поставок нет
61 0306012

BOW Шайба, Рычаг переключения (BOW WASHER, Shift lever)

нет в наличии, поставок нет
62 0584152

температура Переключатель (TEMPERATURE SWITCH)

нет в наличии, поставок нет
63 0512947

Клемма, Bullet (TERMINAL, Bullet)

нет в наличии, поставок нет
63 0910462

   (последний код) TERM.-60766-

нет в наличии, поставок нет
64 0513185

Гильза, Bullet Клемма (SLEEVE, Bullet terminal)

нет в наличии, поставок нет
64 0512948

   (последний код) SLEEVE

нет в наличии, поставок нет
65 0512876

SOCKET (SOCKET)

нет в наличии, поставок нет
65 3852244

   (последний код) TERMINAL,SOC

нет в наличии, поставок нет
66 0513186

Гильза, Socket (SLEEVE, Socket)

нет в наличии, поставок нет
66 3852248

   (последний код) SLEEVE,SKT-B

нет в наличии, поставок нет
67 0342421

Пружина (SPRING)

нет в наличии, поставок нет
68 0435957

Диафрагма & Cвыше (DIAPHRAGM & CUP)

нет в наличии, поставок нет
70 0336185

Шайба (WASHER)

нет в наличии, поставок нет
71 0398047

POWERHEAD Комплект прокладок (POWERHEAD GASKET SET)

нет в наличии, поставок нет
71 0438904

   (последний код) GASKET SET, PWHD

нет в наличии, поставок нет
evinrude

Время выполнения запроса 4.1120359897614 сек.


 
 

данный сайт носит информационный характер и не является публичной офертой

склад запчастей для водомоторной техники