вконтакте

Контактный телефон: +7 (981) 121-46-93, +7 (800) 200-90-76 , Email: parts-katalog@yandex.ru, где купить

 
 

  Логин:

Пароль:

Регистрация

www.partskatalog.ru Все каталоги Запчасти Mercury Запчасти Suzuki Запчасти Tohatsu Запчасти Honda Контакты



УВАЖАЕМЫЕ КЛИЕНТЫ!
C 19 ДЕКАБРЯ 2025 ПО 02 МАРТА 2026 ГОДА ОТДЕЛ ЗАПЧАСТЕЙ И СЕРВИС РАБОТАТЬ НЕ БУДУТ
ПРОДАЖА ЛОДОЧНЫХ МОТОРОВ В ШТАТНОМ РЕЖИМЕ
ОБ ИЗМЕНЕНИЯХ В ГРАФИКЕ РАБОТЫ ЧИТАЙТЕ НА САЙТА




Все разделы каталога запчастей на этот двигатель

назад Раздел:   вперёд

вернуться к списку узлов и деталей

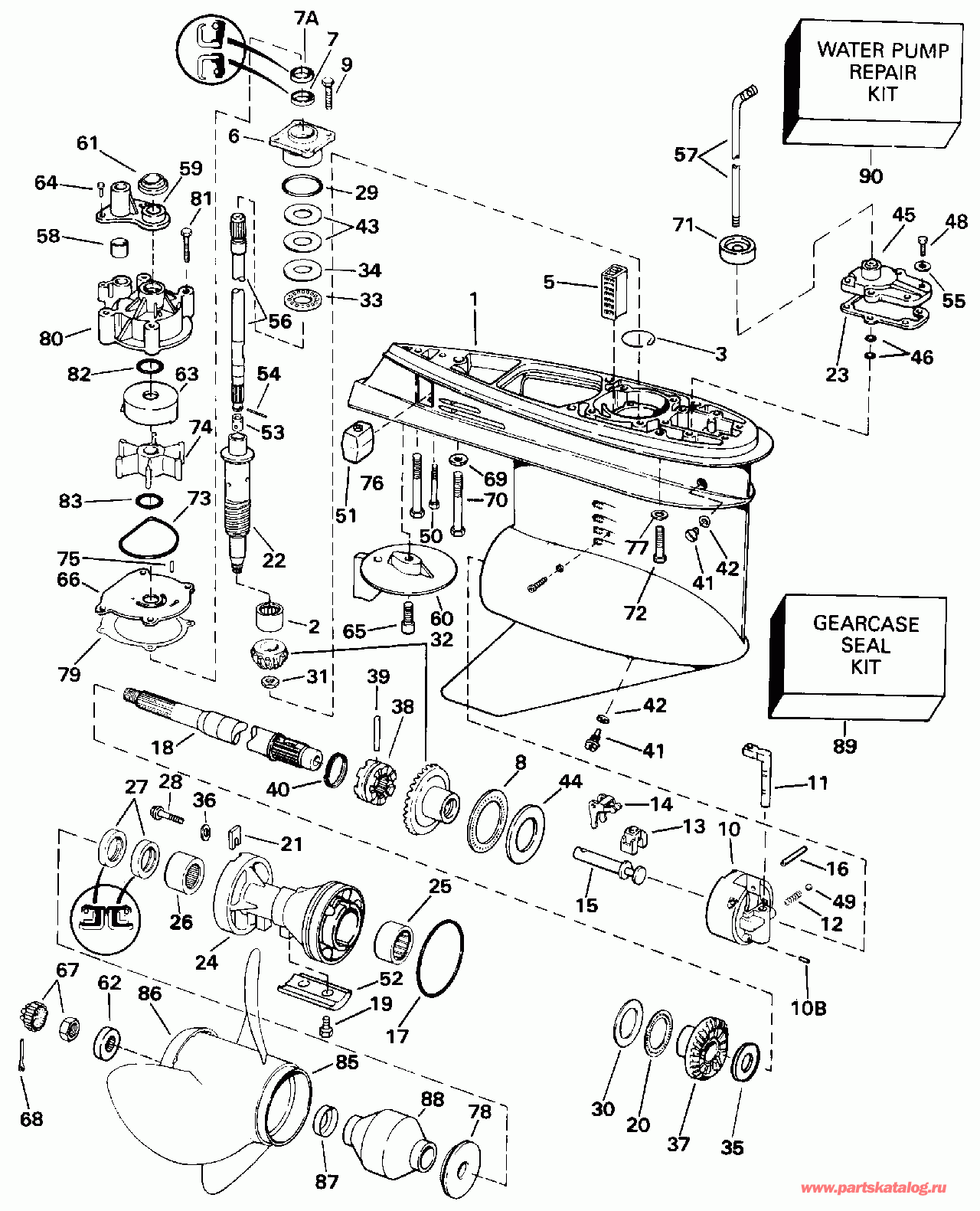
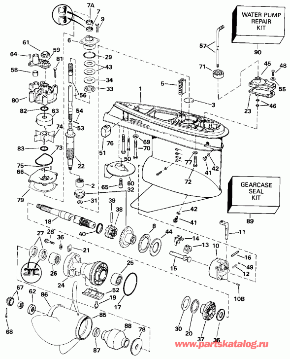
ДЕТАЛИРОВКА ДЛЯ МОДЕЛИ: EVINRUDE E200CZETF 1993

РЕДУКТОР - СТАНДАРТ ROTATION - 20 ДЮЙМ MODELS | GEARCASE - STANDARD ROTATION - 20 IN. MODELS;


Подвесной лодочный мотор Эвинруд E200CZETF 1993  - стандарт Rotation - 20 дюйм Models - Standard Rotation - 20 In. Models

Номер на
рисунке
АртикулНаименованиеКол-во
на складе
Цена
0435475 0435475

Редуктор в сборе., комплект. Not Shown (GEARCASE ASSY., Complete. Not Shown)

нет в наличии, поставок нет
0435475 5004635

   (последний код) SEE SB 2002-02P

нет в наличии, поставок нет
1 0435738

Редуктор в сборе с подшипником. (GEARCASE & BEARING ASSY.)

нет в наличии, поставок нет
1 0439973

   (последний код) CALL TECH SVC/QIPL

нет в наличии, поставок нет
2 0387817

Подшипник, Шестерня (BEARING, Pinion)

нет в наличии, поставок нет
3 0338778

Стопорное кольцо (RETAINING RING)

нет в наличии, поставок нет
5 0321123

Водяной экран Система впуска (SCREEN, Water intake)

нет в наличии, поставок нет
6 0435675

Подшипник Корпус & Сальник (BEARING HOUSING & SEAL)

нет в наличии, поставок нет
6 0439476

   (последний код) DS BRG HSG&SEAL AY

нет в наличии, поставок нет
7 0329923

Сальник, DriveВал, нижний (SEAL, Driveshaft, lower)

нет в наличии, поставок нет
7A 0329922

Сальник, DriveВал, верхний (SEAL, Driveshaft, upper)

нет в наличии, поставок нет
8 0389042

THRUST BRG. в сборе., Fwd. Шестерня (THRUST BRG. ASSY., Fwd. gear)

нет в наличии, поставок нет
9 0317624

Винт, Корпус to Редуктор (SCREW, Housing to gearcase)

нет в наличии, поставок нет
10 0389455

Корпус & Подшипник в сборе. (HOUSING & BEARING ASSY.)

нет в наличии, поставок нет
10B 0331880

Штифт, Корпус (PIN, Housing)

нет в наличии, поставок нет
11 0323946

DETENT, Переключательer (DETENT, Shifter)

нет в наличии, поставок нет
11 0915954

   (последний код) DETENT

нет в наличии, поставок нет
12 0911962

Фиксатор пружины (SPRING, Detent)

нет в наличии, поставок нет
12 0915955

   (последний код) SPRING

нет в наличии, поставок нет
13 0334163

CRADLE, Переключательer (CRADLE, Shifter)

5 шт1880 руб.
13 0322900

   (последний код) CRADLE-SHIFT

нет в наличии, поставок нет
14 0322938

ПереключательER (SHIFTER)

нет в наличии, поставок нет
15 0322941

Вал (SHAFT)

нет в наличии, поставок нет
16 0328825

Штифт, Рычаг переключения (PIN, Shift lever)

нет в наличии, поставок нет
17 0305123

Уплотнительное кольцо, Вал гребного винта (O-RING, Propeller shaft)

нет в наличии, поставок нет
17 0321119

   (последний код) O-RING,-DLR

нет в наличии, поставок нет
18 0435022

Вал гребного винта в сборе. (PROPELLER SHAFT ASSY.)

нет в наличии, поставок нет
18 5004765

   (последний код) PROPSHAFT AY,SERV

нет в наличии, поставок нет
19 0908158

Винт, Анод (SCREW, Anode)

нет в наличии, поставок нет
19 3852050

   (последний код) SCREW

нет в наличии, поставок нет
20 0382408

THRUST BRG., Reverse Шестерня (THRUST BRG., Reverse gear)

нет в наличии, поставок нет
21 0333957

TAB, Фиксатор (TAB, Retainer)

нет в наличии, поставок нет
22 0335677

DRIVEВал, нижний (DRIVESHAFT, Lower)

нет в наличии, поставок нет
22 0345905

   (последний код) DRIVESHAFT,LOWER

нет в наличии, поставок нет
23 0324670

Прокладка, Переключающая тяга Крышка (GASKET, Shift rod cover)

нет в наличии, поставок нет
23 0352165

   (последний код) GASKET

2 шт550 руб.
24 0435096

Подшипник HSG. Сальник в сборе. (BEARING HSG. SEAL ASSY.)

нет в наличии, поставок нет
24 5004257

   (последний код) HSG AY, PROPSHAFT

нет в наличии, поставок нет
25 0382407

Игольчатый подшипник в сборе. (NEEDLE BEARING ASSY.)

1 шт5500 руб.
26 0434467

Игольчатый подшипник в сборе. (NEEDLE BEARING ASSY.)

нет в наличии, поставок нет
27 0334950

Сальник (SEAL)

нет в наличии, поставок нет
28 0333955

Винт (SCREW)

нет в наличии, поставок нет
28 0350271

   (последний код) SCREW, BRG CARRIER

нет в наличии, поставок нет
29 0314728

Уплотнительное кольцо, DriveВал Подшипник (O-RING, Driveshaft bearing)

нет в наличии, поставок нет
29 0354731

   (последний код) O-RING

1 шт850 руб.
30 0314731

THRUST Шайба шестерни заднего хода (THRUST WASHER, Reverse gear)

нет в наличии, поставок нет
31 0314730

Гайка, Шестерня to driveВал (NUT, Pinion to driveshaft)

нет в наличии, поставок нет
32 0435020

Шестерня & Комплект шестерёнок. (GEAR & PINION ASSY.)

нет в наличии, поставок нет
32 5004938

   (последний код) GEARSET,V6 FWD&PIN

нет в наличии, поставок нет
33 0387656

THRUST Подшипник, Шестерня (THRUST BEARING, Pinion)

нет в наличии, поставок нет
33 0383248

   (последний код) BEARING

нет в наличии, поставок нет
34 0327656

Упорная шайба шестерни Шестерня (THRUST WASHER, Pinion)

нет в наличии, поставок нет
34 0314729

   (последний код) THRUST-WASHE

нет в наличии, поставок нет
35 0336565

Упорная шайба (THRUST WASHER)

нет в наличии, поставок нет
36 0328743

Шайба, Винт, tab (WASHER, Screw, tab)

нет в наличии, поставок нет
36 3852191

   (последний код) WASHER

нет в наличии, поставок нет
37 0336561

Шестерня обратного хода (GEAR, Reverse)

нет в наличии, поставок нет
38 0337774

Переключатель собачки сцепления (SHIFTER, Clutch dog)

нет в наличии, поставок нет
38 0910995

   (последний код) SHIFTER

нет в наличии, поставок нет
39 0313448

Штифт сцепления dog (PIN, Clutch dog)

нет в наличии, поставок нет
40 0324369

Пружина, Сцепление dog Штифт (SPRING, Clutch dog pin)

нет в наличии, поставок нет
40 0313454

   (последний код) SPRING

нет в наличии, поставок нет
41 0318544

Заглушка, Fill & drain (PLUG, Fill & drain)

нет в наличии, поставок нет
41 0912624

   (последний код) SCREW

нет в наличии, поставок нет
42 0311598

Шайба (WASHER)

нет в наличии, поставок нет
42 3852105

   (последний код) WASHER

нет в наличии, поставок нет
42 0333572

Уплотнительное кольцо (O-RING)

нет в наличии, поставок нет
42 3855081

   (последний код) 0-RING

нет в наличии, поставок нет
43 0323362

Регулировочная шайба, 0.003" (SHIM, 0.003")

нет в наличии, поставок нет
43 0323361

Регулировочная шайба, 0.004" (SHIM, 0.004")

нет в наличии, поставок нет
43 0314745

Регулировочная шайба, 0.005" (SHIM, 0.005")

нет в наличии, поставок нет
44 0327669

Упорная шайба, Fwd. Шестерня (THRUST WASHER, Fwd. gear)

нет в наличии, поставок нет
44 0324805

   (последний код) THRUST-WASHE

нет в наличии, поставок нет
45 0435482

Крышка & Сальник в сборе. (COVER & SEAL ASSY.)

нет в наличии, поставок нет
45 5006241

   (последний код) COVER AY,SHIFT ROD

нет в наличии, поставок нет
46 0318372

Уплотнительное кольцо, Переключающая тяга (O-RING, Shift rod)

нет в наличии, поставок нет
48 0302325

Винт, Крышка (SCREW, Cover)

нет в наличии, поставок нет
49 0160084

Шарик, Detent (BALL, Detent)

нет в наличии, поставок нет
49 3852023

   (последний код) BALL

нет в наличии, поставок нет
50 0328096

Винт, Анод (SCREW, Anode)

нет в наличии, поставок нет
50 0327046

   (последний код) SCREW

нет в наличии, поставок нет
51 0393023

Анод (ANODE)

нет в наличии, поставок нет
51 0436745

   (последний код) ANODE&INSERT AY

нет в наличии, поставок нет
52 0431708

Анод, Подшипник hsg. (ANODE, Bearing hsg.)

нет в наличии, поставок нет
52 0397111

   (последний код) ANODE-AY

нет в наличии, поставок нет
53 0338504

Фиксатор приводного вала (RETAINER, Driveshaft)

нет в наличии, поставок нет
54 0311538

ROLL Штифт, DriveВал (ROLL PIN, Driveshaft)

нет в наличии, поставок нет
55 0328702

Шайба (WASHER)

нет в наличии, поставок нет
55 3852183

   (последний код) WASHER

нет в наличии, поставок нет
56 0435765

DRIVEВал AY., верхний (Incl. #53 & 54) (DRIVESHAFT AY., Upper (Incl. #53 & 54))

нет в наличии, поставок нет
56 5007671

   (последний код) UPPER D/S KIT 20"

нет в наличии, поставок нет
57 0329864

Переключающая тяга (SHIFT ROD)

нет в наличии, поставок нет
58 0314008

Пыльник водяной трубки (GROMMET, Water tube)

нет в наличии, поставок нет
59 0338893

Колпак крыльчатки Корпус (COVER, Impeller housing)

нет в наличии, поставок нет
59 0321159

   (последний код) COVER-IMP-HS

нет в наличии, поставок нет
60 0327640

Пластина трима, Редуктор (TRIM TAB, Gearcase)

нет в наличии, поставок нет
60 0338742

   (последний код) TAB,TRIM-STD

нет в наличии, поставок нет
61 0320943

Пыльник, Крыльчатка Корпус (GROMMET, Impeller housing)

1 шт300 руб.
62 0320570

Проставка гайки гребного винта (SPACER, Propeller nut)

нет в наличии, поставок нет
62 3852163

   (последний код) SPACER,PROP

нет в наличии, поставок нет
63 0338486

Cвыше, Крыльчатка. Stainless Steel (CUP, Impeller. Stainless Steel)

нет в наличии, поставок нет
63 0338551

Cвыше, Крыльчатка Корпус. хромированная пластина (CUP, Impeller housing. Chrome Plated)

нет в наличии, поставок нет
64 0306643

Винт, Крышка to Крыльчатка (SCREW, Cover to impeller)

нет в наличии, поставок нет
64 3852066

   (последний код) SCREW

нет в наличии, поставок нет
65 0313715

Винт, Пластина трима (SCREW, Trim tab)

нет в наличии, поставок нет
66 0338485

Пластина корпуса крыльчатки. Stainless Steel (PLATE, Impeller housing. Stainless Steel)

нет в наличии, поставок нет
66 0338552

Пластина корпуса крыльчатки. хромированная пластина (PLATE, Impeller housing. Chrome Plated)

нет в наличии, поставок нет
67 0398042

Гайка & KEEPER, Гребной винт (NUT & KEEPER, Propeller)

нет в наличии, поставок нет
67 3850984

   (последний код) NUT&KEEPER AY,PROP

нет в наличии, поставок нет
68 0306394

Шплинт, Гайка гребного винта (COTTER PIN, Propeller nut)

нет в наличии, поставок нет
68 3852056

   (последний код) PIN,COTTER

нет в наличии, поставок нет
69 0330265

Шайба, Винт, long (WASHER, Screw, long)

нет в наличии, поставок нет
70 0331998

Винт, Редуктор to Корпус (SCREW, Gearcase to housing)

нет в наличии, поставок нет
70 0914535

   (последний код) SCREW

нет в наличии, поставок нет
71 0321008

Пыльник, Exh. hsg. to Переключающая тяга (GROMMET, Exh. hsg. to shift rod)

нет в наличии, поставок нет
72 0331999

Винт, Редуктор to Корпус (SCREW, Gearcase to housing)

нет в наличии, поставок нет
72 0910457

   (последний код) SCREW

нет в наличии, поставок нет
73 0331353

Сальник, Крыльчатка Корпус Пластина (SEAL, Impeller housing plate)

1 шт790 руб.
74 0435821

Крыльчатка & Ключ в сборе. (IMPELLER & KEY ASSY.)

нет в наличии, поставок нет
74 5001593

   (последний код) KIT AY,IMPELLER

нет в наличии, поставок нет
75 0331107

Ключ, Крыльчатка (KEY, Impeller)

нет в наличии, поставок нет
76 0330263

Винт, Редуктор, rear (SCREW, Gearcase, rear)

нет в наличии, поставок нет
76 0914534

   (последний код) SCREW

нет в наличии, поставок нет
77 0330266

Шайба (WASHER)

нет в наличии, поставок нет
77 3852200

   (последний код) WASHER

нет в наличии, поставок нет
78 0126870

Упорная втулка, 3 blade (THRUST BUSHING, 3 blade)

нет в наличии, поставок нет
78 3852020

   (последний код) BUSHING,THRUST

нет в наличии, поставок нет
78 0126869

Упорная втулка, 4 blade (THRUST BUSHING, 4 blade)

нет в наличии, поставок нет
78 0128740

   (последний код) BUSHING,THRUST

нет в наличии, поставок нет
79 0338484

Прокладка, Imp. hsg. Пластина. Also included in Ремкомплект водяного насоса 434421 (GASKET, Imp. hsg. plate. Also included in Water Pump Repair Kit 434421)

нет в наличии, поставок нет
79 0324701

   (последний код) GASKET,-DRL5

нет в наличии, поставок нет
80 0435990

Крыльчатка Корпус, Редуктор (IMPELLER HOUSING, Gearcase)

нет в наличии, поставок нет
81 0302325

Винт, Крыльчатка Корпус, 1" (SCREW, Impeller housing, 1")

нет в наличии, поставок нет
82 0331188

Уплотнительное кольцо (O-RING)

5 шт370 руб.
83 0302035

Кольцевой сальник (SEAL RING)

нет в наличии, поставок нет
85 0

Гребной винт. Refer to OMC SysteMatched Parts & Аксессуары Catalog для Гребной винт Chart (PROPELLER. Refer to OMC SysteMatched Parts & Accessories Catalog for Propeller Chart)

нет в наличии, поставок нет
86 0332394

CONVERGING Кольцо, 3 blade (CONVERGING RING, 3 blade)

нет в наличии, поставок нет
86 3854241

   (последний код) RING, CONVERGING

нет в наличии, поставок нет
87 0313926

Гильза, Втулка (SLEEVE, Bushing)

нет в наличии, поставок нет
87 3850831

   (последний код) SLEEVE-PROP

нет в наличии, поставок нет
88 0387157

Втулка в сборе., Prop., 3 blade, alum. (BUSHING ASSY., Prop., 3 blade, alum.)

нет в наличии, поставок нет
88 0175401

Втулка в сборе., Prop., 3 blade, SST (BUSHING ASSY., Prop., 3 blade, SST)

нет в наличии, поставок нет
88 0431730

Втулка в сборе., Prop., 4 blade (BUSHING ASSY., Prop., 4 blade)

нет в наличии, поставок нет
89 0434516

Комплект сальников редуктора (GEARCASE SEAL KIT)

нет в наличии, поставок нет
89 5006373

   (последний код) KIT AY,SEAL-GC

нет в наличии, поставок нет
90 0434421

Ремкомплект водяного насоса, Includes Крыльчатка Корпус (WATER PUMP REPAIR KIT, Includes impeller housing)

нет в наличии, поставок нет
90 5001594

   (последний код) KIT AY,WATER PUMP

нет в наличии, поставок нет
90 T-5001594

   (не оригинальный аналог) Ремкомплект насоса охлаждения Evinrude-Johnson 5001594

2 шт штпо запросу
evinrude

Время выполнения запроса 1.4894578456879 сек.


 
 

данный сайт носит информационный характер и не является публичной офертой

склад запчастей для водомоторной техники