вконтакте

Контактный телефон: +7 (981) 121-46-93, +7 (800) 200-90-76 , Email: parts-katalog@yandex.ru, где купить

 
 

  Логин:

Пароль:

Регистрация

www.partskatalog.ru Все каталоги Запчасти Mercury Запчасти Suzuki Запчасти Tohatsu Запчасти Honda Контакты


Все разделы каталога запчастей на этот двигатель

назад Раздел:   вперёд

вернуться к списку узлов и деталей

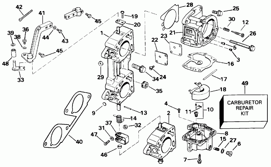
ДЕТАЛИРОВКА ДЛЯ МОДЕЛИ: EVINRUDE E200STLETC 1993

КАРБЮРАТОР & ПОДЪЕМНЫЙ МЕХАНИЗМ - 185, 200 SUFFIX "F" MODELS | CARBURETOR & LINKAGE - 185, 200 SUFFIX "F" MODELS &NBS;


Подвесной лодочный мотор Evinrude E200STLETC 1993  - 185, 200 Suffix

Номер на
рисунке
АртикулНаименованиеКол-во
на складе
Цена
0436012 0436012

CARB. в сборе., верхний Not Shown (CARB. ASSY., Upper. Not Shown)

нет в наличии, поставок нет
0436012 0436063

   (последний код) CARBURETOR AY

нет в наличии, поставок нет
0436013 0436013

CARB. в сборе., нижний Not Shown (CARB. ASSY., Lower. Not Shown)

нет в наличии, поставок нет
0436013 0436064

   (последний код) CARBURETOR AY

нет в наличии, поставок нет
1 0436124

Дроссель Верхний корпус (THROTTLE BODY, Upper)

нет в наличии, поставок нет
2 0436125

Дроссель Нижний корпуса (THROTTLE BODY, Lower)

нет в наличии, поставок нет
3 0318832

ORIFICE, Idle air bleed, port, #35 (ORIFICE, Idle air bleed, port, #35)

нет в наличии, поставок нет
4 0326164

Винт, Hinge Штифт (SCREW, Hinge pin)

нет в наличии, поставок нет
5 0325829

ORIFICE, #42 (ORIFICE, #42)

нет в наличии, поставок нет
6 0327116

Винт заглушки (SCREW, Plug)

нет в наличии, поставок нет
7 0328649

Винт, Bowl to Корпус (SCREW, Bowl to body)

нет в наличии, поставок нет
7 0337541

   (последний код) SCREW

нет в наличии, поставок нет
8 0398701

Поплавковая камера в сборе. (FLOAT CHAMBER ASSY.)

нет в наличии, поставок нет
8 0391733

   (последний код) FLOAT CHAMBER

нет в наличии, поставок нет
9 0303405

Заглушка, Expansion (PLUG, Expansion)

нет в наличии, поставок нет
10 0396522

Клапан поплавка в сборе. (FLOAT VALVE ASSY.)

нет в наличии, поставок нет
10 0382889

   (последний код) FLOAT-VALVE

нет в наличии, поставок нет
11 0336842

Пружина Зажим (SPRING CLIP)

нет в наличии, поставок нет
11 0603145

   (последний код) CLIP

нет в наличии, поставок нет
12 0339218

Игольчатый клапан (NEEDLE VALVE)

нет в наличии, поставок нет
13 0303261

ROLL Штифт, Возвратная пружина (ROLL PIN, Return spring)

нет в наличии, поставок нет
14 0335075

Пружина, Дроссель return, нижний carb (SPRING, Throttle return, lower carb)

нет в наличии, поставок нет
14 0332254

Пружина, Дроссель return, верхний carb (SPRING, Throttle return, upper carb)

нет в наличии, поставок нет
14 0328643

   (последний код) SPRING

нет в наличии, поставок нет
15 0331433

ORIFICE, High speed, #62D (ORIFICE, High speed, #62D)

нет в наличии, поставок нет
16 0338813

Прокладка, Поплавок bowl (GASKET, Float bowl)

нет в наличии, поставок нет
16 0326830

   (последний код) GASKET

нет в наличии, поставок нет
17 0326865

Стопор поплавка (PIN, Float)

нет в наличии, поставок нет
18 0391508

Поплавок в сборе. (FLOAT ASSY.)

нет в наличии, поставок нет
19 0328714

Винт, Вал (SCREW, Shaft)

нет в наличии, поставок нет
19 0204027

   (последний код) SCREW

нет в наличии, поставок нет
20 0328765

Зажим (CLIP)

нет в наличии, поставок нет
21 0332253

Сальник, Carb. Корпус (SEAL, Carb. body)

нет в наличии, поставок нет
22 0436272

CARB. Корпус (CARB. BODY)

нет в наличии, поставок нет
22 0435962

   (последний код) BODY AY,CARBURETOR

нет в наличии, поставок нет
23 0335648

Прокладка крышки Пластина (GASKET, Cover plate)

нет в наличии, поставок нет
24 0315656

Винт, Крышка Пластина (SCREW, Cover plate)

нет в наличии, поставок нет
25 0335647

Крышка Пластина (COVER PLATE)

нет в наличии, поставок нет
26 0335223

Винт, Carb. Корпус, long (SCREW, Carb. body, long)

нет в наличии, поставок нет
27 0305739

Уплотнительное кольцо, Сливной винт (O-RING, Screw plug)

нет в наличии, поставок нет
27 0900224

   (последний код) O RING

нет в наличии, поставок нет
28 0335687

Винт, Carb. Корпус, short (SCREW, Carb. body, short)

нет в наличии, поставок нет
28 3852213

   (последний код) SCREW

нет в наличии, поставок нет
29 0202310

CORE Заглушка (CORE PLUG)

нет в наличии, поставок нет
30 0340001

Пружина, Игольчатый клапан (SPRING, Needle valve)

нет в наличии, поставок нет
31 0332609

Шайба, Коннектор (WASHER, Connector)

нет в наличии, поставок нет
31 0340806

   (последний код) WASHER

нет в наличии, поставок нет
32 0309485

Гайка, Коннектор Винт (NUT, Connector screw)

нет в наличии, поставок нет
32 0132520

   (последний код) NUT

нет в наличии, поставок нет
33 0432640

Рычаг & Штифт, Cam folнижний (LEVER & PIN, Cam follower)

нет в наличии, поставок нет
34 0317624

Винт, Carb. to Коллектор (SCREW, Carb. to manifold)

нет в наличии, поставок нет
35 0315204

Гайка, Carb. Креплениеing (NUT, Carb. mounting)

нет в наличии, поставок нет
35 0316355

   (последний код) NUT

нет в наличии, поставок нет
36 0335739

Винт, Рычаг (SCREW, Lever)

нет в наличии, поставок нет
37 0327071

Коннектор, Вал дросселя (CONNECTOR, Throttle shaft)

нет в наличии, поставок нет
37 5000533

   (последний код) CONNECTOR AY

нет в наличии, поставок нет
38 0328735

Шайба, Рычаг (WASHER, Lever)

нет в наличии, поставок нет
38 3852188

   (последний код) WASHER

нет в наличии, поставок нет
39 0324678

Фиксатор, Ролик (RETAINER, Roller)

нет в наличии, поставок нет
40 0332319

Прокладка карбюратора Креплениеing (GASKET, Carburetor mounting)

нет в наличии, поставок нет
40 0326838

   (последний код) GASKET

нет в наличии, поставок нет
41 0435908

Соединитель, Карбюратор (LINK, Carburetor)

нет в наличии, поставок нет
41 0434891

   (последний код) LINK,THROTTLE

нет в наличии, поставок нет
42 0337540

Винт, Подъемный механизм adjustment (SCREW, Linkage adjustment)

нет в наличии, поставок нет
42 0335229

   (последний код) SCREW

нет в наличии, поставок нет
43 0337541

Винт, Adjustment (SCREW, Adjustment)

нет в наличии, поставок нет
43 0328649

   (последний код) SCREW

нет в наличии, поставок нет
44 0335753

Шайба, Adjustment (WASHER, Adjustment)

нет в наличии, поставок нет
44 0334823

   (последний код) WASHER

нет в наличии, поставок нет
45 0339286

Винт, BelКривошип (SCREW, Belcrank)

нет в наличии, поставок нет
46 0317162

Гильза, нижний Вал дросселя (SLEEVE, Lower throttle shaft)

нет в наличии, поставок нет
47 0337041

Винт дросселя Вал (SCREW, Throttle shaft)

нет в наличии, поставок нет
47 5000533

   (последний код) CONNECTOR AY

нет в наличии, поставок нет
48 0432639

Ролик колпачка folнижний (ROLLER, Cam follower)

нет в наличии, поставок нет
49 0439079

CARB. Ремонтный комплект (CARB. REPAIR KIT)

нет в наличии, поставок нет
49 0435678

   (последний код) KIT AY,CARB REPAIR

нет в наличии, поставок нет
evinrude

Время выполнения запроса 1.4336190223694 сек.


 
 

данный сайт носит информационный характер и не является публичной офертой

склад запчастей для водомоторной техники