| |
Все разделы каталога запчастей на этот двигатель
вернуться к списку узлов и деталей ДЕТАЛИРОВКА ДЛЯ МОДЕЛИ: EVINRUDE E200TXETF 1993
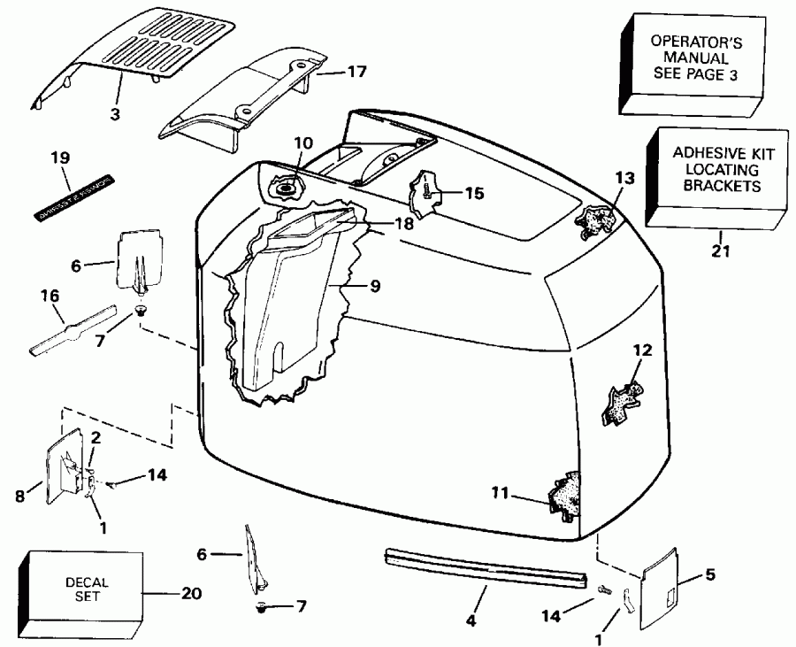
КРЫШКА ДВИГАТЕЛЯ (КАПОТ) - JOHNSON - 200TX, 200CX, 225 | ENGINE COVER - JOHNSON - 200TX, 200CX, 225 &NB;
Номер на рисунке | Артикул | Наименование | Кол-во на складе | Цена |
| 0435966 | 0435966 | Крышка двигателя (капот) в сборе., 200. Ocean Runner Styling Not shown (ENGINE COVER ASSY., 200. Ocean Runner Styling Not shown) | нет в наличии, поставок нет |
| 0435966 | 0435039 | (последний код) COVER AY,MOTOR-UPR | нет в наличии, поставок нет |
| 0435967 | 0435967 | Крышка двигателя (капот) в сборе., 225. Ocean Runner Styling Not shown (ENGINE COVER ASSY., 225. Ocean Runner Styling Not shown) | нет в наличии, поставок нет |
| 0435967 | 0435042 | (последний код) COVER AY,MOTOR-UPR | нет в наличии, поставок нет |
| 0435972 | 0435972 | Крышка двигателя (капот) в сборе., 200. стандарт Styling Not shown (ENGINE COVER ASSY., 200. Standard Styling Not shown) | нет в наличии, поставок нет |
| 0435972 | 0435816 | (последний код) COVER AY,MOTOR-UPR | нет в наличии, поставок нет |
| 0435973 | 0435973 | Крышка двигателя (капот) в сборе., 225. стандарт Styling Not shown (ENGINE COVER ASSY., 225. Standard Styling Not shown) | нет в наличии, поставок нет |
| 0435973 | 0435817 | (последний код) COVER AY,MOTOR-UPR | нет в наличии, поставок нет |
| 1 | 0435716 | Крючок (HOOK) | нет в наличии, поставок нет |
| 2 | 0323228 | Винт, Система впуска to brkt (SCREW, Intake to brkt) | нет в наличии, поставок нет |
| 3 | 0337791 | Крышка, Air Система впуска (COVER, Air intake) | нет в наличии, поставок нет |
| 4 | 0337790 | Резинка капота двигателя (SEAL, Engine cover) | нет в наличии, поставок нет |
| 5 | 0337788 | Кронштейн, Front (BRACKET, Front) | нет в наличии, поставок нет |
| 5 | 0437394 | (последний код) BRACKET AY,LATCH | нет в наличии, поставок нет |
| 6 | 0337789 | LOCATING BRKT., Rear (LOCATING BRKT., Rear) | нет в наличии, поставок нет |
| 7 | 0324898 | Бампер, Locating brkts (BUMPER, Locating brkts) | нет в наличии, поставок нет |
| 8 | 0337529 | Кронштейн, Rear (BRACKET, Rear) | нет в наличии, поставок нет |
| 8 | 0437393 | (последний код) BRACKET AY,LATCH | нет в наличии, поставок нет |
| 9 | 0337793 | BAFFLE, Air Система впуска (BAFFLE, Air intake) | нет в наличии, поставок нет |
| 10 | 0317223 | Защелка (FASTENER) | нет в наличии, поставок нет |
| 11 | 0337794 | SOUND BLANKET, Port & stbd (SOUND BLANKET, Port & stbd) | нет в наличии, поставок нет |
| 11 | 0345773 | (последний код) BLANKET,SOUND | нет в наличии, поставок нет |
| 12 | 0337795 | SOUND BLANKET, Front (SOUND BLANKET, Front) | нет в наличии, поставок нет |
| 12 | 0341493 | (последний код) BLANKET | нет в наличии, поставок нет |
| 13 | 0337797 | SOUND BLANKET, Top (SOUND BLANKET, Top) | нет в наличии, поставок нет |
| 14 | 0323228 | Винт, Крючок (SCREW, Hook) | нет в наличии, поставок нет |
| 15 | 0332191 | Винт (SCREW) | нет в наличии, поставок нет |
| 16 | 0337719 | APPLIQUE, обратное вращение. стандарт Styling (APPLIQUE, Counter rotation. Standard Styling) | нет в наличии, поставок нет |
| 17 | 0337528 | BAFFLE (BAFFLE) | нет в наличии, поставок нет |
| 18 | 0338482 | Сальник, Baffle (SEAL, Baffle) | нет в наличии, поставок нет |
| 19 | 0337720 | APPLIQUE, Power Рулевая система. стандарт Styling (APPLIQUE, Power steering. Standard Styling) | нет в наличии, поставок нет |
| 20 | 0436348 | Комплект наклеек, 200. Ocean Runner Styling (DECAL SET, 200. Ocean Runner Styling) | нет в наличии, поставок нет |
| 20 | 0436349 | Комплект наклеек, 225. Ocean Runner Styling (DECAL SET, 225. Ocean Runner Styling) | нет в наличии, поставок нет |
| 20 | 0436346 | Комплект наклеек, 200. стандарт Styling (DECAL SET, 200. Standard Styling) | нет в наличии, поставок нет |
| 20 | 0436347 | Комплект наклеек, 225. стандарт Styling (DECAL SET, 225. Standard Styling) | нет в наличии, поставок нет |
| 21 | 0431929 | ADHESIVE KIT, Locating brkts. (ADHESIVE KIT, Locating brkts.) | нет в наличии, поставок нет |

Время выполнения запроса 1.2387990951538 сек.
|
|