вконтакте

Контактный телефон: +7 (981) 121-46-93, +7 (800) 200-90-76 , Email: parts-katalog@yandex.ru, где купить

 
 

  Логин:

Пароль:

Регистрация

www.partskatalog.ru Все каталоги Запчасти Mercury Запчасти Suzuki Запчасти Tohatsu Запчасти Honda Контакты


Все разделы каталога запчастей на этот двигатель

назад Раздел:   вперёд

вернуться к списку узлов и деталей

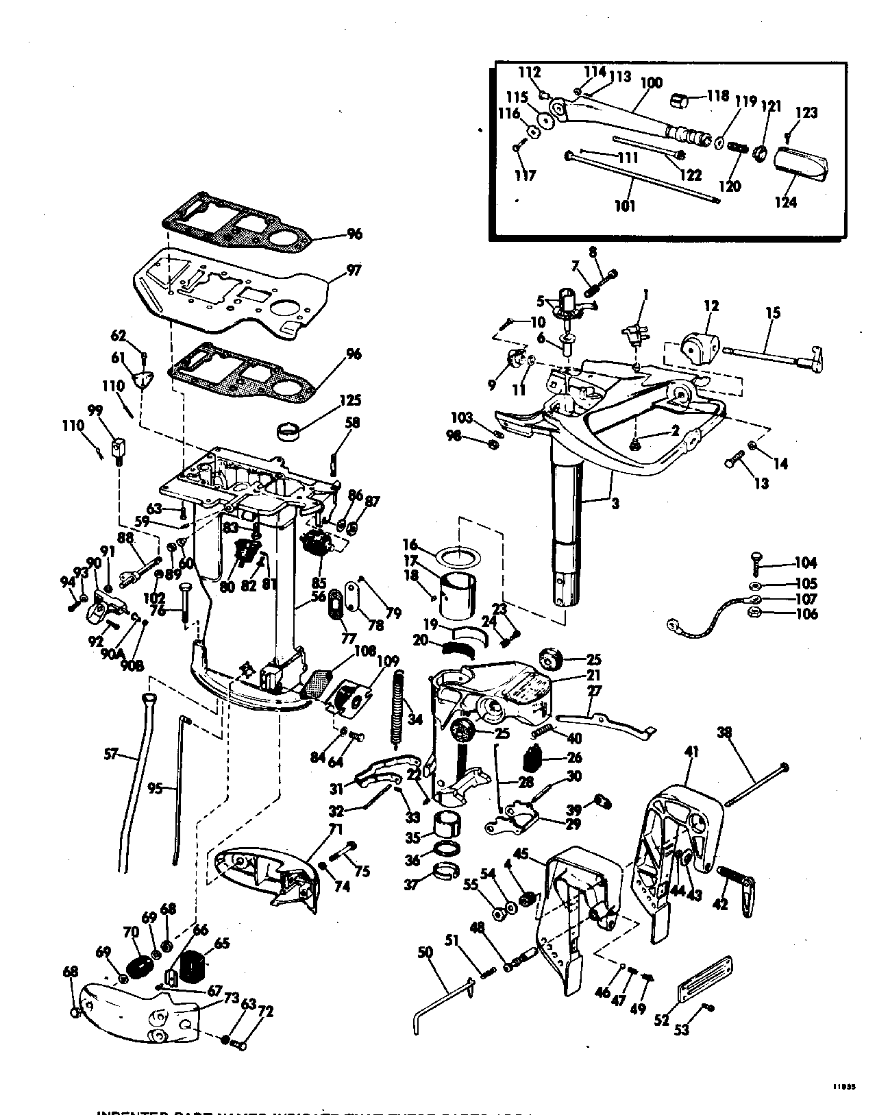
ДЕТАЛИРОВКА ДЛЯ МОДЕЛИ: EVINRUDE E10ELETM 1993

РУЛЕВАЯ СИСТЕМА & ПЕРЕКЛЮЧАТЕЛЬ HANDLE | STEERING & SHIFT HANDLE;


Подвесной лодочный мотор Evinrude E10ELETM 1993  - eeКольцо & Переключатель Handle - eering & Shift Handle

Номер на
рисунке
АртикулНаименованиеКол-во
на складе
Цена
1 0338206

HANDLE, Переключатель (HANDLE, Shift)

нет в наличии, поставок нет
2 0338207

Переключающая тяга handle to bellКривошип (LINK, Shift handle to bellcrank)

нет в наличии, поставок нет
3 0338689

Штифт переключателя тяги (PIN, Shift link)

нет в наличии, поставок нет
4 0334238

Винт, Переключатель handle (SCREW, Shift handle)

1 шт2130 руб.
5 0336417

Фиксатор, Переключатель Соединитель (RETAINER, Shift link)

нет в наличии, поставок нет
6 0584302

ADJUSTMENT, Idle (ADJUSTMENT, Idle)

нет в наличии, поставок нет
7 0338254

Ручка руля (румпель) (HANDLE, Steering)

нет в наличии, поставок нет
8 0435230

Кабели в сборе., Дроссель (CABLE ASSY., Throttle)

нет в наличии, поставок нет
9 0433657

TWIST Рукоятка (TWIST GRIP)

нет в наличии, поставок нет
9 0436275

   (последний код) GRIP&HELIX-A

нет в наличии, поставок нет
10 0329879

Направляющая, Штифт (GUIDE, Pin)

нет в наличии, поставок нет
11 0329882

HELIX, Twist Рукоятка (HELIX, Twist grip)

нет в наличии, поставок нет
11 0436275

   (последний код) GRIP&HELIX-A

нет в наличии, поставок нет
12 0329880

Штифт, Helix Роликs (PIN, Helix rollers)

нет в наличии, поставок нет
13 0329881

Ролик, Helix (ROLLER, Helix)

нет в наличии, поставок нет
14 0328733

Шайба, Handle to brkt. (WASHER, Handle to brkt.)

нет в наличии, поставок нет
15 0338244

Коннектор (CONNECTOR)

нет в наличии, поставок нет
16 0585106

Выключатель двигателя в сборе. (STOP SWITCH ASSY.)

нет в наличии, поставок нет
16 0584585

   (последний код) SWITCH&COVER AY

нет в наличии, поставок нет
17 0581656

Клемма, Socket (TERMINAL, Socket)

нет в наличии, поставок нет
17 3852257

   (последний код) TERMINAL AY,SCKT

нет в наличии, поставок нет
18 0510818

Клемма, Кольцо (TERMINAL, Ring)

нет в наличии, поставок нет
18 3854243

   (последний код) TERMINAL,RIN

нет в наличии, поставок нет
19 0339691

Гильза, Дроссель (SLEEVE, Throttle)

нет в наличии, поставок нет
19 0441243

   (последний код) TUBING

нет в наличии, поставок нет
20 0337541

Винт стопора Переключатель (SCREW, Stop switch)

нет в наличии, поставок нет
20 0328649

   (последний код) SCREW

нет в наличии, поставок нет
21 0313838

Гайка, Румпель (NUT, Steering handle)

нет в наличии, поставок нет
22 0324602

Винт, Румпель (SCREW, Steering handle)

нет в наличии, поставок нет
23 0174741

Дроссель FRICTION. SEL Models Only (THROTTLE FRICTION. SEL Models Only)

нет в наличии, поставок нет
23 0327944

Пластина, Управление дросселем. Except SEL Models (PLATE, Throttle control. Except SEL Models)

нет в наличии, поставок нет
23 0324771

   (последний код) PLATE

нет в наличии, поставок нет
24 0336347

Заглушка, Idle adjustment (PLUG, Idle adjustment)

нет в наличии, поставок нет
25 0334083

ANCHOR, Тросик дросселя (ANCHOR, Throttle cable)

нет в наличии, поставок нет
26 0329160

Винт, anchor (SCREW, anchor)

нет в наличии, поставок нет
27 0338872

Гильза, Винт, handle (SLEEVE, Screw, handle)

нет в наличии, поставок нет
28 0328739

Шайба, Винт, anchor (WASHER, Screw, anchor)

нет в наличии, поставок нет
28 3852190

   (последний код) WASHER

нет в наличии, поставок нет
29 0332226

Винт, Start Переключатель. TE Models Only (SCREW, Start switch. TE Models Only)

нет в наличии, поставок нет
29 3852207

   (последний код) SCREW

нет в наличии, поставок нет
30 0584581

START Переключатель в сборе.. TE Models Only (START SWITCH ASSY.. TE Models Only)

нет в наличии, поставок нет
31 0510818

Клемма. TE Models Only (TERMINAL. TE Models Only)

нет в наличии, поставок нет
31 3854243

   (последний код) TERMINAL,RIN

нет в наличии, поставок нет
32 0512550

Клемма. TE Models Only (TERMINAL. TE Models Only)

нет в наличии, поставок нет
32 3852235

   (последний код) TERMINAL,RIN

нет в наличии, поставок нет
33 0398602

Зажим & LANYARD в сборе. (CLIP & LANYARD ASSY.)

нет в наличии, поставок нет
34 0333499

Зажим (CLIP)

нет в наличии, поставок нет
35 0435749

START BUTTON AY.. TE Models Only (START BUTTON AY.. TE Models Only)

нет в наличии, поставок нет
35 0338610

   (последний код) HOUSING

нет в наличии, поставок нет
36 0121470

Гайка, Винт, start button. TE Models Only (NUT, Screw, start button. TE Models Only)

нет в наличии, поставок нет
37 0333674

Винт, Start button. TE Models Only (SCREW, Start button. TE Models Only)

нет в наличии, поставок нет
evinrude

Время выполнения запроса 1.3261470794678 сек.


 
 

данный сайт носит информационный характер и не является публичной офертой

склад запчастей для водомоторной техники