вконтакте

Контактный телефон: +7 (981) 121-46-93, +7 (800) 200-90-76 , Email: parts-katalog@yandex.ru, где купить

 
 

  Логин:

Пароль:

Регистрация

www.partskatalog.ru Все каталоги Запчасти Mercury Запчасти Suzuki Запчасти Tohatsu Запчасти Honda Контакты


Все разделы каталога запчастей на этот двигатель

назад Раздел:   вперёд

вернуться к списку узлов и деталей

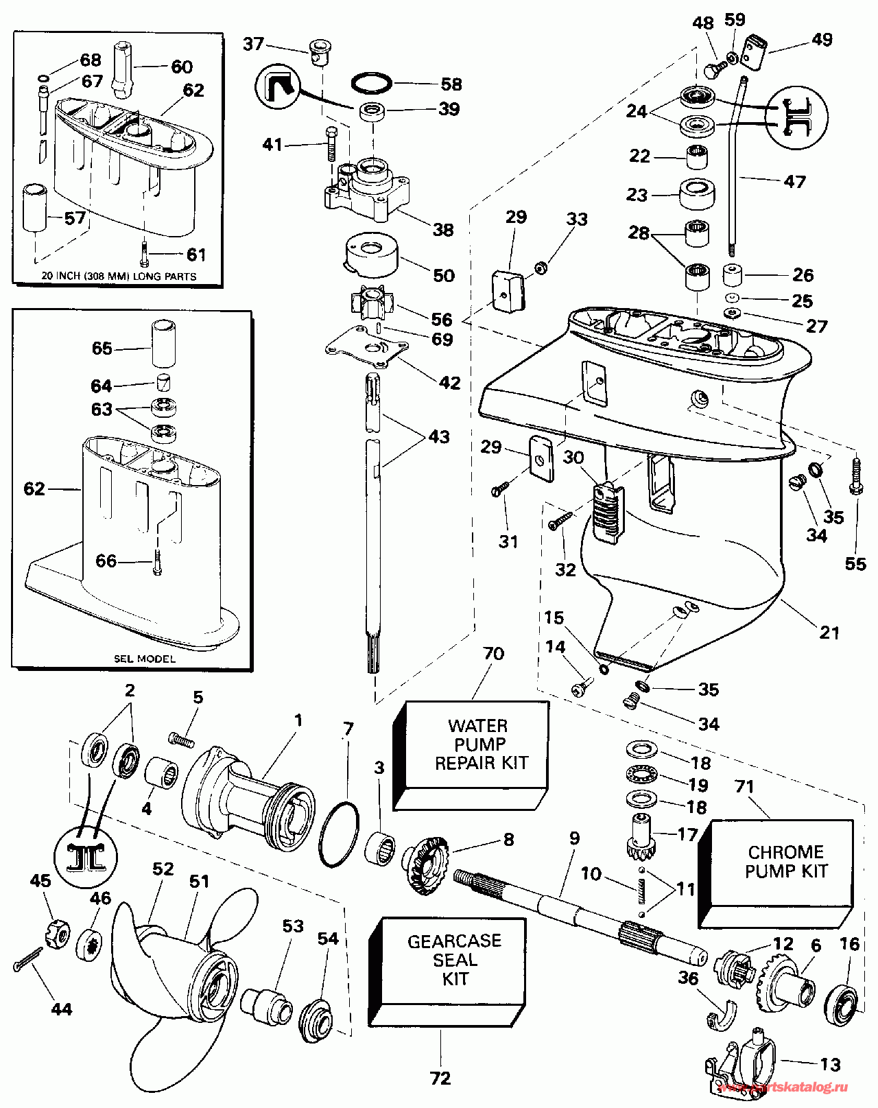
ДЕТАЛИРОВКА ДЛЯ МОДЕЛИ: EVINRUDE E10RETM 1993

РЕДУКТОР | GEARCASE;


Лодочный мотор Эвинруд E10RETM 1993  - arcase - arcase

Номер на
рисунке
АртикулНаименованиеКол-во
на складе
Цена
0435712 0435712

Редуктор в сборе. (Less driveВал и Помпа) Not Shown (GEARCASE ASSY. (Less driveshaft and pump). Not Shown)

нет в наличии, поставок нет
0435712 0438617

   (последний код) G-CASE AY,LESS D/S

нет в наличии, поставок нет
1 0433403

Подшипник Корпус подшипника & Сальник assembly (BEARING HOUSING, Bearing & seal assembly)

нет в наличии, поставок нет
1 0437774

   (последний код) HOUSING AY,PROPSFT

нет в наличии, поставок нет
2 0321481

Сальник, Brg. hsg. to prop. Вал (SEAL, Brg. hsg. to prop. shaft)

4 шт1470 руб.
2 0319256

   (последний код) OILRETAINER

нет в наличии, поставок нет
3 0386125

Подшипник, Reverse Шестерня (BEARING, Reverse gear)

нет в наличии, поставок нет
4 0386231

Подшипник (BEARING)

нет в наличии, поставок нет
5 0308743

Винт, Подшипник Корпус to Редуктор (SCREW, Bearing housing to gearcase)

нет в наличии, поставок нет
5 0342422

   (последний код) SCREW

нет в наличии, поставок нет
6 0394823

Шестерня & Втулка в сборе., Fwd. (GEAR & BUSHING ASSY., Fwd.)

нет в наличии, поставок нет
7 0308627

Уплотнительное кольцо, Brg. hsg. to gcase (O-RING, Brg. hsg. to gcase)

2 шт100 руб.
8 0330201

Шестерня обратного хода (GEAR, Reverse)

нет в наличии, поставок нет
9 0339706

Вал гребного винта (PROPELLER SHAFT)

нет в наличии, поставок нет
9 0438578

   (последний код) KIT AY,PROPSHAFT

нет в наличии, поставок нет
10 0316505

Фиксатор пружины (SPRING, Detent)

нет в наличии, поставок нет
11 0316506

Шарик, Detent (BALL, Detent)

нет в наличии, поставок нет
12 0325263

Переключатель собачки сцепления (SHIFTER, Clutch dog)

нет в наличии, поставок нет
13 0388416

ПереключательER Рычаг & Обойма (SHIFTER LEVER & YOKE ASSY.)

нет в наличии, поставок нет
13 0386148

   (последний код) SHIFTER LEVER

нет в наличии, поставок нет
14 0308376

Стержень Штифт переключателя Рычаг (PIVOT PIN, Shifter lever)

нет в наличии, поставок нет
14 0303358

   (последний код) PIVOT-PIN

нет в наличии, поставок нет
15 0332584

Опорная шайба Штифт (WASHER, Pivot pin)

нет в наличии, поставок нет
16 0386186

Роликовый подшипник, дляward Шестерня (ROLLER BEARING, Forward gear)

нет в наличии, поставок нет
17 0338190

Шестерня, DriveВал (PINION, Driveshaft)

нет в наличии, поставок нет
18 0336296

Нижняя упорная шайба Шестерня Подшипник (THRUST WASHER, Lower pinion bearing)

нет в наличии, поставок нет
19 0388000

THRUST Подшипник, Шестерня (THRUST BEARING, Pinion)

нет в наличии, поставок нет
21 0435393

Редуктор, BRG. & Сальник AY. (GEARCASE, BRG. & SEAL AY.)

нет в наличии, поставок нет
21 0438617

   (последний код) G-CASE AY,LESS D/S

нет в наличии, поставок нет
22 0386014

Подшипник ASSEMBLY, DriveВал (BEARING ASSEMBLY, Driveshaft)

нет в наличии, поставок нет
23 0318874

Гильза, Подшипник driveВал (SLEEVE, Bearing driveshaft)

нет в наличии, поставок нет
24 0321480

Сальник, Редуктор to driveВал (SEAL, Gearcase to driveshaft)

нет в наличии, поставок нет
24 0318973

   (последний код) SEAL

нет в наличии, поставок нет
25 0301877

Уплотнительное кольцо, Втулка to Переключающая тяга (O-RING, Bushing to shift rod)

нет в наличии, поставок нет
26 0304765

Втулка, Переключающая тяга (BUSHING, Shift rod)

нет в наличии, поставок нет
27 0321738

Шайба уплотнения, Переключающая тяга (WASHER, Seal, shift rod)

нет в наличии, поставок нет
28 0386071

Подшипник в сборе., Шестерня to Редуктор (BEARING ASSY., Pinion to gearcase)

нет в наличии, поставок нет
29 0338635

Анод (ANODE)

нет в наличии, поставок нет
30 0338443

SCREEN, вход (SCREEN, Inlet)

нет в наличии, поставок нет
31 0304013

Винт, Анод (SCREW, Anode)

нет в наличии, поставок нет
32 0325539

Винт, Screen (SCREW, Screen)

нет в наличии, поставок нет
32 0312270

   (последний код) SCREW

нет в наличии, поставок нет
33 0121470

Гайка, Винт, Анод (NUT, Screw, anode)

нет в наличии, поставок нет
34 0307551

Заглушка & Шайба (PLUG & WASHER)

нет в наличии, поставок нет
34 0982851

   (последний код) SCREW-PLUG

нет в наличии, поставок нет
35 0311598

Шайба (WASHER)

нет в наличии, поставок нет
35 3852105

   (последний код) WASHER

нет в наличии, поставок нет
36 0325014

CRADLE, Сцепление dog (CRADLE, Clutch dog)

нет в наличии, поставок нет
37 0327035

Нижний пыльник водяной трубки, 20 дюйм. Also included in Ремкомплект водяного насоса 394711 15 Inch (231 мм) (GROMMET, Water tube lower, 20 in.. Also included in Water Pump Repair Kit 394711 15 Inch (231mm))

1 шт460 руб.
37 0302497

Нижний пыльник водяной трубки, 15 дюйм. Also included in Ремкомплект водяного насоса 394711 20 Inch (308 мм) & SEL Models (GROMMET, Water tube lower, 15 in.. Also included in Water Pump Repair Kit 394711 20 Inch (308mm) & SEL Models)

2 шт250 руб.
38 0435390

Крыльчатка HSG. & Сальник AY.. Also included in Ремкомплект водяного насоса 394711 (IMPELLER HSG. & SEAL AY.. Also included in Water Pump Repair Kit 394711)

1 шт1700 руб.
38 0391571

   (последний код) IMP-HSG&SEAL

1 шт1320 руб.
39 0318972

Сальник, Крыльчатка hsg. to dВал. Also included in Ремкомплект водяного насосаs 391698 и 394711 (SEAL, Impeller hsg. to dshaft. Also included in Water Pump Repair Kits 391698 and 394711)

2 шт790 руб.
41 0302325

Винт, Крыльчатка Корпус to Редуктор. Also included in Ремкомплект водяного насоса 394711 (SCREW, Impeller housing to gearcase. Also included in Water Pump Repair Kit 394711)

нет в наличии, поставок нет
42 0318995

Пластина корпуса крыльчатки. Also included in Ремкомплект водяного насоса 394711 (PLATE, Impeller housing. Also included in Water Pump Repair Kit 394711)

нет в наличии, поставок нет
42 0319988

   (последний код) PLATE IMP HSG

нет в наличии, поставок нет
42 0319988

Пластина корпуса крыльчатки (PLATE, Impeller housing)

нет в наличии, поставок нет
42 0318995

   (последний код) PLATE-IMP-HS

нет в наличии, поставок нет
43 0329510

DRIVEВал, стандарт (DRIVESHAFT, Standard)

нет в наличии, поставок нет
43 0341590

   (последний код) DRIVESHAFT,15"

нет в наличии, поставок нет
44 0328522

Шплинт, Гайка гребного винта to Вал (COTTER PIN, Propeller nut to shaft)

25 шт60 руб.
45 0318971

Гайка гребного винта (NUT, Propeller)

нет в наличии, поставок нет
46 0323942

Упорная шайба, Prop. Вал, rear (THRUST WASHER, Prop. shaft, rear)

нет в наличии, поставок нет
46 0318959

   (последний код) THRUST-WASHE

нет в наличии, поставок нет
47 0318992

Переключающая тяга нижний , стандарт (SHIFT ROD LOWER, Standard)

нет в наличии, поставок нет
48 0304024

Винт, Переключающая тяга Коннектор. 20 INCH (308 мм) LONG PARTS (SCREW, Shift rod connector. 20 INCH (308 MM) LONG PARTS)

нет в наличии, поставок нет
48 0323636

   (последний код) SCREW

нет в наличии, поставок нет
49 0303794

Коннектор переключающей тяги. 20 INCH (308 мм) LONG PARTS (CONNECTOR, Shift rod. 20 INCH (308 MM) LONG PARTS)

нет в наличии, поставок нет
50 0324097

Cвыше, Крыльчатка Корпус. Also included in Ремкомплект водяного насоса 394711 (CUP, Impeller housing. Also included in Water Pump Repair Kit 394711)

1 шт1440 руб.
50 0322087

   (последний код) CUP

1 шт1110 руб.
50 0323535

Cвыше, Крыльчатка Корпус (CUP, Impeller housing)

нет в наличии, поставок нет
51 0174950

Гребной винт, 9.5 x 10, 9.9 models. Refer to OMC SysteMatched Parts & Аксессуары Catalog для Гребной винт Chart. (PROPELLER, 9.5 x 10, 9.9 models. Refer to OMC SysteMatched Parts & Accessories Catalog for Propeller Chart.)

нет в наличии, поставок нет
51 0778772

   (последний код) PROP,AL 9.25X10

нет в наличии, поставок нет
51 0398126

Гребной винт, 10 x 7, 9.9 Sail. Refer to OMC SysteMatched Parts & Аксессуары Catalog для Гребной винт Chart. (PROPELLER, 10 x 7, 9.9 Sail. Refer to OMC SysteMatched Parts & Accessories Catalog for Propeller Chart.)

нет в наличии, поставок нет
51 0763456

   (последний код) PROP,AL 9.25 X 7

нет в наличии, поставок нет
51 0175323

Гребной винт, 9.5 x 12.5, 15 models. Refer to OMC SysteMatched Parts & Аксессуары Catalog для Гребной винт Chart. (PROPELLER, 9.5 x 12.5, 15 models. Refer to OMC SysteMatched Parts & Accessories Catalog for Propeller Chart.)

нет в наличии, поставок нет
52 0332395

CONVERGING Кольцо (CONVERGING RING)

нет в наличии, поставок нет
52 0319484

   (последний код) CONVERGING RING

нет в наличии, поставок нет
53 0386119

Втулка, Гребной винт (BUSHING, Propeller)

нет в наличии, поставок нет
54 0334590

Упорная втулка, Prop. (THRUST BUSHING, Prop.)

нет в наличии, поставок нет
55 0324334

Винт, Редуктор to exh. hsg. (SCREW, Gearcase to exh. hsg.)

нет в наличии, поставок нет
55 0302820

   (последний код) SCREW

нет в наличии, поставок нет
56 0386084

Крыльчатка ASSEMBLY. Also included in Ремкомплект водяного насоса 394711 (IMPELLER ASSEMBLY. Also included in Water Pump Repair Kit 394711)

нет в наличии, поставок нет
58 0319085

Сальник, Крыльчатка Корпус. Also included in Ремкомплект водяного насоса 394711 20 INCH (308 мм) LONG PARTS (SEAL, Impeller housing. Also included in Water Pump Repair Kit 394711 20 INCH (308 MM) LONG PARTS)

4 шт120 руб.
59 0301551

Шайба, Коннектор to Переключающая тяга. 20 INCH (308 мм) LONG PARTS (WASHER, Connector to shift rod. 20 INCH (308 MM) LONG PARTS)

нет в наличии, поставок нет
69 0300611

Шпонка крыльчатки to driveВал. Also included in Ремкомплект водяного насоса 394711 (PIN, Impeller to driveshaft. Also included in Water Pump Repair Kit 394711)

нет в наличии, поставок нет
0434135 0434135

Удлинитель KIT в сборе.. Not Shown 20 INCH (308 мм) LONG PARTS (EXTENSION KIT ASSY.. Not Shown 20 INCH (308 MM) LONG PARTS)

нет в наличии, поставок нет
43 0329511

DRIVEВал, Long. 20 INCH (308 мм) LONG PARTS (DRIVESHAFT, Long. 20 INCH (308 MM) LONG PARTS)

нет в наличии, поставок нет
43 0341591

   (последний код) DRIVESHAFT,20"

нет в наличии, поставок нет
47 0319298

Переключающая тяга, нижний , long. 20 INCH (308 мм) LONG PARTS (SHIFT ROD, Lower, long. 20 INCH (308 MM) LONG PARTS)

нет в наличии, поставок нет
48 0304024

Винт, Коннектор. 20 INCH (308 мм) LONG PARTS (SCREW, Connector. 20 INCH (308 MM) LONG PARTS)

нет в наличии, поставок нет
48 0323636

   (последний код) SCREW

нет в наличии, поставок нет
49 0303794

Коннектор переключающей тяги. 20 INCH (308 мм) LONG PARTS (CONNECTOR, Shift rod. 20 INCH (308 MM) LONG PARTS)

нет в наличии, поставок нет
57 0319340

Удлинитель, Крыльчатка Корпус to Удлинитель корпуса. 20 INCH (308 мм) LONG PARTS (EXTENSION, Impeller housing to exhaust housing. 20 INCH (308 MM) LONG PARTS)

нет в наличии, поставок нет
58 0319085

Сальник, Крыльчатка hsg. to ext.. Also included in Ремкомплект водяного насоса 394711 20 INCH (308 мм) LONG PARTS (SEAL, Impeller hsg. to ext.. Also included in Water Pump Repair Kit 394711 20 INCH (308 MM) LONG PARTS)

4 шт120 руб.
59 0301551

Шайба с блокировкой, Conn. Винт. 20 INCH (308 мм) LONG PARTS (LOCK WASHER, Conn. screw. 20 INCH (308 MM) LONG PARTS)

нет в наличии, поставок нет
60 0326922

Выхлоп Сальник, Редуктор Удлинитель. 20 INCH (308 мм) LONG PARTS (EXHAUST SEAL, Gearcase extension. 20 INCH (308 MM) LONG PARTS)

нет в наличии, поставок нет
61 0324334

Винт, Удлинитель. 20 INCH (308 мм) LONG PARTS (SCREW, Extension. 20 INCH (308 MM) LONG PARTS)

нет в наличии, поставок нет
61 0302820

   (последний код) SCREW

нет в наличии, поставок нет
62 0331152

Удлинитель, Редуктор. 20 INCH (308 мм) LONG PARTS (EXTENSION, Gearcase. 20 INCH (308 MM) LONG PARTS)

нет в наличии, поставок нет
62 0319314

   (последний код) GRCASE-EXT

нет в наличии, поставок нет
67 0320025

Удлинитель, Водяная трубка. 20 INCH (308 мм) LONG PARTS (EXTENSION, Water tube. 20 INCH (308 MM) LONG PARTS)

нет в наличии, поставок нет
68 0202893

Уплотнительное кольцо, Водяная трубка ext.. 20 INCH (308 мм) LONG PARTS (O-RING, Water tube ext.. 20 INCH (308 MM) LONG PARTS)

нет в наличии, поставок нет
68 3852033

   (последний код) O-RING

нет в наличии, поставок нет
43 0328299

DRIVEВал. SEL MODELS ONLY (DRIVESHAFT. SEL MODELS ONLY)

нет в наличии, поставок нет
43 0329509

   (последний код) DRIVESHAFT--

нет в наличии, поставок нет
47 0328300

Переключающая тяга, нижний SEL MODELS ONLY (SHIFT ROD, Lower. SEL MODELS ONLY)

нет в наличии, поставок нет
62 0395894

Удлинитель, Редуктор. SEL MODELS ONLY (EXTENSION, Gearcase. SEL MODELS ONLY)

нет в наличии, поставок нет
62 0393203

   (последний код) GEARCASE EXT AY

нет в наличии, поставок нет
63 0328301

Гильза, Удлинитель. SEL MODELS ONLY (SLEEVE, Extension. SEL MODELS ONLY)

нет в наличии, поставок нет
64 0328302

Втулка, Удлинитель. SEL MODELS ONLY (BUSHING, Extension. SEL MODELS ONLY)

нет в наличии, поставок нет
65 0319340

Удлинитель, Exh. hsg. to Удлинитель. SEL MODELS ONLY (EXTENSION, Exh. hsg. to extension. SEL MODELS ONLY)

нет в наличии, поставок нет
66 0324334

Винт, Удлинитель to exh. hsg.. SEL MODELS ONLY (SCREW, Extension to exh. hsg.. SEL MODELS ONLY)

нет в наличии, поставок нет
66 0302820

   (последний код) SCREW

нет в наличии, поставок нет
67 0395124

Водяная трубка. SEL MODELS ONLY (WATER TUBE. SEL MODELS ONLY)

нет в наличии, поставок нет
67 0328304

   (последний код) WATER TUBE

нет в наличии, поставок нет
70 0391698

Ремкомплект водяного насоса (WATER PUMP REPAIR KIT)

нет в наличии, поставок нет
70 0394711

   (последний код) REPAIR-KIT

нет в наличии, поставок нет
70 0394711

Ремкомплект водяного насоса, (Includes Крыльчатка Корпус) (WATER PUMP REPAIR KIT, (Includes impeller housing))

нет в наличии, поставок нет
70 0393560

   (последний код) WATERPUMP KIT

нет в наличии, поставок нет
71 0389114

Хромированный ремкомплект водяного насоса (CHROME PUMP KIT)

нет в наличии, поставок нет
71 0394711

   (последний код) REPAIR-KIT

нет в наличии, поставок нет
72 0396350

Комплект сальников редуктора (GEARCASE SEAL KIT)

1 шт5300 руб.
evinrude

Время выполнения запроса 1.4523859024048 сек.


 
 

данный сайт носит информационный характер и не является публичной офертой

склад запчастей для водомоторной техники