вконтакте

Контактный телефон: +7 (981) 121-46-93, +7 (800) 200-90-76 , Email: parts-katalog@yandex.ru, где купить

 
 

  Логин:

Пароль:

Регистрация

www.partskatalog.ru Все каталоги Запчасти Mercury Запчасти Suzuki Запчасти Tohatsu Запчасти Honda Контакты



УВАЖАЕМЫЕ КЛИЕНТЫ!
C 19 ДЕКАБРЯ 2025 ПО 02 МАРТА 2026 ГОДА ОТДЕЛ ЗАПЧАСТЕЙ И СЕРВИС РАБОТАТЬ НЕ БУДУТ
ПРОДАЖА ЛОДОЧНЫХ МОТОРОВ В ШТАТНОМ РЕЖИМЕ
ОБ ИЗМЕНЕНИЯХ В ГРАФИКЕ РАБОТЫ ЧИТАЙТЕ НА САЙТА




Все разделы каталога запчастей на этот двигатель

назад Раздел:   вперёд

вернуться к списку узлов и деталей

ДЕТАЛИРОВКА ДЛЯ МОДЕЛИ: EVINRUDE VE225TLENR 1992

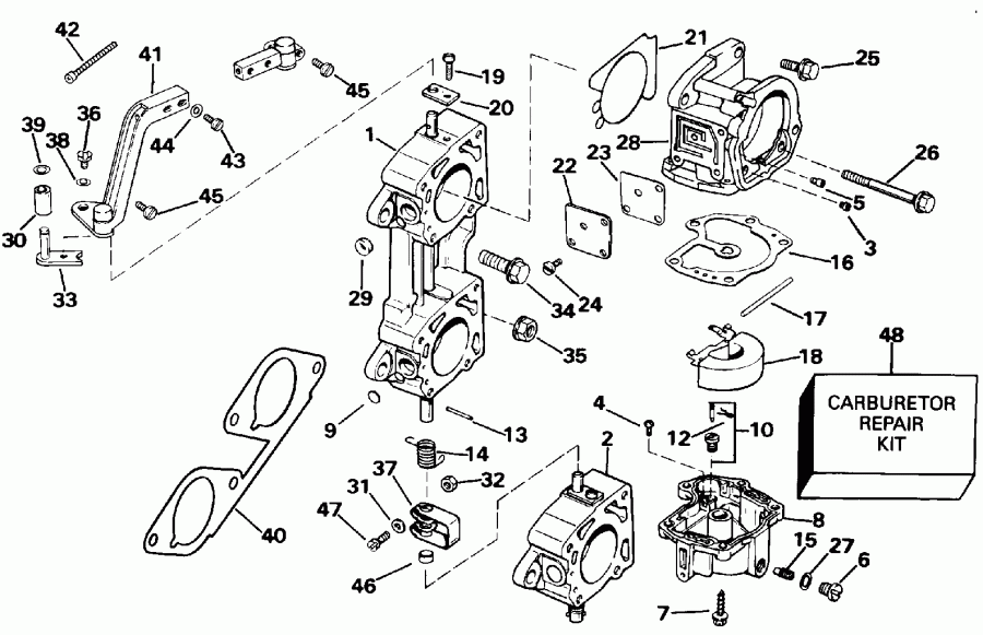
КАРБЮРАТОР И ПОДЪЕМНЫЙ МЕХАНИЗМ - 185, 225 25" TRANSOM ONLY | CARBURETOR AND LINKAGE - 185, 225 25" TRANSOM ONLY &N;


Подвесной мотор Evinrude VE225TLENR 1992  - 185, 225 25

Номер на
рисунке
АртикулНаименованиеКол-во
на складе
Цена
0435514 0435514

CARB. в сборе., верхний Not Shown Early PТягаuction with Part № 435514 or 435515 Stamped on Крышка Пластина (CARB. ASSY., Upper. Not Shown Early Production with Part No. 435514 or 435515 Stamped on Cover Plate)

нет в наличии, поставок нет
0435514 0435698

   (последний код) CARBURETOR AY

нет в наличии, поставок нет
0435698 0435698

CARB, в сборе., верхний Not Shown Late PТягаuction with Part № 435698 or 435699 Stamped on Крышка Пластина (CARB, ASSY., Upper. Not Shown Late Production with Part No. 435698 or 435699 Stamped on Cover Plate)

нет в наличии, поставок нет
0435698 0435514

   (последний код) CARBURETOR AY

нет в наличии, поставок нет
0435515 0435515

CARB, в сборе., нижний Not Shown Early PТягаuction with Part № 435514 or 435515 Stamped on Крышка Пластина (CARB, ASSY., Lower. Not Shown Early Production with Part No. 435514 or 435515 Stamped on Cover Plate)

нет в наличии, поставок нет
0435515 0435699

   (последний код) CARBURETOR AY

нет в наличии, поставок нет
0435699 0435699

CARB. в сборе., нижний Not Shown Late PТягаuction with Part № 435698 or 435699 Stamped on Крышка Пластина (CARB. ASSY., Lower. Not Shown Late Production with Part No. 435698 or 435699 Stamped on Cover Plate)

нет в наличии, поставок нет
0435699 0435515

   (последний код) CARBURETOR AY

нет в наличии, поставок нет
1 0435196

Дроссель Верхний корпус. Early PТягаuction with Part № 435514 or 435515 Stamped on Крышка Пластина (THROTTLE BODY, Upper. Early Production with Part No. 435514 or 435515 Stamped on Cover Plate)

нет в наличии, поставок нет
1 0435743

   (последний код) BODY AY,THROTTL

нет в наличии, поставок нет
1 0435743

Дроссель Верхний корпус. Late PТягаuction with Part № 435698 or 435699 Stamped on Крышка Пластина (THROTTLE BODY, Upper. Late Production with Part No. 435698 or 435699 Stamped on Cover Plate)

нет в наличии, поставок нет
1 0435196

   (последний код) BODY AY,THROTTLE

нет в наличии, поставок нет
2 0435197

Дроссель Нижний корпуса. Early PТягаuction with Part № 435514 or 435515 Stamped on Крышка Пластина (THROTTLE BODY, Lower. Early Production with Part No. 435514 or 435515 Stamped on Cover Plate)

нет в наличии, поставок нет
2 0435744

   (последний код) BODY AY,THROTTL

нет в наличии, поставок нет
2 0435744

Дроссель Нижний корпуса. Late PТягаuction with Part № 435698 or 435699 Stamped on Крышка Пластина (THROTTLE BODY, Lower. Late Production with Part No. 435698 or 435699 Stamped on Cover Plate)

нет в наличии, поставок нет
2 0435197

   (последний код) BODY AY,THROTTLE

нет в наличии, поставок нет
3 0323149

ORIFICE, Idle air bleed., #38. Early PТягаuction with Part № 435514 or 435515 Stamped on Крышка Пластина (ORIFICE, Idle air bleed., #38. Early Production with Part No. 435514 or 435515 Stamped on Cover Plate)

нет в наличии, поставок нет
3 0327342

ORIFICE, Idle air bleed., #46. Late PТягаuction with Part № 435698 or 435699 Stamped on Крышка Пластина (ORIFICE, Idle air bleed., #46. Late Production with Part No. 435698 or 435699 Stamped on Cover Plate)

нет в наличии, поставок нет
4 0326164

Винт, Hinge Штифт (SCREW, Hinge pin)

нет в наличии, поставок нет
5 0322776

ORIFICE, #29. Early PТягаuction with Part № 435514 or 435515 Stamped on Крышка Пластина (ORIFICE, #29. Early Production with Part No. 435514 or 435515 Stamped on Cover Plate)

нет в наличии, поставок нет
5 0320015

ORIFICE, #33. Late PТягаuction with Part № 435698 or 435699 Stamped on Крышка Пластина (ORIFICE, #33. Late Production with Part No. 435698 or 435699 Stamped on Cover Plate)

нет в наличии, поставок нет
6 0327116

Винт заглушки (SCREW, Plug)

нет в наличии, поставок нет
7 0328649

Винт, Bowl to Корпус (SCREW, Bowl to body)

нет в наличии, поставок нет
7 0337541

   (последний код) SCREW

нет в наличии, поставок нет
8 0398701

Поплавковая камера в сборе. (FLOAT CHAMBER ASSY.)

нет в наличии, поставок нет
8 0391733

   (последний код) FLOAT CHAMBER

нет в наличии, поставок нет
9 0303405

Заглушка, Expansion (PLUG, Expansion)

нет в наличии, поставок нет
10 0396522

Клапан поплавка в сборе.. Also Available in Ремкомплект карбюратора (FLOAT VALVE ASSY.. Also Available in Carburetor Repair Kit)

нет в наличии, поставок нет
10 0382889

   (последний код) FLOAT-VALVE

нет в наличии, поставок нет
12 0336842

Пружина Зажим (SPRING CLIP)

нет в наличии, поставок нет
12 0603145

   (последний код) CLIP

нет в наличии, поставок нет
13 0303261

ROLL Штифт, Возвратная пружина (ROLL PIN, Return spring)

нет в наличии, поставок нет
14 0332254

Пружина, Дроссель return, верхний only (SPRING, Throttle return, upper only)

нет в наличии, поставок нет
14 0328643

   (последний код) SPRING

нет в наличии, поставок нет
14 0335075

Пружина, Дроссель return, нижний only (SPRING, Throttle return, lower only)

нет в наличии, поставок нет
15 0331433

ORIFICE, High speed, #62D (ORIFICE, High speed, #62D)

нет в наличии, поставок нет
16 0338813

Прокладка, Поплавок bowl. Also Available in Ремкомплект карбюратора (GASKET, Float bowl. Also Available in Carburetor Repair Kit)

нет в наличии, поставок нет
16 0326830

   (последний код) GASKET

нет в наличии, поставок нет
17 0326865

Стопор поплавка (PIN, Float)

нет в наличии, поставок нет
18 0391508

Поплавок в сборе.. Also Available in Ремкомплект карбюратора (FLOAT ASSY.. Also Available in Carburetor Repair Kit)

нет в наличии, поставок нет
19 0328714

Винт, Вал (SCREW, Shaft)

нет в наличии, поставок нет
19 0204027

   (последний код) SCREW

нет в наличии, поставок нет
20 0328765

Зажим (CLIP)

нет в наличии, поставок нет
21 0332253

Сальник, Carb Корпус. Also Available in Ремкомплект карбюратора (SEAL, Carb body. Also Available in Carburetor Repair Kit)

нет в наличии, поставок нет
22 0335647

Крышка Пластина (COVER PLATE)

нет в наличии, поставок нет
23 0335648

Прокладка крышки Пластина. Also Available in Ремкомплект карбюратора (GASKET, Cover plate. Also Available in Carburetor Repair Kit)

нет в наличии, поставок нет
24 0315656

Винт, Крышка Пластина (SCREW, Cover plate)

нет в наличии, поставок нет
25 0335687

Винт, Carb. Корпус, short (SCREW, Carb. body, short)

нет в наличии, поставок нет
25 3852213

   (последний код) SCREW

нет в наличии, поставок нет
26 0335223

Винт, Carb. Корпус, long (SCREW, Carb. body, long)

нет в наличии, поставок нет
27 0305739

Уплотнительное кольцо, Сливной винт. Also Available in Ремкомплект карбюратора (O-RING, Screw plug. Also Available in Carburetor Repair Kit)

нет в наличии, поставок нет
27 0900224

   (последний код) O RING

нет в наличии, поставок нет
28 0436037

CARB. Корпус (CARB. BODY)

нет в наличии, поставок нет
29 0202310

CORE Заглушка (CORE PLUG)

нет в наличии, поставок нет
30 0432639

Ролик колпачка folнижний (ROLLER, Cam follower)

нет в наличии, поставок нет
31 0332609

Шайба, Коннектор (WASHER, Connector)

нет в наличии, поставок нет
31 0340806

   (последний код) WASHER

нет в наличии, поставок нет
32 0309485

Гайка, Коннектор Винт (NUT, Connector screw)

нет в наличии, поставок нет
32 0132520

   (последний код) NUT

нет в наличии, поставок нет
33 0432640

Рычаг & Штифт, Cam folнижний (LEVER & PIN, Cam follower)

нет в наличии, поставок нет
34 0317624

Винт, Carb. to Коллектор (SCREW, Carb. to manifold)

нет в наличии, поставок нет
35 0315204

Гайка, Carb. Креплениеing (NUT, Carb. mounting)

нет в наличии, поставок нет
35 0316355

   (последний код) NUT

нет в наличии, поставок нет
36 0335739

Винт, Рычаг (SCREW, Lever)

нет в наличии, поставок нет
37 0327071

Коннектор, Вал дросселя (CONNECTOR, Throttle shaft)

нет в наличии, поставок нет
37 5000533

   (последний код) CONNECTOR AY

нет в наличии, поставок нет
38 0328735

Шайба, Рычаг (WASHER, Lever)

нет в наличии, поставок нет
38 3852188

   (последний код) WASHER

нет в наличии, поставок нет
39 0324678

Фиксатор, Ролик (RETAINER, Roller)

нет в наличии, поставок нет
40 0332319

Прокладка карбюратора Креплениеing (GASKET, Carburetor mounting)

нет в наличии, поставок нет
40 0326838

   (последний код) GASKET

нет в наличии, поставок нет
41 0434891

Соединитель, Карбюратор (LINK, Carburetor)

нет в наличии, поставок нет
41 0435908

   (последний код) LINK,THOTTLE

нет в наличии, поставок нет
42 0337540

Винт, Подъемный механизм adjustment (SCREW, Linkage adjustment)

нет в наличии, поставок нет
42 0335229

   (последний код) SCREW

нет в наличии, поставок нет
43 0337541

Винт, Adjustment (SCREW, Adjustment)

нет в наличии, поставок нет
43 0328649

   (последний код) SCREW

нет в наличии, поставок нет
44 0335753

Шайба, Adjustment (WASHER, Adjustment)

нет в наличии, поставок нет
44 0334823

   (последний код) WASHER

нет в наличии, поставок нет
45 0319108

Винт дросселя Рычаг (SCREW, Throttle lever)

нет в наличии, поставок нет
45 0311512

   (последний код) SCREW

нет в наличии, поставок нет
46 0317162

Гильза, нижний Вал дросселя (SLEEVE, Lower throttle shaft)

нет в наличии, поставок нет
47 0337041

Винт дросселя Вал (SCREW, Throttle shaft)

нет в наличии, поставок нет
47 5000533

   (последний код) CONNECTOR AY

нет в наличии, поставок нет
48 0435678

CARB, Ремонтный комплект (CARB, REPAIR KIT)

нет в наличии, поставок нет
48 0439079

   (последний код) KIT AY,CARB REPAIR

нет в наличии, поставок нет
evinrude

Время выполнения запроса 0.98034000396729 сек.


 
 

данный сайт носит информационный характер и не является публичной офертой

склад запчастей для водомоторной техники