вконтакте

Контактный телефон: +7 (981) 121-46-93, +7 (800) 200-90-76 , Email: parts-katalog@yandex.ru, где купить

 
 

  Логин:

Пароль:

Регистрация

www.partskatalog.ru Все каталоги Запчасти Mercury Запчасти Suzuki Запчасти Tohatsu Запчасти Honda Контакты



УВАЖАЕМЫЕ КЛИЕНТЫ!
C 19 ДЕКАБРЯ 2025 ПО 02 МАРТА 2026 ГОДА ОТДЕЛ ЗАПЧАСТЕЙ И СЕРВИС РАБОТАТЬ НЕ БУДУТ
ПРОДАЖА ЛОДОЧНЫХ МОТОРОВ В ШТАТНОМ РЕЖИМЕ
ОБ ИЗМЕНЕНИЯХ В ГРАФИКЕ РАБОТЫ ЧИТАЙТЕ НА САЙТА




Все разделы каталога запчастей на этот двигатель

назад Раздел:   вперёд

вернуться к списку узлов и деталей

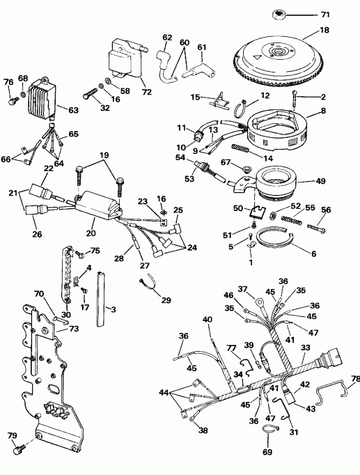
ДЕТАЛИРОВКА ДЛЯ МОДЕЛИ: EVINRUDE VE60ELENE 1992

IGNITION SYSTEM | IGNITION SYSTEM;


Двигатель EVINRUDE VE60ELENE 1992  - nition System / nition System

Номер на
рисунке
АртикулНаименованиеКол-во
на складе
Цена
1 0314495

Струбцина, Timer Основание (CLAMP, Timer base)

нет в наличии, поставок нет
2 0325042

Винт, Статор Креплениеing (SCREW, Stator mounting)

нет в наличии, поставок нет
2 0317599

   (последний код) SCREW

нет в наличии, поставок нет
3 0432758

Клемма BLOCK Крышка. 60TL, 70TL Models Only (TERMINAL BLOCK COVER. 60TL, 70TL Models Only)

нет в наличии, поставок нет
3 0432450

Клемма BLOCK Крышка. 60EL, 70EL Models Only (TERMINAL BLOCK COVER. 60EL, 70EL Models Only)

нет в наличии, поставок нет
4 0315004

JUMPER, Клемма block (JUMPER, Terminal block)

нет в наличии, поставок нет
5 0328714

Винт, Фиксатор Струбцина (SCREW, Retainer clamp)

нет в наличии, поставок нет
5 0204027

   (последний код) SCREW

нет в наличии, поставок нет
6 0313666

Фиксатор, Timer Основание (RETAINER, Timer base)

нет в наличии, поставок нет
8 0584560

Статор в сборе. (STATOR ASSY.)

нет в наличии, поставок нет
8 0763763

   (последний код) STATOR AY,4/12AMP

нет в наличии, поставок нет
9 0511829

Клемма (TERMINAL)

нет в наличии, поставок нет
9 3852233

   (последний код) TERMINAL,RIN

нет в наличии, поставок нет
10 0581656

SOCKET (SOCKET)

нет в наличии, поставок нет
10 3852257

   (последний код) TERMINAL AY,SCKT

нет в наличии, поставок нет
11 0512753

Коннектор (CONNECTOR)

нет в наличии, поставок нет
11 3852243

   (последний код) CONN,5-SKT-P

нет в наличии, поставок нет
12 0317893

Крепёжный хомут (TIE STRAP)

нет в наличии, поставок нет
12 3852149

   (последний код) TIE-STRAP

нет в наличии, поставок нет
13 0510781

Гильза (SLEEVE)

нет в наличии, поставок нет
14 0512937

Гильза (SLEEVE)

нет в наличии, поставок нет
15 0513951

Кронштейн, Проводs (BRACKET, Wires)

нет в наличии, поставок нет
16 0328701

Шайба, Заземление (WASHER, Ground)

нет в наличии, поставок нет
16 3852182

   (последний код) WASHER,LOCK

нет в наличии, поставок нет
17 0329182

Винт, Клемма block (SCREW, Terminal block)

нет в наличии, поставок нет
17 0327785

   (последний код) SCREW

нет в наличии, поставок нет
18 0584360

Маховик в сборе. (FLYWHEEL ASSY.)

нет в наличии, поставок нет
19 0328726

Винт, Power pack (SCREW, Power pack)

нет в наличии, поставок нет
19 0323796

   (последний код) SCREW

нет в наличии, поставок нет
20 0583748

POWER PACK (POWER PACK)

нет в наличии, поставок нет
21 0511469

Штифт (PIN)

нет в наличии, поставок нет
21 3852229

   (последний код) TERMINAL,PIN

нет в наличии, поставок нет
22 0512750

Коннектор, Timer Основание (CONNECTOR, Timer base)

нет в наличии, поставок нет
22 3852242

   (последний код) CONN,4-PIN-R

нет в наличии, поставок нет
23 0512131

Клемма (TERMINAL)

нет в наличии, поставок нет
24 0512478

Крышка (COVER)

нет в наличии, поставок нет
25 0512256

Штифт, Внешняя розетка (PIN, Receptacle)

нет в наличии, поставок нет
26 0512754

Коннектор, Статор (CONNECTOR, Stator)

нет в наличии, поставок нет
27 0512876

Клемма, Socket (TERMINAL, Socket)

нет в наличии, поставок нет
27 3852244

   (последний код) TERMINAL,SOC

нет в наличии, поставок нет
28 0513186

Гильза (SLEEVE)

нет в наличии, поставок нет
28 3852248

   (последний код) SLEEVE,SKT-B

нет в наличии, поставок нет
29 0317893

Крепёжный хомут, Coil leads (TIE STRAP, Coil leads)

нет в наличии, поставок нет
29 3852149

   (последний код) TIE-STRAP

нет в наличии, поставок нет
30 0329895

Клемма BLOCK (TERMINAL BLOCK)

нет в наличии, поставок нет
31 0512743

Фиксатор, Коннектор (RETAINER, Connector)

нет в наличии, поставок нет
31 3852238

   (последний код) RETAINER,CON

нет в наличии, поставок нет
32 0328725

Винт, Coil Креплениеing (SCREW, Coil mounting)

нет в наличии, поставок нет
32 3852187

   (последний код) SCREW

нет в наличии, поставок нет
33 0584401

MOTOR Кабели в сборе. (MOTOR CABLE ASSY.)

нет в наличии, поставок нет
34 0583898

DIODE KIT (DIODE KIT)

нет в наличии, поставок нет
34 3852258

   (последний код) KIT-AY,DIODE

нет в наличии, поставок нет
35 0204036

Кольцо Клемма (RING TERMINAL)

нет в наличии, поставок нет
35 3852035

   (последний код) TERMINAL,RIN

нет в наличии, поставок нет
36 0512876

Внешняя розетка (RECEPTACLE)

нет в наличии, поставок нет
36 3852244

   (последний код) TERMINAL,SOC

нет в наличии, поставок нет
37 0204053

Кольцо Клемма (RING TERMINAL)

нет в наличии, поставок нет
37 3852037

   (последний код) TERMINAL,RIN

нет в наличии, поставок нет
38 0510780

Кольцо Клемма (RING TERMINAL)

нет в наличии, поставок нет
38 3852226

   (последний код) TERMINAL,RIN

нет в наличии, поставок нет
39 0510884

Предохранитель, 20 Amp (FUSE, 20 Amp)

нет в наличии, поставок нет
39 0510384

   (последний код) FUSE

нет в наличии, поставок нет
40 0581656

SOCKET (SOCKET)

нет в наличии, поставок нет
40 3852257

   (последний код) TERMINAL AY,SCKT

нет в наличии, поставок нет
41 0513185

Гильза (SLEEVE)

нет в наличии, поставок нет
41 0512948

   (последний код) SLEEVE

нет в наличии, поставок нет
42 0512750

Коннектор (CONNECTOR)

нет в наличии, поставок нет
42 3852242

   (последний код) CONN,4-PIN-R

нет в наличии, поставок нет
43 0511469

Штифт (PIN)

нет в наличии, поставок нет
43 3852229

   (последний код) TERMINAL,PIN

нет в наличии, поставок нет
44 0511399

Клемма (TERMINAL)

нет в наличии, поставок нет
45 0513186

INSULATING Гильза (INSULATING SLEEVE)

нет в наличии, поставок нет
45 3852248

   (последний код) SLEEVE,SKT-B

нет в наличии, поставок нет
46 0510818

Клемма (TERMINAL)

нет в наличии, поставок нет
46 3854243

   (последний код) TERMINAL,RIN

нет в наличии, поставок нет
47 0512947

Заглушка (PLUG)

нет в наличии, поставок нет
47 0910462

   (последний код) TERM.-60766-

нет в наличии, поставок нет
49 0584562

TIMER Основание в сборе. (TIMER BASE ASSY.)

нет в наличии, поставок нет
49 0584269

   (последний код) TIMER-BASE-A

нет в наличии, поставок нет
50 0336299

Регулятор (ADJUSTER)

нет в наличии, поставок нет
51 0309941

Винт, Регулятор to Основание (SCREW, Adjuster to base)

нет в наличии, поставок нет
52 0306542

Гайка (NUT)

нет в наличии, поставок нет
52 0308824

   (последний код) NUT

нет в наличии, поставок нет
53 0512749

Коннектор (CONNECTOR)

нет в наличии, поставок нет
53 3852241

   (последний код) CONN,4-SKT-P

нет в наличии, поставок нет
54 0581656

SOCKET (SOCKET)

нет в наличии, поставок нет
54 3852257

   (последний код) TERMINAL AY,SCKT

нет в наличии, поставок нет
55 0336494

Пружина, Idle stop (SPRING, Idle stop)

нет в наличии, поставок нет
56 0331879

Винт (SCREW)

нет в наличии, поставок нет
58 0328703

Шайба, Катушка зажигания Креплениеing (WASHER, Ignition coil mounting)

нет в наличии, поставок нет
58 3852184

   (последний код) WASHER

нет в наличии, поставок нет
60 0582365

LEAD в сборе. (LEAD ASSY.)

нет в наличии, поставок нет
60 0582135

   (последний код) LEAD

нет в наличии, поставок нет
61 0581027

Клемма & Крышка (TERMINAL & COVER)

нет в наличии, поставок нет
62 0580339

Клемма & Крышка (TERMINAL & COVER)

нет в наличии, поставок нет
62 0510232

   (последний код) COVER

нет в наличии, поставок нет
63 0584476

Выпрямитель & LEAD (RECTIFIER & LEAD)

нет в наличии, поставок нет
63 0585001

   (последний код) RECT/REG-AY,4/12A

нет в наличии, поставок нет
64 0511829

Кольцо Клемма (RING TERMINAL)

нет в наличии, поставок нет
64 3852233

   (последний код) TERMINAL,RIN

нет в наличии, поставок нет
65 0510781

Гильза (SLEEVE)

нет в наличии, поставок нет
66 0511399

Клемма Кольцо (TERMINAL RING)

нет в наличии, поставок нет
67 0395448

SOCKET, Timer Основание (SOCKET, Timer base)

нет в наличии, поставок нет
67 0313703

   (последний код) BALL/395448

нет в наличии, поставок нет
68 0303701

Шайба, Заземление (WASHER, Ground)

нет в наличии, поставок нет
69 0320107

Крепёжный хомут (TIE STRAP)

нет в наличии, поставок нет
69 5035626

   (последний код) BAND,REM CON

нет в наличии, поставок нет
70 0332685

Зажим провода Фиксатор (CLIP, Wire retainer)

нет в наличии, поставок нет
71 0329267

Гайка, Маховик (NUT, Flywheel)

нет в наличии, поставок нет
71 0351155

   (последний код) NUT,FLYWHEEL

нет в наличии, поставок нет
72 0582508

Катушка в сборе. (COIL ASSY.)

нет в наличии, поставок нет
73 0513910

Кронштейн, Электрика (BRACKET, Electrical)

нет в наличии, поставок нет
73 0514222

   (последний код) BRACKET,ELECTRICAL

нет в наличии, поставок нет
75 0306644

Винт, Block to Цилиндр (SCREW, Block to cylinder)

нет в наличии, поставок нет
75 0328730

   (последний код) SCREW

нет в наличии, поставок нет
76 0328744

Винт, Выпрямитель Креплениеing (SCREW, Rectifier mounting)

нет в наличии, поставок нет
76 0308741

   (последний код) SCREW

нет в наличии, поставок нет
77 0321077

Фиксатор (RETAINER)

нет в наличии, поставок нет
78 0315182

Зажим кабеля (CLAMP, Cable)

нет в наличии, поставок нет
78 0315181

   (последний код) CLAMP

нет в наличии, поставок нет
79 0308739

Винт, Электрика Кронштейн (SCREW, Electrical bracket)

нет в наличии, поставок нет
79 0305513

   (последний код) SCREW, POSITIVE

нет в наличии, поставок нет
evinrude

Время выполнения запроса 3.0540199279785 сек.


 
 

данный сайт носит информационный характер и не является публичной офертой

склад запчастей для водомоторной техники