вконтакте

Контактный телефон: +7 (981) 121-46-93, +7 (800) 200-90-76 , Email: parts-katalog@yandex.ru, где купить

 
 

  Логин:

Пароль:

Регистрация

www.partskatalog.ru Все каталоги Запчасти Mercury Запчасти Suzuki Запчасти Tohatsu Запчасти Honda Контакты



УВАЖАЕМЫЕ КЛИЕНТЫ!
C 19 ДЕКАБРЯ 2025 ПО 02 МАРТА 2026 ГОДА ОТДЕЛ ЗАПЧАСТЕЙ И СЕРВИС РАБОТАТЬ НЕ БУДУТ
ПРОДАЖА ЛОДОЧНЫХ МОТОРОВ В ШТАТНОМ РЕЖИМЕ
ОБ ИЗМЕНЕНИЯХ В ГРАФИКЕ РАБОТЫ ЧИТАЙТЕ НА САЙТА




Все разделы каталога запчастей на этот двигатель

назад Раздел:   вперёд

вернуться к списку узлов и деталей

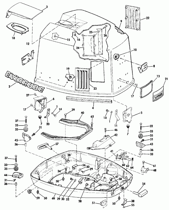
ДЕТАЛИРОВКА ДЛЯ МОДЕЛИ: EVINRUDE VE50BEENJ 1992

КРЫШКА ДВИГАТЕЛЯ (КАПОТ) - EVINRUDE 25-40 | ENGINE COVER - EVINRUDE 25-40;


Подвесной мотор Эвинруд VE50BEENJ 1992  - Evinrude 25-40 - Evinrude 25-40

Номер на
рисунке
АртикулНаименованиеКол-во
на складе
Цена
1 0284137

Крышка двигателя (капот) в сборе., 40EC-40EL-40TL 40TEC-40TEL-40TTL (ENGINE COVER ASSY.,. 40EC-40EL-40TL 40TEC-40TEL-40TTL)

нет в наличии, поставок нет
1 0285147

   (последний код) SVC-UMC AY EV 4

нет в наличии, поставок нет
1 0284060

Крышка двигателя (капот) в сборе., TE40EL (ENGINE COVER ASSY.,. TE40EL)

нет в наличии, поставок нет
2 0334432

Бампер, Locating Кронштейн (BUMPER, Locating bracket)

нет в наличии, поставок нет
4 0333939

LOCATING Кронштейн, Rear (LOCATING BRACKET, Rear)

нет в наличии, поставок нет
5 0333938

LOCATING Кронштейн, Front (LOCATING BRACKET, Front)

нет в наличии, поставок нет
6 0326948

Заклёпка, Locating Кронштейн (RIVET, Locating bracket)

нет в наличии, поставок нет
6 0331881

   (последний код) RIVET

нет в наличии, поставок нет
7 0211850

Пластина, Rear. 40EC-40EL-40TL 40TEC-40TEL-40TTL (PLATE, Rear. 40EC-40EL-40TL 40TEC-40TEL-40TTL)

нет в наличии, поставок нет
7 0336667

Пластина, Rear. TE40EL (PLATE, Rear. TE40EL)

нет в наличии, поставок нет
8 0210971

Рама, Front. 40EC-40EL-40TL 40TEC-40TEL-40TTL (FRAME, Front. 40EC-40EL-40TL 40TEC-40TEL-40TTL)

нет в наличии, поставок нет
8 0335033

Рама, Front. TE40EL (FRAME, Front. TE40EL)

нет в наличии, поставок нет
9 0206681

SOUND BLANKET, Top (SOUND BLANKET, Top)

нет в наличии, поставок нет
9 0341531

   (последний код) BLANKET,SOUND

нет в наличии, поставок нет
10 0305284

Винт, Крючок to Кронштейн (SCREW, Hook to bracket)

нет в наличии, поставок нет
10 0908158

   (последний код) SCREW

нет в наличии, поставок нет
11 0323176

Крючок, Кронштейн (HOOK, Bracket)

нет в наличии, поставок нет
11 0315191

   (последний код) HOOK

нет в наличии, поставок нет
12 0317223

Защелка, Applique (FASTENER, Applique)

нет в наличии, поставок нет
13 0206682

SOUND BLANKET, Side (SOUND BLANKET, Side)

нет в наличии, поставок нет
13 0341532

   (последний код) BLANKET,SOUND

нет в наличии, поставок нет
14 0323228

Винт, Рукоятка наклона, rear (SCREW, Tilt handle, rear)

нет в наличии, поставок нет
15 0208181

Рукоятка наклона (TILT HANDLE)

нет в наличии, поставок нет
16 0210296

BAFFLE, Рукоятка наклона (BAFFLE, Tilt handle)

нет в наличии, поставок нет
17 0313079

Шайба, Крючок to brkt. (WASHER, Hook to brkt.)

нет в наличии, поставок нет
18 0211111

Резинка капота двигателя (SEAL, Engine cover)

нет в наличии, поставок нет
19 0323229

Винт, Рукоятка наклона, front (SCREW, Tilt handle, front)

нет в наличии, поставок нет
20 0211849

Пластина, Applique. 40EC-40EL-40TL 40TEC-40TEL-40TTL (PLATE, Applique. 40EC-40EL-40TL 40TEC-40TEL-40TTL)

нет в наличии, поставок нет
20 0335755

Пластина, Applique. TE40EL (PLATE, Applique. TE40EL)

нет в наличии, поставок нет
21 0210972

Рама, Rear. 40EC-40EL-40TL 40TEC-40TEL-40TTL (FRAME, Rear. 40EC-40EL-40TL 40TEC-40TEL-40TTL)

нет в наличии, поставок нет
21 0335042

Рама, Rear. TE40EL (FRAME, Rear. TE40EL)

нет в наличии, поставок нет
22 0378347

Шнур стартера (STARTER ROPE)

нет в наличии, поставок нет
23 0284335

Комплект наклеек. 40EC-40EL-40TL 40TEC-40TEL-40TTL (DECAL SET. 40EC-40EL-40TL 40TEC-40TEL-40TTL)

нет в наличии, поставок нет
23 0284245

Комплект наклеек. TE40EL (DECAL SET. TE40EL)

нет в наличии, поставок нет
evinrude

Время выполнения запроса 1.3608021736145 сек.


 
 

данный сайт носит информационный характер и не является публичной офертой

склад запчастей для водомоторной техники