вконтакте

Контактный телефон: +7 (981) 121-46-93, +7 (800) 200-90-76 , Email: parts-katalog@yandex.ru, где купить

 
 

  Логин:

Пароль:

Регистрация

www.partskatalog.ru Все каталоги Запчасти Mercury Запчасти Suzuki Запчасти Tohatsu Запчасти Honda Контакты



УВАЖАЕМЫЕ КЛИЕНТЫ!
C 19 ДЕКАБРЯ 2025 ПО 02 МАРТА 2026 ГОДА ОТДЕЛ ЗАПЧАСТЕЙ И СЕРВИС РАБОТАТЬ НЕ БУДУТ
ПРОДАЖА ЛОДОЧНЫХ МОТОРОВ В ШТАТНОМ РЕЖИМЕ
ОБ ИЗМЕНЕНИЯХ В ГРАФИКЕ РАБОТЫ ЧИТАЙТЕ НА САЙТА




Все разделы каталога запчастей на этот двигатель

назад Раздел:   вперёд

вернуться к списку узлов и деталей

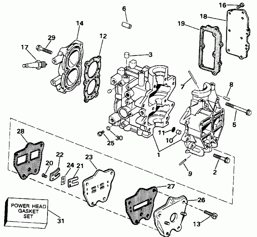
ДЕТАЛИРОВКА ДЛЯ МОДЕЛИ: EVINRUDE E4RDHLENM 1992

ЦИЛИНДР, КАРТЕР ДВИГАТЕЛЯ, & ВПУСКНОЙ КОЛЛЕКТОР | CYLINDER, CRANKCASE, & INTAKE MANIFOLD;


Двигатель EVINRUDE E4RDHLENM 1992  - linder, Картер двигателя, & Впускной коллектор - linder, Crankcase, & Intake Manifold

Номер на
рисунке
АртикулНаименованиеКол-во
на складе
Цена
1 0398943

Цилиндр & CCASE в сборе (CYLINDER & CCASE ASSY)

нет в наличии, поставок нет
2 0314951

Винт, Cyl. to ccase (SCREW, Cyl. to ccase)

нет в наличии, поставок нет
3 0304067

Заглушка, Large (PLUG, Large)

нет в наличии, поставок нет
4 0307588

Заглушка, Small (PLUG, Small)

нет в наличии, поставок нет
5 0322831

Винт, Center (SCREW, Center)

нет в наличии, поставок нет
6 0323522

WATER DEFLECTOR (WATER DEFLECTOR)

нет в наличии, поставок нет
7 0332099

Трубка, Ccase drain, верхний , 1.3" long (TUBE, Ccase drain, Upper, 1.3" long)

нет в наличии, поставок нет
8 0300402

конус Штифт (TAPER PIN)

нет в наличии, поставок нет
9 0332100

Трубка, Ccase drain, нижний , 0.8" long (TUBE, Ccase drain, lower, 0.8" long)

нет в наличии, поставок нет
10 0385111

Обратный клапан (CHECK VALVE)

нет в наличии, поставок нет
11 0305344

SCREEN (SCREEN)

нет в наличии, поставок нет
12 0332010

Прокладка головки блока цилиндра (GASKET, Cylinder head)

нет в наличии, поставок нет
12 0326953

   (последний код) GASKET,CYL HEAD

нет в наличии, поставок нет
13 0314951

Винт, Mfld. to ccase (SCREW, Mfld. to ccase)

нет в наличии, поставок нет
14 0398131

Головка блока цилиндра (CYLINDER HEAD)

нет в наличии, поставок нет
14 0395711

   (последний код) CYLINDER-HEA

нет в наличии, поставок нет
16 0302750

Винт, Крышка Пластина (SCREW, Cover plate)

нет в наличии, поставок нет
16 0332226

   (последний код) SCREW

нет в наличии, поставок нет
17 0387633

Свеча зажигания, Champion QL77JC4 (SPARK PLUG, Champion QL77JC4)

нет в наличии, поставок нет
17 0502180

   (последний код) Champion SPARK PLUG QL77JC4 MAR4

нет в наличии, поставок нет
17 0432424

Свеча зажигания, Champion QL16V. Опции (SPARK PLUG, Champion QL16V. Optional)

нет в наличии, поставок нет
17 0502178

   (последний код) Champion SPARK PLUG QL16V MAR4

нет в наличии, поставок нет
17 0386941

Свеча зажигания, Champion L77JC4. Опции (SPARK PLUG, Champion L77JC4. Optional)

нет в наличии, поставок нет
17 4002080

   (последний код) SP-PLUG L77J

нет в наличии, поставок нет
17 0433627

Свеча зажигания, Champion L16V. Опции (SPARK PLUG, Champion L16V. Optional)

нет в наличии, поставок нет
17 0502894

   (последний код) Champion SPARK PLUG L16V MAR4 (CS12209)

нет в наличии, поставок нет
18 0323263

Пластина, Кожух выхлопной трубы (PLATE, Exhaust cover)

нет в наличии, поставок нет
18 0203172

   (последний код) PLATE-EXH CVR

нет в наличии, поставок нет
19 0323445

Прокладка крышки Пластина (GASKET, Cover plate)

нет в наличии, поставок нет
0396396 0396396

LEAF Пластина в сборе.. Not Shown (LEAF PLATE ASSY.. Not Shown)

нет в наличии, поставок нет
20 0303764

Винт, Leaf to Пластина (SCREW, Leaf to plate)

нет в наличии, поставок нет
21 0314915

LEAF Клапан (LEAF VALVE)

нет в наличии, поставок нет
22 0323485

Пластина, Leaf backвыше (PLATE, Leaf backup)

нет в наличии, поставок нет
23 0322927

LEAF Пластина (LEAF PLATE)

нет в наличии, поставок нет
24 0330812

Регулировочная шайба, Leaf Пластина (SHIM, Leaf plate)

нет в наличии, поставок нет
25 0909676

Винт, Заземление (SCREW, Ground)

нет в наличии, поставок нет
26 0388941

Впускной коллектор (MANIFOLD, Intake)

нет в наличии, поставок нет
26 0383436

   (последний код) INTAKE MANIFOLD

нет в наличии, поставок нет
27 0323444

Прокладка коллектора (GASKET, Manifold)

нет в наличии, поставок нет
28 0332057

Прокладка, Пластина to ccase (GASKET, Plate to ccase)

нет в наличии, поставок нет
29 0333676

Винт, Головка блока цилиндра (SCREW, Cylinder head)

нет в наличии, поставок нет
29 3854923

   (последний код) SCREW

нет в наличии, поставок нет
30 0303701

LOCKШайба, Заземление lead (LOCKWASHER, Ground lead)

нет в наличии, поставок нет
31 0432473

POWERHEAD Комплект прокладок (POWERHEAD GASKET SET)

нет в наличии, поставок нет
evinrude

Время выполнения запроса 5.7995181083679 сек.


 
 

данный сайт носит информационный характер и не является публичной офертой

склад запчастей для водомоторной техники