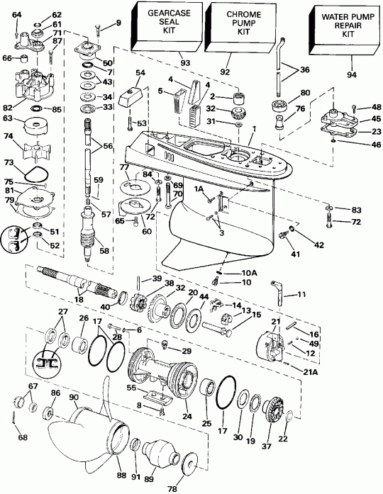
Номер на рисунке | Артикул | Наименование | Кол-во на складе | Цена |
| 0434405 | 0434405 | Редуктор в сборе., комплект. Replaced by 435465 gcase & 435770 верхний Корпус вала передачи ay и if requiкрасный 330028 Переключающая тяга. (GEARCASE ASSY., Complete. Replaced by 435465 gcase & 435770 upper drive shaft ay and if required 330028 shift rod.) | нет в наличии, поставок нет |
| 0434406 | 0434406 | Редуктор в сборе., комплект. Replaced by 435465 gcase & 435771 верхний Корпус вала передачи ay и if requiкрасный 330029 Переключающая тяга. (GEARCASE ASSY., Complete. Replaced by 435465 gcase & 435771 upper drive shaft ay and if required 330029 shift rod.) | нет в наличии, поставок нет |
| 0434406 | 0398125 | (последний код) G-CASE-300HP | нет в наличии, поставок нет |
| 1 | 0431696 | Редуктор в сборе с подшипником. (GEARCASE & BEARING ASSY.) | нет в наличии, поставок нет |
| 1 | 0435822 | (последний код) GEARCASE&BRG AY | нет в наличии, поставок нет |
| 1A | 0123273 | Винт, Система впуска screen (SCREW, Intake screen) | нет в наличии, поставок нет |
| 2 | 0391471 | Подшипник, Шестерня (BEARING, Pinion) | нет в наличии, поставок нет |
| 3 | 0324852 | Установочный винт, Подшипник (SET SCREW, Bearing) | нет в наличии, поставок нет |
| 0332584 | 0332584 | Уплотнительное кольцо. Not Shown (O-RING. Not Shown) | нет в наличии, поставок нет |
| 4 | 0333234 | Водяной экран Система впуска, port. 25 дюйм Models Only (SCREEN, Water intake, port. 25 in. Models Only) | нет в наличии, поставок нет |
| 5 | 0333233 | Водяной экран Система впуска, stbd.. 25 дюйм Models Only (SCREEN, Water intake, stbd.. 25 in. Models Only) | нет в наличии, поставок нет |
| 6 | 0328743 | Шайба, Подшипник hsg. (WASHER, Bearing hsg.) | нет в наличии, поставок нет |
| 6 | 3852191 | (последний код) WASHER | нет в наличии, поставок нет |
| 7 | 0314728 | Уплотнительное кольцо, DriveВал Подшипник hsg. (O-RING, Driveshaft bearing hsg.) | нет в наличии, поставок нет |
| 7 | 0354731 | (последний код) O-RING | 1 шт | 850 руб. |
| 8 | 0908158 | Винт (SCREW) | нет в наличии, поставок нет |
| 8 | 3852050 | (последний код) SCREW | нет в наличии, поставок нет |
| 9 | 0317624 | Винт, Корпус to Редуктор (SCREW, Housing to gearcase) | нет в наличии, поставок нет |
| 10 | 0318544 | Винт дренажный & fill (SCREW, Drain & fill) | нет в наличии, поставок нет |
| 10 | 0912624 | (последний код) SCREW | нет в наличии, поставок нет |
| 10A | 0333572 | Уплотнительное кольцо (O-RING) | нет в наличии, поставок нет |
| 10A | 3855081 | (последний код) 0-RING | нет в наличии, поставок нет |
| 11 | 0326807 | DETENT, Переключательer (DETENT, Shifter) | нет в наличии, поставок нет |
| 12 | 0911962 | Фиксатор пружины (SPRING, Detent) | нет в наличии, поставок нет |
| 12 | 0915955 | (последний код) SPRING | нет в наличии, поставок нет |
| 13 | 0334163 | CRADLE, Переключательer (CRADLE, Shifter) | 5 шт | 1880 руб. |
| 13 | 0322900 | (последний код) CRADLE-SHIFT | нет в наличии, поставок нет |
| 14 | 0322938 | ПереключательER (SHIFTER) | нет в наличии, поставок нет |
| 15 | 0326823 | Вал (SHAFT) | нет в наличии, поставок нет |
| 15 | 0334285 | (последний код) SHAFT | нет в наличии, поставок нет |
| 16 | 0317274 | Штифт, Рычаг переключения (PIN, Shift lever) | нет в наличии, поставок нет |
| 17 | 0326849 | Уплотнительное кольцо, Вал гребного винта (O-RING, Propeller shaft) | нет в наличии, поставок нет |
| 18 | 0433017 | Вал гребного винта в сборе. (PROPELLER SHAFT ASSY.) | нет в наличии, поставок нет |
| 18 | 5004765 | (последний код) PROPSHAFT AY,SERV | нет в наличии, поставок нет |
| 19 | 0382408 | THRUST BRG. в сборе., Rev. Шестерня. (THRUST BRG. ASSY., Rev. gear.) | нет в наличии, поставок нет |
| 20 | 0391473 | THRUST BRG. в сборе., Fwd. Шестерня (THRUST BRG. ASSY., Fwd. gear) | нет в наличии, поставок нет |
| 21 | 0431735 | Корпус & Подшипник в сборе. (HOUSING & BEARING ASSY.) | нет в наличии, поставок нет |
| 21 | 0391497 | (последний код) HSG-&-BEARIN | нет в наличии, поставок нет |
| 21A | 0331880 | Штифт, Подшипник Корпус (PIN, Bearing housing) | нет в наличии, поставок нет |
| 22 | 0336565 | THRUST Шайба шестерни заднего хода (THRUST WASHER, Reverse gear) | нет в наличии, поставок нет |
| 23 | 0324670 | Прокладка, Переключающая тяга Крышка (GASKET, Shift rod cover) | нет в наличии, поставок нет |
| 23 | 0352165 | (последний код) GASKET | 2 шт | 550 руб. |
| 24 | 0434402 | Подшипник HSG. Сальник, в сборе. (BEARING HSG. SEAL, ASSY.) | нет в наличии, поставок нет |
| 24 | 5000361 | (последний код) HSG AY,PROPSHAFT | нет в наличии, поставок нет |
| 25 | 0382407 | Игольчатый подшипник в сборе. (NEEDLE BEARING ASSY.) | 1 шт | 5500 руб. |
| 26 | 0434467 | Игольчатый подшипник в сборе. (NEEDLE BEARING ASSY.) | нет в наличии, поставок нет |
| 27 | 0334950 | Сальник (SEAL) | нет в наличии, поставок нет |
| 28 | 0913432 | Винт, Подшипник hsg. (SCREW, Bearing hsg.) | нет в наличии, поставок нет |
| 29 | 0332091 | Фиксатор, Подшипник Корпус (RETAINER, Bearing housing) | нет в наличии, поставок нет |
| 29 | 0331724 | (последний код) RETAINER | нет в наличии, поставок нет |
| 30 | 0314731 | THRUST Шайба шестерни заднего хода (THRUST WASHER, Reverse gear) | нет в наличии, поставок нет |
| 31 | 0314730 | Гайка, Шестерня to driveВал (NUT, Pinion to driveshaft) | нет в наличии, поставок нет |
| 32 | 0434065 | Шестерня & Комплект шестерёнок. (GEAR & PINION ASSY.) | нет в наличии, поставок нет |
| 32 | 0435120 | (последний код) GEARSET, FWD&PIN | нет в наличии, поставок нет |
| 33 | 0387656 | THRUST Подшипник, Шестерня (THRUST BEARING, Pinion) | нет в наличии, поставок нет |
| 33 | 0383248 | (последний код) BEARING | нет в наличии, поставок нет |
| 34 | 0327656 | Упорная шайба шестерни Шестерня (THRUST WASHER, Pinion) | нет в наличии, поставок нет |
| 34 | 0314729 | (последний код) THRUST-WASHE | нет в наличии, поставок нет |
| 36 | 0330028 | Переключающая тяга. 20 дюйм Models Only (SHIFT ROD. 20 in. Models Only) | нет в наличии, поставок нет |
| 36 | 0330029 | Переключающая тяга. 25 дюйм Models Only (SHIFT ROD. 25 in. Models Only) | нет в наличии, поставок нет |
| 37 | 0336569 | Шестерня обратного хода (GEAR, Reverse) | нет в наличии, поставок нет |
| 38 | 0336562 | Переключатель собачки сцепления (SHIFTER, Clutch dog) | нет в наличии, поставок нет |
| 38 | 0337774 | (последний код) SHIFTER,CLUTCH DOG | нет в наличии, поставок нет |
| 39 | 0313448 | Штифт сцепления dog (PIN, Clutch dog) | нет в наличии, поставок нет |
| 40 | 0324369 | Пружина, Сцепление dog Штифт (SPRING, Clutch dog pin) | нет в наличии, поставок нет |
| 40 | 0313454 | (последний код) SPRING | нет в наличии, поставок нет |
| 41 | 0318544 | Заглушка, Fill & drain (PLUG, Fill & drain) | нет в наличии, поставок нет |
| 41 | 0912624 | (последний код) SCREW | нет в наличии, поставок нет |
| 42 | 0333572 | Уплотнительное кольцо (O-RING) | нет в наличии, поставок нет |
| 42 | 3855081 | (последний код) 0-RING | нет в наличии, поставок нет |
| 43 | 0323362 | Регулировочная шайба, 0.003 (SHIM, 0.003) | нет в наличии, поставок нет |
| 43 | 0323361 | Регулировочная шайба, 0.004 (SHIM, 0.004) | нет в наличии, поставок нет |
| 43 | 0314745 | Регулировочная шайба, 0.005 (SHIM, 0.005) | нет в наличии, поставок нет |
| 44 | 0326733 | Упорная шайба, Fwd. Шестерня (THRUST WASHER, Fwd. gear) | нет в наличии, поставок нет |
| 45 | 0388618 | Крышка & Сальник в сборе. (COVER & SEAL ASSY.) | нет в наличии, поставок нет |
| 45 | 5006241 | (последний код) COVER AY,SHIFT ROD | нет в наличии, поставок нет |
| 46 | 0318372 | Уплотнительное кольцо, Переключающая тяга (O-RING, Shift rod) | нет в наличии, поставок нет |
| 48 | 0302325 | Винт, Крышка (SCREW, Cover) | нет в наличии, поставок нет |
| 49 | 0160084 | Шарик, Detent (BALL, Detent) | нет в наличии, поставок нет |
| 49 | 3852023 | (последний код) BALL | нет в наличии, поставок нет |
| 50 | 0397493 | Подшипник HSG. & СальникS (BEARING HSG. & SEALS) | нет в наличии, поставок нет |
| 50 | 0439476 | (последний код) DS BRG HSG&SEAL AY | нет в наличии, поставок нет |
| 51 | 0329922 | Сальник, верхний (SEAL, Upper) | нет в наличии, поставок нет |
| 52 | 0329923 | Сальник, нижний (SEAL, Lower) | нет в наличии, поставок нет |
| 53 | 0332746 | Винт, Анод (SCREW, Anode) | нет в наличии, поставок нет |
| 54 | 0397768 | Анод (ANODE) | нет в наличии, поставок нет |
| 55 | 0431708 | Анод, Подшипник hsg. (ANODE, Bearing hsg.) | нет в наличии, поставок нет |
| 55 | 0397111 | (последний код) ANODE-AY | нет в наличии, поставок нет |
| 0434012 | 0434012 | Приводной вал.. Not Shown 20 дюйм Models Only (DRIVESHAFT ASSY.. Not Shown 20 in. Models Only) | нет в наличии, поставок нет |
| 0434012 | 5000630 | (последний код) DRIVESHAFT AY | нет в наличии, поставок нет |
| 0433634 | 0433634 | Приводной вал.. Not Shown 25 дюйм Models Only (DRIVESHAFT ASSY.. Not Shown 25 in. Models Only) | нет в наличии, поставок нет |
| 0433634 | 5000634 | (последний код) DRIVESHAFT AY | нет в наличии, поставок нет |
| 56 | 0335723 | DRIVEВал, верхний 20 дюйм Models Only (DRIVESHAFT, Upper. 20 in. Models Only) | нет в наличии, поставок нет |
| 56 | 5000617 | (последний код) KIT, UP DSHAFT | нет в наличии, поставок нет |
| 56 | 0335680 | DRIVEВал, верхний 25 дюйм Models Only (DRIVESHAFT, Upper. 25 in. Models Only) | нет в наличии, поставок нет |
| 56 | 0435771 | (последний код) D SHAFT 25" V/8 | нет в наличии, поставок нет |
| 57 | 0335684 | Пружина, DriveВал (SPRING, Driveshaft) | нет в наличии, поставок нет |
| 58 | 0335679 | DRIVEВал, нижний (DRIVESHAFT, Lower) | нет в наличии, поставок нет |
| 58 | 0346005 | (последний код) DRIVESHAFT,LOWER | нет в наличии, поставок нет |
| 59 | 0311538 | ROLL Штифт (ROLL PIN) | нет в наличии, поставок нет |
| 60 | 0331410 | Пластина трима, Редуктор (TRIM TAB, Gearcase) | нет в наличии, поставок нет |
| 60 | 0338943 | (последний код) TRIM TAB, V8 ST | нет в наличии, поставок нет |
| 61 | 0320943 | Пыльник, Крыльчатка Корпус (GROMMET, Impeller housing) | 1 шт | 300 руб. |
| 62 | 0310585 | Уплотнительное кольцо, DriveВал to Картер двигателя (O-RING, Driveshaft to crankcase) | нет в наличии, поставок нет |
| 63 | 0330379 | Cвыше, Крыльчатка. Stainless Steel (CUP, Impeller. Stainless Steel) | нет в наличии, поставок нет |
| 63 | 0435027 | (последний код) CUP-&-PLATE | нет в наличии, поставок нет |
| 63 | 0330384 | Cвыше, Крыльчатка. хромированная пластина (CUP, Impeller. Chrome Plated) | нет в наличии, поставок нет |
| 63 | 0435526 | (последний код) CUP & PLATE AY | нет в наличии, поставок нет |
| 64 | 0306643 | Винт, Крышка to Крыльчатка (SCREW, Cover to impeller) | нет в наличии, поставок нет |
| 64 | 3852066 | (последний код) SCREW | нет в наличии, поставок нет |
| 65 | 0313715 | Винт, Пластина трима (SCREW, Trim tab) | нет в наличии, поставок нет |
| 66 | 0314008 | Пыльник водяной трубки (GROMMET, Water tube) | нет в наличии, поставок нет |
| 67 | 0398042 | Гайка & KEEPER, Гребной винт (NUT & KEEPER, Propeller) | нет в наличии, поставок нет |
| 67 | 3850984 | (последний код) NUT&KEEPER AY,PROP | нет в наличии, поставок нет |
| 68 | 0306394 | Шплинт, Гайка гребного винта (COTTER PIN, Propeller nut) | нет в наличии, поставок нет |
| 68 | 3852056 | (последний код) PIN,COTTER | нет в наличии, поставок нет |
| 69 | 0326784 | Шайба, Винт, long (WASHER, Screw, long) | нет в наличии, поставок нет |
| 70 | 0331998 | Винт, Редуктор to Корпус, long (SCREW, Gearcase to housing, long) | нет в наличии, поставок нет |
| 70 | 0914535 | (последний код) SCREW | нет в наличии, поставок нет |
| 71 | 0321159 | Колпак крыльчатки Корпус (COVER, Impeller housing) | нет в наличии, поставок нет |
| 71 | 0338893 | (последний код) COVER,IMPELL | нет в наличии, поставок нет |
| 72 | 0331999 | Винт, Редуктор to Корпус, short (SCREW, Gearcase to housing, short) | нет в наличии, поставок нет |
| 72 | 0910457 | (последний код) SCREW | нет в наличии, поставок нет |
| 73 | 0331353 | Сальник, Крыльчатка Корпус Пластина (SEAL, Impeller housing plate) | 1 шт | 790 руб. |
| 74 | 0395864 | Крыльчатка & Ключ в сборе. (IMPELLER & KEY ASSY.) | нет в наличии, поставок нет |
| 74 | 5001593 | (последний код) KIT AY,IMPELLER | нет в наличии, поставок нет |
| 75 | 0331107 | Ключ (KEY) | нет в наличии, поставок нет |
| 76 | 0321122 | Проставка, Переключающая тяга. 25 дюйм Models Only (SPACER, Shift rod. 25 in. Models Only) | нет в наличии, поставок нет |
| 77 | 0331409 | Сальник, Пластина трима (SEAL, Trim tab) | нет в наличии, поставок нет |
| 78 | 0126402 | Упорная втулка, 3 blade (THRUST BUSHING, 3 blade) | нет в наличии, поставок нет |
| 78 | 0126870 | (последний код) BUSHING,THRUST | нет в наличии, поставок нет |
| 78 | 0126318 | Упорная втулка, 4 blade (THRUST BUSHING, 4 blade) | нет в наличии, поставок нет |
| 78 | 0128777 | (последний код) BUSHING,THRUST | нет в наличии, поставок нет |
| 79 | 0324701 | Прокладка крыльчатки Корпус Пластина. Also included in Ремкомплект водяного насоса 395062 (GASKET, Impeller housing plate. Also included in Water Pump Repair Kit 395062) | нет в наличии, поставок нет |
| 79 | 0338484 | (последний код) GASKET,WTR PMP 5PK | нет в наличии, поставок нет |
| 80 | 0321008 | Пыльник, Выхлоп hsg. to Переключающая тяга (GROMMET, Exhaust hsg. to shift rod) | нет в наличии, поставок нет |
| 81 | 0330380 | Пластина корпуса крыльчатки. Stainless Steel (PLATE, Impeller housing. Stainless Steel) | нет в наличии, поставок нет |
| 81 | 0435027 | (последний код) CUP-&-PLATE | нет в наличии, поставок нет |
| 81 | 0330383 | Пластина корпуса крыльчатки.. хромированная пластина (PLATE, Impeller hsg.. Chrome Plated) | нет в наличии, поставок нет |
| 81 | 0435526 | (последний код) CUP & PLATE AY | нет в наличии, поставок нет |
| 82 | 0395040 | Крыльчатка Корпус, Редуктор (IMPELLER HOUSING, Gearcase) | нет в наличии, поставок нет |
| 82 | 0435485 | (последний код) HOUSING-AY,P | нет в наличии, поставок нет |
| 83 | 0330266 | Шайба, Винт (WASHER, Screw) | нет в наличии, поставок нет |
| 83 | 3852200 | (последний код) WASHER | нет в наличии, поставок нет |
| 84 | 0326785 | Шайба, Винт, short (WASHER, Screw, short) | нет в наличии, поставок нет |
| 85 | 0332000 | Кольцевой сальник (SEAL RING) | нет в наличии, поставок нет |
| 86 | 0320570 | Проставка гайки гребного винта (SPACER, Propeller nut) | нет в наличии, поставок нет |
| 86 | 3852163 | (последний код) SPACER,PROP | нет в наличии, поставок нет |
| 87 | 0328715 | Винт, Крыльчатка Корпус (SCREW, Impeller housing) | нет в наличии, поставок нет |
| 87 | 0335221 | (последний код) SCREW | нет в наличии, поставок нет |
| 88 | 0391200 | Гребной винт, 15 x 17 (PROPELLER, 15 x 17) | нет в наличии, поставок нет |
| 88 | 0765187 | (последний код) PROP AY,AL 14.8X17 | нет в наличии, поставок нет |
| 88 | 0391201 | Гребной винт, 14 1 / 2 x 19 (PROPELLER, 14 1/2 x 19) | нет в наличии, поставок нет |
| 88 | 0765188 | (последний код) PROP AY,AL 14.5X19 | нет в наличии, поставок нет |
| 88 | 0391202 | Гребной винт, 14 1 / 4 x 21 (PROPELLER, 14 1/4 x 21) | нет в наличии, поставок нет |
| 88 | 0174926 | Гребной винт, 15 x 15 SST (PROPELLER, 15 x 15 SST) | нет в наличии, поставок нет |
| 88 | 0391290 | Гребной винт, 15 x 17 SST (PROPELLER, 15 x 17 SST) | нет в наличии, поставок нет |
| 88 | 0763914 | (последний код) VIPERTBX14.75X17RH | нет в наличии, поставок нет |
| 88 | 0389924 | Гребной винт, 14 1 / 2 x 19 SST (PROPELLER, 14 1/2 x 19 SST) | нет в наличии, поставок нет |
| 88 | 0763918 | (последний код) VIPERTBX14.75X19RH | нет в наличии, поставок нет |
| 88 | 0389923 | Гребной винт, 14 1 / 4 x 21 SST (PROPELLER, 14 1/4 x 21 SST) | нет в наличии, поставок нет |
| 88 | 0176619 | (последний код) SST V6 14.75X21 | нет в наличии, поставок нет |
| 88 | 0431717 | Гребной винт, 4 blade 13 1 / 2 x 23 (PROPELLER, 4 blade 13 1/2 x 23) | нет в наличии, поставок нет |
| 88 | 0175700 | (последний код) PROP-AY,13.5 | нет в наличии, поставок нет |
| 88 | 0431718 | Гребной винт, 4 blade 13 1 / 4 x 25 (PROPELLER, 4 blade 13 1/4 x 25) | нет в наличии, поставок нет |
| 88 | 0175701 | (последний код) PROP-AY,13.2 | нет в наличии, поставок нет |
| 88 | 0431719 | Гребной винт, 4 blade 13 1 / 4 x 27 (PROPELLER, 4 blade 13 1/4 x 27) | нет в наличии, поставок нет |
| 88 | 0175702 | (последний код) 9ROP-AY,13.2 | нет в наличии, поставок нет |
| 88 | 0174821 | Гребной винт, 4 blade 13 1 / 4 x 29 (PROPELLER, 4 blade 13 1/4 x 29) | нет в наличии, поставок нет |
| 88 | 0394752 | Гребной винт, 14 1 / 2 x 18 OMC Raker (PROPELLER, 14 1/2 x 18 OMC Raker) | нет в наличии, поставок нет |
| 88 | 0394753 | Гребной винт, 14 1 / 2 x 20 OMC Raker (PROPELLER, 14 1/2 x 20 OMC Raker) | нет в наличии, поставок нет |
| 88 | 0394754 | Гребной винт, 14 1 / 2 x 22 OMC Raker (PROPELLER, 14 1/2 x 22 OMC Raker) | нет в наличии, поставок нет |
| 88 | 0177264 | (последний код) RAKER II TBX 22RH | нет в наличии, поставок нет |
| 88 | 0394755 | Гребной винт, 14 1 / 2 x 24 OMC Raker (PROPELLER, 14 1/2 x 24 OMC Raker) | нет в наличии, поставок нет |
| 88 | 0177265 | (последний код) RAKER II TBX 24RH | нет в наличии, поставок нет |
| 88 | 0394756 | Гребной винт, 14 1 / 2 x 26 OMC Raker (PROPELLER, 14 1/2 x 26 OMC Raker) | нет в наличии, поставок нет |
| 88 | 0177266 | (последний код) RAKER-2/TBX 26 RH | нет в наличии, поставок нет |
| 88 | 0394757 | Гребной винт, 14 1 / 2 x 28 OMC Raker (PROPELLER, 14 1/2 x 28 OMC Raker) | нет в наличии, поставок нет |
| 88 | 0177267 | (последний код) RAKERII TBX 28 | нет в наличии, поставок нет |
| 88 | 0389019 | Гребной винт, 14 1 / 4 x 23 SST II (PROPELLER, 14 1/4 x 23 SST II) | нет в наличии, поставок нет |
| 88 | 0390725 | Гребной винт, 14 x 25 SST II (PROPELLER, 14 x 25 SST II) | нет в наличии, поставок нет |
| 88 | 0391863 | Гребной винт, 14 1 / 4 x 27 SRX (PROPELLER, 14 1/4 x 27 SRX) | нет в наличии, поставок нет |
| 88 | 0391864 | Гребной винт, 14 1 / 4 x 29 SRX (PROPELLER, 14 1/4 x 29 SRX) | нет в наличии, поставок нет |
| 88 | 0387995 | Гребной винт, 14 1 / 2 x 24 SST R (PROPELLER, 14 1/2 x 24 SST R) | нет в наличии, поставок нет |
| 88 | 0387996 | Гребной винт, 14 1 / 2 x 26 SST R. (PROPELLER, 14 1/2 x 26 SST R.) | нет в наличии, поставок нет |
| 89 | 0387157 | Втулка в сборе., Prop., alum. 3 blade (BUSHING ASSY., Prop., alum. 3 blade) | нет в наличии, поставок нет |
| 89 | 0431730 | Втулка в сборе., 4 blade (BUSHING ASSY., 4 blade) | нет в наличии, поставок нет |
| 90 | 0332394 | CONVERGING Кольцо, Std. prop. (CONVERGING RING, Std. prop.) | нет в наличии, поставок нет |
| 90 | 3854241 | (последний код) RING, CONVERGING | нет в наличии, поставок нет |
| 91 | 0313926 | Гильза, Prop. Втулка (SLEEVE, Prop. bushing) | нет в наличии, поставок нет |
| 91 | 3850831 | (последний код) SLEEVE-PROP | нет в наличии, поставок нет |
| 92 | 0395059 | Хромированный ремкомплект водяного насоса (Inc. imp. hsg.) (CHROME PUMP KIT (Inc. imp. hsg.)) | нет в наличии, поставок нет |
| 92 | 0435526 | (последний код) CUP & PLATE AY | нет в наличии, поставок нет |
| 93 | 0434516 | Комплект сальников редуктора (GEARCASE SEAL KIT) | нет в наличии, поставок нет |
| 93 | 5006373 | (последний код) KIT AY,SEAL-GC | нет в наличии, поставок нет |
| 94 | 0395062 | Ремкомплект водяного насоса (WATER PUMP REPAIR KIT) | нет в наличии, поставок нет |
| 94 | 5001594 | (последний код) KIT AY,WATER PUMP | нет в наличии, поставок нет |
| 94 | T-5001594 | (не оригинальный аналог) Ремкомплект насоса охлаждения Evinrude-Johnson 5001594 | 2 шт шт | по запросу |