вконтакте

Контактный телефон: +7 (981) 121-46-93, +7 (800) 200-90-76 , Email: parts-katalog@yandex.ru, где купить

 
 

  Логин:

Пароль:

Регистрация

www.partskatalog.ru Все каталоги Запчасти Mercury Запчасти Suzuki Запчасти Tohatsu Запчасти Honda Контакты


Все разделы каталога запчастей на этот двигатель

назад Раздел:   вперёд

вернуться к списку узлов и деталей

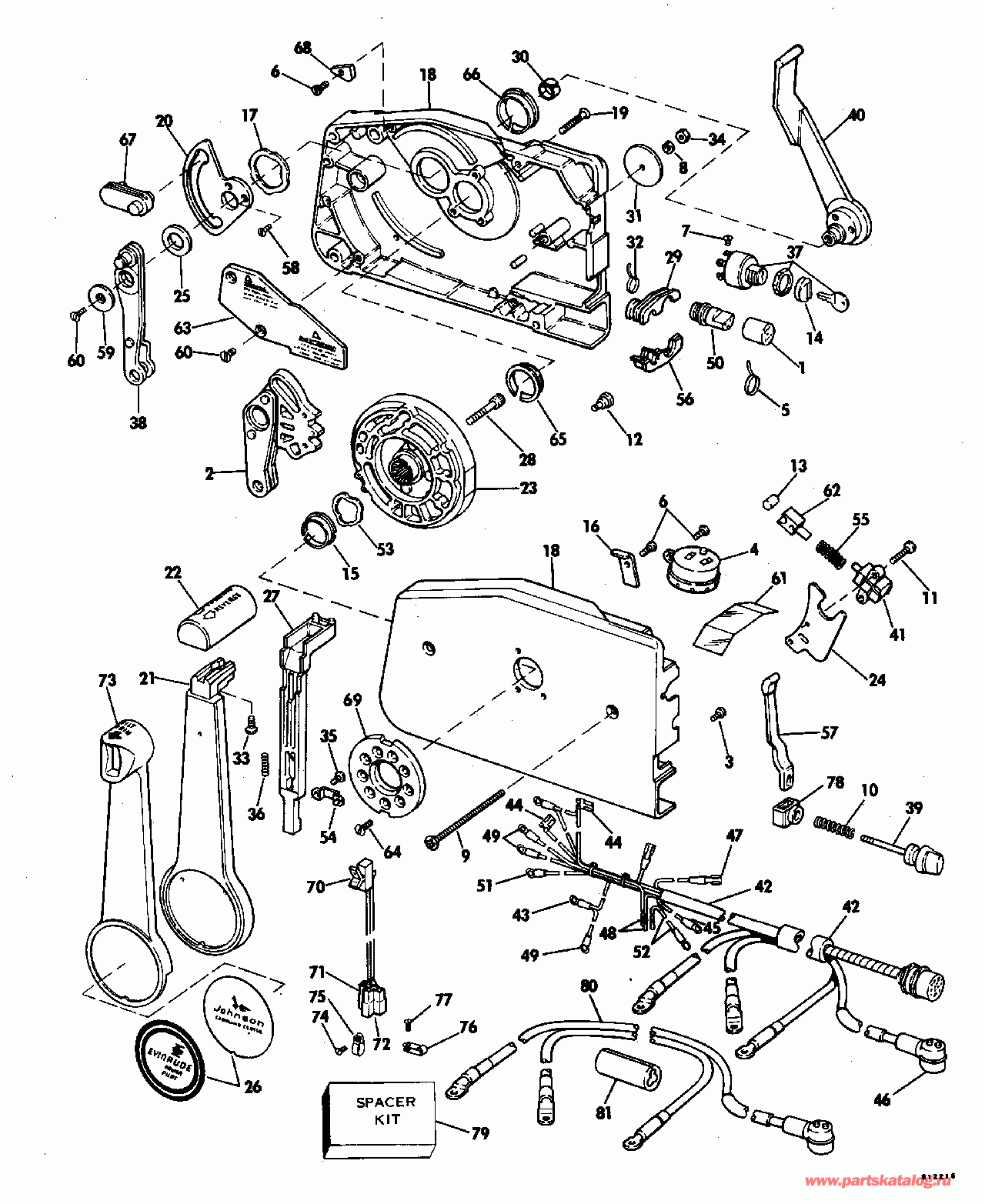
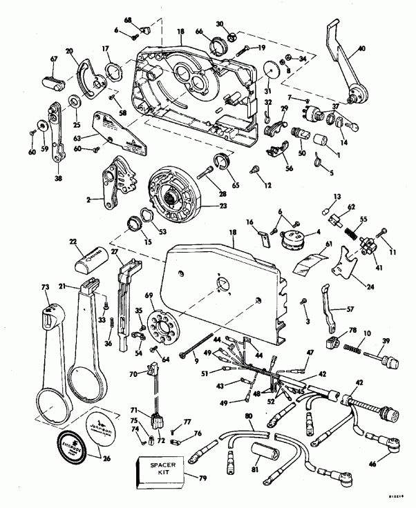
ДЕТАЛИРОВКА ДЛЯ МОДЕЛИ: EVINRUDE E150EXEIS 1991

ЭЛЕКТРОСТАРТЕР & SOLENOID | ELECTRIC STARTER & SOLENOID;


Мотор EVINRUDE E150EXEIS 1991  - ectric Стартер & Solenoid - ectric Starter & Solenoid

Номер на
рисунке
АртикулНаименованиеКол-во
на складе
Цена
0432925 0432925

Двигатель стартера в сборе.. Not Shown (STARTER MOTOR ASSY.. Not Shown)

нет в наличии, поставок нет
0432925 0586287

   (последний код) MOTOR AY,STARTER

нет в наличии, поставок нет
1 0433851

Колпачок AY., Drive end (CAP AY., Drive end)

нет в наличии, поставок нет
2 0335856

Сальник, Вал (SEAL, Shaft)

нет в наличии, поставок нет
3 0433849

Якорь AY. (ARMATURE AY.)

нет в наличии, поставок нет
4 0433852

Колпачок AY., Commutator (CAP AY., Commutator)

нет в наличии, поставок нет
5 0335857

Болт & LOCKШайба (BOLT & LOCKWASHER)

нет в наличии, поставок нет
5 0387939

   (последний код) THRU-BOLT-PA

нет в наличии, поставок нет
6 0433850

Щётка & Пружина SET (BRUSH & SPRING SET)

2 шт3900 руб.
6 0397373

   (последний код) BRUSH&SPRING SET

2 шт2990 руб.
8 0395419

Соленоид, в сборе. (SOLENOID ASSY.)

нет в наличии, поставок нет
8 0586180

   (последний код) SOLENOID AY,START

нет в наличии, поставок нет
9 0583995

BAR & Трубопровод, Solenoid to Стартер (BAR & TUBING, Solenoid to starter)

нет в наличии, поставок нет
10 0335200

Винт, Стартер end Колпачок (SCREW, Starter end cap)

нет в наличии, поставок нет
10 3852212

   (последний код) SCREW

нет в наличии, поставок нет
11 0330112

Струбцина, Solenoid to Стартер (CLAMP, Solenoid to starter)

нет в наличии, поставок нет
11 0311218

   (последний код) CLAMP

нет в наличии, поставок нет
12 0335309

Зубчатый привод, Стартер (GEAR, Drive, starter)

нет в наличии, поставок нет
13 0306556

Гайка, Клемма (NUT, Terminal)

нет в наличии, поставок нет
13 3852064

   (последний код) NUT

нет в наличии, поставок нет
14 0335308

Шестерня & Вал (GEAR, Pinion & shaft)

нет в наличии, поставок нет
15 0311349

Гайка, Клемма (NUT, Terminal)

нет в наличии, поставок нет
16 0335778

Гайка, Bus bar, Двигатель стартера (NUT, Bus bar, starter motor)

нет в наличии, поставок нет
18 0513398

Стопорное кольцо, Шестерня привода (RETAINING RING, Drive gear)

нет в наличии, поставок нет
19 0322000

Винт, Стартер to Картер двигателя (SCREW, Starter to crankcase)

нет в наличии, поставок нет
21 0335200

Винт зажима, solenoid (SCREW, Clamp, solenoid)

нет в наличии, поставок нет
21 3852212

   (последний код) SCREW

нет в наличии, поставок нет
22 0331259

LOCKШайба, Клемма (LOCKWASHER, Terminal)

нет в наличии, поставок нет
23 0434517

DRIVE KIT AY. (DRIVE KIT AY.)

нет в наличии, поставок нет
23 0434518

   (последний код) KIT-AY,DRIVE

нет в наличии, поставок нет
25 0327283

LOCKШайба, Клемма (LOCKWASHER, Terminal)

нет в наличии, поставок нет
26 0311217

Гильза, Solenoid (SLEEVE, Solenoid)

нет в наличии, поставок нет
27 0435294

Шайба, Шестерня & Вал (WASHER, Pinion & shaft)

нет в наличии, поставок нет
27 0336976

   (последний код) WASHER,SPRING

нет в наличии, поставок нет
29 0335294

Втулка, Шестерня & Вал (BUSHING, Pinion & shaft)

нет в наличии, поставок нет
29 0341613

   (последний код) BUSHING

нет в наличии, поставок нет
30 0331259

LOCKШайба, Винт (LOCKWASHER, Screw)

нет в наличии, поставок нет
31 0434517

Вал AT., Шестерня (SHAFT AT., Pinion)

нет в наличии, поставок нет
31 0434518

   (последний код) KIT-AY,DRIVE

нет в наличии, поставок нет
32 0301551

LOCKШайба (LOCKWASHER)

нет в наличии, поставок нет
33 0584349

Кабель аккумулятора, 20" Model (BATTERY CABLE, 20" Model)

нет в наличии, поставок нет
33 0584380

   (последний код) CABLE AY,BATTERY

нет в наличии, поставок нет
33 0584348

Кабель аккумулятора, 25" Model (BATTERY CABLE, 25" Model)

нет в наличии, поставок нет
33 0396145

   (последний код) BATTERY-CABL

нет в наличии, поставок нет
evinrude

Время выполнения запроса 2.8094999790192 сек.


 
 

данный сайт носит информационный характер и не является публичной офертой

склад запчастей для водомоторной техники