вконтакте

Контактный телефон: +7 (981) 121-46-93, +7 (800) 200-90-76 , Email: parts-katalog@yandex.ru, где купить

 
 

  Логин:

Пароль:

Регистрация

www.partskatalog.ru Все каталоги Запчасти Mercury Запчасти Suzuki Запчасти Tohatsu Запчасти Honda Контакты


Все разделы каталога запчастей на этот двигатель

назад Раздел:   вперёд

вернуться к списку узлов и деталей

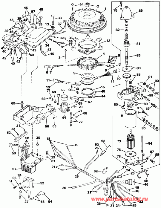
ДЕТАЛИРОВКА ДЛЯ МОДЕЛИ: EVINRUDE E50TLEIA 1991

КРЫШКА ДВИГАТЕЛЯ (КАПОТ) - EVINRUDE ШНУР START ONLY | ENGINE COVER - EVINRUDE ROPE START ONLY;


Подвесной лодочный мотор Evinrude E50TLEIA 1991  - Evinrude Rope Start Only / Evinrude Шнур Start Only

Номер на
рисунке
АртикулНаименованиеКол-во
на складе
Цена
1 0283521

Крышка двигателя (капот) в сборе. (ENGINE COVER ASSY.)

нет в наличии, поставок нет
2 0313079

Шайба, Винт, Кронштейн (WASHER, Screw, bracket)

нет в наличии, поставок нет
3 0305284

Винт, Кронштейн (SCREW, Bracket)

нет в наличии, поставок нет
3 0908158

   (последний код) SCREW

нет в наличии, поставок нет
4 0323176

Крючок спереди и rear Крышка (HOOK, Front and rear cover)

нет в наличии, поставок нет
4 0315191

   (последний код) HOOK

нет в наличии, поставок нет
5 0323229

Винт, Рукоятка наклона, front (SCREW, Tilt handle, front)

нет в наличии, поставок нет
6 0210296

BAFFLE, Рукоятка наклона (BAFFLE, Tilt handle)

нет в наличии, поставок нет
7 0332025

Сальник, Крышка Кронштейн (SEAL, Cover bracket)

нет в наличии, поставок нет
7 0330790

   (последний код) 2277B5034

нет в наличии, поставок нет
8 0211111

Сальник, Крышка (SEAL, Cover)

нет в наличии, поставок нет
9 0333937

LOCATING BRKT. (LOCATING BRKT.)

нет в наличии, поставок нет
10 0317223

ЗащелкаS (FASTENERS)

нет в наличии, поставок нет
11 0334432

Бампер, Locating Кронштейнs (BUMPER, Locating brackets)

нет в наличии, поставок нет
12 0326948

Заклёпка, Locating Кронштейнs (RIVET, Locating brackets)

нет в наличии, поставок нет
12 0331881

   (последний код) RIVET

нет в наличии, поставок нет
13 0211109

Рама, Rear (FRAME, Rear)

нет в наличии, поставок нет
14 0333090

Рукоятка наклона (TILT HANDLE)

нет в наличии, поставок нет
15 0323228

Винт, Рукоятка наклона, rear (SCREW, Tilt handle, rear)

нет в наличии, поставок нет
16 0211125

Пластина, Rear (PLATE, Rear)

нет в наличии, поставок нет
17 0206682

SOUND BLANKET, Side (SOUND BLANKET, Side)

нет в наличии, поставок нет
17 0341532

   (последний код) BLANKET,SOUND

нет в наличии, поставок нет
18 0334309

SOUND BLANKET, Top (SOUND BLANKET, Top)

нет в наличии, поставок нет
18 0341533

   (последний код) BLANKET,SOUND

нет в наличии, поставок нет
19 0283759

Комплект наклеек (DECAL SET)

нет в наличии, поставок нет
20 0211666

OWNERS ручной. 4-Language Ownerft.s ручной (English, French, Spanish & Portuguese) (OWNERS MANUAL. 4-Language Ownerft.s Manual (English, French, Spanish & Portuguese))

нет в наличии, поставок нет
20 8021903

   (последний код) OM40/50RP211666

нет в наличии, поставок нет
20 0211667

OWNERS ручной. 7-Language Ownerft.s ручной (German, Italian, Dutch, Swedish, Finnish, Danish & Norwegian) (OWNERS MANUAL. 7-Language Ownerft.s Manual (German, Italian, Dutch, Swedish, Finnish, Danish & Norwegian))

нет в наличии, поставок нет
20 8021904

   (последний код) OM40/50RP211667

нет в наличии, поставок нет
evinrude

Время выполнения запроса 2.2475910186768 сек.


 
 

данный сайт носит информационный характер и не является публичной офертой

склад запчастей для водомоторной техники