Номер на рисунке | Артикул | Наименование | Кол-во на складе | Цена |
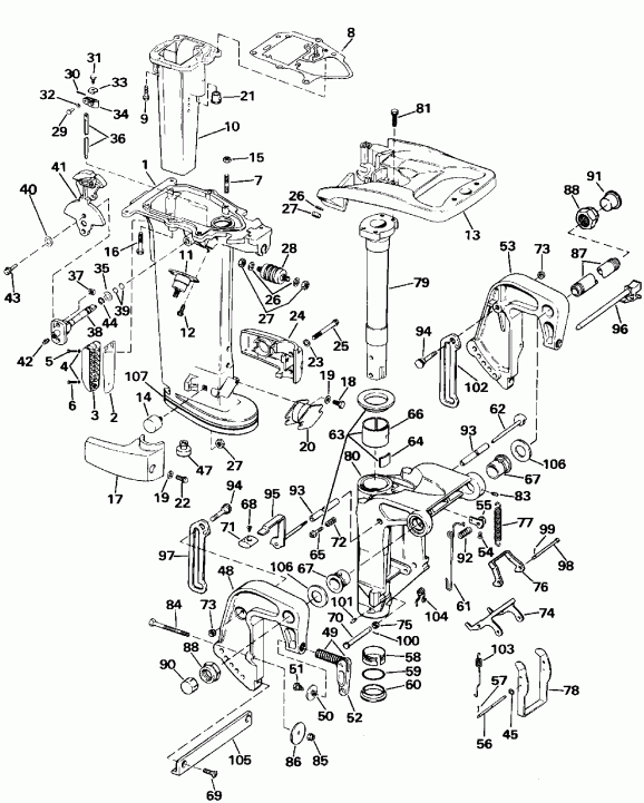
1 | 0432429 | Удлинитель корпуса в сборе. (Std.) (EXHAUST HOUSING ASSY. (Std.)) | нет в наличии, поставок нет |
1 | 0436192 | (последний код) HSG AY,EXH-STD | нет в наличии, поставок нет |
1 | 0432428 | Удлинитель корпуса в сборе. (Long) (EXHAUST HOUSING ASSY. (Long)) | нет в наличии, поставок нет |
1 | 0436193 | (последний код) HSG AY,EXH-LONG | нет в наличии, поставок нет |
2 | 0335078 | Прокладка крышки to exh. hsg. (GASKET, Cover to exh. hsg.) | нет в наличии, поставок нет |
2 | 0437245 | (последний код) KIT AY,COV&GASKET | нет в наличии, поставок нет |
3 | 0334519 | Выхлопная крышка relief (COVER, Exhaust relief) | нет в наличии, поставок нет |
4 | 0305863 | Шайба, Винт, Крышка (WASHER, Screw, cover) | нет в наличии, поставок нет |
5 | 0334522 | Винт, Крышка, верхний (SCREW, Cover, upper) | нет в наличии, поставок нет |
6 | 0334521 | Винт, Крышка, нижний (SCREW, Cover, lower) | нет в наличии, поставок нет |
7 | 0324815 | Шпилька (STUD) | нет в наличии, поставок нет |
7 | 3852176 | (последний код) STUD | нет в наличии, поставок нет |
8 | 0330621 | Прокладка, Powerhead to Нижний модуль (GASKET, Powerhead to lower unit) | нет в наличии, поставок нет |
8 | 0324332 | (последний код) GASKET | нет в наличии, поставок нет |
9 | 0308743 | Винт, Inner Выхлоп Трубка (SCREW, Inner exhaust tube) | нет в наличии, поставок нет |
9 | 0342422 | (последний код) SCREW | нет в наличии, поставок нет |
10 | 0336258 | Выхлоп Трубка внутри (EXHAUST TUBE, Inner) | нет в наличии, поставок нет |
10 | 0335634 | (последний код) TUBE,EXHAUST-INNER | нет в наличии, поставок нет |
11 | 0303879 | Крепление, Rubber, верхний side, std. (MOUNT, Rubber, upper side, std.) | нет в наличии, поставок нет |
11 | 0332809 | (последний код) RUBBER MOUNT | нет в наличии, поставок нет |
11 | 0325974 | Крепление, Rubber, верхний side, long (MOUNT, Rubber, upper side, long) | нет в наличии, поставок нет |
11 | 0332810 | (последний код) RUBBER MOUNT | нет в наличии, поставок нет |
12 | 0329217 | Винт, верхний монтаж сбоку (SCREW, Upper side mount) | нет в наличии, поставок нет |
12 | 0333707 | (последний код) SCREW | нет в наличии, поставок нет |
13 | 0335430 | Кронштейн рулевого управления (BRACKET, Steering) | нет в наличии, поставок нет |
13 | 0331475 | (последний код) STEERING BRACKET | нет в наличии, поставок нет |
14 | 0321470 | Крепление, Rubber, нижняя сторона, std. (MOUNT, Rubber, lower side, std.) | нет в наличии, поставок нет |
14 | 0332811 | (последний код) RUBBER MOUNT | нет в наличии, поставок нет |
14 | 0325975 | Крепление, Rubber, нижняя сторона, long (MOUNT, Rubber, lower side, long) | нет в наличии, поставок нет |
15 | 0315204 | Гайка, Шпилька (NUT, Stud) | нет в наличии, поставок нет |
15 | 0316355 | (последний код) NUT | нет в наличии, поставок нет |
16 | 0324816 | Винт, Корпус to cyl. & ccase (SCREW, Housing to cyl. & ccase) | нет в наличии, поставок нет |
17 | 0323109 | Корпус, нижний Крепление, stbd. (HOUSING, Lower mount, stbd.) | нет в наличии, поставок нет |
17 | 0321403 | (последний код) HOUSING | нет в наличии, поставок нет |
18 | 0309942 | Винт, нижний front Крепление (SCREW, Lower front mount) | нет в наличии, поставок нет |
18 | 3852086 | (последний код) SCREW | нет в наличии, поставок нет |
19 | 0303886 | Шайба (WASHER) | нет в наличии, поставок нет |
20 | 0321469 | Крепление, Rubber, нижний front (MOUNT, Rubber, lower front) | нет в наличии, поставок нет |
20 | 0332808 | (последний код) RUBBER MOUNT | нет в наличии, поставок нет |
21 | 0302497 | Пыльник водяной трубки (GROMMET, Water tube) | 2 шт | 250 руб. |
22 | 0309942 | Винт, Крепление to Корпус (SCREW, Mount to housing) | нет в наличии, поставок нет |
22 | 3852086 | (последний код) SCREW | нет в наличии, поставок нет |
23 | 0304144 | LOCKШайба (LOCKWASHER) | нет в наличии, поставок нет |
24 | 0323108 | Корпус, нижний Крепление, port (HOUSING, Lower mount, port) | нет в наличии, поставок нет |
24 | 0321402 | (последний код) HOUSING | нет в наличии, поставок нет |
25 | 0316440 | Винт, Крепление Корпус (SCREW, Mount housing) | нет в наличии, поставок нет |
25 | 0342540 | (последний код) SCREW | нет в наличии, поставок нет |
26 | 0303884 | Шайба (WASHER) | нет в наличии, поставок нет |
27 | 0303889 | Гайка, Креплениеs to exh. hsg. & Кронштейн рулевого управления (NUT, Mounts to exh. hsg. & steering bracket) | нет в наличии, поставок нет |
27 | 3852065 | (последний код) NUT | нет в наличии, поставок нет |
28 | 0331812 | Крепление, Rubber, верхний front (MOUNT, Rubber, upper front) | нет в наличии, поставок нет |
28 | 0332807 | (последний код) RUBBER MOUNT | нет в наличии, поставок нет |
29 | 0302504 | Штифт, Переключающая тяга to Рычаг (PIN, Shift rod to lever) | нет в наличии, поставок нет |
30 | 0305650 | Шплинт, Рычаг переключения to Штифт (COTTER PIN, Shift lever to pin) | нет в наличии, поставок нет |
30 | 3852052 | (последний код) PIN,COTTER | нет в наличии, поставок нет |
31 | 0308017 | Винт, Переключающая тяга (SCREW, Shift rod) | нет в наличии, поставок нет |
32 | 0304380 | Пружинная шайба (SPRING WASHER) | нет в наличии, поставок нет |
33 | 0319537 | Зажим, Рычаг тяги переключения (CLIP, Shift rod lever) | нет в наличии, поставок нет |
34 | 0322092 | Рычаг штока переключения (LEVER, Shift rod) | нет в наличии, поставок нет |
34 | 0320117 | (последний код) LEVER | нет в наличии, поставок нет |
35 | 0303775 | Шайба, Рычаг to hsg. (WASHER, Lever to hsg.) | нет в наличии, поставок нет |
36 | 0325540 | Переключающая тяга, верхний (Std.) (SHIFT ROD, Upper (Std.)) | нет в наличии, поставок нет |
36 | 0325541 | Переключающая тяга, верхний (Long) (SHIFT ROD, Upper (Long)) | нет в наличии, поставок нет |
37 | 0203688 | Гайка, Adjustment Винт (NUT, Adjustment screw) | нет в наличии, поставок нет |
37 | 0328710 | (последний код) NUT-SCREW-ID | нет в наличии, поставок нет |
38 | 0394574 | ADJ. Рычаг & Вал в сборе. (ADJ. LEVER & SHAFT ASSY.) | нет в наличии, поставок нет |
38 | 0390252 | (последний код) ADJT-LVR&SHF | нет в наличии, поставок нет |
39 | 0324660 | Уплотнительное кольцо, Рычаг Вал (O-RING, Lever shaft) | нет в наличии, поставок нет |
40 | 0328703 | Шайба, Винт, cam to Рычаг (WASHER, Screw, cam to lever) | нет в наличии, поставок нет |
40 | 3852184 | (последний код) WASHER | нет в наличии, поставок нет |
41 | 0335342 | Пускатель Кулачок переключателя (ACTUATOR CAM, Shift) | нет в наличии, поставок нет |
41 | 0331470 | (последний код) ACTUATOR-CAM | нет в наличии, поставок нет |
42 | 0313607 | FITTING, Lube, Переключающий вал (FITTING, Lube, shift shaft) | нет в наличии, поставок нет |
42 | 3852121 | (последний код) FITTING,LUB | нет в наличии, поставок нет |
43 | 0317581 | Винт, Пускатель cam to adjustment Рычаг (SCREW, Actuator cam to adjustment lever) | нет в наличии, поставок нет |
44 | 0315786 | Фиксатор, Переключающий вал (RETAINER, Shift shaft) | нет в наличии, поставок нет |
45 | 0301996 | Шайба, Штифт to Соединитель (WASHER, Pin to link) | 1 шт | 140 руб. |
47 | 0326071 | Бампер, Крепление hsg. (BUMPER, Mount hsg.) | нет в наличии, поставок нет |
47 | 0323107 | (последний код) BUMPER-MT-HS | нет в наличии, поставок нет |
48 | 0325683 | STERN BRKT., Stbd. (STERN BRKT., Stbd.) | нет в наличии, поставок нет |
48 | 0342536 | (последний код) STERN BRKT,STBD | нет в наличии, поставок нет |
49 | 0433675 | Винт струбцины в сборе., Aluminum (CLAMP SCREW ASSY., Aluminum) | нет в наличии, поставок нет |
49 | 0433674 | (последний код) KIT AY,CLAMPSCREW | нет в наличии, поставок нет |
49 | 0391421 | Винт струбцины в сборе., Stainless st.. Опции (CLAMP SCREW ASSY., Stainless st.. Optional) | нет в наличии, поставок нет |
49 | 0389959 | (последний код) CLAMPSCREW | нет в наличии, поставок нет |
50 | 0307561 | Пластина, Swivel (PLATE, Swivel) | нет в наличии, поставок нет |
50 | 0337017 | (последний код) SWIVEL-PLATE | нет в наличии, поставок нет |
51 | 0321922 | Винт, Shoulder (SCREW, Shoulder) | нет в наличии, поставок нет |
52 | 0398001 | REPLACEMENT HANDLE в сборе. (REPLACEMENT HANDLE ASSY.) | нет в наличии, поставок нет |
53 | 0325682 | STERN BRKT., Port (STERN BRKT., Port) | нет в наличии, поставок нет |
53 | 0342535 | (последний код) STERN BRKT,PORT | нет в наличии, поставок нет |
54 | 0319108 | Винт, BellКривошип, rev. lock (SCREW, Bellcrank, rev. lock) | нет в наличии, поставок нет |
54 | 0311512 | (последний код) SCREW | нет в наличии, поставок нет |
55 | 0319695 | BELLКривошип (BELLCRANK) | нет в наличии, поставок нет |
56 | 0322945 | Штифт, Shallow water drive (PIN, Shallow water drive) | нет в наличии, поставок нет |
56 | 0319053 | (последний код) PIN | нет в наличии, поставок нет |
57 | 0305650 | Шплинт, Shallow water drive (COTTER PIN, Shallow water drive) | нет в наличии, поставок нет |
57 | 3852052 | (последний код) PIN,COTTER | нет в наличии, поставок нет |
58 | 0309967 | Втулка, Pilot Вал, нижний (BUSHING, Pilot shaft, lower) | нет в наличии, поставок нет |
59 | 0301917 | Уплотнительное кольцо, Pilot Вал, нижний (O-RING, Pilot shaft, lower) | нет в наличии, поставок нет |
60 | 0309966 | Упорная шайба (WASHER, Thrust) | нет в наличии, поставок нет |
61 | 0319696 | Тяга, Блокировка задней передачи release (ROD, Reverse lock release) | нет в наличии, поставок нет |
62 | 0388661 | CAM & Вал в сборе., Tilt lock (CAM & SHAFT ASSY., Tilt lock) | нет в наличии, поставок нет |
62 | 0386501 | (последний код) FF-CAM&SHAFT | нет в наличии, поставок нет |
63 | 0397736 | FRICTION BLOCK в сборе. (FRICTION BLOCK ASSY.) | нет в наличии, поставок нет |
63 | 0388748 | (последний код) WASHER,SEAL& | нет в наличии, поставок нет |
64 | 0332662 | FRICTION BLOCK (FRICTION BLOCK) | нет в наличии, поставок нет |
65 | 0321531 | Фрикционный винт adjustment (SCREW, Friction adjustment) | нет в наличии, поставок нет |
66 | 0332663 | верхний LINER (UPPER LINER) | нет в наличии, поставок нет |
67 | 0319787 | Втулка, Tilt Трубка (BUSHING, Tilt tube) | нет в наличии, поставок нет |
67 | 0317789 | (последний код) BUSHING | нет в наличии, поставок нет |
68 | 0319227 | Винт, Ручка to tilt lock Рычаг (SCREW, Knob to tilt lock lever) | нет в наличии, поставок нет |
69 | 0324579 | Винт, Tie bar (SCREW, Tie bar) | нет в наличии, поставок нет |
69 | 0341352 | (последний код) SCREW | нет в наличии, поставок нет |
70 | 0322947 | Штифт, Соединитель блокировки задней передачи to brkt. (PIN, Reverse lock link to brkt.) | нет в наличии, поставок нет |
71 | 0328048 | Ручка наклона lock (KNOB, Tilt lock) | нет в наличии, поставок нет |
71 | 0319051 | (последний код) KNOB | нет в наличии, поставок нет |
72 | 0551113 | Пружина, Рулевая система friction adj. (SPRING, Steering friction adj.) | нет в наличии, поставок нет |
73 | 0313838 | Гайка, Штифт Кронштейн (NUT, Pin bracket) | нет в наличии, поставок нет |
74 | 0322949 | Соединитель, Блокировка задней передачи (LINK, Reverse lock) | нет в наличии, поставок нет |
74 | 0319054 | (последний код) LINK | нет в наличии, поставок нет |
75 | 0303887 | Шайба, Соединитель Штифтs (WASHER, Link pins) | нет в наличии, поставок нет |
76 | 0322950 | Рычаг, Блокировка задней передачи (LEVER, Reverse lock) | нет в наличии, поставок нет |
77 | 0315078 | Пружина блокировки задней передачи (SPRING, Reverse lock) | нет в наличии, поставок нет |
78 | 0320426 | Соединитель, Shallow water drive (LINK, Shallow water drive) | нет в наличии, поставок нет |
78 | 0338657 | (последний код) LINK | нет в наличии, поставок нет |
79 | 0329648 | PILOT Вал, Рулевая система brkt. (PILOT SHAFT, Steering brkt.) | нет в наличии, поставок нет |
80 | 0323158 | Поворотный кронштейн (BRACKET, Swivel) | нет в наличии, поставок нет |
81 | 0317624 | Винт, Brkt., to pilot Вал (SCREW, Brkt., to pilot shaft) | нет в наличии, поставок нет |
83 | 0313607 | FITTING, Lube, tilt Трубка & lock (FITTING, Lube, tilt tube & lock) | нет в наличии, поставок нет |
83 | 3852121 | (последний код) FITTING,LUB | нет в наличии, поставок нет |
0432294 | 0432294 | Винт & Гайка в сборе.. Not Shown Опции (SCREW & NUT ASSY.. Not Shown Optional) | нет в наличии, поставок нет |
0432294 | 0313966 | (последний код) SCREW | нет в наличии, поставок нет |
84 | 0334427 | Винт, Stern brkt. to transom. Опции (SCREW, Stern brkt. to transom. Optional) | нет в наличии, поставок нет |
84 | 0318512 | (последний код) SCREW | нет в наличии, поставок нет |
85 | 0310702 | Гайка. Опции (NUT. Optional) | нет в наличии, поставок нет |
86 | 0315776 | Шайба. Опции (WASHER. Optional) | нет в наличии, поставок нет |
87 | 0321511 | TILT Трубка, Кронштейн транца (TILT TUBE, Stern bracket) | нет в наличии, поставок нет |
87 | 0351896 | (последний код) TUBE, TILT SST | нет в наличии, поставок нет |
88 | 0335554 | LOCKГайка, Tilt Трубка, port & stbd. (LOCKNUT, Tilt tube, port & stbd.) | нет в наличии, поставок нет |
90 | 0317894 | Колпачок, Tilt Трубка (CAP, Tilt tube) | нет в наличии, поставок нет |
90 | 3852150 | (последний код) CAP | нет в наличии, поставок нет |
91 | 0318173 | Заглушка, Tilt Трубка (PLUG, Tilt tube) | нет в наличии, поставок нет |
92 | 0319694 | Пружина фиксатора наклона (SPRING, Tilt lock) | нет в наличии, поставок нет |
93 | 0319693 | Втулка, Tilt lock (BUSHING, Tilt lock) | 1 шт | 2850 руб. |
94 | 0319692 | Штифт блокировки наклона (PIN, Tilt lock) | нет в наличии, поставок нет |
95 | 0388662 | Рычаг & Вал в сборе., Tilt lock (LEVER & SHAFT ASSY., Tilt lock) | нет в наличии, поставок нет |
96 | 0391271 | TILT Штифт (TILT PIN) | нет в наличии, поставок нет |
96 | 0436387 | (последний код) PIN AY,TILT 9.8" | нет в наличии, поставок нет |
97 | 0387668 | LOCK в сборе., Tilt, stbd. (LOCK ASSY., Tilt, stbd.) | нет в наличии, поставок нет |
97 | 0437875 | (последний код) LOCK AY,TILT-STBD | нет в наличии, поставок нет |
98 | 0326943 | Штифт тяги to locking Рычаг (PIN, Link to locking lever) | нет в наличии, поставок нет |
99 | 0305650 | Шплинт, Штифт, Соединитель блокировки задней передачи to locking Рычаг (COTTER PIN, Pin, reverse lock link to locking lever) | нет в наличии, поставок нет |
99 | 3852052 | (последний код) PIN,COTTER | нет в наличии, поставок нет |
100 | 0305650 | Шплинт, Штифт, Соединитель блокировки задней передачи to Кронштейн (COTTER PIN, Pin, reverse lock link to bracket) | нет в наличии, поставок нет |
100 | 3852052 | (последний код) PIN,COTTER | нет в наличии, поставок нет |
101 | 0313607 | FITTING, Lube, swivel brkt. (FITTING, Lube, swivel brkt.) | нет в наличии, поставок нет |
101 | 3852121 | (последний код) FITTING,LUB | нет в наличии, поставок нет |
102 | 0387667 | LOCK в сборе., Tilt port (LOCK ASSY., Tilt port) | нет в наличии, поставок нет |
102 | 0437876 | (последний код) LOCK AY,TILT-PORT | нет в наличии, поставок нет |
103 | 0319697 | Пружина блокировки задней передачи (SPRING, Reverse lock) | нет в наличии, поставок нет |
104 | 0322946 | Пружина системы движения по мелководью (SPRING, Shallow water drive) | нет в наличии, поставок нет |
105 | 0319709 | TIE BAR, Кронштейн транцаs (TIE BAR, Stern brackets) | нет в наличии, поставок нет |
105 | 0351247 | (последний код) BAR,TIE | нет в наличии, поставок нет |
106 | 0319699 | Шайба (WASHER) | нет в наличии, поставок нет |
107 | 0211387 | Наклейка, Exh. hsg., Ev. (DECAL, Exh. hsg., Ev.) | нет в наличии, поставок нет |
107 | 0211347 | (последний код) DECAL | нет в наличии, поставок нет |
107 | 0336386 | Наклейка, Exh. hsg., Jo. (DECAL, Exh. hsg., Jo.) | нет в наличии, поставок нет |