вконтакте

Контактный телефон: +7 (981) 121-46-93, +7 (800) 200-90-76 , Email: parts-katalog@yandex.ru, где купить

 
 

  Логин:

Пароль:

Регистрация

www.partskatalog.ru Все каталоги Запчасти Mercury Запчасти Suzuki Запчасти Tohatsu Запчасти Honda Контакты


Все разделы каталога запчастей на этот двигатель

назад Раздел:   вперёд

вернуться к списку узлов и деталей

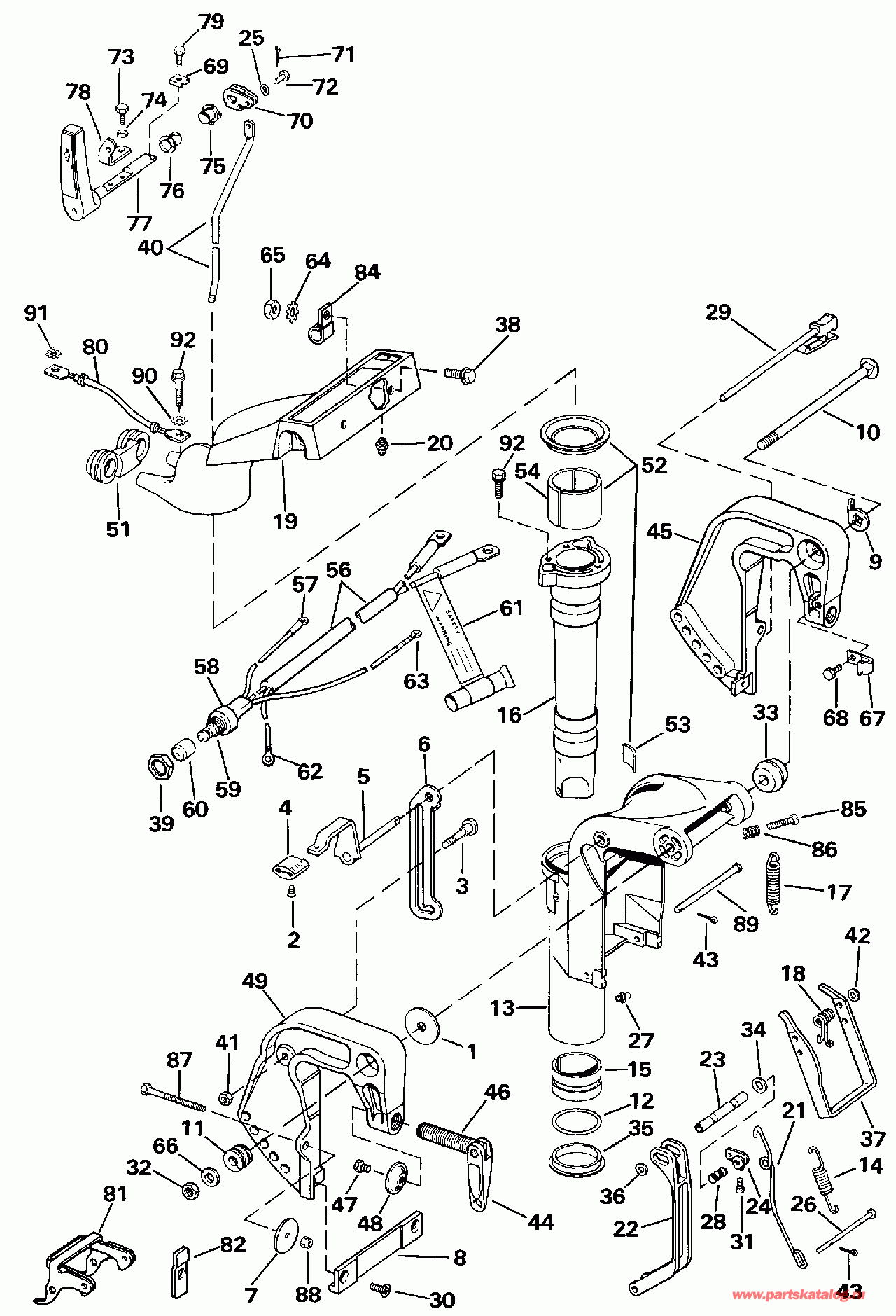
ДЕТАЛИРОВКА ДЛЯ МОДЕЛИ: EVINRUDE E15RLEIA 1991

MIDSECTION (10SEL ONLY) | MIDSECTION (10SEL ONLY);


Двигатель Эвинруд E15RLEIA 1991  - dsection (10sel Only) / dsection (10sel Only)

Номер на
рисунке
АртикулНаименованиеКол-во
на складе
Цена
1 0304278

Шайба, Tilt Болт to swivel brkt. (WASHER, Tilt bolt to swivel brkt.)

нет в наличии, поставок нет
1 0319313

   (последний код) WASHER

нет в наличии, поставок нет
2 0319227

Винт, Tilt Ручка (SCREW, Tilt knob)

нет в наличии, поставок нет
3 0319047

Штифт блокировки наклона to stern brkt. (PIN, Tilt lock to stern brkt.)

нет в наличии, поставок нет
4 0328048

Ручка наклона & Рычаг блокировки задней передачи (KNOB, Tilt & reverse lock lever)

нет в наличии, поставок нет
4 0319051

   (последний код) KNOB

нет в наличии, поставок нет
5 0386163

Рычаг & Вал в сборе., Lock (LEVER & SHAFT ASSY., Lock)

нет в наличии, поставок нет
6 0319134

TILT LOCK, Stbd. (TILT LOCK, Stbd.)

нет в наличии, поставок нет
6 0338563

   (последний код) LINK,TILT LOCK

нет в наличии, поставок нет
7 0315776

Шайба (WASHER)

нет в наличии, поставок нет
8 0309738

Пластина, Stern brkt. (PLATE, Stern brkt.)

нет в наличии, поставок нет
9 0300364

Соединитель, Safety Цепь (LINK, Safety chain)

нет в наличии, поставок нет
10 0319756

TILT Болт, Stern brkt. to sw. brkt. (TILT BOLT, Stern brkt. to sw. brkt.)

нет в наличии, поставок нет
10 0301984

   (последний код) BOLT

нет в наличии, поставок нет
11 0302051

Пружина наклона Болт (SPRING, Tilt bolt)

нет в наличии, поставок нет
12 0301917

Уплотнительное кольцо, нижний , Стержень Трубка (O-RING, Lower, pivot tube)

нет в наличии, поставок нет
13 0329102

Поворотный кронштейн (SWIVEL BRACKET)

нет в наличии, поставок нет
13 0325166

   (последний код) SWIVELBRACKET

нет в наличии, поставок нет
14 0320428

Пружина блокировки задней передачи Тяга (SPRING, Reverse lock rod)

нет в наличии, поставок нет
15 0309967

Втулка, нижний , Стержень Трубка (BUSHING, Lower, pivot tube)

нет в наличии, поставок нет
16 0335332

Стержень Поворотный вал brkt. (PIVOT SHAFT, Swivel brkt.)

нет в наличии, поставок нет
17 0319279

Пружина блокировки задней передачи (SPRING, Reverse lock)

нет в наличии, поставок нет
18 0320427

Пружина системы движения по мелководью (SPRING, Shallow water drive)

нет в наличии, поставок нет
19 0434151

Кронштейн рулевого управления (STEERING BRACKET)

нет в наличии, поставок нет
19 0433820

   (последний код) BRKT & FTG AY,STRG

нет в наличии, поставок нет
20 0313607

FITTING, Lube (FITTING, Lube)

нет в наличии, поставок нет
20 3852121

   (последний код) FITTING,LUB

нет в наличии, поставок нет
21 0320416

Провод, Блокировка задней передачи release (WIRE, Reverse lock release)

нет в наличии, поставок нет
21 0319052

   (последний код) ROD

нет в наличии, поставок нет
22 0331096

Ручка для переноски (CARRYING HANDLE)

нет в наличии, поставок нет
22 0338874

   (последний код) HANDLE,CARRY

нет в наличии, поставок нет
23 0319046

Втулка, Tilt lock Вал to sw. brkt. (BUSHING, Tilt lock shaft to sw. brkt.)

нет в наличии, поставок нет
24 0319049

BELLКривошип, Блокировка задней передачи (BELLCRANK, Reverse lock)

нет в наличии, поставок нет
25 0304380

Пружинная шайба (SPRING WASHER)

нет в наличии, поставок нет
26 0326943

Штифт тяги to locking Рычаг (PIN, Link to locking lever)

нет в наличии, поставок нет
27 0313607

FITTING, Lube (FITTING, Lube)

нет в наличии, поставок нет
27 3852121

   (последний код) FITTING,LUB

нет в наличии, поставок нет
28 0319270

Пружина фиксатора наклона Втулка (SPRING, Tilt lock bushing)

нет в наличии, поставок нет
29 0432453

TILT Штифт & Ручка в сборе. (TILT PIN & KNOB ASSY.)

нет в наличии, поставок нет
29 0390441

   (последний код) KNOB&TILT-PI

нет в наличии, поставок нет
30 0308684

Винт, Пластина to stern brkt. (SCREW, Plate to stern brkt.)

нет в наличии, поставок нет
31 0319108

Винт, BellКривошип (SCREW, Bellcrank)

нет в наличии, поставок нет
31 0311512

   (последний код) SCREW

нет в наличии, поставок нет
32 0325451

Гайка, Tilt Болт to swivel brkt. (NUT, Tilt bolt to swivel brkt.)

нет в наличии, поставок нет
32 3852177

   (последний код) NUT,LOCK

нет в наличии, поставок нет
33 0301983

CONICAL Шайба, Stern brkt. (CONICAL WASHER, Stern brkt.)

нет в наличии, поставок нет
34 0308052

Шайба, Tilt lock, Вал Втулка (WASHER, Tilt lock, shaft bushing)

нет в наличии, поставок нет
35 0309966

Нижняя упорная шайба swivel brkt. (THRUST WASHER, Lower swivel brkt.)

нет в наличии, поставок нет
36 0310540

Шайба, Tilt lock Вал, outer (WASHER, Tilt lock shaft, outer)

нет в наличии, поставок нет
37 0320426

Соединитель, Shallow water drive (LINK, Shallow water drive)

нет в наличии, поставок нет
37 0338657

   (последний код) LINK

нет в наличии, поставок нет
38 0317624

Винт зажима (SCREW, Clamp)

нет в наличии, поставок нет
39 0319601

Гайка, Стартер Переключатель (NUT, Starter switch)

нет в наличии, поставок нет
40 0319124

Переключающая тяга, верхний (SHIFT ROD, Upper)

нет в наличии, поставок нет
41 0313022

LOCKГайка, Штифт (LOCKNUT, Pin)

нет в наличии, поставок нет
41 3852118

   (последний код) NUT,LOCK

нет в наличии, поставок нет
42 0310540

Шайба, Блокировка задней передачи Штифт (WASHER, Reverse lock pin)

нет в наличии, поставок нет
43 0305650

Шплинт, Соединитель, Блокировка задней передачи & Поворотный кронштейн (COTTER PIN, Link, reverse lock & swivel bracket)

нет в наличии, поставок нет
43 3852052

   (последний код) PIN,COTTER

нет в наличии, поставок нет
44 0398001

REPLACEMENT HANDLE в сборе. (REPLACEMENT HANDLE ASSY.)

нет в наличии, поставок нет
45 0327928

Кронштейн транца, Port (STERN BRACKET, Port)

нет в наличии, поставок нет
45 0392831

   (последний код) STERN-BRKT-C

нет в наличии, поставок нет
46 0433675

Винт струбцины в сборе., Aluminum (CLAMP SCREW ASSY., Aluminum)

нет в наличии, поставок нет
46 0433674

   (последний код) KIT AY,CLAMPSCREW

нет в наличии, поставок нет
46 0391421

Винт струбцины в сборе., St. Steel. Опции (CLAMP SCREW ASSY., St. Steel. Optional)

нет в наличии, поставок нет
46 0389959

   (последний код) CLAMPSCREW

нет в наличии, поставок нет
47 0321922

Винт, Пластина (SCREW, Plate)

нет в наличии, поставок нет
48 0307561

Пластина, Swivel (PLATE, Swivel)

нет в наличии, поставок нет
48 0337017

   (последний код) SWIVEL-PLATE

нет в наличии, поставок нет
49 0327929

STERN BRKT., Stbd. (STERN BRKT., Stbd.)

нет в наличии, поставок нет
49 0392832

   (последний код) STERN-BRKT-C

нет в наличии, поставок нет
51 0318989

Сальник верхней опорыs to exh. hsg. (SEAL, Upper mounts to exh. hsg.)

нет в наличии, поставок нет
51 0340178

   (последний код) SEAL

нет в наличии, поставок нет
52 0397736

FRICTION BLOCK ASSEMBLY (FRICTION BLOCK ASSEMBLY)

нет в наличии, поставок нет
52 0388748

   (последний код) WASHER,SEAL&

нет в наличии, поставок нет
53 0332662

Фрикционный блок, swivel brkt. (BLOCK, Friction, swivel brkt.)

нет в наличии, поставок нет
54 0332663

LINER (LINER)

нет в наличии, поставок нет
56 0582959

Кабели & Стартер Переключатель (CABLE & STARTER SWITCH)

нет в наличии, поставок нет
56 0582065

   (последний код) CABLE&SWITCH AY

нет в наличии, поставок нет
57 0510780

Клемма, Кольцо (TERMINAL, Ring)

нет в наличии, поставок нет
57 3852226

   (последний код) TERMINAL,RIN

нет в наличии, поставок нет
58 0511532

Трубопровод, Стартер Переключатель (TUBING, Starter switch)

нет в наличии, поставок нет
59 0395699

Стартер Переключатель (STARTER SWITCH)

нет в наличии, поставок нет
59 0386457

   (последний код) SWITCH

нет в наличии, поставок нет
60 0334951

BOOT, Переключатель (BOOT, Switch)

нет в наличии, поставок нет
61 0512682

Крышка, Кабель аккумулятора (COVER, Battery cable)

нет в наличии, поставок нет
61 0327638

   (последний код) COVER

нет в наличии, поставок нет
62 0204053

Клемма, Кольцо (TERMINAL, Ring)

нет в наличии, поставок нет
62 3852037

   (последний код) TERMINAL,RIN

нет в наличии, поставок нет
63 0204039

Клемма, Кольцо (TERMINAL, Ring)

нет в наличии, поставок нет
63 3852036

   (последний код) TERMINAL,RIN

нет в наличии, поставок нет
64 0306799

LOCKШайба, Струбцина (LOCKWASHER, Clamp)

нет в наличии, поставок нет
65 0306932

Гайка, Струбцина (NUT, Clamp)

нет в наличии, поставок нет
65 0912072

   (последний код) NUT

нет в наличии, поставок нет
66 0309335

Шайба, Tilt Болт to swivel brkt. (WASHER, Tilt bolt to swivel brkt.)

нет в наличии, поставок нет
67 0333440

Зажим кабеля to stern brkt. (CLAMP, Cable to stern brkt.)

нет в наличии, поставок нет
67 0317775

   (последний код) CLAMP

нет в наличии, поставок нет
68 0308738

Винт зажима (SCREW, Clamp)

нет в наличии, поставок нет
68 0328724

   (последний код) SCREW

нет в наличии, поставок нет
69 0319537

Зажим, Винт to bellКривошип (CLIP, Screw to bellcrank)

нет в наличии, поставок нет
70 0320790

BELLКривошип, Переключающая тяга (BELLCRANK, Shift rod)

нет в наличии, поставок нет
71 0305650

Шплинт, Штифт to bellКривошип (COTTER PIN, Pin to bellcrank)

нет в наличии, поставок нет
71 3852052

   (последний код) PIN,COTTER

нет в наличии, поставок нет
72 0302504

Штифт, BellКривошип to Переключающая тяга (PIN, Bellcrank to shift rod)

нет в наличии, поставок нет
73 0319563

Винт, Рычаг to Вал (SCREW, Lever to shaft)

нет в наличии, поставок нет
74 0311407

Шайба, Рычаг to Вал (WASHER, Lever to shaft)

нет в наличии, поставок нет
75 0318950

Втулка, Рычаг переключения, inner (BUSHING, Shift lever, inner)

нет в наличии, поставок нет
76 0318951

Втулка, Рычаг переключения, outer (BUSHING, Shift lever, outer)

нет в наличии, поставок нет
77 0392878

Рычаг переключения & Вал в сборе. (SHIFT LEVER & SHAFT ASSY.)

нет в наличии, поставок нет
78 0320931

Рычаг переключателя Рычаг to Переключатель lock Соединитель (LEVER, Shift lever to shift lock link)

нет в наличии, поставок нет
78 0319151

   (последний код) LEVER

нет в наличии, поставок нет
79 0308017

Винт, BellКривошип to Рычаг переключения sft. (SCREW, Bellcrank to shift lever sft.)

нет в наличии, поставок нет
80 0584060

Заземление LEAD, Кронштейн to hsg. (GROUND LEAD, Bracket to hsg.)

нет в наличии, поставок нет
80 0586030

   (последний код) LEAD AY,BONDING

нет в наличии, поставок нет
81 0393204

LOCKING Рычаг & Соединитель (LOCKING LEVER & LINK)

нет в наличии, поставок нет
81 0173208

   (последний код) LOCKING-LVR&

нет в наличии, поставок нет
82 0330062

Проставка, Auxiliary motor Кронштейн. Requiкрасный When Using Auxiliary Motor Кронштейн (SPACER, Auxiliary motor bracket. Required When Using Auxiliary Motor Bracket)

нет в наличии, поставок нет
84 0320687

Струбцина, Кабель аккумулятора (CLAMP, Battery cable)

нет в наличии, поставок нет
84 0512623

   (последний код) CLAMP

нет в наличии, поставок нет
85 0313035

Фрикционный винт adjust. swivel brkt. (SCREW, Friction adjust. swivel brkt.)

нет в наличии, поставок нет
86 0551113

Фрикционная пружина adjust. (SPRING, Friction adjust.)

нет в наличии, поставок нет
0432294 0432294

Винт & Гайка в сборе.. Not Shown (SCREW & NUT ASSY.. Not Shown)

нет в наличии, поставок нет
0432294 0313966

   (последний код) SCREW

нет в наличии, поставок нет
87 0334427

Винт, Кронштейн (SCREW, Bracket)

нет в наличии, поставок нет
87 0318512

   (последний код) SCREW

нет в наличии, поставок нет
88 0327969

LOCKГайка (LOCKNUT)

нет в наличии, поставок нет
88 0316854

   (последний код) LOCKNUT

нет в наличии, поставок нет
89 0319055

Штифт тяги to swivel brkt. (PIN, Link to swivel brkt.)

нет в наличии, поставок нет
90 0328701

LOCKШайба, Винт (LOCKWASHER, Screw)

нет в наличии, поставок нет
90 3852182

   (последний код) WASHER,LOCK

нет в наличии, поставок нет
91 0306486

LOCKШайба, Винт (LOCKWASHER, Screw)

нет в наличии, поставок нет
92 0302860

Винт, Кронштейн рулевого управления (SCREW, Steering bracket)

нет в наличии, поставок нет
evinrude

Время выполнения запроса 7.2981069087982 сек.


 
 

данный сайт носит информационный характер и не является публичной офертой

склад запчастей для водомоторной техники