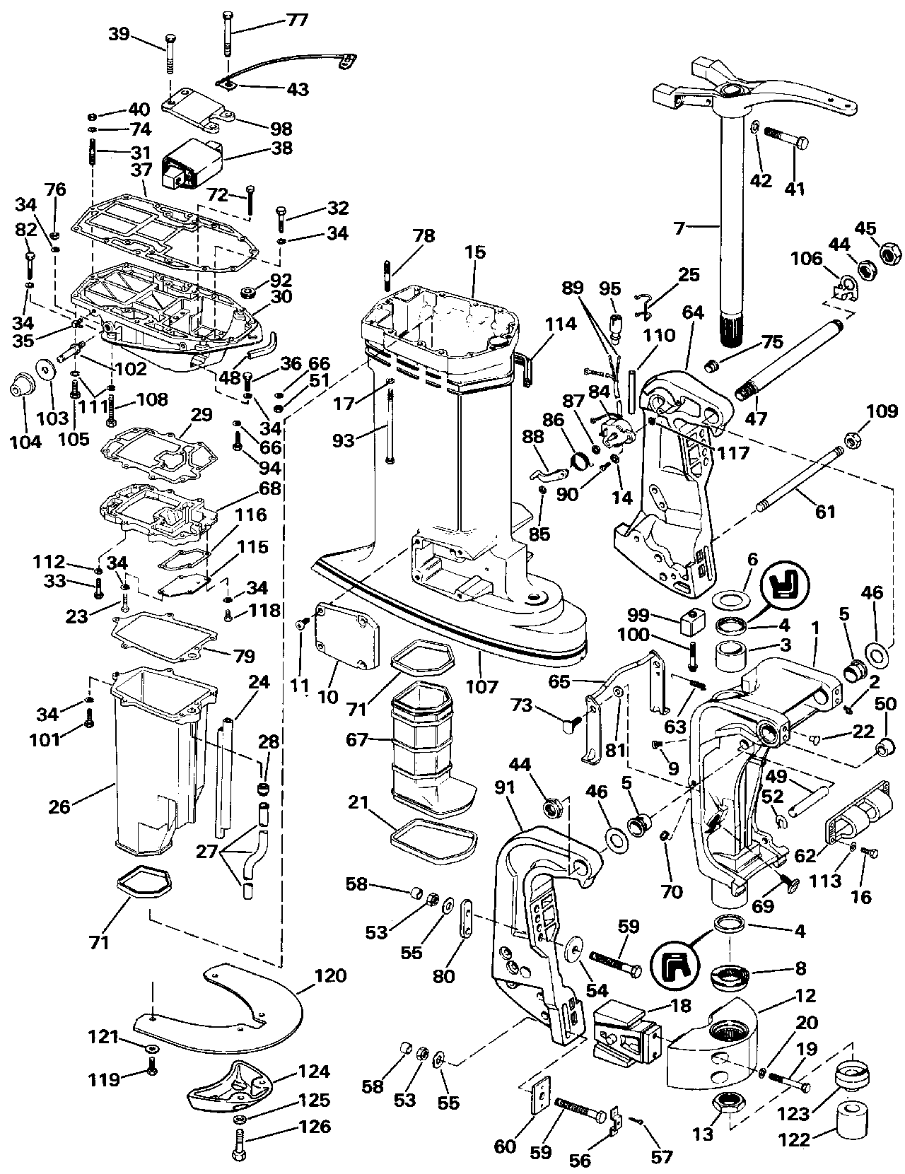
Номер на рисунке | Артикул | Наименование | Кол-во на складе | Цена |
| 1 | 0432709 | Поворотный кронштейн. 20 дюйм Transom Models Only (SWIVEL BRACKET. 20 in. Transom Models Only) | нет в наличии, поставок нет |
| 1 | 0398295 | (последний код) SWIVEL-BRACK | нет в наличии, поставок нет |
| 1 | 0432711 | Поворотный кронштейн. 25 дюйм Transom Models Only (SWIVEL BRACKET. 25 in. Transom Models Only) | нет в наличии, поставок нет |
| 1 | 0398292 | (последний код) SWIVEL-BRKT | нет в наличии, поставок нет |
| 2 | 0313607 | LUBRICATION FITTING (LUBRICATION FITTING) | нет в наличии, поставок нет |
| 2 | 3852121 | (последний код) FITTING,LUB | нет в наличии, поставок нет |
| 3 | 0320962 | Втулка (BUSHING) | нет в наличии, поставок нет |
| 4 | 0320937 | Сальник (SEAL) | нет в наличии, поставок нет |
| 5 | 0321035 | Втулка, Поворотный кронштейн (BUSHING, Swivel bracket) | нет в наличии, поставок нет |
| 6 | 0320866 | THRUST Опорная шайба Вал (THRUST WASHER, Pivot shaft) | нет в наличии, поставок нет |
| 7 | 0392518 | Рулевая система Рычаг в сборе.. 20 дюйм Transom Models Only (STEERING ARM ASSY.. 20 in. Transom Models Only) | нет в наличии, поставок нет |
| 7 | 0983289 | (последний код) STEERING ARM | нет в наличии, поставок нет |
| 7 | 0392519 | Рулевая система Рычаг в сборе.. 25 дюйм Transom Models Only (STEERING ARM ASSY.. 25 in. Transom Models Only) | нет в наличии, поставок нет |
| 7 | 0983437 | (последний код) STRG ARM EXT LG | нет в наличии, поставок нет |
| 8 | 0327696 | KEEPER, Стержень Вал (KEEPER, Pivot shaft) | нет в наличии, поставок нет |
| 9 | 0306014 | Винт, Заземление lead (SCREW, Ground lead) | нет в наличии, поставок нет |
| 10 | 0320864 | Крышка, Монтажный кронштейн Винт (COVER, Mount bracket screw) | нет в наличии, поставок нет |
| 10 | 0338942 | (последний код) COVER,MOUNT-LOWER | нет в наличии, поставок нет |
| 11 | 0322000 | Винт, Крышка (SCREW, Cover) | нет в наличии, поставок нет |
| 12 | 0327051 | Монтажный кронштейн (MOUNT BRACKET) | нет в наличии, поставок нет |
| 12 | 0340006 | (последний код) BRACKET,MOUN | нет в наличии, поставок нет |
| 12 | 0911519 | Монтажный кронштейн, 25" (MOUNT BRACKET, 25") | нет в наличии, поставок нет |
| 12 | 0911188 | (последний код) BRACKET | нет в наличии, поставок нет |
| 13 | 0320746 | Гайка, Монтажный кронштейн (NUT, Mount bracket) | нет в наличии, поставок нет |
| 14 | 0328739 | Шайба, Sending unit Винт (WASHER, Sending unit screw) | нет в наличии, поставок нет |
| 14 | 3852190 | (последний код) WASHER | нет в наличии, поставок нет |
| 15 | 0397861 | Удлинитель корпуса. 20 дюйм Transom Models Only (EXHAUST HOUSING. 20 in. Transom Models Only) | нет в наличии, поставок нет |
| 15 | 0435433 | (последний код) HSG&STUD AY,EXH | нет в наличии, поставок нет |
| 15 | 0397862 | Удлинитель корпуса. 25 дюйм Transom Models Only (EXHAUST HOUSING. 25 in. Transom Models Only) | нет в наличии, поставок нет |
| 15 | 0435103 | (последний код) HOUSING&STUD AY | нет в наличии, поставок нет |
| 16 | 0125544 | Винт, Кронштейн (SCREW, Bracket) | нет в наличии, поставок нет |
| 17 | 0307708 | Шайба, Удлинитель корпуса (WASHER, Exhaust housing) | нет в наличии, поставок нет |
| 17 | 0302865 | (последний код) LOCKWASHER | нет в наличии, поставок нет |
| 18 | 0391710 | RUBBER Крепление нижнее, 185, 225, 200TXC (RUBBER MOUNT, Lower, 185, 225, 200TXC) | нет в наличии, поставок нет |
| 18 | 0434632 | (последний код) RUBBER MOUNT | нет в наличии, поставок нет |
| 18 | 0391774 | RUBBER Крепление нижнее, 200STL only (RUBBER MOUNT, Lower, 200STL only) | нет в наличии, поставок нет |
| 18 | 0434629 | (последний код) RUBBER MOUNT | нет в наличии, поставок нет |
| 19 | 0328078 | Винт, Крепление (SCREW, Mount) | нет в наличии, поставок нет |
| 19 | 0327052 | (последний код) SCREW | нет в наличии, поставок нет |
| 20 | 0306314 | LOCKШайба, Крепление (LOCKWASHER, Mount) | нет в наличии, поставок нет |
| 21 | 0320961 | Сальник, Редуктор to Внутренности машинки газ-реверс (SEAL, Gearcase to inner housing) | нет в наличии, поставок нет |
| 22 | 0334076 | Заглушка, Поворотный кронштейн (PLUG, Swivel bracket) | нет в наличии, поставок нет |
| 23 | 0333165 | Винт, Крышка, long (SCREW, Cover, long) | нет в наличии, поставок нет |
| 23 | 0338306 | (последний код) SCREW | нет в наличии, поставок нет |
| 24 | 0334118 | Сальник, Выхлоп hsg., front (SEAL, Exhaust hsg., front) | нет в наличии, поставок нет |
| 25 | 0512741 | Фиксатор, Sending unit (RETAINER, Sending unit) | нет в наличии, поставок нет |
| 26 | 0334112 | Удлинитель корпуса, Inner, верхний (EXHAUST HOUSING, Inner,upper) | нет в наличии, поставок нет |
| 26 | 0338598 | (последний код) EXH.HOUSING | нет в наличии, поставок нет |
| 27 | 0321016 | Водяная трубка. 20 дюйм Transom Models Only (WATER TUBE. 20 in. Transom Models Only) | нет в наличии, поставок нет |
| 27 | 0346897 | (последний код) TUBE,WATER 20" | нет в наличии, поставок нет |
| 27 | 0321015 | Водяная трубка. 25 дюйм Transom Models Only (WATER TUBE. 25 in. Transom Models Only) | нет в наличии, поставок нет |
| 27 | 0346898 | (последний код) TUBE,WATER 25" | нет в наличии, поставок нет |
| 28 | 0305145 | Пыльник водяной трубки (GROMMET, Water tube) | нет в наличии, поставок нет |
| 29 | 0333566 | Прокладка, Пластина to adapter (GASKET, Plate to adapter) | нет в наличии, поставок нет |
| 29 | 0343809 | (последний код) GASKET | нет в наличии, поставок нет |
| 30 | 0398779 | ADAPTER, Exh. hsg (ADAPTER, Exh. hsg) | нет в наличии, поставок нет |
| 31 | 0314616 | Шпилька, Adapter (STUD, Adapter) | нет в наличии, поставок нет |
| 31 | 0324811 | (последний код) STUD-CYL | нет в наличии, поставок нет |
| 32 | 0303459 | Винт, Adapter to Внутренности машинки газ-реверс (SCREW, Adapter to inner housing) | нет в наличии, поставок нет |
| 32 | 3852048 | (последний код) SCREW | нет в наличии, поставок нет |
| 33 | 0312978 | Винт, Пластина to adapter (SCREW, Plate to adapter) | нет в наличии, поставок нет |
| 33 | 0320289 | (последний код) SCREW | нет в наличии, поставок нет |
| 34 | 0302290 | LOCKШайба (LOCKWASHER) | нет в наличии, поставок нет |
| 34 | 0338307 | (последний код) WASHER,LOCK | нет в наличии, поставок нет |
| 35 | 0321886 | ELBOW, не power Рулевая система (ELBOW, Non power steering) | нет в наличии, поставок нет |
| 35 | 0321686 | (последний код) ELBOW | нет в наличии, поставок нет |
| 36 | 0306409 | Винт, Adapter to Корпус, outer (SCREW, Adapter to housing, outer) | нет в наличии, поставок нет |
| 37 | 0333879 | Прокладка, Adapter to powerhead (GASKET, Adapter to powerhead) | нет в наличии, поставок нет |
| 37 | 0331214 | (последний код) GASKET | нет в наличии, поставок нет |
| 38 | 0395539 | Монтажная резинка в сборе., верхний (RUBBER MOUNT ASSY., Upper) | нет в наличии, поставок нет |
| 39 | 0330930 | Винт, верхний Крепление (SCREW, Upper mount) | нет в наличии, поставок нет |
| 39 | 0335021 | (последний код) SCREW 3/8-16 | нет в наличии, поставок нет |
| 40 | 0306422 | Гайка, Картер двигателя to adapter (NUT, Crankcase to adapter) | нет в наличии, поставок нет |
| 41 | 0912345 | Винт, верхний Крепление (SCREW, upper mount) | нет в наличии, поставок нет |
| 42 | 0313169 | LOCKШайба, Крепление Винт (LOCKWASHER, Mount screw) | нет в наличии, поставок нет |
| 43 | 0583967 | LEAD в сборе., Заземление (LEAD ASSY., Ground) | нет в наличии, поставок нет |
| 43 | 0583357 | (последний код) LEAD-AY | нет в наличии, поставок нет |
| 44 | 0335554 | Гайка, Tilt Трубка (NUT, Tilt tube) | нет в наличии, поставок нет |
| 45 | 0322376 | WIPER Гайка, Tilt Трубка to Кабели. Recommended to prevent corrosion in salt water usage. (WIPER NUT, Tilt tube to cable. Recommended to prevent corrosion in salt water usage.) | нет в наличии, поставок нет |
| 46 | 0327699 | Упорная шайба, Кронштейн транца (THRUST WASHER, Stern bracket) | нет в наличии, поставок нет |
| 46 | 0910992 | (последний код) THRUST WASHER | нет в наличии, поставок нет |
| 47 | 0335553 | TILT Трубка (TILT TUBE) | нет в наличии, поставок нет |
| 48 | 0333434 | Сальник, Крышка to adapter (SEAL, Cover to adapter) | нет в наличии, поставок нет |
| 48 | 0328589 | (последний код) SEAL | нет в наличии, поставок нет |
| 49 | 0331038 | Штифт, Цилиндр наклона (PIN, Tilt cylinder) | нет в наличии, поставок нет |
| 50 | 0331010 | Втулка, Цилиндр наклона (BUSHING, Tilt cylinder) | нет в наличии, поставок нет |
| 51 | 0306422 | Гайка, Powerhead to adapter (NUT, Powerhead to adapter) | нет в наличии, поставок нет |
| 52 | 0331029 | Пружина Зажим (SPRING CLIP) | нет в наличии, поставок нет |
| 53 | 0313623 | Гайка, Кронштейн транца Винт (NUT, Stern bracket screw) | нет в наличии, поставок нет |
| 53 | 0321861 | (последний код) NUT | нет в наличии, поставок нет |
| 54 | 0307238 | Шайба, Гайка (WASHER, Nut) | нет в наличии, поставок нет |
| 55 | 0320248 | Шайба (WASHER) | нет в наличии, поставок нет |
| 55 | 0312910 | (последний код) WASHER | нет в наличии, поставок нет |
| 56 | 0318273 | Фиксатор (RETAINER) | нет в наличии, поставок нет |
| 57 | 0319886 | Винт (SCREW) | нет в наличии, поставок нет |
| 58 | 0318572 | Монтажная крышка Винт (CAP, Mounting screw) | нет в наличии, поставок нет |
| 59 | 0327053 | Винт, Brkt. to transom, 3 in (SCREW, Brkt. to transom, 3 in) | нет в наличии, поставок нет |
| 59 | 0326614 | Винт, Brkt. to transom, 4 1 / 2 дюйм (SCREW, Brkt. to transom, 4 1/2 in.) | нет в наличии, поставок нет |
| 59 | 0336676 | (последний код) 4 3/4" TRNSM BOLT | нет в наличии, поставок нет |
| 59 | 0321577 | Винт, Brkt. to transom, 6 дюйм (SCREW, Brkt. to transom, 6 in.) | нет в наличии, поставок нет |
| 60 | 0318272 | Пластина (PLATE) | нет в наличии, поставок нет |
| 61 | 0329417 | Упорный стержень в сборе. (THRUST ROD ASSY.) | нет в наличии, поставок нет |
| 62 | 0125543 | Кронштейн рулевого управления Трубка (BRACKET, Steering tube) | нет в наличии, поставок нет |
| 63 | 0323142 | Пружина, Trail lock (SPRING, Trail lock) | нет в наличии, поставок нет |
| 63 | 0322394 | (последний код) SPRING | нет в наличии, поставок нет |
| 64 | 0329712 | STERN BRKT., в сборе., Port (STERN BRKT., ASSY., Port) | нет в наличии, поставок нет |
| 65 | 0390442 | LOCKING Рычаг, Тяга (LOCKING LEVER, Rod) | нет в наличии, поставок нет |
| 65 | 5004427 | (последний код) LEVER&ROD AY | нет в наличии, поставок нет |
| 66 | 0306470 | Шайба, Powerhead to adapter (WASHER, Powerhead to adapter) | нет в наличии, поставок нет |
| 66 | 3852061 | (последний код) LOCKWASHER | нет в наличии, поставок нет |
| 67 | 0320838 | Выхлоп HSG., Inner, нижний 20 дюйм Transom Models Only (EXHAUST HSG., Inner, lower. 20 in. Transom Models Only) | нет в наличии, поставок нет |
| 67 | 0327796 | (последний код) EXHAUST HSG, INNER | нет в наличии, поставок нет |
| 67 | 0320839 | Выхлоп HSG., Inner, нижний 25 дюйм Transom Models Only (EXHAUST HSG., Inner, lower. 25 in. Transom Models Only) | нет в наличии, поставок нет |
| 67 | 0327797 | (последний код) EXHAUST HSG | нет в наличии, поставок нет |
| 68 | 0333563 | WATER Пластина (WATER PLATE) | нет в наличии, поставок нет |
| 68 | 0347251 | (последний код) PLATE,WATER | нет в наличии, поставок нет |
| 69 | 0321499 | THRUST PAD (THRUST PAD) | нет в наличии, поставок нет |
| 69 | 0320816 | (последний код) -THRUST-PAD | нет в наличии, поставок нет |
| 70 | 0552938 | LOCKГайка, Thrust pad (LOCKNUT, Thrust pad) | нет в наличии, поставок нет |
| 70 | 0306319 | (последний код) NUT | нет в наличии, поставок нет |
| 71 | 0320936 | Сальник, Удлинитель корпуса (SEAL, Exhaust housing) | нет в наличии, поставок нет |
| 72 | 0312495 | Винт, Adapter to Пластина (SCREW, Adapter to plate) | нет в наличии, поставок нет |
| 73 | 0329109 | SHOULDER Винт (SHOULDER SCREW) | нет в наличии, поставок нет |
| 73 | 0321389 | (последний код) HH-SHOULDER | нет в наличии, поставок нет |
| 74 | 0306470 | LOCKШайба, Картер двигателя to adapter (LOCKWASHER, Crankcase to adapter) | нет в наличии, поставок нет |
| 74 | 3852061 | (последний код) LOCKWASHER | нет в наличии, поставок нет |
| 75 | 0321243 | Втулка, Кронштейн транца (BUSHING, Stern bracket) | нет в наличии, поставок нет |
| 76 | 0328742 | Гайка, Adapter to outer hsg (NUT, Adapter to outer hsg) | нет в наличии, поставок нет |
| 76 | 0308133 | (последний код) NUT | нет в наличии, поставок нет |
| 77 | 0330931 | Винт, верхний Крепление (SCREW, Upper mount) | нет в наличии, поставок нет |
| 77 | 0121250 | (последний код) SCREW | нет в наличии, поставок нет |
| 78 | 0314956 | Шпилька, Выхлоп hsg (STUD, Exhaust hsg) | нет в наличии, поставок нет |
| 79 | 0334113 | Прокладка, Inner exh. hsg. to megaphone (GASKET, Inner exh. hsg. to megaphone) | нет в наличии, поставок нет |
| 80 | 0321735 | SвышеPORT, Кронштейн транца (SUPPORT, Stern bracket) | нет в наличии, поставок нет |
| 81 | 0552993 | Шайба, Винт to Кронштейн (WASHER, Screw to bracket) | нет в наличии, поставок нет |
| 81 | 0330266 | (последний код) WASHER | нет в наличии, поставок нет |
| 82 | 0303398 | Винт, Adapter to outer hsg (SCREW, Adapter to outer hsg) | нет в наличии, поставок нет |
| 82 | 0330119 | (последний код) SCREW | нет в наличии, поставок нет |
| 84 | 0583359 | SENDING UNIT в сборе. (SENDING UNIT ASSY.) | нет в наличии, поставок нет |
| 84 | 0583132 | (последний код) SENDING-UNIT | нет в наличии, поставок нет |
| 84 | 0511527 | Фиксатор (RETAINER) | нет в наличии, поставок нет |
| 84 | 3852232 | (последний код) RETAINER | нет в наличии, поставок нет |
| 86 | 0511528 | Пружина (SPRING) | нет в наличии, поставок нет |
| 87 | 0320689 | Гайка (NUT) | нет в наличии, поставок нет |
| 87 | 3852164 | (последний код) NUT | нет в наличии, поставок нет |
| 88 | 0512211 | Рычаг (ARM) | нет в наличии, поставок нет |
| 88 | 0511530 | (последний код) ARM-SENDING | нет в наличии, поставок нет |
| 89 | 0511469 | Штифт, Sending unit (PIN, Sending unit) | нет в наличии, поставок нет |
| 89 | 3852229 | (последний код) TERMINAL,PIN | нет в наличии, поставок нет |
| 90 | 0308825 | Винт, Sending unit to Кронштейн (SCREW, Sending unit to bracket) | нет в наличии, поставок нет |
| 90 | 3852081 | (последний код) SCREW | нет в наличии, поставок нет |
| 91 | 0329713 | Кронштейн транца, Starboard (STERN BRACKET, Starboard) | нет в наличии, поставок нет |
| 92 | 0329748 | Сальник, Переключающая тяга (SEAL, Shift rod) | нет в наличии, поставок нет |
| 93 | 0332128 | Винт, Удлинитель корпуса (SCREW, Exhaust housing) | нет в наличии, поставок нет |
| 94 | 0302860 | Анод, Удлинитель корпуса (ANODE, Exhaust housing) | нет в наличии, поставок нет |
| 95 | 0512746 | Коннектор, Sending unit (CONNECTOR, Sending unit) | нет в наличии, поставок нет |
| 96 | 0392123 | Анод, Удлинитель корпуса (ANODE, Exhaust housing) | нет в наличии, поставок нет |
| 97 | 0328049 | Винт, Анод (SCREW, Anode) | нет в наличии, поставок нет |
| 98 | 0330929 | Пластина верхней опоры (PLATE, Upper mount) | нет в наличии, поставок нет |
| 99 | 0433458 | Анод, Кронштейн транца (ANODE, Stern bracket) | нет в наличии, поставок нет |
| 99 | 0398331 | (последний код) ANODE & INSERT AY | нет в наличии, поставок нет |
| 100 | 0333350 | Винт, Анод to Кронштейн транца (SCREW, Anode to stern bracket) | нет в наличии, поставок нет |
| 101 | 0303459 | Винт, Inner hsg. to adapter (SCREW, Inner hsg. to adapter) | нет в наличии, поставок нет |
| 101 | 3852048 | (последний код) SCREW | нет в наличии, поставок нет |
| 102 | 0329743 | Шпилька, Крышка Крепление (STUD, Cover mount) | нет в наличии, поставок нет |
| 103 | 0329749 | Шайба, Крепление (WASHER, Mount) | нет в наличии, поставок нет |
| 103 | 0349556 | (последний код) WASHER | нет в наличии, поставок нет |
| 104 | 0328584 | Крепление, Крышка двигателя (капот) (MOUNT, Engine cover) | нет в наличии, поставок нет |
| 104 | 0349557 | (последний код) MOUNT | нет в наличии, поставок нет |
| 105 | 0306835 | Винт, Цилиндр to adapter, rear (SCREW, Cylinder to adapter, rear) | нет в наличии, поставок нет |
| 105 | 3736035 | (последний код) BOLT | нет в наличии, поставок нет |
| 106 | 0327264 | Зажим кабеля (CLAMP, Cable) | нет в наличии, поставок нет |
| 106 | 0352105 | (последний код) CLAMP | нет в наличии, поставок нет |
| 107 | 0211388 | Наклейка, Exh. hsg., Ev (DECAL, Exh. hsg., Ev) | нет в наличии, поставок нет |
| 107 | 0332731 | Наклейка, Exh. hsg., Jo (DECAL, Exh. hsg., Jo) | нет в наличии, поставок нет |
| 107 | 0333960 | Наклейка, Exh. hsg., 185 (DECAL, Exh. hsg., 185) | нет в наличии, поставок нет |
| 108 | 0311416 | Винт, Adapter to Цилиндр (SCREW, Adapter to cylinder) | нет в наличии, поставок нет |
| 109 | 0329742 | Винт, Adapter to Цилиндр (SCREW, Adapter to cylinder) | нет в наличии, поставок нет |
| 110 | 0512790 | Гильза, Sending unit (SLEEVE, Sending unit) | нет в наличии, поставок нет |
| 111 | 0302290 | LOCKШайба, Cyl. to adapter (LOCKWASHER, Cyl. to adapter) | нет в наличии, поставок нет |
| 111 | 0338307 | (последний код) WASHER,LOCK | нет в наличии, поставок нет |
| 112 | 0302290 | LOCKШайба пластины to adapter (LOCKWASHER, Plate to adapter) | нет в наличии, поставок нет |
| 112 | 0338307 | (последний код) WASHER,LOCK | нет в наличии, поставок нет |
| 113 | 0125545 | Шайба (WASHER) | нет в наличии, поставок нет |
| 113 | 0552783 | (последний код) WASHER | нет в наличии, поставок нет |
| 114 | 0398200 | Сальник в сборе., Выхлоп hsg. (SEAL ASSY., Exhaust hsg.) | нет в наличии, поставок нет |
| 115 | 0333565 | Крышка, Water Пластина (COVER, Water plate) | нет в наличии, поставок нет |
| 116 | 0333564 | Прокладка крышки to water Пластина (GASKET, Cover to water plate) | нет в наличии, поставок нет |
| 117 | 0303701 | Шайба, Заземление lead (WASHER, Ground lead) | нет в наличии, поставок нет |
| 118 | 0124341 | Винт, Крышка, short (SCREW, Cover, short) | нет в наличии, поставок нет |
| 118 | 0338305 | (последний код) SCREW | нет в наличии, поставок нет |
| 119 | 0910741 | Винт, Spray Пластина. 25 дюйм Transom Models Only (SCREW, Spray plate. 25 in. Transom Models Only) | нет в наличии, поставок нет |
| 119 | 0313023 | (последний код) SCREW | нет в наличии, поставок нет |
| 120 | 0334979 | SPRAY Пластина. 25 дюйм Transom Models Only (SPRAY PLATE. 25 in. Transom Models Only) | нет в наличии, поставок нет |
| 120 | 0345776 | (последний код) DEFLECTOR,SPRAY | нет в наличии, поставок нет |
| 121 | 0911201 | Шайба, Spray Пластина. 25 дюйм Transom Models Only (WASHER, Spray plate. 25 in. Transom Models Only) | нет в наличии, поставок нет |
| 122 | 0911312 | Сальник, Рулевая система Трубка. 25 дюйм Transom Models Only (SEAL, Steering tube. 25 in. Transom Models Only) | нет в наличии, поставок нет |
| 123 | 0912233 | Фиксатор, Стержень Вал Сальник. 25 дюйм Transom Models Only (RETAINER, Pivot shaft seal. 25 in. Transom Models Only) | нет в наличии, поставок нет |
| 124 | 0913262 | SPRAY DEFLECTOR. 25 дюйм Transom Models Only (SPRAY DEFLECTOR. 25 in. Transom Models Only) | нет в наличии, поставок нет |
| 124 | 0345776 | (последний код) DEFLECTOR,SPRAY | нет в наличии, поставок нет |
| 125 | 0301250 | Шайба, Spray deflector. 25 дюйм Transom Models Only (WASHER, Spray deflector. 25 in. Transom Models Only) | нет в наличии, поставок нет |
| 125 | 0911009 | (последний код) WASHER | нет в наличии, поставок нет |
| 126 | 0910736 | Винт, Пластина & deflector. 25 дюйм Transom Models Only (SCREW, Plate & deflector. 25 in. Transom Models Only) | нет в наличии, поставок нет |