вконтакте

Контактный телефон: +7 (981) 121-46-93, +7 (800) 200-90-76 , Email: parts-katalog@yandex.ru, где купить

 
 

  Логин:

Пароль:

Регистрация

www.partskatalog.ru Все каталоги Запчасти Mercury Запчасти Suzuki Запчасти Tohatsu Запчасти Honda Контакты


Все разделы каталога запчастей на этот двигатель

назад Раздел:   вперёд

вернуться к списку узлов и деталей

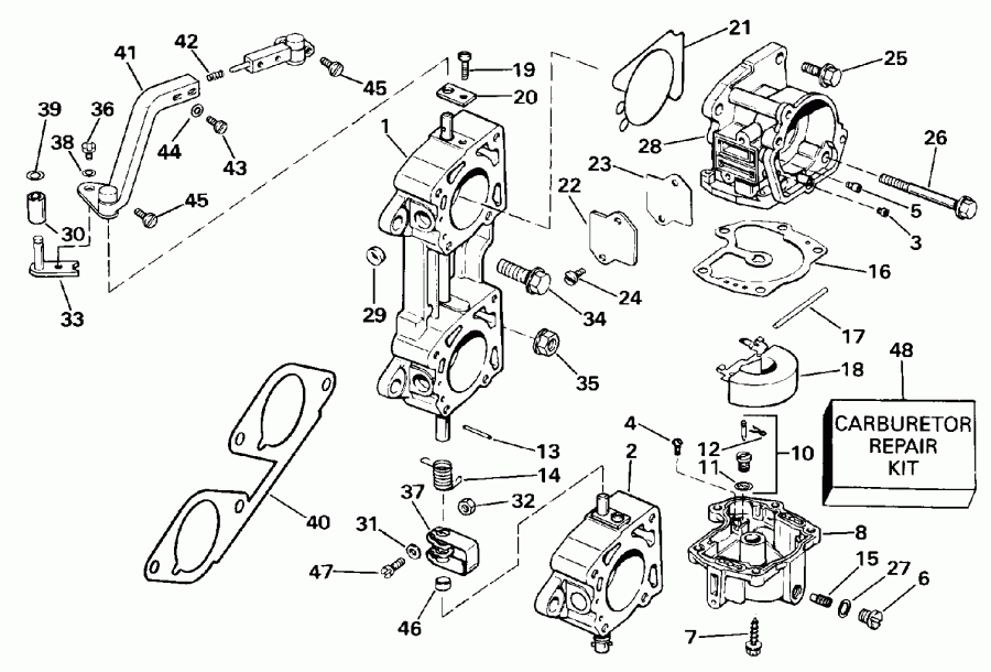
ДЕТАЛИРОВКА ДЛЯ МОДЕЛИ: EVINRUDE VE225PLESS 1990

КАРБЮРАТОР И ПОДЪЕМНЫЙ МЕХАНИЗМ-LATE PТЯГАUCTION | CARBURETOR AND LINKAGE-LATE PRODUCTION;


Мотор EVINRUDE VE225PLESS 1990  - ate PТягаuction

Номер на
рисунке
АртикулНаименованиеКол-во
на складе
Цена
0433562 0433562

CARB в сборе., верхний , 185, 200STL, 225. Not Shown Refer to Part Number Stamped on Боковая крышка Пластина When Replacing Внутренние части. (CARB ASSY., Upper, 185, 200STL, 225. Not Shown Refer to Part Number Stamped on Side Cover Plate When Replacing Internal Parts.)

нет в наличии, поставок нет
0433562 0398366

   (последний код) CARBURETOR AY

нет в наличии, поставок нет
0433563 0433563

CARB в сборе., нижний , 185, 200STL, 225. Not Shown Refer to Part Number Stamped on Боковая крышка Пластина When Replacing Внутренние части. (CARB ASSY., Lower, 185, 200STL, 225. Not Shown Refer to Part Number Stamped on Side Cover Plate When Replacing Internal Parts.)

нет в наличии, поставок нет
0433563 0398365

   (последний код) CARBURETOR AY

нет в наличии, поставок нет
0398360 0398360

CARB в сборе., верхний , 200TX, CX. Not Shown Refer to Part Number Stamped on Боковая крышка Пластина When Replacing Внутренние части. (CARB ASSY., Upper, 200TX, CX. Not Shown Refer to Part Number Stamped on Side Cover Plate When Replacing Internal Parts.)

нет в наличии, поставок нет
0398359 0398359

CARB в сборе., нижний , 200TX, CX. Not Shown Refer to Part Number Stamped on Боковая крышка Пластина When Replacing Внутренние части. (CARB ASSY., Lower, 200TX, CX. Not Shown Refer to Part Number Stamped on Side Cover Plate When Replacing Internal Parts.)

нет в наличии, поставок нет
1 0398378

Дроссель Верхний корпус, 200TX, CC (THROTTLE BODY, Upper, 200TX, CC)

нет в наличии, поставок нет
1 0433904

Дроссель Верхний корпус, 185, 200STL, 225 (THROTTLE BODY, Upper,. 185, 200STL, 225)

нет в наличии, поставок нет
2 0433905

Дроссель Нижний корпуса, 185, 200STL, 225 (THROTTLE BODY, Lower, 185, 200STL, 225)

нет в наличии, поставок нет
2 0398379

Дроссель Нижний корпуса, 185, 200TX, CX (THROTTLE BODY, Lower, 185, 200TX, CX)

нет в наличии, поставок нет
3 0325829

ORIFICE, #42, 200TX, CX (ORIFICE, #42, 200TX, CX)

нет в наличии, поставок нет
3 0323703

ORIFICE, Idle air bleed, #36, 185, 200STL, 225 (ORIFICE, Idle air bleed, #36, 185, 200STL, 225)

нет в наличии, поставок нет
4 0326164

Винт, Hinge Штифт (SCREW, Hinge pin)

нет в наличии, поставок нет
5 0327342

ORIFICE, #46, 200TX, CX (ORIFICE, #46, 200TX, CX)

нет в наличии, поставок нет
5 0327342

ORIFICE, #46, 185, 200STL, 225 (ORIFICE, #46, 185, 200STL, 225)

нет в наличии, поставок нет
6 0327116

Винт заглушки (SCREW, Plug)

нет в наличии, поставок нет
7 0328649

Винт, Bowl to Корпус (SCREW, Bowl to body)

нет в наличии, поставок нет
7 0337541

   (последний код) SCREW

нет в наличии, поставок нет
8 0398701

Поплавковая камера в сборе. (FLOAT CHAMBER ASSY.)

нет в наличии, поставок нет
8 0391733

   (последний код) FLOAT CHAMBER

нет в наличии, поставок нет
10 0396522

Клапан поплавка в сборе.. Also Available in Ремкомплект карбюратора #398558 (FLOAT VALVE ASSY.. Also Available in Carburetor Repair Kit #398558)

нет в наличии, поставок нет
10 0382889

   (последний код) FLOAT-VALVE

нет в наличии, поставок нет
11 0301996

Шайба (WASHER)

1 шт140 руб.
12 0603145

Пружина Зажим (SPRING CLIP)

нет в наличии, поставок нет
12 0336842

   (последний код) CLIP,SPRING

нет в наличии, поставок нет
13 0303261

ROLL Штифт, Возвратная пружина (ROLL PIN, Return spring)

нет в наличии, поставок нет
14 0332254

Пружина, Дроссель return (SPRING, Throttle return)

нет в наличии, поставок нет
14 0328643

   (последний код) SPRING

нет в наличии, поставок нет
15 0331433

ORIFICE, High speed, #62D, 185, 200STL, TX, CX, & 225 (ORIFICE, High speed, #62D, 185, 200STL, TX, CX, & 225)

нет в наличии, поставок нет
16 0326830

Прокладка, Поплавок bowl. Also Available in Ремкомплект карбюратора #398558 (GASKET, Float bowl. Also Available in Carburetor Repair Kit #398558)

нет в наличии, поставок нет
16 0338813

   (последний код) GASKET, FLOAT BWL

нет в наличии, поставок нет
17 0326865

Стопор поплавка (PIN, Float)

нет в наличии, поставок нет
18 0391508

Поплавок в сборе.. Also Available in Ремкомплект карбюратора #398558 (FLOAT ASSY.. Also Available in Carburetor Repair Kit #398558)

нет в наличии, поставок нет
19 0328714

Винт, Вал (SCREW, Shaft)

нет в наличии, поставок нет
19 0204027

   (последний код) SCREW

нет в наличии, поставок нет
20 0328765

Зажим (CLIP)

нет в наличии, поставок нет
21 0328650

Сальник, Carb. Корпус, 200TX, CX. Also Available in Ремкомплект карбюратора #398558 (SEAL, Carb. body, 200TX, CX. Also Available in Carburetor Repair Kit #398558)

нет в наличии, поставок нет
21 0332253

Сальник, Carb. Корпус, 185, 200STL, 225. Also Available in Ремкомплект карбюратора #398558 (SEAL, Carb. body, 185, 200STL, 225. Also Available in Carburetor Repair Kit #398558)

нет в наличии, поставок нет
22 0328640

Крышка Пластина (COVER PLATE)

нет в наличии, поставок нет
23 0327223

Прокладка крышки Пластина. Also Available in Ремкомплект карбюратора #398558 (GASKET, Cover plate. Also Available in Carburetor Repair Kit #398558)

нет в наличии, поставок нет
23 0328641

   (последний код) GASKET

нет в наличии, поставок нет
24 0315656

Винт, Крышка Пластина (SCREW, Cover plate)

нет в наличии, поставок нет
25 0335687

Винт, Carb. Корпус, short (SCREW, Carb. body, short)

нет в наличии, поставок нет
25 3852213

   (последний код) SCREW

нет в наличии, поставок нет
26 0335223

Винт, Carb. Корпус. long (SCREW, Carb. body. long)

нет в наличии, поставок нет
27 0305739

Уплотнительное кольцо, Сливной винт. Also Available in Ремкомплект карбюратора #398558 (O-RING, Screw plug. Also Available in Carburetor Repair Kit #398558)

нет в наличии, поставок нет
27 0900224

   (последний код) O RING

нет в наличии, поставок нет
28 0433906

CARB Корпус, 185, 200STL, 225 (CARB BODY, 185, 200STL, 225)

нет в наличии, поставок нет
28 0432510

CARB Корпус, 200TX, CX (CARB BODY, 200TX, CX)

нет в наличии, поставок нет
29 0202310

CORE Заглушка (CORE PLUG)

нет в наличии, поставок нет
30 0432639

Ролик колпачка folнижний (ROLLER, Cam follower)

нет в наличии, поставок нет
31 0332609

Шайба, Коннектор (WASHER, Connector)

нет в наличии, поставок нет
31 0340806

   (последний код) WASHER

нет в наличии, поставок нет
32 0309485

Гайка, Коннектор Винт (NUT, Connector screw)

нет в наличии, поставок нет
32 0132520

   (последний код) NUT

нет в наличии, поставок нет
33 0432640

Рычаг & Штифт, Cam folнижний (LEVER & PIN, Cam follower)

нет в наличии, поставок нет
34 0317624

Винт, Carb. to Коллектор (SCREW, Carb. to manifold)

нет в наличии, поставок нет
35 0316355

Гайка, Carb. Креплениеing (NUT, Carb. mounting)

нет в наличии, поставок нет
35 3852142

   (последний код) NUT

нет в наличии, поставок нет
36 0335739

Винт, Рычаг (SCREW, Lever)

нет в наличии, поставок нет
37 0327071

Коннектор, Вал дросселя (CONNECTOR, Throttle shaft)

нет в наличии, поставок нет
37 5000533

   (последний код) CONNECTOR AY

нет в наличии, поставок нет
38 0328735

Шайба, Рычаг (WASHER, Lever)

нет в наличии, поставок нет
38 3852188

   (последний код) WASHER

нет в наличии, поставок нет
39 0324678

Фиксатор, Ролик (RETAINER, Roller)

нет в наличии, поставок нет
40 0332319

Прокладка карбюратора Креплениеing (GASKET, Carburetor mounting)

нет в наличии, поставок нет
40 0326838

   (последний код) GASKET

нет в наличии, поставок нет
41 0432773

Соединитель, Карбюратор (LINK, Carburetor)

нет в наличии, поставок нет
41 0435908

   (последний код) LINK,THOTTLE

нет в наличии, поставок нет
42 0334822

Пружина, Соединитель adjustment (SPRING, Link adjustment)

нет в наличии, поставок нет
43 0328649

Винт, Adjustment (SCREW, Adjustment)

нет в наличии, поставок нет
43 0337541

   (последний код) SCREW

нет в наличии, поставок нет
44 0335753

Шайба, Adjustment (WASHER, Adjustment)

нет в наличии, поставок нет
44 0334823

   (последний код) WASHER

нет в наличии, поставок нет
45 0319108

Винт дросселя Рычаг (SCREW, Throttle lever)

нет в наличии, поставок нет
45 0311512

   (последний код) SCREW

нет в наличии, поставок нет
46 0317162

Гильза, нижний Вал дросселя (SLEEVE, Lower throttle shaft)

нет в наличии, поставок нет
47 0332111

Винт дросселя Вал (SCREW, Throttle shaft)

нет в наличии, поставок нет
47 0330386

   (последний код) SCREW

нет в наличии, поставок нет
48 0398557

CARB. Ремонтный комплект, 185, 200STL, 225 (CARB. REPAIR KIT, 185, 200STL, 225)

нет в наличии, поставок нет
48 0439079

   (последний код) KIT AY,CARB REPAIR

нет в наличии, поставок нет
48 0398558

CARB. Ремонтный комплект, 200TX, CX (CARB. REPAIR KIT, 200TX, CX)

нет в наличии, поставок нет
48 0439078

   (последний код) KIT AY,CARB REPAIR

нет в наличии, поставок нет
evinrude

Время выполнения запроса 2.0712509155273 сек.


 
 

данный сайт носит информационный характер и не является публичной офертой

склад запчастей для водомоторной техники