вконтакте

Контактный телефон: +7 (981) 121-46-93, +7 (800) 200-90-76 , Email: parts-katalog@yandex.ru, где купить

 
 

  Логин:

Пароль:

Регистрация

www.partskatalog.ru Все каталоги Запчасти Mercury Запчасти Suzuki Запчасти Tohatsu Запчасти Honda Контакты



УВАЖАЕМЫЕ КЛИЕНТЫ!
C 19 ДЕКАБРЯ 2025 ПО 02 МАРТА 2026 ГОДА ОТДЕЛ ЗАПЧАСТЕЙ И СЕРВИС РАБОТАТЬ НЕ БУДУТ
ПРОДАЖА ЛОДОЧНЫХ МОТОРОВ В ШТАТНОМ РЕЖИМЕ
ОБ ИЗМЕНЕНИЯХ В ГРАФИКЕ РАБОТЫ ЧИТАЙТЕ НА САЙТА




Все разделы каталога запчастей на этот двигатель

назад Раздел:   вперёд

вернуться к списку узлов и деталей

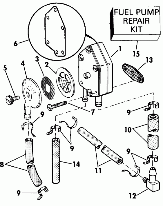
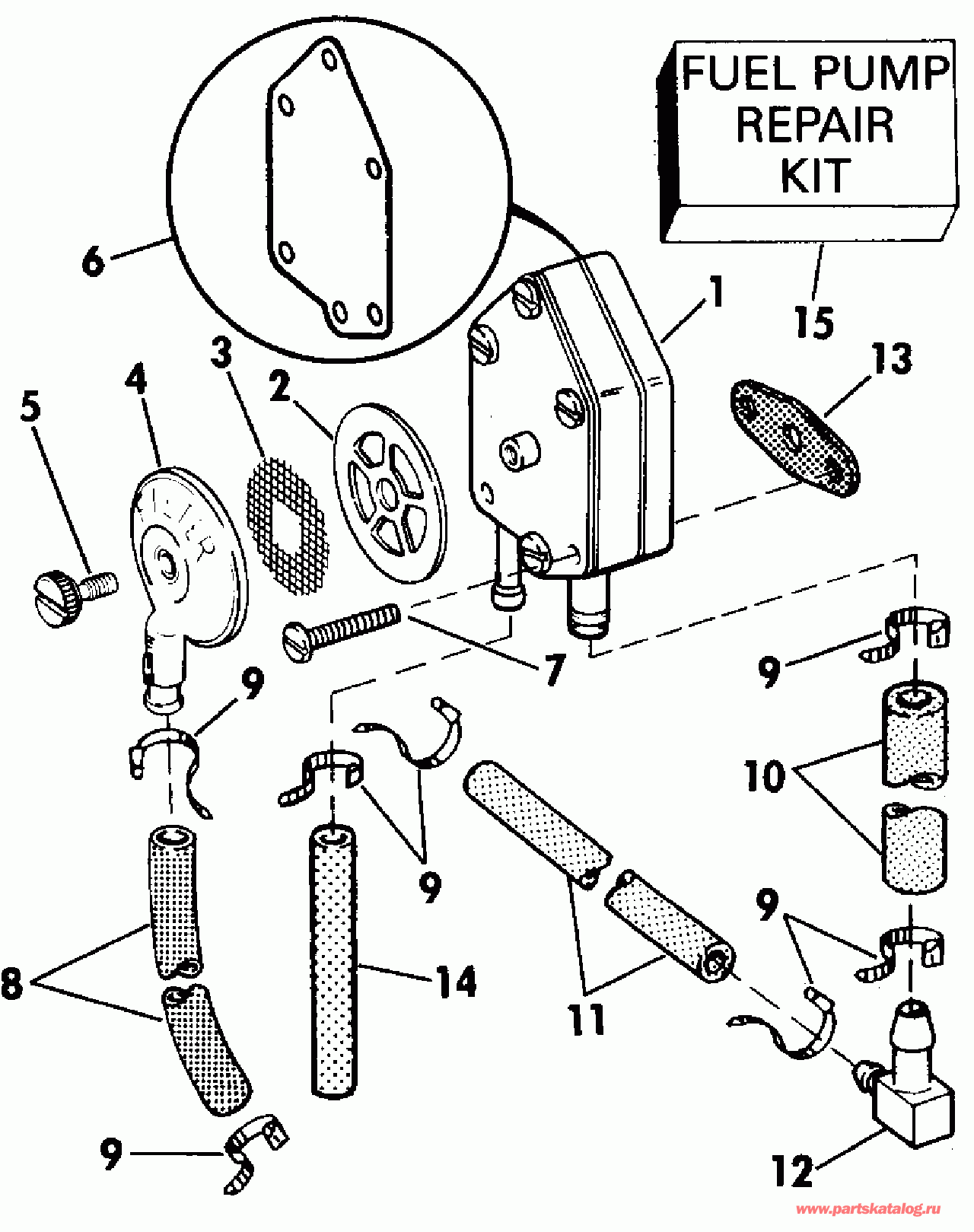
ДЕТАЛИРОВКА ДЛЯ МОДЕЛИ: EVINRUDE E30RLESS 1990

ТОПЛИВНЫЙ НАСОС - EARLY PТЯГАUCTION | FUEL PUMP - EARLY PRODUCTION;


Подвесной двигатель Эвинруд E30RLESS 1990  - Early Production - Early PТягаuction

Номер на
рисунке
АртикулНаименованиеКол-во
на складе
Цена
1 0398399

Топливный насос ASSEMBLY. для 2 & 3 Цилиндр use 433388. для V4 & V6 use 433390. (FUEL PUMP ASSEMBLY. For 2 & 3 cylinder use 433388. For V4 & V6 use 433390.)

нет в наличии, поставок нет
1 0395847

   (последний код) FUEL-PUMP

нет в наличии, поставок нет
2 0332694

Прокладка крышки to Помпа (GASKET, Cap to pump)

нет в наличии, поставок нет
2 0338879

   (последний код) GASKET 5PK

нет в наличии, поставок нет
3 0312675

SCREEN, Фильтр (SCREEN, Filter)

нет в наличии, поставок нет
4 0330092

Крышка фильтра (CAP, Filter)

нет в наличии, поставок нет
4 0433518

   (последний код) KIT-AY,CAP-F

нет в наличии, поставок нет
5 0330061

Винт, Колпачок (SCREW, Cap)

нет в наличии, поставок нет
5 0312677

   (последний код) SCREW

нет в наличии, поставок нет
6 0332678

Диафрагма (DIAPHRAGM)

нет в наличии, поставок нет
6 0328780

   (последний код) DIAPHRAGM

нет в наличии, поставок нет
7 0328717

Винт, Помпа Креплениеing (SCREW, Pump mounting)

нет в наличии, поставок нет
7 0308777

   (последний код) SCREW

нет в наличии, поставок нет
8 0

Шланг, Conn. to Помпа 21 in (535 мм) long. сокращёная длина from 333341 - 5 / 16 дюйм I.D., 25 фут (7, 6m) Roll (HOSE, Conn. to pump 21 in (535mm) long. Cut to Length from 333341 - 5/16 in. I.D., 25 ft. (7,6m) Roll)

нет в наличии, поставок нет
9 0320107

Крепёжный хомут, Шланг (TIE STRAP, Hose)

нет в наличии, поставок нет
9 5035626

   (последний код) BAND,REM CON

нет в наличии, поставок нет
10 0

Шланг, Помпа to elbow 1.5 дюйм (38 мм) long. сокращёная длина from 333341 - 5 / 16 дюйм I.D., 25 фут (7, 6m) Roll (HOSE, Pump to elbow 1.5 in. (38mm) long. Cut to Length from 333341 - 5/16 in. I.D., 25 ft. (7,6m) Roll)

нет в наличии, поставок нет
11 0

Шланг, Elbow to carb., 15 дюйм (381 мм) long. сокращёная длина from 327228 - 5 / 32 дюйм I.D., 25 фут (7, 6m) Roll (HOSE, Elbow to carb., 15 in. (381mm) long. Cut to Length from 327228 - 5/32 in. I.D., 25 ft. (7,6m) Roll)

нет в наличии, поставок нет
12 0327729

ELBOW, Топливный насос to carb. (ELBOW, Fuel pump to carb.)

нет в наличии, поставок нет
13 0303615

Прокладка, Помпа Креплениеing (GASKET, Pump mounting)

нет в наличии, поставок нет
14 0335502

Шланг, Pulse (HOSE, Pulse)

нет в наличии, поставок нет
15 0432962

Топливный насос Ремонтный комплект (FUEL PUMP REPAIR KIT)

нет в наличии, поставок нет
evinrude

Время выполнения запроса 1.4610140323639 сек.


 
 

данный сайт носит информационный характер и не является публичной офертой

склад запчастей для водомоторной техники