вконтакте

Контактный телефон: +7 (981) 121-46-93, +7 (800) 200-90-76 , Email: parts-katalog@yandex.ru, где купить

 
 

  Логин:

Пароль:

Регистрация

www.partskatalog.ru Все каталоги Запчасти Mercury Запчасти Suzuki Запчасти Tohatsu Запчасти Honda Контакты



УВАЖАЕМЫЕ КЛИЕНТЫ!
C 19 ДЕКАБРЯ 2025 ПО 02 МАРТА 2026 ГОДА ОТДЕЛ ЗАПЧАСТЕЙ И СЕРВИС РАБОТАТЬ НЕ БУДУТ
ПРОДАЖА ЛОДОЧНЫХ МОТОРОВ В ШТАТНОМ РЕЖИМЕ
ОБ ИЗМЕНЕНИЯХ В ГРАФИКЕ РАБОТЫ ЧИТАЙТЕ НА САЙТА




Все разделы каталога запчастей на этот двигатель

назад Раздел:   вперёд

вернуться к списку узлов и деталей

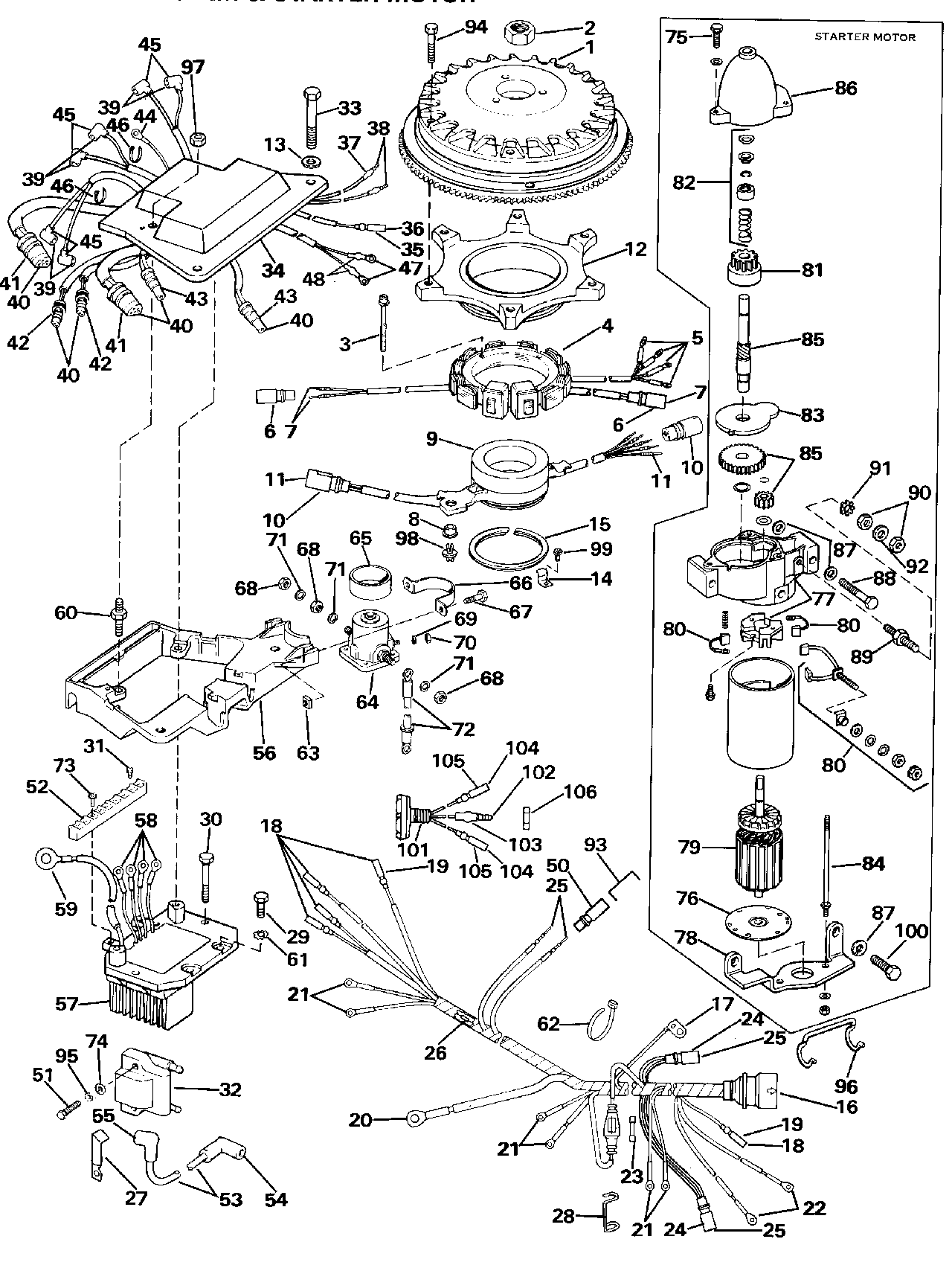
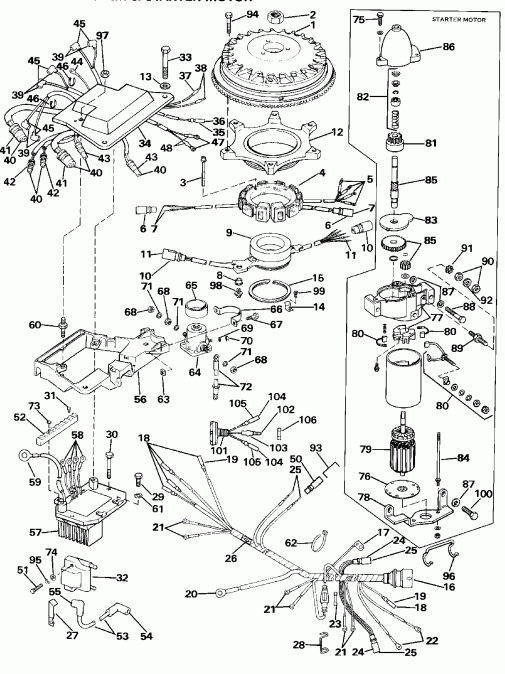
ДЕТАЛИРОВКА ДЛЯ МОДЕЛИ: EVINRUDE E25EESE 1990

ДИСТАНЦИОННОЕ УПРАВЛЕНИЕ | REMOTE CONTROL;


Подвесной мотор Evinrude E25EESE 1990  - mote Управление

Номер на
рисунке
АртикулНаименованиеКол-во
на складе
Цена
0432718 0432718

Дистанционное управление в сборе.. Not Shown (REMOTE CONTROL ASSY.. Not Shown)

нет в наличии, поставок нет
0432718 5006181

   (последний код) RC AY,SUR MOT NT

нет в наличии, поставок нет
1 0324831

Колпачок, 3-way Коннектор (CAP, 3-way connector)

нет в наличии, поставок нет
2 0390610

Рычаг переключения в сборе. (SHIFT LEVER ASSY.)

нет в наличии, поставок нет
3 0393219

Кулачок переключателя lockout (CAM, Shift lockout)

нет в наличии, поставок нет
3 0391537

   (последний код) CAM

нет в наличии, поставок нет
4 0583891

WARNING HORN (WARNING HORN)

нет в наличии, поставок нет
4 0585992

   (последний код) KIT-AY,HORN

нет в наличии, поставок нет
5 0320107

Крепёжный хомут. Also Available in Installation Hardware Kit Part № 391773 (TIE STRAP. Also Available in Installation Hardware Kit Part No. 391773)

нет в наличии, поставок нет
5 5035626

   (последний код) BAND,REM CON

нет в наличии, поставок нет
6 0324064

Винт, Horn & Пластина (SCREW, Horn & plate)

нет в наличии, поставок нет
7 0306559

Винт, Ignition Переключатель (SCREW, Ignition switch)

нет в наличии, поставок нет
8 0303701

LOCKШайба, Horn mtg. (LOCKWASHER, Horn mtg.)

нет в наличии, поставок нет
9 0326593

Винт, Single Управление, portside. Also Available in Installation Hardware Kit Part № 391773 (SCREW, Single control, portside. Also Available in Installation Hardware Kit Part No. 391773)

нет в наличии, поставок нет
9 0336245

   (последний код) SCREW

нет в наличии, поставок нет
10 0325790

Пружина регулировки трения Винт (SPRING, Friction adjusting screw)

нет в наличии, поставок нет
11 0324524

Винт, Креплениеing Кронштейн Переключатель (SCREW, Mounting bracket switch)

нет в наличии, поставок нет
12 0323776

CLEVIS Штифт, Переключатель & Рычаг дросселя. Also Available in Installation Hardware Kit Part № 391773 (CLEVIS PIN, Shift & throttle lever. Also Available in Installation Hardware Kit Part No. 391773)

нет в наличии, поставок нет
13 0321888

Фиксирующий ролик, Переключатель & thr. Пластина (ROLLER, Detent, shift & thr. plate)

нет в наличии, поставок нет
14 0332179

PUSH Ручка, Ключ. Also Available in Installation Hardware Kit Part № 391773 (PUSH KNOB, Key. Also Available in Installation Hardware Kit Part No. 391773)

нет в наличии, поставок нет
15 0323764

Втулка, Cam, hub Крышка (BUSHING, Cam, hub cover)

нет в наличии, поставок нет
16 0323769

Фиксатор Пластина (RETAINER PLATE)

нет в наличии, поставок нет
17 0325780

Пружинная шайба, Cam to hsg (SPRING WASHER, Cam to hsg)

нет в наличии, поставок нет
18 0432719

Корпус & Крышка в сборе (HOUSING & COVER ASSY.)

нет в наличии, поставок нет
18 0175946

   (последний код) HOUSING-&-CO

нет в наличии, поставок нет
19 0308527

Винт, Access Крышка to Корпус (SCREW, Access cover to housing)

нет в наличии, поставок нет
20 0332200

Винт, Заземление (SCREW, Ground)

нет в наличии, поставок нет
21 0320978

Заглушка. Also Available in Installation Hardware Kit Part № 391773 (PLUG. Also Available in Installation Hardware Kit Part No. 391773)

нет в наличии, поставок нет
22 0334762

Заглушка (PLUG)

нет в наличии, поставок нет
23 0397272

Переключатель & Дроссель Пластина в сборе. (SHIFT & THROTTLE PLATE ASSY.)

нет в наличии, поставок нет
24 0323766

КреплениеING Пластина, Neutral start Переключатель (MOUNTING PLATE, Neutral start switch)

нет в наличии, поставок нет
25 0321966

Проставка, Рычаг дросселя to cam (SPACER, Throttle lever to cam)

нет в наличии, поставок нет
26 0327490

APPLIQUE (APPLIQUE)

нет в наличии, поставок нет
26 0350143

   (последний код) APPLIQUE-SPROCKET

нет в наличии, поставок нет
27 0332428

SLIDE, Neutral lock (SLIDE, Neutral lock)

нет в наличии, поставок нет
27 0323770

   (последний код) SLIDE

нет в наличии, поставок нет
28 0323775

Винт, Handle (SCREW, Handle)

нет в наличии, поставок нет
29 0323762

Пыльник, верхний half (GROMMET, Upper half)

нет в наличии, поставок нет
30 0323757

Втулка рычага дросселя (BUSHING, Throttle lever)

нет в наличии, поставок нет
31 0318321

Шайба, Дистанционное управление to boat. Also Available in Installation Hardware Kit Part № 391773 (WASHER, Remote control to boat. Also Available in Installation Hardware Kit Part No. 391773)

нет в наличии, поставок нет
32 0318322

Крепёжный хомут, Пыльник (TIE STRAP, Grommet)

нет в наличии, поставок нет
33 0318324

Винт, Ручка to Управление handle (SCREW, Knob to control handle)

нет в наличии, поставок нет
33 0321999

   (последний код) SCREW

нет в наличии, поставок нет
34 0318349

Гайка, Креплениеing Винт. Also Available in Installation Hardware Kit Part № 391773 (NUT, Mounting screw. Also Available in Installation Hardware Kit Part No. 391773)

нет в наличии, поставок нет
35 0323772

Винт, Пластина (SCREW, Plate)

нет в наличии, поставок нет
36 0323773

Пружина, Slide return (SPRING, Slide return)

нет в наличии, поставок нет
37 0393301

Переключатель & Ключ ASSEMBLY, Ignition (SWITCH & KEY ASSEMBLY, Ignition)

нет в наличии, поставок нет
37 0508180

   (последний код) IGNITION SWITCH

нет в наличии, поставок нет
0322693 0322693

IGNITION Ключ BLANK. Not Shown (IGNITION KEY BLANK. Not Shown)

нет в наличии, поставок нет
38 0394032

Рычаг дросселя в сборе. (THROTTLE LEVER ASSY.)

нет в наличии, поставок нет
38 0389261

   (последний код) THR.LEVER

нет в наличии, поставок нет
39 0391036

Ручка & FRICTION ADJ. Винт в сборе. (KNOB & FRICTION ADJ. SCREW ASSY.)

нет в наличии, поставок нет
40 0331050

LATCH, Fast idle Рычаг (LATCH, Fast idle lever)

нет в наличии, поставок нет
40 0329358

   (последний код) CLIP-LATCH

нет в наличии, поставок нет
41 0389265

Переключатель нейтрали, в сборе start (SWITCH ASSY., Neutral start)

нет в наличии, поставок нет
42 0393129

Тросик дистанционного управления в сборе. (REMOTE CONTROL CABLE ASSY.)

нет в наличии, поставок нет
42 0392284

   (последний код) INST-CABLE

нет в наличии, поставок нет
43 0204036

Кольцо Клемма (RING TERMINAL)

нет в наличии, поставок нет
43 3852035

   (последний код) TERMINAL,RIN

нет в наличии, поставок нет
44 0309437

SLIDE ON Клемма (SLIDE ON TERMINAL)

нет в наличии, поставок нет
44 3852084

   (последний код) TERMINAL,SID

нет в наличии, поставок нет
45 0204038

Кольцо Клемма (RING TERMINAL)

нет в наличии, поставок нет
46 0390760

LEAD в сборе. (LEAD ASSY.)

нет в наличии, поставок нет
47 0204034

Клемма (TERMINAL)

нет в наличии, поставок нет
48 0581656

SOCKET (SOCKET)

нет в наличии, поставок нет
48 3852257

   (последний код) TERMINAL AY,SCKT

нет в наличии, поставок нет
49 0327166

Клемма (TERMINAL)

нет в наличии, поставок нет
50 0511990

Заглушка (PLUG)

нет в наличии, поставок нет
50 0511450

   (последний код) CONNECTOR

нет в наличии, поставок нет
51 0581959

LEAD в сборе., Заземление (LEAD ASSY., Ground)

нет в наличии, поставок нет
52 0393132

EMERGENCY IGNITION CUTOFF Переключатель в сборе. (EMERGENCY IGNITION CUTOFF SWITCH ASSY.)

нет в наличии, поставок нет
52 0585134

   (последний код) SWITCH AY,CUT OFF

нет в наличии, поставок нет
53 0323765

Волнистая шайба, Переключатель & thr. hub (WAVE WASHER, Shift & thr. hub)

нет в наличии, поставок нет
54 0323771

Пластина, Slide Контрольный рычаг (PLATE, Slide control lever)

нет в наличии, поставок нет
55 0318625

Фиксатор пружины (SPRING, Detent)

нет в наличии, поставок нет
56 0323763

Пыльник, нижний (GROMMET, Lower)

нет в наличии, поставок нет
57 0389267

FRICTION ADJUSTMENT Рычаг (FRICTION ADJUSTMENT LEVER)

нет в наличии, поставок нет
58 0325191

Гайка, Фрикционный рычаг (NUT, Friction lever)

нет в наличии, поставок нет
58 0318269

   (последний код) NUT

нет в наличии, поставок нет
59 0318228

Шайба, Fast idle Рычаг (WASHER, Fast idle lever)

нет в наличии, поставок нет
60 0318277

Винт (SCREW)

нет в наличии, поставок нет
61 0331049

Крышка, Handle to Дистанционное управление (COVER, Handle to remote control)

нет в наличии, поставок нет
61 0336241

   (последний код) COVER,NEUT LOCK SL

нет в наличии, поставок нет
62 0321889

SHOE, Detent, Переключатель & Дроссель Пластина (SHOE, Detent, shift & throttle plate)

нет в наличии, поставок нет
63 0322012

SEPARATOR, Рычагs (SEPARATOR, Levers)

нет в наличии, поставок нет
63 0390179

   (последний код) SEPARATOR&TRANS

нет в наличии, поставок нет
64 0318277

Винт, Index Пластина (SCREW, Index plate)

нет в наличии, поставок нет
65 0323749

ФланецD Втулка, Переключатель & Дроссель Пластина (FLANGED BUSHING, Shift & throttle plate)

нет в наличии, поставок нет
66 0325779

ФланецD Втулка, Fast idle Рычаг (FLANGED BUSHING, Fast idle lever)

нет в наличии, поставок нет
67 0325781

Рычаг переключателя lockout (LEVER, Shift lockout)

нет в наличии, поставок нет
68 0306396

LOCKШайба, Управление to boat. Also Available in Installation Hardware Kit Part № 391773 (LOCKWASHER, Control to boat. Also Available in Installation Hardware Kit Part No. 391773)

нет в наличии, поставок нет
68 3852057

   (последний код) WASHER,LOCK

нет в наличии, поставок нет
69 0323759

INDEX Пластина, Neutral lock (INDEX PLATE, Neutral lock)

нет в наличии, поставок нет
69 0127152

   (последний код) PLATE,INDEX

нет в наличии, поставок нет
70 0396124

Рычаг, Fast idle (LEVER, Fast idle)

нет в наличии, поставок нет
70 0329357

   (последний код) LEVER

нет в наличии, поставок нет
71 0331428

Винт, Fast idle Рычаг (SCREW, Fast idle lever)

нет в наличии, поставок нет
72 0331430

Винт, Latch (SCREW, Latch)

нет в наличии, поставок нет
73 0331429

Гайка, Fast idle Рычаг (NUT, Fast idle lever)

нет в наличии, поставок нет
74 0330868

KEEPER Пластина (KEEPER PLATE)

нет в наличии, поставок нет
75 0324064

Винт, Пластина (SCREW, Plate)

нет в наличии, поставок нет
76 0331048

LATCH, Дистанционное управление в сборе (LATCH, Remote control box)

нет в наличии, поставок нет
76 0329362

   (последний код) LATCH

нет в наличии, поставок нет
77 0432230

Зажим & LANYARD (CLIP & LANYARD)

нет в наличии, поставок нет
77 0393079

   (последний код) CAP-&-LANYAR

нет в наличии, поставок нет
78 0328169

Гайка (NUT)

нет в наличии, поставок нет
79 0328170

GUARD (GUARD)

нет в наличии, поставок нет
80 0327164

Рычаг, Дистанционное управление (LEVER, Remote control)

нет в наличии, поставок нет
80 0127055

   (последний код) HANDL,RMT CONT-BLK

нет в наличии, поставок нет
81 0395390

Кабель аккумулятора в сборе. (BATTERY CABLE ASSY.)

нет в наличии, поставок нет
81 0584381

   (последний код) CABLE AY,BATTERY

нет в наличии, поставок нет
82 0322815

Клемма Крышка (TERMINAL COVER)

нет в наличии, поставок нет
82 0312970

   (последний код) COVER

нет в наличии, поставок нет
83 0327121

Пыльник (GROMMET)

нет в наличии, поставок нет
84 0390795

Проставка KIT, Дистанционное управление mtg. (SPACER KIT, Remote control mtg.)

нет в наличии, поставок нет
evinrude

Время выполнения запроса 8.77459192276 сек.


 
 

данный сайт носит информационный характер и не является публичной офертой

склад запчастей для водомоторной техники