вконтакте

Контактный телефон: +7 (981) 121-46-93, +7 (800) 200-90-76 , Email: parts-katalog@yandex.ru, где купить

 
 

  Логин:

Пароль:

Регистрация

www.partskatalog.ru Все каталоги Запчасти Mercury Запчасти Suzuki Запчасти Tohatsu Запчасти Honda Контакты



УВАЖАЕМЫЕ КЛИЕНТЫ!
C 19 ДЕКАБРЯ 2025 ПО 02 МАРТА 2026 ГОДА ОТДЕЛ ЗАПЧАСТЕЙ И СЕРВИС РАБОТАТЬ НЕ БУДУТ
ПРОДАЖА ЛОДОЧНЫХ МОТОРОВ В ШТАТНОМ РЕЖИМЕ
ОБ ИЗМЕНЕНИЯХ В ГРАФИКЕ РАБОТЫ ЧИТАЙТЕ НА САЙТА




Вернуться к началу выбора


Тип двигателя: четырёхтактный

Модель двигателя: Honda BF2D1

Модификация Вашего двигателя:   Honda BF2D1 SCHC
Модели с серийным номером двигателя от BEBF-1000001 до BEBF-1999999
Модели с серийным номером рамы от BZBF-1200001 до BZBF-1299999

РЕЖИМЫ ПРОСМОТРА

Все узлы и детали

Двигатель

Внешние части


   Выберите раздел

найти расходники на лодочные моторы Suzuki

Гильза цилиндра (Cylinder Barrel)

Гильза цилиндра (Cylinder Barrel)

Масляный картер (Oil Case)

Масляный картер (Oil Case)

Крышка картера, в сборе (Crankcase Cover)

Крышка картера, в сборе (Crankcase Cover)

Коленвал (Crankshaft)

Коленвал (Crankshaft)

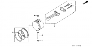
Поршень (Piston)

Поршень (Piston)

Распределительный вал (Camshaft)

Распределительный вал (Camshaft)

Барабанный стартер (Recoil Starter)

Барабанный стартер (Recoil Starter)

Крышка вентилятора (Fan Cover)

Крышка вентилятора (Fan Cover)

Сцепление (Clutch)

Сцепление (Clutch)

Карбюратор (Carburetor)

Карбюратор (Carburetor)

Воздушный фильтр (1) (Air Cleaner (1))

Воздушный фильтр (1) (Air Cleaner (1))

Воздушный фильтр (2) (Air Cleaner (2))

Воздушный фильтр (2) (Air Cleaner (2))

Muffler (Muffler)

Muffler (Muffler)

Топливный бак (Fuel Tank)

Топливный бак (Fuel Tank)

Маховик / Катушка зажигания (Flywheel / Ignition Coil)

Маховик / Катушка зажигания (Flywheel / Ignition Coil)

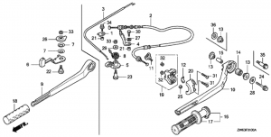
Румпель (Steering Handle)

Румпель (Steering Handle)

Удлинение корпуса (Extension Case)

Удлинение корпуса (Extension Case)

Гребной винт / Картер коробки передач / Вертикальный вал (Propeller / Gear Case / Vertical Shaft)

Гребной винт / Картер коробки передач / Вертикальный вал (Propeller / Gear Case / Vertical Shaft)

Корпус двигателя (Engine Case)

Корпус двигателя (Engine Case)

Кронштейн транца (Stern Bracket)

Кронштейн транца (Stern Bracket)

Наклейки (Label)

Наклейки (Label)

Инструмент (Tool)

Инструмент (Tool)

Чехол / Сумка для переноски (Cover Kit / Bag Kit)

Чехол / Сумка для переноски (Cover Kit / Bag Kit)

tohatsu

 
 

данный сайт носит информационный характер и не является публичной офертой

склад запчастей для водомоторной техники