вконтакте

Контактный телефон: +7 (981) 121-46-93, +7 (800) 200-90-76 , Email: parts-katalog@yandex.ru, где купить

 
 

  Логин:

Пароль:

Регистрация

www.partskatalog.ru Все каталоги Запчасти Mercury Запчасти Suzuki Запчасти Tohatsu Запчасти Honda Контакты



УВАЖАЕМЫЕ КЛИЕНТЫ!
C 19 ДЕКАБРЯ 2025 ПО 02 МАРТА 2026 ГОДА ОТДЕЛ ЗАПЧАСТЕЙ И СЕРВИС РАБОТАТЬ НЕ БУДУТ
ПРОДАЖА ЛОДОЧНЫХ МОТОРОВ В ШТАТНОМ РЕЖИМЕ
ОБ ИЗМЕНЕНИЯХ В ГРАФИКЕ РАБОТЫ ЧИТАЙТЕ НА САЙТА




Вернуться к началу выбора


Тип двигателя: четырёхтактный

Модель двигателя: Honda BF5AK

Модификация Вашего двигателя:   Honda BF5AK SC
Модели с серийным номером двигателя от BADE-1100001 до BADE-1199999
Модели с серийным номером рамы от BADS-1100001 до BADS-1199999

РЕЖИМЫ ПРОСМОТРА

Все узлы и детали

Двигатель

Внешние части


   Выберите раздел

найти расходники на лодочные моторы Suzuki

Головка блока цилиндра (Cylinder Head)

Головка блока цилиндра (Cylinder Head)

Гильза цилиндра (Cylinder Barrel)

Гильза цилиндра (Cylinder Barrel)

Масляный поддон (Oil Pan)

Масляный поддон (Oil Pan)

Поршень / Коленвал (Piston / Crankshaft)

Поршень / Коленвал (Piston / Crankshaft)

Распределительный вал / Клапан (Camshaft / Valve)

Распределительный вал / Клапан (Camshaft / Valve)

Барабанный стартер (Recoil Starter)

Барабанный стартер (Recoil Starter)

Карбюратор (Carburetor)

Карбюратор (Carburetor)

Топливный насос (Fuel Pump)

Топливный насос (Fuel Pump)

Катушка зажигания / Маховик (Ignition Coil / Flywheel)

Катушка зажигания / Маховик (Ignition Coil / Flywheel)

Комплект для установки зарядной розетки (Lamp Consent Kit)

Комплект для установки зарядной розетки (Lamp Consent Kit)

Комплект прокладок (Gasket Kit)

Комплект прокладок (Gasket Kit)

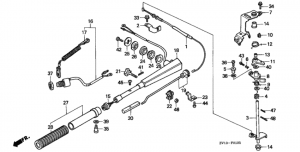
Румпель / Тросик дросселя (Steering Handle / Throttle Cable)

Румпель / Тросик дросселя (Steering Handle / Throttle Cable)

Переключающий вал / Крышка рычага блокировки (Shift Shaft / Cover Lock Lever)

Переключающий вал / Крышка рычага блокировки (Shift Shaft / Cover Lock Lever)

Комплект для установки зарядной розетки (Lamp Consent Kit)

Комплект для установки зарядной розетки (Lamp Consent Kit)

Удлинение корпуса / Картер коробки передач / Переключающая тяга (Extension Case / Gear Case / Shift Rod)

Удлинение корпуса / Картер коробки передач / Переключающая тяга (Extension Case / Gear Case / Shift Rod)

Водяной насос / Вертикальный вал (Water Pump / Vertical Shaft)

Водяной насос / Вертикальный вал (Water Pump / Vertical Shaft)

Вал гребного винта / Гребной винт (Propeller Shaft / Propeller)

Вал гребного винта / Гребной винт (Propeller Shaft / Propeller)

Топливный бак / Вспомогательный бак (Fuel Tank / Sub Tank)

Топливный бак / Вспомогательный бак (Fuel Tank / Sub Tank)

Топливный фильтр (Fuel Strainer)

Топливный фильтр (Fuel Strainer)

Крышка двигателя (капот) (Engine Cover)

Крышка двигателя (капот) (Engine Cover)

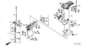
Монтажная рама / Поворотный корпус (Mount Frame / Swivel Case)

Монтажная рама / Поворотный корпус (Mount Frame / Swivel Case)

Кронштейн транца / Регулировочная тяга (Stern Bracket / Adjust Rod)

Кронштейн транца / Регулировочная тяга (Stern Bracket / Adjust Rod)

Наклейки (Label)

Наклейки (Label)

Инструмент / Шнур стартера (Tool / Starter Rope)

Инструмент / Шнур стартера (Tool / Starter Rope)

Дистанционное управление (Remote Control)

Дистанционное управление (Remote Control)

Наборы для ремонта водяного насоса (Water Pump Impeller Kit)

Наборы для ремонта водяного насоса (Water Pump Impeller Kit)

Чехол двигателя (Engine Cover Kit)

Чехол двигателя (Engine Cover Kit)

tohatsu

 
 

данный сайт носит информационный характер и не является публичной офертой

склад запчастей для водомоторной техники