вконтакте

Контактный телефон: +7 (981) 121-46-93, +7 (800) 200-90-76 , Email: parts-katalog@yandex.ru, где купить

 
 

  Логин:

Пароль:

Регистрация

www.partskatalog.ru Все каталоги Запчасти Mercury Запчасти Suzuki Запчасти Tohatsu Запчасти Honda Контакты



УВАЖАЕМЫЕ КЛИЕНТЫ!
C 19 ДЕКАБРЯ 2025 ПО 02 МАРТА 2026 ГОДА ОТДЕЛ ЗАПЧАСТЕЙ И СЕРВИС РАБОТАТЬ НЕ БУДУТ
ПРОДАЖА ЛОДОЧНЫХ МОТОРОВ В ШТАТНОМ РЕЖИМЕ
ОБ ИЗМЕНЕНИЯХ В ГРАФИКЕ РАБОТЫ ЧИТАЙТЕ НА САЙТА




Вернуться к началу выбора


Тип двигателя: четырёхтактный

Модель двигателя: Honda BF5A4

Модификация Вашего двигателя:   Honda BF5A4 LEB
Модели с серийным номером двигателя от BADE-2000001 до BADE-9999999
Модели с серийным номером рамы от BADL-2000001 до BADL-9999999

РЕЖИМЫ ПРОСМОТРА

Все узлы и детали

Двигатель

Внешние части


   Выберите раздел

найти расходники на лодочные моторы Suzuki

Головка блока цилиндра (Cylinder Head)

Головка блока цилиндра (Cylinder Head)

Гильза цилиндра (Cylinder Barrel)

Гильза цилиндра (Cylinder Barrel)

Масляный поддон (Oil Pan)

Масляный поддон (Oil Pan)

Коленвал / Поршень (Crankshaft / Piston)

Коленвал / Поршень (Crankshaft / Piston)

Распределительный вал (Camshaft)

Распределительный вал (Camshaft)

Барабанный стартер (Recoil Starter)

Барабанный стартер (Recoil Starter)

Карбюратор (Carburetor)

Карбюратор (Carburetor)

Топливный насос (Fuel Pump)

Топливный насос (Fuel Pump)

Маховик / Катушка зажигания (Flywheel / Ignition Coil)

Маховик / Катушка зажигания (Flywheel / Ignition Coil)

Комплект для установки зарядной розетки (Charge Receptacle Kit)

Комплект для установки зарядной розетки (Charge Receptacle Kit)

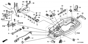
Румпель / Тросик дросселя (Steering Handle / Throttle Cable)

Румпель / Тросик дросселя (Steering Handle / Throttle Cable)

Переключающий вал / Крышка рычага блокировки (Shift Shaft / Cover Lock Lever)

Переключающий вал / Крышка рычага блокировки (Shift Shaft / Cover Lock Lever)

Регулятор напряжения (выпрямитель) (Regulator Rectifier)

Регулятор напряжения (выпрямитель) (Regulator Rectifier)

Удлинение корпуса / Картер коробки передач (Extension Case / Gear Case)

Удлинение корпуса / Картер коробки передач (Extension Case / Gear Case)

Вертикальный вал / Водяной насос (Vertical Shaft / Water Pump)

Вертикальный вал / Водяной насос (Vertical Shaft / Water Pump)

Гребной винт / Вал гребного винта (Propeller / Propeller Shaft)

Гребной винт / Вал гребного винта (Propeller / Propeller Shaft)

Топливный бак (стандартный) (Fuel Tank (standard))

Топливный бак (стандартный) (Fuel Tank (standard))

Топливный бак (пластиковый) (Fuel Tank (plastics))

Топливный бак (пластиковый) (Fuel Tank (plastics))

Топливный фильтр (Fuel Strainer)

Топливный фильтр (Fuel Strainer)

Крышка двигателя (капот) (Engine Cover)

Крышка двигателя (капот) (Engine Cover)

Кронштейн транца (Stern Bracket)

Кронштейн транца (Stern Bracket)

Монтажная рама / Поворотный корпус (Mount Frame / Swivel Case)

Монтажная рама / Поворотный корпус (Mount Frame / Swivel Case)

Наклейки (Label)

Наклейки (Label)

Инструмент (Tool)

Инструмент (Tool)

Дистанционное управление, комплект / Комплект соединений для водяных трубок (Remote Control Kit / Water Hose Joint Kit)

Дистанционное управление, комплект / Комплект соединений для водяных трубок (Remote Control Kit / Water Hose Joint Kit)

Наборы для ремонта водяного насоса (Water Pump Impeller Kit)

Наборы для ремонта водяного насоса (Water Pump Impeller Kit)

Гребной винт (Propeller)

Гребной винт (Propeller)

Чехол двигателя (Body Cover)

Чехол двигателя (Body Cover)

tohatsu

 
 

данный сайт носит информационный характер и не является публичной офертой

склад запчастей для водомоторной техники