вконтакте

Контактный телефон: +7 (981) 121-46-93, +7 (800) 200-90-76 , Email: parts-katalog@yandex.ru, где купить

 
 

  Логин:

Пароль:

Регистрация

www.partskatalog.ru Все каталоги Запчасти Mercury Запчасти Suzuki Запчасти Tohatsu Запчасти Honda Контакты



УВАЖАЕМЫЕ КЛИЕНТЫ!
C 19 ДЕКАБРЯ 2025 ПО 02 МАРТА 2026 ГОДА ОТДЕЛ ЗАПЧАСТЕЙ И СЕРВИС РАБОТАТЬ НЕ БУДУТ
ПРОДАЖА ЛОДОЧНЫХ МОТОРОВ В ШТАТНОМ РЕЖИМЕ
ОБ ИЗМЕНЕНИЯХ В ГРАФИКЕ РАБОТЫ ЧИТАЙТЕ НА САЙТА




Вернуться к началу выбора


Тип двигателя: четырёхтактный

Модель двигателя: Honda BF100C

Модификация Вашего двигателя:   Honda BF100C LC
Модели с серийным номером двигателя от B100L-1400001 до B100L-1499999
Модели с серийным номером рамы от B100L-1400001 до B100L-1499999

РЕЖИМЫ ПРОСМОТРА

Все узлы и детали

Двигатель

Внешние части


   Выберите раздел

найти расходники на лодочные моторы Suzuki

Гильза цилиндра / Головка блока цилиндра (Cylinder Barrel / Cylinder Head)

Гильза цилиндра / Головка блока цилиндра (Cylinder Barrel / Cylinder Head)

Впускной трубопровод / Блок управления C.D.I. (Inlet Manifold / C.d.i. Unit)

Впускной трубопровод / Блок управления C.D.I. (Inlet Manifold / C.d.i. Unit)

Масляный насос / Масляный фильтр / Выхлопная труба (Oil Pump / Oil Filter / Exhaust Pipe)

Масляный насос / Масляный фильтр / Выхлопная труба (Oil Pump / Oil Filter / Exhaust Pipe)

Поршень / Коленвал (Piston / Crankshaft)

Поршень / Коленвал (Piston / Crankshaft)

Распределительный вал / Клапан (Camshaft / Valve)

Распределительный вал / Клапан (Camshaft / Valve)

Барабанный стартер (Recoil Starter)

Барабанный стартер (Recoil Starter)

Корпус стартера / Шкив (Starter Case / Cam Pulley)

Корпус стартера / Шкив (Starter Case / Cam Pulley)

Карбюратор / Воздуховод (Carburetor / Air Guide)

Карбюратор / Воздуховод (Carburetor / Air Guide)

Топливный насос (Fuel Pump)

Топливный насос (Fuel Pump)

Катушка зажигания / Маховик (Ignition Coil / Flywheel)

Катушка зажигания / Маховик (Ignition Coil / Flywheel)

Комплект прокладок (Gasket Kit)

Комплект прокладок (Gasket Kit)

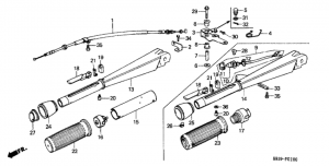
Румпель / Тросик дросселя (Steering Handle / Throttle Cable)

Румпель / Тросик дросселя (Steering Handle / Throttle Cable)

Переключающий вал / Ручка для переноски / Крышка рычага блокировки (Shift Shaft / Carrying Handle / Cover Lock Lever)

Переключающий вал / Ручка для переноски / Крышка рычага блокировки (Shift Shaft / Carrying Handle / Cover Lock Lever)

Удлинение корпуса / Картер коробки передач / Переключающая тяга (Extension Case / Gear Case / Shift Rod)

Удлинение корпуса / Картер коробки передач / Переключающая тяга (Extension Case / Gear Case / Shift Rod)

Водяной насос / Вертикальный вал (Water Pump / Vertical Shaft)

Водяной насос / Вертикальный вал (Water Pump / Vertical Shaft)

Вал гребного винта / Гребной винт (Propeller Shaft / Propeller)

Вал гребного винта / Гребной винт (Propeller Shaft / Propeller)

Топливный бак / Вспомогательный бак (Fuel Tank / Sub Tank)

Топливный бак / Вспомогательный бак (Fuel Tank / Sub Tank)

Масляный картер / Крышка двигателя (капот) (Oil Case / Engine Cover)

Масляный картер / Крышка двигателя (капот) (Oil Case / Engine Cover)

Монтажная рама / Верхняя монтажная резинка (Mount Frame / Upper Mount Rubber)

Монтажная рама / Верхняя монтажная резинка (Mount Frame / Upper Mount Rubber)

Кронштейн транца / Регулировочная тяга (Stern Bracket / Adjust Rod)

Кронштейн транца / Регулировочная тяга (Stern Bracket / Adjust Rod)

Поворотный корпус / Поворотный вал / Рычаг наклона (Swivel Case / Swivel Shaft / Tilt Lever)

Поворотный корпус / Поворотный вал / Рычаг наклона (Swivel Case / Swivel Shaft / Tilt Lever)

Стандартный инструмент / Шнур стартера (Tools / Starter Rope)

Стандартный инструмент / Шнур стартера (Tools / Starter Rope)

Дистанционное управление (Remote Control)

Дистанционное управление (Remote Control)

Аварийный выключатель / Комплект для монтажа стартера (Safety Switch /  Vertical Starter)

Аварийный выключатель / Комплект для монтажа стартера (Safety Switch / Vertical Starter)

Монтажный комплект, водяной / Чехол двигателя / Трансмиссионное масло (Water Mouth / Body Cover / Gear Oil)

Монтажный комплект, водяной / Чехол двигателя / Трансмиссионное масло (Water Mouth / Body Cover / Gear Oil)

tohatsu

 
 

данный сайт носит информационный характер и не является публичной офертой

склад запчастей для водомоторной техники