вконтакте

Контактный телефон: +7 (981) 121-46-93, +7 (800) 200-90-76 , Email: parts-katalog@yandex.ru, где купить

 
 

  Логин:

Пароль:

Регистрация

www.partskatalog.ru Все каталоги Запчасти Mercury Запчасти Suzuki Запчасти Tohatsu Запчасти Honda Контакты



УВАЖАЕМЫЕ КЛИЕНТЫ!
C 19 ДЕКАБРЯ 2025 ПО 02 МАРТА 2026 ГОДА ОТДЕЛ ЗАПЧАСТЕЙ И СЕРВИС РАБОТАТЬ НЕ БУДУТ
ПРОДАЖА ЛОДОЧНЫХ МОТОРОВ В ШТАТНОМ РЕЖИМЕ
ОБ ИЗМЕНЕНИЯХ В ГРАФИКЕ РАБОТЫ ЧИТАЙТЕ НА САЙТА




Вернуться к началу выбора


Тип двигателя: четырёхтактный

Модель двигателя: Honda BF10B1

Модификация Вашего двигателя:   Honda BF10B1 LHSG
Модели с серийным номером двигателя от BEABJ-1000001 до BEABJ-9999999
Модели с серийным номером рамы от BADJ-1000001 до BADJ-1099999

РЕЖИМЫ ПРОСМОТРА

Все узлы и детали

Двигатель

Внешние части


   Выберите раздел

найти расходники на лодочные моторы Suzuki

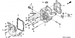
Головка блока цилиндра (Cylinder Head)

Головка блока цилиндра (Cylinder Head)

Крышка картера, в сборе (Crankcase Cover)

Крышка картера, в сборе (Crankcase Cover)

Масляный картер (Oil Case)

Масляный картер (Oil Case)

Термостат (Thermostat)

Термостат (Thermostat)

Масляный насос (Oil Pump)

Масляный насос (Oil Pump)

Поршень / Шатун (Piston / Connecting Rod)

Поршень / Шатун (Piston / Connecting Rod)

Распределительный вал (Camshaft)

Распределительный вал (Camshaft)

Барабанный стартер (Recoil Starter)

Барабанный стартер (Recoil Starter)

Ремень распредвала (Timing Belt)

Ремень распредвала (Timing Belt)

Карбюратор (Carburetor)

Карбюратор (Carburetor)

Корпус глушителя (Silencer Cover)

Корпус глушителя (Silencer Cover)

Крышка выхлопной камеры (Exhaust Chamber Cover)

Крышка выхлопной камеры (Exhaust Chamber Cover)

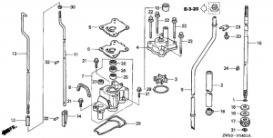
Топливный насос (Fuel Pump)

Топливный насос (Fuel Pump)

Маховик (Flywheel)

Маховик (Flywheel)

Катушка зажигания (Ignition Coil)

Катушка зажигания (Ignition Coil)

Двигатель стартера (Starter Motor)

Двигатель стартера (Starter Motor)

Жгут проводов (Wire Harness)

Жгут проводов (Wire Harness)

Соединение выхлопного шланга (Water Hose Joint)

Соединение выхлопного шланга (Water Hose Joint)

Румпель (Steering Handle)

Румпель (Steering Handle)

Картер коробки передач / Удлинение корпуса (Gear Case / Extension Case)

Картер коробки передач / Удлинение корпуса (Gear Case / Extension Case)

Картер коробки передач в сборе. (Gear Case Assy.)

Картер коробки передач в сборе. (Gear Case Assy.)

Водяной насос / Вертикальный вал (l size) (Water Pump / Vertical Shaft (l Size))

Водяной насос / Вертикальный вал (l size) (Water Pump / Vertical Shaft (l Size))

Водяной насос / Вертикальный вал (ul size) (Water Pump / Vertical Shaft (ul Size))

Водяной насос / Вертикальный вал (ul size) (Water Pump / Vertical Shaft (ul Size))

Вал гребного винта / Гребной винт (Propeller Shaft / Propeller)

Вал гребного винта / Гребной винт (Propeller Shaft / Propeller)

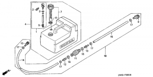
Топливный бак (стандартный) (Fuel Tank (standard))

Топливный бак (стандартный) (Fuel Tank (standard))

Топливный бак (пластиковый) (Fuel Tank (plastics))

Топливный бак (пластиковый) (Fuel Tank (plastics))

Регулятор / Кабель стартера (Regulator / Starter Cable)

Регулятор / Кабель стартера (Regulator / Starter Cable)

Крышка двигателя (капот) (Engine Cover)

Крышка двигателя (капот) (Engine Cover)

Переключающий вал (для моделей с румпелем) (Shift Shaft (handle Specification))

Переключающий вал (для моделей с румпелем) (Shift Shaft (handle Specification))

Переключающий вал (для моделей с дистанционным управлением) (Shift Shaft (remote Specification))

Переключающий вал (для моделей с дистанционным управлением) (Shift Shaft (remote Specification))

Кронштейн транца (Stern Bracket)

Кронштейн транца (Stern Bracket)

Поворотный корпус (Swivel Case)

Поворотный корпус (Swivel Case)

Маркировка (Mark)

Маркировка (Mark)

Инструмент (Tool)

Инструмент (Tool)

Дистанционное управление (Remote Control)

Дистанционное управление (Remote Control)

Комплект зарядной катушки (Charge Coil Kit)

Комплект зарядной катушки (Charge Coil Kit)

Кабели (Cable)

Кабели (Cable)

Тахометр / Кабель стартера (Tachometer / Starter Cable)

Тахометр / Кабель стартера (Tachometer / Starter Cable)

tohatsu

 
 

данный сайт носит информационный характер и не является публичной офертой

склад запчастей для водомоторной техники