вконтакте

Контактный телефон: +7 (981) 121-46-93, +7 (800) 200-90-76 , Email: parts-katalog@yandex.ru, где купить

 
 

  Логин:

Пароль:

Регистрация

www.partskatalog.ru Все каталоги Запчасти Mercury Запчасти Suzuki Запчасти Tohatsu Запчасти Honda Контакты



УВАЖАЕМЫЕ КЛИЕНТЫ!
C 19 ДЕКАБРЯ 2025 ПО 02 МАРТА 2026 ГОДА ОТДЕЛ ЗАПЧАСТЕЙ И СЕРВИС РАБОТАТЬ НЕ БУДУТ
ПРОДАЖА ЛОДОЧНЫХ МОТОРОВ В ШТАТНОМ РЕЖИМЕ
ОБ ИЗМЕНЕНИЯХ В ГРАФИКЕ РАБОТЫ ЧИТАЙТЕ НА САЙТА




Вернуться к началу выбора


Тип двигателя: четырёхтактный

Модель двигателя: Honda BF20D3

Модификация Вашего двигателя:   Honda BF20D3 LHD
Модели с серийным номером двигателя от BEAMJ-1000001 до BEAMJ-
Модели с серийным номером рамы от BAMJ-1000001 до BAMJ-

РЕЖИМЫ ПРОСМОТРА

Все узлы и детали

Двигатель

Внешние части


   Выберите раздел

найти расходники на лодочные моторы Suzuki

Головка блока цилиндра (Cylinder Head)

Головка блока цилиндра (Cylinder Head)

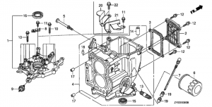
Блок цилиндра (Cylinder Block)

Блок цилиндра (Cylinder Block)

Прокладка масляного насоса (Oil Pan Packing)

Прокладка масляного насоса (Oil Pan Packing)

Термостат (Thermostat)

Термостат (Thermostat)

Масляный насос (Oil Pump)

Масляный насос (Oil Pump)

Коленвал / Поршень (Crankshaft / Piston)

Коленвал / Поршень (Crankshaft / Piston)

Распределительный вал / Клапан (Camshaft / Valve)

Распределительный вал / Клапан (Camshaft / Valve)

Барабанный стартер (Recoil Starter)

Барабанный стартер (Recoil Starter)

Ремень распредвала (Timing Belt)

Ремень распредвала (Timing Belt)

Карбюратор (ручной) (Carburetor (manual))

Карбюратор (ручной) (Carburetor (manual))

Карбюратор (авто) (Carburetor (auto))

Карбюратор (авто) (Carburetor (auto))

Корпус глушителя (Silencer Cover)

Корпус глушителя (Silencer Cover)

Крышка выхлопной камеры (Exhaust Chamber Cover)

Крышка выхлопной камеры (Exhaust Chamber Cover)

Топливный насос (1) (Fuel Pump (1))

Топливный насос (1) (Fuel Pump (1))

Топливный насос (2) (Fuel Pump (2))

Топливный насос (2) (Fuel Pump (2))

Маховик (Flywheel)

Маховик (Flywheel)

Катушка зажигания / Блок управления C.D.I. (Ignition Coil / C.d.i. Unit)

Катушка зажигания / Блок управления C.D.I. (Ignition Coil / C.d.i. Unit)

Двигатель стартера (Starter Motor)

Двигатель стартера (Starter Motor)

Комплект соединений для водяных трубок (Water Hose Joint Kit)

Комплект соединений для водяных трубок (Water Hose Joint Kit)

Румпель (Steering Handle)

Румпель (Steering Handle)

Картер коробки передач / Удлинение корпуса (Gear Case / Extension Case)

Картер коробки передач / Удлинение корпуса (Gear Case / Extension Case)

Картер коробки передач в сборе. (Gear Case Assy.)

Картер коробки передач в сборе. (Gear Case Assy.)

Водяной насос / Вертикальный вал (1) (Water Pump / Vertical Shaft (1))

Водяной насос / Вертикальный вал (1) (Water Pump / Vertical Shaft (1))

Водяной насос / Вертикальный вал (2) (Water Pump / Vertical Shaft (2))

Водяной насос / Вертикальный вал (2) (Water Pump / Vertical Shaft (2))

Вал гребного винта / Гребной винт (Propeller Shaft / Propeller)

Вал гребного винта / Гребной винт (Propeller Shaft / Propeller)

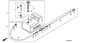
Топливный бак (стандартный) (Fuel Tank (standard))

Топливный бак (стандартный) (Fuel Tank (standard))

Топливный бак (пластиковый) (Fuel Tank (plastics))

Топливный бак (пластиковый) (Fuel Tank (plastics))

Жгут проводов (зарядная катушка 6a) (Wire Harness (charge Coil 6a))

Жгут проводов (зарядная катушка 6a) (Wire Harness (charge Coil 6a))

Жгут проводов (зарядная катушка 12a) (Wire Harness (charge Coil 12a))

Жгут проводов (зарядная катушка 12a) (Wire Harness (charge Coil 12a))

Жгут проводов (зарядная катушка 12a) / Управление наклоном (Wire Harness (charge Coil 12a) / Power Tilt)

Жгут проводов (зарядная катушка 12a) / Управление наклоном (Wire Harness (charge Coil 12a) / Power Tilt)

Крышка двигателя (капот) (Engine Cover)

Крышка двигателя (капот) (Engine Cover)

Масляный картер / Переключающий вал (для моделей с румпелем) (Oil Case / Shift Shaft (handle Specification))

Масляный картер / Переключающий вал (для моделей с румпелем) (Oil Case / Shift Shaft (handle Specification))

Масляный картер / Переключающий вал (для моделей с дистанционным управлением) (Oil Case / Shift Shaft (remote Specification))

Масляный картер / Переключающий вал (для моделей с дистанционным управлением) (Oil Case / Shift Shaft (remote Specification))

Кронштейн транца (1) (Stern Bracket (1))

Кронштейн транца (1) (Stern Bracket (1))

Кронштейн транца (2) (Stern Bracket (2))

Кронштейн транца (2) (Stern Bracket (2))

Поворотный корпус (1) (Swivel Case (1))

Поворотный корпус (1) (Swivel Case (1))

Поворотный корпус (2) (Swivel Case (2))

Поворотный корпус (2) (Swivel Case (2))

Демпфер (Damper)

Демпфер (Damper)

Механизированный дифферент наклона (Power Trim-tilt)

Механизированный дифферент наклона (Power Trim-tilt)

Наклейки (Label)

Наклейки (Label)

Инструмент (Tool)

Инструмент (Tool)

Дистанционное управление (Remote Control)

Дистанционное управление (Remote Control)

Кабели (Cable)

Кабели (Cable)

Гребной винт (Propeller Kit)

Гребной винт (Propeller Kit)

Прибор / Провода для приборов (Meter / Meter Harness)

Прибор / Провода для приборов (Meter / Meter Harness)

Крышка двигателя (капот) (Engine Cover)

Крышка двигателя (капот) (Engine Cover)

Комплект для установки мотора на лодку (Outboard Installation Kit)

Комплект для установки мотора на лодку (Outboard Installation Kit)

Наборы для ремонта водяного насоса (Impeller Pump Kit)

Наборы для ремонта водяного насоса (Impeller Pump Kit)

tohatsu

 
 

данный сайт носит информационный характер и не является публичной офертой

склад запчастей для водомоторной техники